Utiliser une gamme de microcontrôleurs basse consommation pour simplifier la conception d'applications d'IoT industriel et de santé
Avec la contribution de Rédacteurs nord-américains de DigiKey
2024-10-10
Les développeurs de conceptions basse consommation pour les applications industrielles, de soins de santé et Internet des objets (IoT) sont confrontés à une demande continue de solutions basées sur des microcontrôleurs offrant des fonctionnalités étendues sans compromettre les bilans de puissance stricts. Au fur et à mesure du développement, ils risquent souvent de dépasser les seuils de puissance maximum pour satisfaire à des exigences fonctionnelles spécifiques.
Cet article montre comment la gamme de microcontrôleurs ultrabasse consommation d'Analog Devices peut répondre à ces exigences.
Répondre aux exigences des applications spécialisées
Les concepteurs doivent satisfaire à un ensemble d'exigences clés en matière de hautes performances et de basse consommation d'énergie pour répondre efficacement aux attentes des clients. Dans des domaines d'application aussi divers que les soins de santé, l'industrie et l'IoT, ces exigences clés ont généralement déterminé les décisions de conception et guidé le développement de plateformes matérielles qui ne diffèrent pas fondamentalement les unes des autres. Par conséquent, les concepteurs peuvent rapidement appliquer l'expérience de conception matérielle et logicielle acquise dans un domaine d'application pour répondre aux besoins de base d'un autre.
Avec la demande croissante de produits de plus en plus sophistiqués dans ces domaines, il est plus difficile pour les concepteurs de répondre aux exigences particulières des applications spécialisées sans sacrifier la capacité à satisfaire les exigences de base. Les segments d'application ont commencé à se différencier fortement, avec des exigences uniques en matière de connectivité, de sécurité et d'intelligence artificielle (IA).
Sous l'impulsion de ces besoins changeants, le concept d'une plateforme matérielle commune a évolué pour permettre aux concepteurs de répondre aux exigences de base en matière de hautes performances et de basse consommation tout en s'appuyant sur un ensemble de processeurs familiers, auquel des capacités spécifiques sont ajoutées.
Une base de processeurs personnalisée pour des fonctionnalités spécialisées
Architecturés autour du processeur Arm® Cortex®-M4 ultrabasse consommation avec unité en virgule flottante (FPU), les membres de la famille de microcontrôleurs ultrabasse consommation d'Analog Devices offrent aux concepteurs une plateforme familière capable de répondre aux exigences de puissance et de performances de base.
Pour répondre aux exigences uniques des différents domaines d'application, Analog Devices personnalise cette base avec des capacités spécialisées dans quatre membres de la gamme :
- Le MAX32655 cible les applications exigeant une connectivité Bluetooth Low Energy (BLE) et une autonomie batterie étendue tout en offrant une mémoire et des performances suffisantes.
- Le MAX32690 cible les applications exigeant une connectivité BLE, des performances robustes et une mémoire étendue.
- Le MAX32675C cible les applications exigeant des signaux mixtes pour les capteurs industriels et médicaux.
- Le MAX78000 répond à la demande émergente de périphériques intelligents.
Connectivité
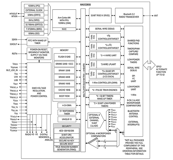
Le microcontrôleur MAX32655 d'Analog Devices intègre un processeur Arm Cortex-M4 de 100 mégahertz (MHz) avec FPU, 512 kilo-octets (Ko) de mémoire Flash, 128 Ko de SRAM et 16 Ko de cache d'instructions pour fournir la combinaison efficace de performances de traitement et de stockage mémoire requise dans les applications basse consommation typiques. Au-delà de ce sous-système de traitement, le dispositif ajoute un ensemble complet de blocs fonctionnels pour la sécurité, la gestion de l'alimentation, la temporisation, et les périphériques numériques et analogiques généralement nécessaires dans les dispositifs corporels, de suivi des actifs et de surveillance de santé (Figure 1).
Figure 1 : Grâce à son vaste ensemble de périphériques intégrés, le microcontrôleur MAX32655 prend en charge un large éventail d'applications exigeant une connectivité Bluetooth, un traitement hautes performances et une utilisation optimisée de l'énergie. (Source de l'image : Analog Devices)
Pour répondre aux diverses exigences de connectivité Bluetooth de différentes applications, le MAX32655 fournit du matériel et des logiciels dédiés pour prendre en charge un ensemble complet de fonctionnalités Bluetooth 5.2. Outre une radio Bluetooth 5.2, le microcontrôleur intègre un coprocesseur RISC-V 32 bits dédié pour gérer les tâches de traitement Bluetooth critiques en termes de temps. Ce sous-système Bluetooth répond aux nouvelles exigences de performances, prenant en charge un mode haut débit de 2 mégabits par seconde (Mbps) et un mode longue portée avec des débits de 125 kilobits par seconde (kbps) et 500 kbps. Deux broches de périphérique permettent aux développeurs de connecter facilement une antenne hors puce dans les conceptions compatibles Bluetooth. Pour compléter la fonctionnalité Bluetooth 5.2 et fournir un support applicatif, la pile Bluetooth d'exécution du dispositif s'étend au processeur Arm Cortex-M4 avec FPU, RISC-V et radio (Figure 2).
Figure 2 : S'exécutant sur le processeur Arm Cortex-M4 du MAX32655 avec FPU, RISC-V et radio, une pile Bluetooth 5.2 complète prend en charge un ensemble étendu de fonctionnalités pour la radiogoniométrie, la communication à haut débit et le fonctionnement à longue portée. (Source de l'image : Analog Devices)
Pour les applications avec des exigences de mémoire et de performances élevées, le microcontrôleur MAX32690 d'Analog Devices offre un processeur Arm Cortex-M4 120 MHz avec FPU, et 3 Mo de Flash, 1 Mo de SRAM et 16 Ko de mémoire cache. En plus des comparateurs analogiques et des périphériques numériques du MAX32655, le MAX32690 intègre une interface bus HyperBus/Xccela pour une exécution haute vitesse depuis les mémoires Flash et SRAM externes lorsque les besoins en mémoire dépassent les ressources de la puce. Comme le MAX32655, le MAX32690 intègre un processeur RISC-V 32 bits, disponible pour le traitement autonome et la prise en charge du traitement Bluetooth.
Pour aider les développeurs à optimiser la consommation d'énergie, chacun des quatre microcontrôleurs mentionnés précédemment prend en charge plusieurs modes de fonctionnement basse consommation. Dans les dispositifs MAX32655 et MAX32690, les modes basse consommation incluent les suivants :
- Veille, où les processeurs Arm Cortex-M4 avec FPU (CM4) et RISC-V 32 bits (RV32) sont en mode veille, mais où les périphériques restent actifs
- Mode basse consommation (LPM), où le CM4 est à l'état de veille avec rétention de l'état tandis que le RV32 reste actif pour transférer les données des périphériques activés
- Mode micro-puissance (UPM), où le CM4, le RV32 et certaines broches conservent leur état, mais où une horloge de surveillance, des comparateurs analogiques et un UART basse consommation restent disponibles pour activer le microcontrôleur
- Attente, où l'horloge temps réel reste active et où tous les périphériques conservent leur état
- Sauvegarde, où l'horloge temps réel reste active et où la mémoire système conserve son état
De plus, le MAX32655 offre un mode de mise hors tension (PDM) conçu pour être utilisé pendant le stockage et la distribution du produit final. En mode PDM, le MAX32655 est éteint, mais un moniteur de tension interne reste opérationnel. Par conséquent, les utilisateurs finaux peuvent rapidement mettre sous tension les produits basés sur le MAX32655 en retirant une languette de protection de la batterie ou en appliquant une autre source d'alimentation au produit.
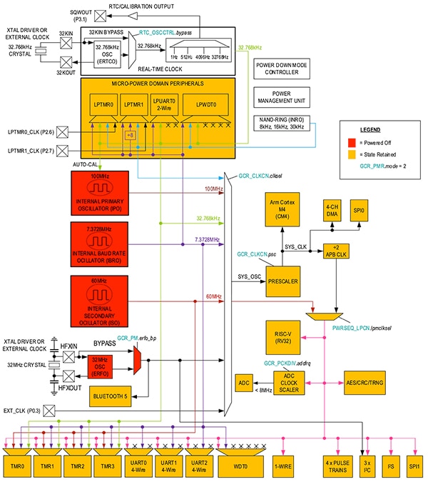
Ces modes de fonctionnement peuvent offrir des économies d'énergie significatives, même avec des microcontrôleurs ultrabasse consommation, en mettant hors tension de manière sélective différents blocs matériels. Par exemple, le MAX32655 en mode de fonctionnement actif normal ne consomme que 12,9 microampères par mégahertz (μA/MHz) à 3,0 volts (V). En mode attente, il conserve son état ou éteint complètement plusieurs blocs pour atteindre une consommation de seulement 2,1 μA à 3,0 V, tout en permettant au dispositif de reprendre son fonctionnement en seulement 14,7 microsecondes (μs) (Figure 3).
Figure 3 : Les différents modes d'alimentation du microcontrôleur MAX32655, tels que le mode attente illustré ici, peuvent conserver l'état ou éteindre complètement différents sous-systèmes matériels pour réduire la consommation d'énergie tout en maintenant la capacité opérationnelle. (Source de l'image : Analog Devices)
Outre leurs capacités de fonctionnement basse consommation, le haut niveau d'intégration de ces dispositifs aide les développeurs à réduire la complexité de conception et à répondre aux exigences d'encombrement minimum. Par exemple, l'alimentation à découpage SIMO (Single-Inductor Multiple-Output) intégrée du MAX32655 ne requiert qu'une seule paire inductance/condensateur. Part conséquent, les développeurs peuvent créer plus facilement des conceptions compactes alimentées par une seule cellule au lithium pour répondre aux exigences de conditionnement dans les applications telles que les dispositifs de suivi des actifs, les dispositifs corporels, les appareils auditifs et d'autres produits similaires à espace limité.
Pour une conception d'écouteurs TWS (True Wireless Stereo), par exemple, les développeurs peuvent mettre en œuvre une solution efficace en utilisant le MAX32655 avec un nombre minimal de composants supplémentaires au-delà d'un codec et d'un dispositif de gestion de l'alimentation batterie. La combinaison d'un MAX32655 avec ces dispositifs et d'une liaison double port 1-wire DS2488 offre une conception complète pour des écouteurs TWS et leur support de charge (Figure 4).
Figure 4 : Les fonctionnalités intégrées du microcontrôleur MAX32655 permettent des conceptions avec une empreinte et une nomenclature minimales, nécessitant peu de périphériques supplémentaires en dehors d'un codec, d'un dispositif de gestion de l'alimentation et d'un périphérique d'interface tel que le DS2488 1-wire pour implémenter une solution complète d'écouteurs TWS et de support de charge. (Source de l'image : Analog Devices)
Pour accélérer l'évaluation et le prototypage avec ces microcontrôleurs, les développeurs peuvent tirer parti de plusieurs ressources de développement d'Analog Devices, notamment :
- Kit d'évaluation MAX32655 (MAX32655EVKIT)
- Carte Feather MAX32655 (MAX32655FTHR)
- Kit d'évaluation MAX32690 (MAX32690EVKIT)
- Plateforme de développement à facteur de forme Arduino MAX32690 (AD-APARD32690-SL)
Une solution plus efficace aux exigences de conception à signaux mixtes
Alors que les dispositifs MAX32655 et MAX32690 répondent aux besoins des produits compacts alimentés par batterie et compatibles Bluetooth, le microcontrôleur à signaux mixtes basse consommation MAX32675C d'Analog Devices répond aux exigences spécialisées des applications de capteurs médicaux et industriels.
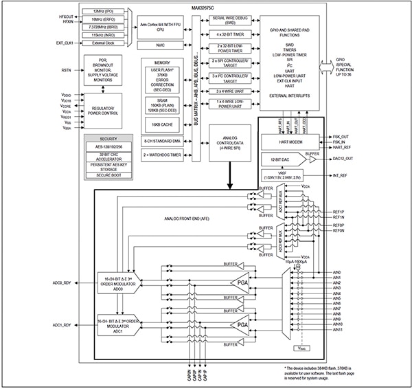
Le MAX32675C offre une faible consommation d'énergie au démarrage et pendant l'exécution, ainsi que les hauts niveaux d'intégration de plus en plus requis dans ces applications. Il combine le processeur Arm Cortex-M4 12 MHz et la FPU avec 384 Ko de Flash, 160 Ko de SRAM et 16 Ko de cache, un circuit d'entrée analogique (AFE) de précision et un modem HART (Figure 5).
Figure 5 : Le modem HART et l'AFE intégrés du microcontrôleur MAX32675C fournissent les sous-systèmes nécessaires pour répondre aux exigences de faible encombrement et de basse consommation dans les capteurs industriels et médicaux. (Source de l'image : Analog Devices)
En communiquant avec le processeur via une interface périphérique série (SPI) interne, l'AFE fournit un ensemble de périphériques généralement requis dans les applications de capteurs industriels et médicaux, notamment un convertisseur numérique-analogique (CNA) 12 bits et deux convertisseurs analogique-numérique (CAN) delta-sigma haute précision qui peuvent être configurés pour un fonctionnement 16 bits ou 24 bits. Chaque CAN est doté d'un amplificateur à gain programmable (PGA) à faible bruit 1x - 128x dédié, commandé par un multiplexeur d'entrée à 12 canaux pouvant être configuré pour un fonctionnement asymétrique à 12 canaux ou différentiel à 6 canaux.
Le MAX32675C est particulièrement bien adapté pour répondre à la demande d'instruments de terrain industriels basse consommation basés sur des capteurs et des émetteurs de 4-20 milliampères (mA). En fait, ce microcontrôleur est explicitement conçu pour ne jamais dépasser les restrictions de puissance dans les applications 4-20 mA, résolvant ainsi un problème courant au démarrage où les microcontrôleurs ont eu du mal à maintenir les limites de puissance.
Pour prendre en charge une exigence essentielle de nombreux systèmes de contrôle industriels existants, l'AFE fournit un modem HART complet, simplifiant la mise en œuvre d'instruments de terrain industriels sur une boucle de courant de 4-20 mA (Figure 6).
Figure 6 : L'AFE du microcontrôleur MAX32675C inclut un modem HART dédié pour prendre en charge les instruments de terrain 4-20 mA existants dans les applications industrielles typiques. (Source de l'image : Analog Devices)
Avec le MAX32675C, les développeurs d'applications industrielles peuvent facilement configurer et contrôler les instruments de terrain via la connexion SPI du modem HART au processeur Arm Cortex-M4.
En plus de la documentation et d'autres ressources de développement, Analog Devices propose le kit d'évaluation MAX32675C MAX32675EVKIT pour accélérer les tests et le développement de prototypes.
Répondre aux exigences émergentes de l'Edge AI
Pour créer des applications efficaces dans un nombre croissant de domaines, les développeurs doivent utiliser des périphériques qui exécutent efficacement des algorithmes d'IA pour le traitement intelligent de séries chronologiques ou la reconnaissance d'objets, de mots ou de visages. Le MAX78000 d'Analog Devices est conçu spécifiquement pour prendre en charge ces capacités tout en maintenant l'exigence fondamentale de basse consommation d'énergie.
Comme les microcontrôleurs ultrabasse consommation décrits précédemment, le MAX78000 (Figure 7) s'appuie sur un processeur Arm Cortex-M4 avec FPU, 512 Ko de Flash, 128 Ko de SRAM et 16 Ko de cache pour répondre aux exigences d'exécution des applications de base. Pour prendre en charge les solutions Edge AI, le MAX78000 augmente son sous-système de traitement avec quelques ressources supplémentaires, notamment :
- Un coprocesseur RISC-V 32 bits qui fournit au système des capacités de traitement des signaux ultrabasse consommation
- Un accélérateur de réseau neuronal convolutif (CNN) intégré basé sur du matériel pour répondre à la demande émergente de dispositifs Edge AI
Figure 7 : Outre ses processeurs Arm Cortex-M4 avec FPU et RISC-V 32 bits, le microcontrôleur MAX78000 intègre un accélérateur CNN pour améliorer les performances d'inférence dans les applications Edge AI. (Source de l'image : Analog Devices)
Le MAX78000 prend en charge les mêmes modes de fonctionnement basse consommation et le même mode de mise hors tension que ceux décrits précédemment pour le MAX32655, le CNN restant disponible via les modes veille et basse consommation, la rétention de l'état dans les modes micro-puissance, attente et sauvegarde, et un mode de mise hors tension à utiliser pendant le stockage et la distribution du produit final.
Comme pour les autres microcontrôleurs présentés ici, le haut niveau d'intégration du MAX78000 aide les développeurs à répondre aux exigences de nomenclature (BOM) et de taille minimales du produit final. Grâce aux capacités de traitement des signaux et CAN intégrées du dispositif, les développeurs peuvent utiliser le MAX78000 avec quelques composants supplémentaires pour implémenter rapidement des applications Edge AI telles que la reconnaissance de mots-clés (KWS) ou la reconnaissance faciale (FaceID).
Outre la simplification de l'implémentation Edge AI, la combinaison de plusieurs modes d'alimentation, de deux processeurs et d'un CNN basé matériel du MAX78000 permet aux développeurs d'atteindre une vitesse d'inférence rapide avec une consommation d'énergie minimale. Les ingénieurs d'Analog Devices ont attentivement étudié les performances dans une étude des applications optimisées en termes de consommation d'énergie sur le MAX78000.1
Dans le cadre de cette étude, l'équipe d'ingénierie a mesuré la consommation d'énergie et le temps de chargement des poids de modèle (kernels ou noyaux), de chargement des données d'entrée et d'exécution d'inférences pour les applications Edge AI typiques. Par exemple, dans une étude de cas de reconnaissance de mots-clés avec 20 mots-clés (KWS20), les résultats ont montré que les développeurs pouvaient exécuter le processeur Arm seul pour réduire le temps de chargement et la consommation d'énergie tout en exécutant différents modes de fonctionnement d'alimentation MAX78000 (Figure 8).
| ||||||||||||||||||||||||||||||||||||||||||||||||||||||||||||||||||||||||||||||||||||||||||||||||||||||||||||||||||||||||||||||||||||||||||||
Figure 8 : Une étude de cas KWS20 a montré qu'une fréquence d'horloge plus élevée permettait de réduire la consommation d'énergie grâce à des temps de chargement plus courts, en particulier lorsque seul le processeur Arm était utilisé. (Source de l'image : Analog Devices)
L'étude a également examiné l'effet sur la consommation d'énergie et le temps pendant lequel le processeur Arm et le processeur RISC-V étaient en veille pendant les temps d'inactivité, le processeur RISC-V s'activant uniquement suffisamment longtemps pour effectuer le chargement et gérer le CNN. Ici, l'étude a comparé les performances en utilisant deux sources d'horloge différentes : l'oscillateur primaire interne (IPO) du MAX78000 à 100 MHz par rapport à l'oscillateur secondaire interne (ISO) de moindre puissance mais plus lent à 60 MHz. Dans ce résultat, une réduction de la fréquence d'horloge a considérablement augmenté la consommation d'énergie associée au chargement et à l'inférence en raison du temps d'exécution plus long requis pour chacun (Figure 9).
Figure 9 : Dans l'étude de cas KWS20, l'utilisation de fréquences d'horloge plus élevées avec le processeur RISC-V seul pour le chargement et l'application de gestion CNN a entraîné une consommation d'énergie plus faible en raison de temps de chargement et d'inférence plus courts. (Source de l'image : Analog Devices)
Sur la base de cette étude, l'équipe d'Analog Devices a constaté que les développeurs pourraient obtenir une inférence rapide avec une consommation d'énergie minimale en fonctionnant à des fréquences d'horloge plus élevées, en particulier avec le processeur Arm hautes performances, en utilisant judicieusement les modes de fonctionnement du MAX78000 et en conservant les noyaux en mémoire pour éviter la perte d'énergie pendant les temps de chargement prolongés.
Pour les développeurs créant leurs propres solutions Edge AI, Analog Devices propose un ensemble complet de ressources de développement MAX78000, notamment le kit d'évaluation MAX78000EVKIT et la carte Feather MAX78000FTHR. Outre un microphone numérique intégré, des capteurs de mouvement, un écran couleur et plusieurs options de connexion, le MAX78000EVKIT inclut une fonction de moniteur de puissance pour aider les développeurs à optimiser la consommation d'énergie.
Pour le développement logiciel, le référentiel d'outils CNN MAX78000 d'Analog Devices propose de la documentation, des guides de développement, des vidéos de formation et du code logiciel prenant en charge le kit d'évaluation et la carte Feather.
Conclusion
S'appuyant sur un sous-système de processeur efficace, Analog Devices présente un ensemble de microcontrôleurs ultrabasse consommation qui intègrent des fonctionnalités et des capacités spécifiquement conçues pour prendre en charge les exigences uniques d'applications telles que les dispositifs corporels, les appareils auditifs, les dispositifs de suivi des actifs, les capteurs industriels et médicaux, et l'Edge AI. Grâce à ces microcontrôleurs et aux ressources de support, les développeurs peuvent rapidement mettre en œuvre des conceptions qui répondent aux besoins spécifiques de diverses applications basse consommation.
Référence :
Avertissement : les opinions, convictions et points de vue exprimés par les divers auteurs et/ou participants au forum sur ce site Web ne reflètent pas nécessairement ceux de DigiKey ni les politiques officielles de la société.




