Sélectionner et appliquer efficacement les amplificateurs de détection du courant pour une meilleure gestion de l'alimentation
Avec la contribution de Rédacteurs nord-américains de DigiKey
2018-08-21
L'intégrité et le contrôle de l'alimentation sont essentiels pour les dispositifs portables, IoT et automobiles, et les systèmes dans lesquels les dispositifs électroniques alimentés par batterie ou secteur nécessitent un contrôle de la distribution de l'alimentation par la surveillance des courants d'alimentation. La détection du courant est essentielle pour étendre l'autonomie des batteries, prévenir les conditions de surintensité, surveiller les défauts de masse et optimiser le contrôle des sources d'alimentation. Le problème réside dans la précision de ces mesures malgré de hautes tensions de mode commun.
Les amplificateurs de détection du courant ou moniteurs de shunt sont des circuits intégrés d'amplificateurs différentiels spécialement conçus pour réaliser cette mesure essentielle. La mesure du courant se base sur le calcul de la chute de tension au niveau des résistances shunt série utilisées comme capteurs de courant. La sélection et le placement de ces shunts et des amplificateurs de détection du courant associés sont essentiels pour une distribution et un rendement adaptés de l'alimentation.
Cet article décrit les critères de sélection des shunts et des amplificateurs de détection du courant en fonction des exigences de précision et du coût.
Détection du courant par résistance
La technique la plus simple pour la mesure du courant consiste à insérer une petite résistance, ou un shunt, en série au niveau du courant à mesurer. La tension traversant la résistance de détection du courant est mesurée, puis le courant est calculé à l'aide de la loi d'Ohm en fonction de la valeur connue de la résistance. Cette méthode présente l'avantage d'être simple, économique et linéaire.
Dans le choix de la résistance de détection du courant, il est nécessaire de considérer la précision de la résistance, le coefficient de température de résistance (TCR) et la puissance nominale. La valeur de la résistance détermine la chute de tension pour une intensité donnée. Elle détermine également la puissance dissipée par la résistance de détection. En général, la valeur de la résistance de détection ne représente qu'une fraction d'un ohm. Des résistances spécialisées sont disponibles pour cette application. Ces résistances utilisent des éléments métalliques en forme de plaques, de feuille ou de film, ou des éléments hybrides avec un film fin ou épais déposé.
La résistance de détection du courant MCS3264R005FEZR d'Ohmite constitue un exemple de résistance shunt à montage en surface à élément métallique (Figure 1). Ce composant à montage en surface (CMS) est une résistance à deux bornes de 5 mΩ avec une puissance nominale de 2 W et un TCR de 50 ppm/°C.

Figure1 : Le MCS3264R005FEZR d'Ohmite est une résistance shunt à montage en surface à élément métallique de 5 mΩ. (Source de l'image : Ohmite)
Les résistances shunt sont également disponibles avec une configuration à quatre bornes (Kelvin). Dans la connexion Kelvin, le courant est transmis à une paire de bornes de connexion à la source. Deux connexions de détection supplémentaires (sorties de tension) sont effectuées directement à côté de la résistance shunt. Le placement des sorties de tension permet d'éviter la chute de tension associée aux contacts et sorties de la source. Comme le courant circulant vers l'instrument de mesure est presque nul, la chute de tension au niveau des sorties de détection est négligeable. Le FC4TR050FER d'Ohmite est un exemple de shunt de 50 mΩ à quatre bornes à feuille métallique.
Il est recommandé de prendre en compte la variation de la valeur de la résistance de détection selon les changements de température générés par le coefficient de température de résistance. Il est notamment possible de réduire les changements de résistance générés par les effets de température en sélectionnant une résistance avec un faible TCR, en utilisant une résistance à puissance nominale élevée ou en optant pour un dissipateur thermique.
Amplificateurs de détection du courant
Un amplificateur de détection du courant est un amplificateur différentiel de circuit intégré à usage spécial, conçu pour détecter la tension développée au niveau d'un shunt et générer une tension proportionnelle à l'intensité mesurée. La tension circulant au niveau de la résistance de détection du courant est typiquement comprise entre 1 et 100 mV, mais peut atteindre le potentiel de tension nominale du bus. L'amplificateur de détection du courant est conçu pour avoir un taux de réjection du mode commun (TRMC) élevé pour éliminer la tension du bus au niveau de la sortie. Ces dispositifs sont conçus pour prendre en charge des tensions de mode commun supérieures à leur tension d'alimentation.
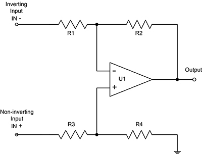
Le schéma simplifié d'un amplificateur de détection du courant à la Figure 2 illustre un amplificateur différentiel typique avec des entrées inverseuses et non inverseuses, et une sortie unique.

Figure 2 : Schéma simplifié d'un amplificateur de détection du courant typique. Le gain est défini par les rapports des résistances R2/R1 et R4/R3. (Source de l'image : DigiKey Electronics)
Les valeurs de résistance définissent le gain de l'amplificateur de détection du courant. Il s'agit d'une structure symétrique, où R1 = R3 et R2 = R4. Le gain est déterminé par le rapport R2/R1 et R4/R3. Dans une implémentation d'amplificateur de détection du courant typique comme la série hautes performances INA210CIDCKR de Texas Instruments, R2 et R4 sont de 1 MΩ, et R1 et R3 de 5 kΩ pour un gain de 200 V/V. La précision du gain pour cette version d'amplificateur est de 0,5 %. La tension d'alimentation nominale pour ce circuit intégré est de 2,7 à 26 V, mais la tension d'entrée maximale de mode commun est de -3 à 26 V, indépendamment de la tension d'alimentation. Il s'agit de la principale caractéristique distinctive de l'amplificateur de détection du courant. La tension de décalage d'entrée est de 35 µV seulement et le TRMC est typiquement de 140 dB.
Selon l'application, l'amplificateur de détection du courant INA180B3IDBVR de Texas Instruments pourrait être un choix plus économique. Cet amplificateur de détection du courant présente une plage de tensions d'entrée de mode commun identique et est disponible avec des gains de 20, 50, 100 et 200 V/V. La précision du gain est de 1 % et le TRMC est de 100 dB avec une tension de décalage d'entrée de 100 µV.
Configurations de détection du courant
Il existe deux topologies de détection du courant : la détection haut potentiel et la détection bas potentiel. La configuration haut potentiel place la résistance de détection entre la source de tension et la charge, tandis que la détection bas potentiel place le shunt entre la charge et la masse (Figure 3).

Figure 3 : La détection haut potentiel place le shunt (RSENSE) entre la source et la charge, tandis que la détection bas potentiel le place entre la charge et la masse. (Source de l'image : DigiKey Electronics)
La détection bas potentiel est référencée à la masse et présente une faible tension de mode commun d'entrée. Cela réduit la charge de l'amplificateur de surveillance du courant et du circuit connexe, ce qui se traduit par un faible coût.
Les inconvénients de la connexion bas potentiel résident dans l'élévation de la charge au-dessus de la masse. Le courant circulant au niveau la résistance shunt augmente ou réduit le niveau de référence du système en fonction des variations de l'intensité. Cela peut entraîner des problèmes au niveau d'une boucle de commande. De même, les courts-circuits à la masse du bus de tension au niveau de la résistance shunt sont indétectables dans cette configuration de circuit.
Les avantages d'une topologie haut potentiel résident dans le fait que la charge et la référence système sont fixées à la masse, indépendamment du courant surveillé. En outre, les courts-circuits du bus à la masse sont facilement détectés.
Par contre, une tension de mode commun proche de la tension du bus est présente à l'entrée du circuit de mesure. En plus de la contrainte sur l'amplificateur de détection du courant, cela peut également, dans certaines applications, nécessiter l'abaissement du niveau de sortie de l'amplificateur de détection du courant à un niveau proche de celui de la référence système.
Les problèmes connexes à la détection haut potentiel ont encouragé le développement de nombreuses gammes d'amplificateurs de détection du courant. Les séries INA180 et INA210 sont deux nouvelles gammes d'amplificateurs de détection du courant pouvant prendre en charge des tensions de mode commun de -3 à 26 V, indépendamment de leurs tensions d'alimentation. Elles sont conçues pour les applications comme la commande moteur, la surveillance de batterie et la gestion de l'alimentation, entre autres. Les applications dotées de tensions de bus supérieures peuvent utiliser d'autres amplificateurs de détection du courant qui offrent des plages de tensions de mode commun d'entrée allant jusqu'à 80 V. Pour les tensions supérieures, les amplificateurs de détection du courant nécessitent l'utilisation de composants externes pour isoler l'amplificateur de la tension de mode commun ou l'utilisation d'amplificateurs isolés.
Sélection de la valeur de la résistance de détection
La valeur de la résistance de détection est définie pour garantir que la chute de tension au niveau de la résistance par rapport à la plage de courants de bus prévue est bien supérieure au décalage de tension de l'amplificateur de détection du courant et au bruit vertical additif. La puissance nominale de la résistance de détection est déterminée par le courant de bus maximal et la chute de tension maximale.
Prenons par exemple un bus de 12 V prévu pour transmettre une intensité maximale de 2 A. Si l'amplificateur de détection du courant INA210 est utilisé, la chute de tension au niveau du shunt doit être supérieure à la tension de décalage maximale de 35 µV.
Le taux de réjection du mode commun est compris entre 105 et 140 dB. En utilisant la valeur inférieure (105 dB), le potentiel du bus de 12 V (la tension de mode commun) sera réduit à environ 67 µV. Cela se manifestera comme une tension de décalage à la sortie de l'amplificateur de détection du courant, multipliée par le gain de l'amplificateur. Ce décalage résiduel de mode commun ne résulte pas du courant mesuré et dans ce cas, la valeur résiduelle n'est pas problématique puisqu'elle est inférieure à 1 % de la valeur mesurée.
La valeur de la résistance de détection doit être choisie de sorte à assurer une chute de tension largement supérieure à la tension de décalage. Pour une excursion unipolaire de 2 V à la sortie de l'INA210, qui présente un gain de 200, l'entrée doit être de 10 mV. Cette valeur est considérablement supérieure au décalage de tension d'entrée ou à la valeur résiduelle de mode commun spécifiée. Pour une intensité nominale maximale de 2 A, la valeur de la résistance de détection doit être de 5 mΩ. La puissance nominale du shunt doit être au moins deux fois supérieure à la valeur nominale de dissipation de puissance maximale de 20 mW prévue. Le MCS3264R010FEZR d'Ohmite, décrit précédemment, est adapté étant donné que sa puissance nominale est de 2 W.
En simulant cette configuration à l'aide du programme TINA-TI de Texas Instruments, nous pouvons constater les caractéristiques de transfert CC et CA du circuit (Figure 4). La fonction de transfert CC montre une réponse linéaire avec une pente de 1 V/A. Cela produit une sortie de 2 V pour une intensité maximale de 2 A. La réponse CA présente une largeur de bande de 20 kHz.

Figure 4 : Simulation du circuit sur TINA-TI de Texas Instruments avec un shunt de 5 mΩ montrant une fonction de transfert CC linéaire avec une pente de 1 V/A. (Source de l'image : DigiKey Electronics)
Conclusion
Les amplificateurs de détection du courant sont spécialement conçus pour mesurer les courants de bus en fonction des chutes de tension au niveau des résistances shunt série. Ils sont particulièrement adaptés aux mesures haut potentiel présentant des tensions de mode commun élevées. Ces amplificateurs sont simples à sélectionner et peuvent offrir, lorsqu'ils sont utilisés de manière adéquate, d'excellents résultats de mesure, de surveillance et de contrôle de l'alimentation dans les systèmes électroniques.
Avertissement : les opinions, convictions et points de vue exprimés par les divers auteurs et/ou participants au forum sur ce site Web ne reflètent pas nécessairement ceux de DigiKey ni les politiques officielles de la société.

