Non-Isolated Bus Converters Cut Cost, Improve Performance, Flexibility
Avec la contribution de Electronic Products
2016-05-12
Traditionally, in a distributed architecture, bus converters provide an isolated intermediate bus voltage to power a variety of point-of-load (POL) regulators on system boards. This architecture is common in many applications including ATE, servers, telecom systems, and industrial control. While there are many advantages of using isolated bus converters, there are also some drawbacks. Besides adding to the cost of the converters, high-power transformers used for isolation also reduce the efficiency and power density of converters. What is more, multiple low-power converters are usually paralleled to realize the desired high power, resulting in higher cost, lower efficiency and power density, as well as reduced system reliability.
However, there are many applications where this galvanic isolation is not required or necessary. Automotive is one of them, particularly where automakers are adopting the 48 V battery to hold sufficient energy. This 48 V is further converted to 12 VDC to power several electrical systems in the car. According to Vicor's white paper[1] "Re-Architecting 48 V Power Systems with a Novel Non-Isolated Bus Converter," there is no need for isolation in this application.
Another application where non-isolated bus converters will work is telecommunications. With the legacy -48 V systems now being replaced with +48 V bus voltage, there is no need for isolation between the battery and the electronic functions in this application, says Vicor's director of system engineering Maurizio Salato, who is the author of the white paper.
In short, in many of these applications the system source voltage is well isolated. As a result, another layer of isolation becomes unnecessary. Replacing the intermediate bus converters with non-isolated bidirectional DC/DC bus converters can simultaneously improve efficiency and density at low cost with bi-directional startup and control.
Non-isolated bus converters
To address this issue, Vicor has developed non-isolated, fixed conversion ratio bi-directional bus converter modules (NBMs) using a novel transformer design and a proprietary topology called Sine Amplitude Converter (SAC). Unlike a traditional transformer with galvanic isolation, Vicor's auto-transformer cuts core losses and offers a higher turn's ratio. Traditionally, a bus converter uses an isolated transformer with a 4:1 turn's ratio. In Vicor's non-isolated design, it is reconfigured as a 5:1 auto-transformer by properly configuring winding connections, as shown in Figure 1.

Figure 1: By comparison, non-isolated auto-transformers offer a higher conversion ratio.
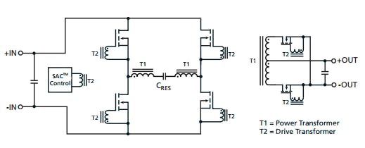
This design is implemented in an NBM module using a proprietary transformer-based series resonant topology SAC (Figure 2). The SAC operates at a fixed frequency that is equal to the resonant frequency of the primary side tank circuit. Primary side-switching FETs are locked to the natural resonant frequency of the primary and are switching at zero crossings, eliminating power dissipation in the switches (boosting efficiency) and greatly reducing the generation of high-order harmonics (requiring less filtering). The current in the primary resonant tank is pure sinusoidal rather quasi-sinusoidal (as seen in previous generations of converters) or square wave (seen in more traditional hard-switching converters). This contributes to greatly reducing harmonic content and provides a much cleaner output noise spectrum. Lastly, according to Vicor's principal applications engineer Doug Ping, "common non-isolated converter topologies such as synchronous buck converters modulate their duty cycle in response to changes in output load. This results in duty-cycle limitations. NBM products that use SAC topology react to loads by amplitude modulating the sinusoidal current in the resonant tank, allowing them to process up to 150 percent over their rated output current for short duration peak load surges."

Figure 2: Sine Amplitude Converter (SAC) is Vicor's proprietary transformer-based series resonant topology.
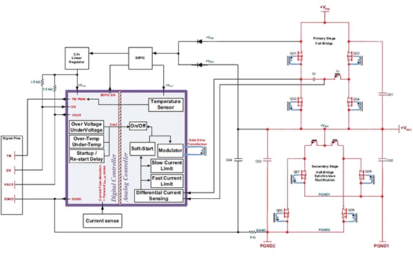
A typical high-level block diagram of NBM incorporating SAC is shown in Figure 3. "Because a portion of the primary side current flows directly to the secondary in a non-isolated transformer design versus an isolated transformer, NBMs will have higher output current/power capability then a similar, isolated design," explains Ping. This increase in output current/power translates to lower $/Amp ($/Watt) cost for non-isolated transformer design NBMs, adds Ping.
Another benefit of NBM is bi-directional start up and control. It means that the NBM can start up and begin processing power in either the forward direction (step-down direction) or in the reverse (step-up direction). As an example, for a K=1/5 NBM, input power can be applied on its input side at 48 V and the NBM will produce 9.6 V on its output. Power flow in this configuration will then flow from input to output. In addition, power can also be applied to its output side at 9.6 V and the NBM will produce 48 V on its input. Under this condition, the NBM will process power in the reverse from output to input. Control functions such as enable/disable and temperature monitoring will function regardless of power-flow direction, says Jeremy Steddom, Vicor's director of product marketing.

Figure 3: High-level block diagram of Vicor's non-isolated bi-directional bus converter module (NBM).
NBM performance
Per Steddom's explanation, some advantages for bi-directional bus converters are:
- Preventing output-voltage overshoot that can occur during large load dump conditions
- Regenerative and/or battery backup applications
- Low-voltage to low-voltage power transmission applications[1]
Implementing SAC, along with auto-transformer techniques in an NBM module, Vicor has readied NBM6123T60E12A7T0R that can deliver 2000 W of power when operating with a primary voltage in the range of 36 to 60 V. Measuring 61 x 25.14 x 7.26 mm, the NBM6123 package provides peak efficiency of over 98 percent (Figure 4) with an unprecedented power density of up to 3532 W/in.3. For applications that require K = 1/3, the manufacturer has released NBM6123T46C15A6T0R with a primary voltage range of 36 to 46 V.
Figure 4: By comparison, a non-isolated NBM converter offers higher efficiency even when the case temperature is high. In addition, the power density is unmatched. Click here to view the full-size image.
According to Ping, there are other vendors that offer non-isolated converters (typically Buck topology-based) that could be used in an NBM application. However, such products are typically regulated and their efficiency and output power capability is substantially lower than Vicor's NBM products.
For more information on the products discussed in this article, use the links provided to access product pages on the DigiKey website.
References:
- White paper "Re-Architecting 48 V Power Systems With a Novel Non-Isolated Bus Converter" by Maurizio Salato, Vicor Corp., Andover, Mass.
Avertissement : les opinions, convictions et points de vue exprimés par les divers auteurs et/ou participants au forum sur ce site Web ne reflètent pas nécessairement ceux de DigiKey ni les politiques officielles de la société.



