Backlight LED Driver System in Small Format Liquid Crystal Displays
Avec la contribution de Convergence Promotions LLC
2010-12-22
It pays to take a system-level approach to powering LED backlights in small-format LCDs.
Light-emitting-diode (LED) technology is widely used to provide illumination for the pixels in small format liquid crystal displays (LCDs) in battery-powered applications. White light, emitted by the LEDs, is transmitted through a polarizer to the LCD where the light can be blocked or attenuated and sent on to RGB color filters to create colored light.

Figure 1 shows a system-level view of a backlight LED driver which consists of a DC/DC converter and one or more regulated current sources. Moreover, RGB-LED-based backlights require a temperature based feedback control, which translates to a much higher cost than white-LED-based backlights. How much PCB area can be used? What features are needed? How much power will the system consume? Answering these questions can guide the designer in the selection of the appropriate backlight LED driver.
DC/DC converters for LED backlight
In portable applications with a single-cell Li-Ion source, the sum of the voltage drop across the white, green, or blue LED and the current source can be lower or higher than the battery voltage. This means that, whereas a red LED can be powered directly from a single-cell Li-Ion battery, a white, blue, or green LED requires the battery voltage to be sometimes boosted.
The first aspect to consider when selecting an LED driver for a battery powered application is the total area that the IC driver together with the external components will occupy (Figure 2).


Two boost technologies are widely used: step-up DC/DC converter, also called inductive boost, and switched capacitor converter, also known as charge pump. The charge pump implementation requires only four ceramic capacitors and one low-power resistor, which typically results in a much smaller solution size. The capacitor value recommended for these applications is 0.47μF to 1μF with a voltage rating of 10V (to help with DC bias losses). These capacitors can be found in 0402 or 0603 case sizes from a number of capacitor manufacturers. Total solution sizes less than 21mm2 are fairly common with also having the advantage of being very thin, less than 1mm. Depending on the LED driver package, the capacitors can be the tallest component in the solution.
Inductive-boost-based LED drivers tend to have larger solution sizes compared to the switched-capacitor drivers. A typical solution size for an inductive-boost-based LED driver is closer to 30mm2 of board area. Inductive drivers typically require two capacitors, one on the input and one on the output, with capacitor values of 1μF to 2.2μF, and are available in 0603 and 0805 case sizes. Inductive boosts require a rectification element that can handle the peak inductor current and output voltage. In a synchronous boost, a pass PFET can be integrated into the IC. However, this integration often causes the size of the IC package to increase over an asynchronous solution. The power conversion is also less efficient by about 10% in presence of an integrated high voltage PFET or Schottky diode. In an asynchronous topology, the pass element consists of a Schottky diode. The main area increase of the inductive boost compared to the switch capacitor boost is the inductor itself. Applications with 6-8 LEDs with currents of 15mA to 20mA typically require one inductor of 10μF to 22μH with a saturation current between 0.4A and 0.5A. These inductors can be found in footprints smaller than 3.0mm x 3.0mm. The inductor is also the tallest component in the solution with heights in the range of 0.8mm to 1.2mm.
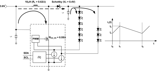
The easiest way to boost the battery voltage is to use a step-up DC/DC converter (Figure 3). The advantage of this method consists of very high efficiency over all load and input voltage conditions as the input voltage can be boosted to the sum of the LED forward voltage and current source headroom voltage. This significantly optimizes efficiency at the expense of cost and PCB area as previously explained.
Figure 3 shows the principle of operation of a magnetic boost regulator. When the NFET switch is closed (solid arrow), the inductor current iL(t) ramps upward from a minimum value Ia at t = t0 towards a maximum value of Ib at t = t1. During this time the Schottky diode is reverse biased and the load is supported by the energy stored in the output capacitor.
At t = t1 the NFET switch is turned off and the energy stored in the inductor L is now delivered to the output capacitor and to the load (dashed arrow) through the Schottky diode. Consequently the inductor current ramps down during time t2 to the previous value of Ia. The output voltage must be greater than the input: if this voltage relationship were not true, the inductor would not discharge into the output network. In other words, when the NFET is turned off the voltage across the inductor is reversed because the current discharge cannot occur instantaneously. The input voltage added by the reversed magnetic voltage leads to the output voltage being higher than the input voltage. When driving 10 LEDs in series the supply voltage required can be as high as 35V. Another advantage of the boost topology is the simplified PCB routing: only two connections between the driver and LED strings are needed.
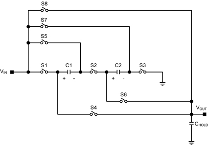
The second method of boosting the battery voltage is to use a charge pump (of which a simple implementation is shown in Figure 4), which utilizes the following property of capacitors: the capacitor charge buildup cannot occur instantaneously which means that the initial voltage variation across the capacitor is equal to zero.

The voltage conversion is achieved in two phases. During the first phase, switches S1, S2, and S3 are closed, whereas switches S4-S8 are open. Therefore C1 and C2 are stacked and, assuming C1 equal to C2, charged to half the input voltage:

The output load current is provided by the output capacitor. As this capacitor discharges and the output voltage falls below the desired output voltage, the second phase is activated in order to boost the output voltage above this value. During the second phase C1 and C2 are in parallel, tied between VIN and VOUT. Switches S4-S7 are closed, whereas switches S1-S3 and S8 are open. Because the voltage drop across the capacitor cannot change instantaneously, the output voltage jumps to one and a half times the value of the input voltage:


In this way, voltage boost operation is accomplished. The duty cycle of the switching signal is usually 50 percent as this value generally yields the optimal charge transfer efficiency.
A voltage conversion with a gain of 1x is achieved by closing switch S8 and leaving switches S1-S7 open. The benefit of the charge pump approach is the absence of the inductor. The inductor is the source of EMI noise which can affect performance of the display or of the radio in a mobile phone.
Input power and LED efficiency in charge pumps
In a charge pump LED driver, the output power relation that is to be used in the efficiency calculation, assuming all LEDs are identical, is given by:

The LED drive efficiency is given by:

where

and IQ is the supply current of the LED driver.
Figure 5 shows a typical efficiency plot with the step indicating a gain transition.
However, for a given LED current, the forward voltage can vary with process and temperature. This means that the efficiency of the LEDs can vary, still maintaining brightness constant since the latter is dependent only upon the current.
In order to make things clear, let us consider an adaptive charge-pump-based LED driver circuit with the following specifications:


Neglecting the quiescent current IQ, the input current, when the charge pump operates with a gain of 1x, is given by:

Thus efficiency and input power are equal to:

Let us now calculate efficiency and input power for the same circuit but with LEDs having 3.3V forward voltage:

It is clear that efficiency has increased, but input power has remained the same; this means that efficiency of the LEDs, given by

does not affect the power drained from the battery but the amount of power dissipated in the driver circuit. Efficiency is, therefore, not an adequate figure of merit to evaluate power consumption: what must be considered is input power versus LED brightness, i.e. LED current. Input power is the true measure of how many electrons are drained from the battery for a given LED brightness.
With a gain of 1.5x, under the previous conditions, the input power is equal to 333mW regardless of VLED.
Since a charge pump converter has a finite number of voltage gains there will always be, based on the application specifications, a certain amount of wasted power in the driver circuit. It is, therefore, important, in order to minimize input power, to operate the charge pump with the smallest possible gain.
Constant-current LED driver
The LED characteristics determine the forward voltage needed to achieve the needed level of current, which determines the amount of emitted light. Due to the variation in LED voltage versus current characteristics, controlling only the voltage across the LED leads to variability in light output. Therefore, most LED drivers use current regulation.

A circuit that accomplishes current regulation is a low-dropout regulator and is illustrated in Figure 6. The error amplifier takes the voltage across R2, V2, compares it against the reference voltage VREF, and adjusts the LED current, IDX, via the series-pass element, an NFET, to the value required to drive the error signal (VERR=VREF-V2) as close as possible to zero. VREF is equal to:

where

Setting VREF =V2, the current through the LED is given by:

This holds true only if VOUT-VLED is sufficiently high to keep the pass element from saturating. As a matter of fact, the current sources require a minimum voltage, called headroom voltage VHR, across them in order to provide the desired regulated current through the LED. The headroom voltage is typically modeled with a resistor:

Brightness can be controlled directly by changing the LED current (analog control) or indirectly by shutting on and off the LED fast enough to create the perception of dimming to the human eye (PWM control). In most portable applications, analog brightness control is preferred, as the backlight controller is normally distant from the LED driver. Therefore, having to route a PCB trace that carries a PWM signal close to noise-sensitive systems such as a radio transmitter, speaker or display, can cause problems.
Finally, in applications requiring superior color gamut, red, green and blue LEDs are utilized. The red LED is made of InGaAlP, whereas both the blue and green are made of InGaN. When the ambient temperature is varied, the dominant wavelength changes dramatically for red compared to blue and green, thus requiring some kind of temperature-compensated feedback loop. The LP5520 (Figure 7) adjusts the RGB LED currents for perfect white balance (color accuracy ΔX and ΔY < 0.003) by using an internal calibration memory, which stores the intensity vs temperature data of the LEDs, and an external temperature sensor.

Avertissement : les opinions, convictions et points de vue exprimés par les divers auteurs et/ou participants au forum sur ce site Web ne reflètent pas nécessairement ceux de DigiKey ni les politiques officielles de la société.

