Les commandes sont généralement livrées en France sous 3 jours, selon le lieu de livraison.
Livraison gratuite vers la France pour les commandes de 60 USD ou plus. Des frais de livraison de 22 USD seront facturés pour toute commande inférieure à 60 USD.
UPS, frais de transport prépayés : DDP (droits et douanes payés par DigiKey)
FedEx ou DHL, frais de transport prépayés : CPT (droits, douanes et TVA payables à la livraison)
Compte de crédit pour les institutions et les entreprises qualifiées
Paiement à l'avance par virement bancaire
Plus de produits de partenaires agréés
Délai moyen de livraison de 1-3 jours, des frais d'expédition supplémentaires peuvent s'appliquer. Veuillez consulter la page produit, le panier ou la commande pour plus d'informations sur le statut d'expédition.
Incoterms : CPT (droits, douanes et TVA/taxes applicables exigibles à la livraison)
Pour plus d'informations, consultez la page Aide et support
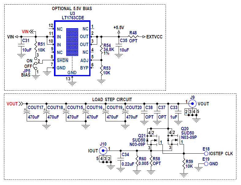
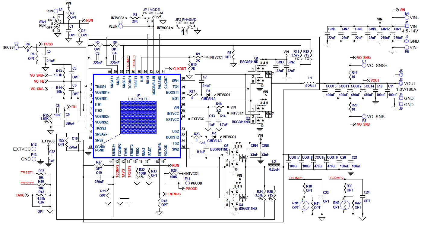
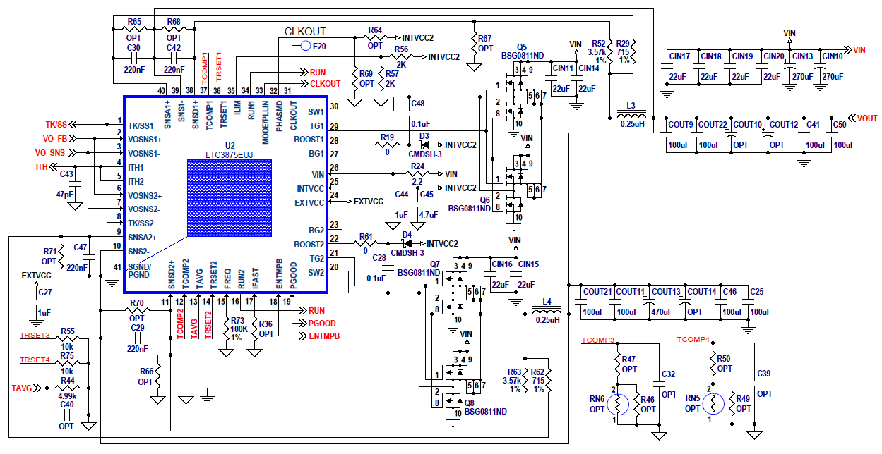
Demonstration circuit 2225A is a high efficiency, high density, 4-phase synchronous buck converter with a 4.5V to 14V input voltage range. It can supply up to 160A of load current with a 1.0V output. This demo board has two each LTC®3875EUJ feature-rich dual phase current mode synchronous buck controllers with very low DCR current sensing capability, on-chip drivers and remote output voltage sensing.
This board is set up with 0.32mΩ DCR output inductors. The temperature compensation function offers an option for accurate current limit over a wide temperature range with DCR sensing. To shut down the converter, set the RUN pin voltage below 1V (SW1: OFF).Use JP1 jumper to select Burst Mode® operation, pulse skipping mode or forced continuous mode operation at light load. Switching frequency is preset at about 400kHz, and it can be easily modified from 250kHz to 720kHz. An on-board dynamic circuit is also available for transient test.
The LTC3875 is suitable for inputs from 4.5V to 38V and outputs up to 5V. It can provide a high efficiency, high power density and versatile power solution for telecom and datacom systems, industrial and medical instruments, DC power distribution systems and computer systems.The LTC3875 is available in 40-lead 6mm × 6mm and 40-lead 5mm × 5mm QFN packages. Please see LTC3875 data sheet for more detailed information.
Manufacturer | Analog Devices Inc. |
---|---|
Category | AC/DC and DC/DC Conversion |
Sub-Category | DC/DC SMPS - Single Output |
Eval Board Part Number | DC2225A-ND |
Eval Board Supplier | Analog Devices Inc. |
Eval Board |
Normally In Stock
|
Topology |
Step Down
|
Outputs and Type |
1 Non-Isolated
|
Voltage Out: Factory Set |
1 V
|
Current Out |
160 A
|
Voltage In |
4.5 ~ 14 V
|
Efficiency @ Conditions |
>89%, 12V in, 1V @ 50 ~ 160 A
|
Voltage Out Range |
0.6 ~ 5 V
|
Features |
Current Foldback Protection
Current Limit (Adj. or Fixed) Over Voltage Protection Power Good Output Short Circuit Protection Shutdown, Enable, Standby Soft Start Synchronizable Thermal Protection Under Voltage Protection, Brown-Out Voltage Tracking |
Switching Frequency |
250 ~ 720 kHz
|
Standby Current [Typical] |
40 µA
|
Quiescent Current [Typical] |
7 mA
|
Component Count + Extras |
133 + 52
|
Internal Switch |
No
|
Design Author |
Linear Technology
|
Application / Target Market |
Power: Auxiliary Power Supply
Servers Telecom |
Standby Current [Maximum] |
60 µA
|
Quiescent Current [Maximum] |
10 mA
|
Main I.C. Base Part |
LTC3875
|
Date Created By Author | 2016-02 |
Date Added To Library | 2017-01 |
Co-Browse
En utilisant la fonction Co-Browse, vous acceptez de permettre à un représentant du support de DigiKey de visualiser votre navigateur à distance. Lorsque la fenêtre Co-Browse s'ouvre, donnez au représentant l'ID de session qui se trouve dans la barre d'outils.
DigiKey respecte votre droit à la vie privée. Pour plus d'informations, veuillez consulter notre Avis de confidentialité et notre Avis relatif aux cookies.
Oui, continuer avec Co-BrowseObtenez des réponses rapides et précises des techniciens et ingénieurs expérimentés de DigiKey sur notre TechForum.
Consultez la section Aide et support de notre site Web pour trouver des informations sur le processus de commande, l'expédition, la livraison et plus encore.
Les utilisateurs enregistrés peuvent suivre leurs commandes via la liste déroulante de leur compte, ou cliquer ici. *La mise à jour du statut de commande peut prendre 12 heures après la commande initiale.
Les utilisateurs peuvent lancer la procédure de retour via notre page dédiée aux retours.
Les utilisateurs enregistrés peuvent générer des devis dans myLists.
Visitez la page d'enregistrement et entrez les informations requises. Vous recevrez une confirmation par e-mail lorsque votre enregistrement sera terminé.
Les commandes sont généralement livrées en France sous 3 jours, selon le lieu de livraison.
Livraison gratuite vers la France pour les commandes de 60 USD ou plus. Des frais de livraison de 22 USD seront facturés pour toute commande inférieure à 60 USD.
UPS, frais de transport prépayés : DDP (droits et douanes payés par DigiKey)
FedEx ou DHL, frais de transport prépayés : CPT (droits, douanes et TVA payables à la livraison)
Compte de crédit pour les institutions et les entreprises qualifiées
Paiement à l'avance par virement bancaire
Plus de produits de partenaires agréés
Délai moyen de livraison de 1-3 jours, des frais d'expédition supplémentaires peuvent s'appliquer. Veuillez consulter la page produit, le panier ou la commande pour plus d'informations sur le statut d'expédition.
Incoterms : CPT (droits, douanes et TVA/taxes applicables exigibles à la livraison)
Pour plus d'informations, consultez la page Aide et support
Merci.
Gardez un œil sur votre boîte de réception pour être informé des dernières nouvelles et mises à jour de DigiKey !
Veuillez entrer une adresse e-mail