Les commandes sont généralement livrées en France sous 3 jours, selon le lieu de livraison.
Livraison gratuite vers la France pour les commandes de 60 USD ou plus. Des frais de livraison de 22 USD seront facturés pour toute commande inférieure à 60 USD.
UPS, frais de transport prépayés : DDP (droits et douanes payés par DigiKey)
FedEx ou DHL, frais de transport prépayés : CPT (droits, douanes et TVA payables à la livraison)
Compte de crédit pour les institutions et les entreprises qualifiées
Paiement à l'avance par virement bancaire
Plus de produits de partenaires agréés
Délai moyen de livraison de 1-3 jours, des frais d'expédition supplémentaires peuvent s'appliquer. Veuillez consulter la page produit, le panier ou la commande pour plus d'informations sur le statut d'expédition.
Incoterms : CPT (droits, douanes et TVA/taxes applicables exigibles à la livraison)
Pour plus d'informations, consultez la page Aide et support
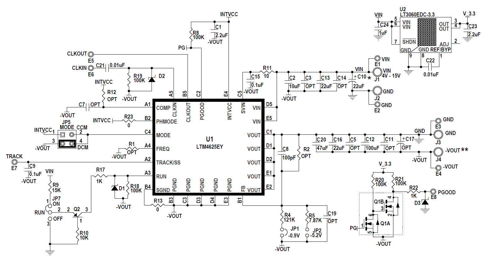
Demonstration circuit 2721A-B features the LTM4625EY µModule® regulator, a tiny high performance high efficiency step-down regulator configured as an inverting buck-boost regulator. DC2721A-B has an operating input voltage range of 4V to 15V and is able to provide an output current of up to 3A. The output voltage can be programmed from -0.6V and -5.5V. The LTM4625EY is a complete DC/DC point of load regulator in a thermally enhanced 6.25mm × 6.25mm × 5.01mm BGA package requiring only a few input and output capacitors.
The LTM4625 data sheet must be read in conjunction with this demo manual for working on or modifying demo circuit 2721A-B.
Manufacturer | Analog Devices Inc. |
---|---|
Category | AC/DC and DC/DC Conversion |
Sub-Category | DC/DC SMPS - Single Output |
Eval Board Part Number | DC2721A-B-ND |
Eval Board Supplier | Analog Devices Inc. |
Eval Board |
Normally In Stock
|
Topology |
Inverting
|
Outputs and Type |
1 Non-Isolated
|
Voltage Out: Factory Set |
-0.9V ~ -5.2V
|
Current Out |
3 A
|
Voltage In |
4 ~ 15 V
|
Efficiency @ Conditions |
>85%, 12V in, -5.2V @ 1.5 ~ 3 A
>85%, 12V in, -3.3V @ 1.5 ~ 3 A >84%, 5V in, -5.2V @ 0.6 ~ 2 A >84%, 5V in, -3.3V @ 0.6 ~ 2.2 A >80%, 5V in, -0.9V @ 0.5 ~ 1.6 A >75%, 12V in, -0.9V @ 1 ~ 2.5 A |
Voltage Out Range |
-0.6 ~ -5.5 V
|
Features |
Light Load Mode
Over Current Protection Over Voltage Protection Power Good Output Synchronizable Thermal Protection Voltage Tracking |
Switching Frequency |
1 MHz
|
Standby Current [Typical] |
11 µA
|
Quiescent Current [Typical] |
6 mA
|
Component Count + Extras |
35 + 34
|
Internal Switch |
Yes
|
Design Author |
Linear Technology
|
Application / Target Market |
Networking
Point of Load (PoL) Power: Industrial Power Servers Telecom Test and Measurement Equipment |
Standby Current [Maximum] |
- Not Given
|
Quiescent Current [Maximum] |
- Not Given
|
Main I.C. Base Part |
LTM4625
|
Date Created By Author | 2017-10 |
Date Added To Library | 2018-04 |
Co-Browse
En utilisant la fonction Co-Browse, vous acceptez de permettre à un représentant du support de DigiKey de visualiser votre navigateur à distance. Lorsque la fenêtre Co-Browse s'ouvre, donnez au représentant l'ID de session qui se trouve dans la barre d'outils.
DigiKey respecte votre droit à la vie privée. Pour plus d'informations, veuillez consulter notre Avis de confidentialité et notre Avis relatif aux cookies.
Oui, continuer avec Co-BrowseObtenez des réponses rapides et précises des techniciens et ingénieurs expérimentés de DigiKey sur notre TechForum.
Consultez la section Aide et support de notre site Web pour trouver des informations sur le processus de commande, l'expédition, la livraison et plus encore.
Les utilisateurs enregistrés peuvent suivre leurs commandes via la liste déroulante de leur compte, ou cliquer ici. *La mise à jour du statut de commande peut prendre 12 heures après la commande initiale.
Les utilisateurs peuvent lancer la procédure de retour via notre page dédiée aux retours.
Les utilisateurs enregistrés peuvent générer des devis dans myLists.
Visitez la page d'enregistrement et entrez les informations requises. Vous recevrez une confirmation par e-mail lorsque votre enregistrement sera terminé.
Les commandes sont généralement livrées en France sous 3 jours, selon le lieu de livraison.
Livraison gratuite vers la France pour les commandes de 60 USD ou plus. Des frais de livraison de 22 USD seront facturés pour toute commande inférieure à 60 USD.
UPS, frais de transport prépayés : DDP (droits et douanes payés par DigiKey)
FedEx ou DHL, frais de transport prépayés : CPT (droits, douanes et TVA payables à la livraison)
Compte de crédit pour les institutions et les entreprises qualifiées
Paiement à l'avance par virement bancaire
Plus de produits de partenaires agréés
Délai moyen de livraison de 1-3 jours, des frais d'expédition supplémentaires peuvent s'appliquer. Veuillez consulter la page produit, le panier ou la commande pour plus d'informations sur le statut d'expédition.
Incoterms : CPT (droits, douanes et TVA/taxes applicables exigibles à la livraison)
Pour plus d'informations, consultez la page Aide et support
Merci.
Gardez un œil sur votre boîte de réception pour être informé des dernières nouvelles et mises à jour de DigiKey !
Veuillez entrer une adresse e-mail