Les diodes Zener, grandes gagnantes du concours scientifique de mon lycée et toujours aussi utiles
Les concepteurs de circuits utilisent les diodes Zener comme références de tension et régulateurs de tension depuis plus de cinquante ans. J'ai utilisé des diodes Zener pour la première fois pour la conception d'une alimentation au lycée dans le cadre d'un projet pour un concours scientifique, en 1970. Il s'agissait d'un système de communications à fibre optique basé sur des LED infrarouges, des phototransistors et des câbles à fibre optique en plastique. Les communications par fibre optique et l'optoélectronique étant à leurs débuts, le projet du concours scientifique a remporté un prix.
La conception du système de communication optique utilisait la logique numérique RTL, mais pas le système RTL (Register Transfer Level) que l'on connaît aujourd'hui. Le système RTL actuel est destiné à la conception d'une logique dans les circuits ASIC, les systèmes sur puce, les FPGA et les circuits logiques programmables complexes (CPLD). Au milieu du 20e siècle, « RTL » était l'abréviation de « Resistor Transistor Logic », la première vraie gamme de circuits intégrés logiques.
La gamme logique RTL a été développée à l'origine pour les applications de missiles et aérospatiales américaines. Elle a été sélectionnée comme gamme logique de choix pour la construction de l'ordinateur Apollo Guidance Computer (AGC), qui commandait les moteurs principaux et les propulseurs de commande d'orientation de l'engin spatial à l'aide d'un système de commande de vol électrique. Le système de commande de vol électrique AGC et Apollo était le premier système de ce type à ne pas bénéficier de système de secours mécanique ou hydraulique. De 1968 à 1972, l'AGC a mené les missions Apollo 8, 10, 11, 12, 13, 14, 15, 16 et 17 sur la lune, puis les a ramenées sur Terre en toute sécurité. Certes, les missions Apollo 8 et 10 n'ont pas atterri sur la lune, mais elles ont bel et bien parcouru la distance et sont rentrées sans encombre.
La conception de l'AGC utilisait des milliers de circuits intégrés RTL et c'était pour moi un peu excitant d'utiliser les mêmes composants électroniques à la pointe de la technologie dans mon projet pour le concours scientifique. Après tout, le programme Apollo était encore actif au moment où j'ai conçu ce projet.
Ces anciens circuits RTL nécessitaient une alimentation régulée de 3,6 V. Aujourd'hui, un régulateur ajustable à trois bornes comme le LM317 de Texas Instruments constituerait certainement le premier choix pour une conception d'alimentation linéaire simple, mais les régulateurs à trois bornes n'étaient pas courants à l'époque, car ils avaient été inventés seulement un an plus tôt, et le LM317 n'a été conçu qu'en 1976. À l'époque, le premier choix pour un circuit d'alimentation à régulation linéaire était basé sur une diode Zener. C'est ce que j'ai utilisé pour mon projet du concours scientifique. Ma conception utilisait plusieurs diodes Zener de Motorola Semiconductor, associées à quelques gros transistors ballast pour créer trois tensions d'alimentation régulées, notamment une alimentation de 3,6 V pour les circuits intégrés RTL. ON Semiconductor a hérité de toutes les diodes Zener de Motorola Semiconductor et les vend toujours aujourd'hui, en plus de nombreux nouveaux modèles fournis dans des boîtiers à montage en surface. ON Semiconductor a même hérité de l'ancien manuel des diodes Zener de Motorola Semiconductor, disponible au format PDF (voir Référence 1).
Notions de base sur les diodes Zener
Les diodes Zener fonctionnent comme n'importe quelle autre diode en condition de polarisation directe. C'est en condition de polarisation inverse que tout change. Pour les faibles tensions de polarisation inverse, les diodes Zener ne conduisent pas le courant. C'est ce que l'on attend d'une diode à semi-conducteur classique. Cependant, une fois que la tension de polarisation inverse au niveau de la diode Zener atteint la tension de claquage ou de Zener, la diode « claque » et le courant circule.
La courbe courant/tension d'une diode Zener (voir Figure 1) montre que la tension qui traverse le dispositif au niveau de la diode Zener à polarisation inverse est presque constante quel que soit le courant de polarisation inverse, une fois le courant de Zener (IZT) minimum requis atteint. En d'autres termes, une diode Zener fournit une tension de référence stable et connue pour de nombreuses conditions de polarisation inverse.
Figure 1 : La courbe courant/tension d'une diode Zener présente un comportement de diode normal pour une tension de polarisation directe (partie droite de la courbe), mais un comportement de claquage pour une tension de polarisation inverse égale ou supérieure à la tension de Zener (partie gauche de la courbe). (Source de l'image : ON Semiconductor)
Même aujourd'hui, près de 50 ans après que je les ai utilisées dans mon projet scientifique, les diodes Zener servent aussi bien de références de tension que de petits régulateurs économiques pour les alimentations à faible intensité, et même de systèmes de blocage de la tension de signal quand elles sont montées tête-bêche.
Les diodes Zener portent le nom de Clarence Melvin Zener, qui a été le premier à prédire l'effet de claquage de la tension, phénomène qui lui a été attribué par la suite dans un article publié en 1934. C'était bien avant que William Shockley ne remarque cet effet dans les premières diodes à semi-conducteurs fabriquées par Bell Labs vers 1950. William Shockley a nommé ces dispositifs « diodes Zener » en l'honneur de la personne qui avait prédit l'effet de claquage.
Sur un schéma, on peut identifier une diode Zener grâce aux deux ailettes qui apparaissent sur la barre de la cathode, comme illustré à la Figure 2. On peut interpréter cette barre de cathode modifiée comme une représentation abstraite de la courbe caractéristique du claquage de la diode ou comme le « Z » de « Zener ». (C'est en tout cas comme ça que je le vois.)
Figure 2 : Selon votre point de vue, la barre de la cathode sur le schéma d'une diode Zener représente la caractéristique de claquage du dispositif ou ressemble au « Z » de « Zener ». (Source de l'image : ON Semiconductor)
La caractéristique importante d'une diode Zener est qu'elle maintient une tension presque constante en cas de polarisation inverse et lorsqu'elle est alimentée avec suffisamment de courant (généralement quelques milliampères) pour déclencher et maintenir l'effet Zener. Cette tension presque constante sert de tension de référence stable.
Les diodes Zener sont disponibles dans un très grand nombre de tensions fixes. La page consacrée aux diodes Zener sur le site de Digi-Key présente une liste de plus de 2988 diodes Zener disponibles (toutes proposées par ON Semiconductor) avec plus de 150 tensions de claquage Zener différentes, comprises entre 1,2 et 200 V.
Techniquement, toute diode Zener avec une tension de claquage inverse supérieure à environ 5,5 V est une diode avalanche, mais les diodes Zener et les diodes avalanches présentent un effet de claquage inverse similaire qui leur permet de servir de références de tension. C'est pourquoi elles sont généralement regroupées sous la désignation « Zener ».
La plage de tensions de claquage des diodes Zener est assez conséquente. Elles sont disponibles essentiellement par incréments de 0,1 V de 1,2 V à 7 V, ce qui permet d'éviter les ajustements lors de l'utilisation d'une diode Zener pour générer une tension de référence spécifique.
Utilisation de diodes Zener
Pour utiliser une diode Zener en tant que référence ou régulateur de tension, il est essentiel de s'assurer qu'elle reçoit suffisamment de courant, généralement quelques milliampères, pour maintenir l'effet Zener avec une polarisation inverse. Pour ce faire, on peut utiliser une résistance en série de taille appropriée (Figure 3). La valeur et la puissance de la résistance dépendent des valeurs Vin et Vref.
Figure 3 : Une référence ou un régulateur de tension Zener simple utilise une résistance appropriée pour alimenter la diode Zener avec suffisamment de courant pour maintenir l'effet Zener. (Source de l'image : ON Semiconductor)
Le schéma fonctionne comme référence de tension Zener ou comme régulateur de tension Zener pour les alimentations à faible courant. Une diode Zener peut servir de régulateur économique, en particulier pour des charges constantes à faible courant. Si la charge varie, le courant traversant la diode Zener varie également. La diode Zener doit absorber le courant que la charge n'utilise pas. C'est important, car la diode Zener doit être capable de gérer l'intégralité du courant qui traverse la résistance série si le courant de charge tombe à zéro.
La puissance maximale que la diode Zener doit dissiper équivaut au courant traversant la diode Zener multiplié par la tension de Zener. Pour les charges à courant constant, la résistance série doit être dimensionnée de manière à ce que seul un courant suffisant pour initier et maintenir l'effet de claquage Zener circule dans la diode. Le reste du courant doit passer par la charge. Si le courant de charge peut chuter à zéro, le courant traversant la diode Zener à une charge nulle, multiplié par la tension de Zener, vous donne la puissance minimum absolue que la diode Zener doit pouvoir dissiper. Comme toujours, prenez une marge pour la puissance nominale de la diode Zener afin d'éviter une surchauffe dans les applications où le courant de charge peut varier.
Pour des informations détaillées sur l'application et pour connaître les équations nécessaires pour calculer la valeur de résistance adéquate pour une application de diode Zener donnée, reportez-vous au manuel de diodes Zener d'ON Semiconductor mentionné précédemment.
Le courant nécessaire au maintien de l'effet de claquage Zener est de l'ordre de quelques milliampères, ce qui peut poser problème pour les circuits à faible courant. Pour ces applications, il existe désormais des références de tension à deux bornes (également appelées références de tension à barrière de potentiel) avec de très faibles courants de fonctionnement.
Par exemple, la référence de tension shunt micropuissance de précision LM4040 de Texas Instruments présente un courant cathodique minimum inférieur à 80 µA, et elle est disponible avec des tensions de référence fixes de 2,048 V, 2,5 V, 3 V, 4,096 V, 5 V, 8,192 V et 10 V, et avec des tolérances de tension ajustées en usine s'étendant de 0,1 % à 1 %.
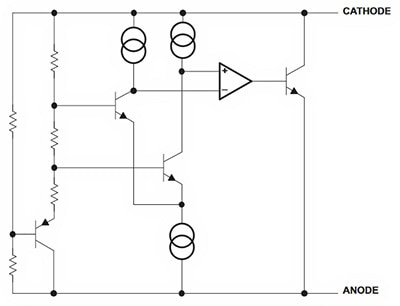
En pratique, la conception du circuit pour ces références de tension est la même que pour la diode Zener, illustrée dans le schéma de la Figure 3. Les deux bornes actives sur la référence de tension LM4040 sont appelées anode et cathode, comme si le dispositif était une diode. Cependant, le LM4040 n'est clairement pas une diode, comme on peut le voir sur son schéma (Figure 4).
Figure 4 : Le schéma interne d'une référence de tension LM4040 montre qu'il ne s'agit pas d'une simple diode. (Source de l'image : Texas Instruments)
Conclusion
Ce n'est pas parce qu'un dispositif existe depuis longtemps qu'il n'est plus utile. Les fournisseurs de dispositifs fabriquent des diodes Zener depuis plus de 60 ans et celles-ci ont encore de beaux jours devant elles, car elles sont toujours aussi performantes. Quant à moi, j'ai un peu changé, tout comme mes fonctions, mais je vais très bien aussi (heureusement).
Si vous avez besoin d'une référence de tension exigeant moins de courant pour fonctionner, n'oubliez pas de jeter un œil aux références de tension à deux bornes.
Références :
1 – ON Semiconductor - Zener Theory and Design Considerations
Have questions or comments? Continue the conversation on TechForum, DigiKey's online community and technical resource.
Visit TechForum


Steve Leibson a été ingénieur système pour HP et Cadnetix, rédacteur en chef pour EDN et Microprocessor Report, blogger technique pour Xilinx et Cadence (entre autres), et il est intervenu en tant qu'expert technologique dans deux épisodes de "The Next Wave with Leonard Nimoy". Il a aidé les ingénieurs de conception à développer des systèmes améliorés, plus rapides et plus fiables pendant 33 ans.