Utiliser des dispositifs GaN pour réduire la taille des alimentations médicales CA/CC externes
Avec la contribution de Rédacteurs nord-américains de DigiKey
2023-12-19
Malgré les avancées des technologies de batteries et des circuits basse puissance, les systèmes médicaux sont l'une des nombreuses applications pour lesquelles des conceptions totalement autonomes, basées uniquement sur des batteries, peuvent ne pas être réalisables, pratiques ou acceptables. Les équipements doivent souvent fonctionner directement à partir d'une ligne CA ou au moins pouvoir compter sur une prise CA pour fonctionner lorsque le niveau des batteries est faible.
En plus de répondre aux spécifications de performances de base des alimentations CA/CC, les alimentations médicales doivent être conformes aux exigences réglementaires pour des considérations de performances moins évidentes telles que l'isolation galvanique, les tensions nominales, le courant de fuite et les moyens de protection (MOP). Ces normes sont en place pour garantir que l'unité alimentée ne met pas en danger l'opérateur ou le patient, même en cas de panne d'alimentation ou de charge. Dans le même temps, les concepteurs d'alimentations médicales doivent continuer à améliorer le rendement et à réduire la taille et le poids.
Cet article discute de l'utilisation des alimentations CA/CC externes dans les instruments médicaux et passe en revue les normes réglementaires associées. Il présente ensuite des produits de XP Power que les concepteurs peuvent utiliser pour répondre à ces normes, tout en tirant parti des dispositifs de puissance au nitrure de gallium (GaN) pour réduire la taille physique de l'alimentation de près de la moitié.
Exigences de base en matière de conception d'alimentations
La sélection d'une alimentation CA/CC commence par les mesures de performances standard de l'alimentation. L'alimentation doit fournir la tension CC nominale et être capable de délivrer le courant nominal à cette tension pour supporter la charge. Une alimentation universelle doit s'adapter à une large gamme de tensions d'entrée CA (typiquement de 85 volts CA (VCA) à 264 VCA) à des fréquences de 47 Hertz (Hz) à 63 Hz.
Ces tensions et courants nominaux d'entrée et de sortie sont critiques, mais insuffisants pour définir complètement une alimentation. Les autres considérations incluent :
- Attributs de performances dynamiques, tels que le délai de démarrage, le temps de montée au démarrage, le temps de maintien, la régulation de ligne et de charge, la réponse transitoire, l'ondulation et le bruit, ainsi que le dépassement
- Protection contre les surcharges, les courts-circuits et la surchauffe
- Exigences de rendement, qui sont fonction de la puissance nominale maximum de l'alimentation et qui doivent avoir des valeurs spécifiques le long de la courbe de charge, y compris les points à pleine charge, à faible charge et à vide
- Facteur de puissance (PF) proche de l'unité, où la valeur PF spécifique est fonction du niveau de puissance et de la norme réglementaire de contrôle
- Compatibilité électromagnétique (CEM), qui caractérise les interférences électromagnétiques (EMI)/perturbations radioélectriques (RFI) maximum de l'alimentation ainsi que sa sensibilité aux décharges électrostatiques (DES), à l'énergie rayonnée, aux événements d'énergie en rafale, aux surtensions de ligne et aux champs magnétiques
- Sécurité, qui définit les exigences de base pour protéger l'utilisateur et l'équipement, y compris la tension d'isolement entre l'entrée et la sortie, l'entrée à la terre et la sortie à la terre
Exigences pour les alimentations médicales
D'autres normes et réglementations compliquent encore les choses lors de l'évaluation d'une alimentation pour des applications médicales. Celles-ci concernent principalement la sécurité du patient et de l'opérateur, en veillant à ce que l'alimentation ne mette pas en danger l'un ou l'autre en cas de défaillance simple ou même double.
Une grande partie des préoccupations concerne les courants vagabonds ou de fuite. Une tension de ligne standard (110/230 volts (V) ; 50 ou 60 Hz) sur la poitrine, même pendant une fraction de seconde, peut induire une fibrillation ventriculaire à des courants de seulement 30 milliampères (mA). Si le courant a une voie directe vers le cœur, par exemple via un cathéter cardiaque ou une autre électrode, un courant beaucoup plus faible, inférieur à 1 mA (CA ou CC), peut provoquer une fibrillation.
Il s'agit de certains seuils standard souvent cités pour le courant traversant le corps par contact cutané, et les valeurs de danger sont beaucoup plus basses pour le contact interne :
- 1 mA : à peine perceptible
- 16 mA : courant maximum avant le seuil de non-lâcher pour une personne de taille moyenne
- 20 mA : paralysie des muscles respiratoires
- 100 mA : seuil de fibrillation ventriculaire
- 2 A : arrêt cardiaque et lésions des organes internes
Les niveaux de risque dépendent également du flux de courant passant par deux points de contact avec le corps, par exemple à travers ou dans la cage thoracique, ou depuis un bras jusqu'aux pieds. C'est pourquoi il est essentiel de minimiser les courants de fuite qui traversent l'isolement diélectrique d'un transformateur d'isolement CA.
Il peut sembler que la quantité de courant de fuite est négligeable avec un isolement adéquat. Cependant, bien que cette fuite puisse être un courant qui « s'échappe » physiquement en raison de la nature imparfaite de l'isolement, elle peut également résulter de courants couplés capacitivement qui peuvent traverser un isolement même exceptionnel.
Un modèle simplifié d'un transformateur idéal montre une isolation galvanique (ohmique) parfaite entre ses côtés primaire et secondaire (Figure 1).
Figure 1 : Un modèle de base d'un transformateur montre qu'il n'y a pas de chemin de courant du côté primaire au côté secondaire. (Source de l'image : Power Sources Manufacturers Association)
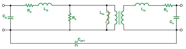
Avec un transformateur idéal, aucun courant ne peut circuler directement du secteur CA au produit alimenté pour former une boucle de courant complète vers le secteur CA, même si la défaillance d'un composant ou d'un câble fournit un nouveau chemin de courant du côté secondaire. Cependant, aucun transformateur n'est parfait et une capacité d'inter-enroulement primaire-secondaire est attendue (Figure 2).
Figure 2 : Un modèle plus réaliste montre la capacité d'inter-enroulement de base (Cps1) entre les côtés primaire et secondaire. (Source de l'image : Power Sources Manufacturers Association)
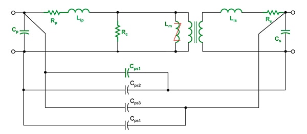
Un modèle plus sophistiqué ajoute des sources supplémentaires de capacité inter-enroulement (Figure 3).
Figure 3 : Il existe d'autres capacités de transformateur en plus du premier inter-enroulement (Cps1). (Source de l'image : Power Sources Manufacturers Association)
Cette capacité indésirable permet le flux du courant de fuite et sa valeur dépend de nombreuses variables, telles que la taille du fil, le modèle d'enroulement et la géométrie du transformateur. La valeur peut s'étendre d'un seul picofarad (pF) à quelques microfarads (µF). Outre les fuites capacitives du transformateur, d'autres sources de capacités involontaires sont les espacements sur les circuits imprimés, l'isolement entre les semi-conducteurs et le dissipateur thermique mis à la terre, et les parasites entre d'autres composants.
Le courant de fuite du transformateur dû à la capacité n'est pas la seule préoccupation à laquelle répondent les réglementations sur les alimentations médicales. L'isolement et la sécurité CA de base sont une priorité. En fonction des niveaux de tension et de puissance, les alimentations peuvent également nécessiter une deuxième barrière d'isolement indépendante en plus de la barrière principale (ou un isolement physiquement renforcé). Les performances de l'isolement se dégradent également avec le temps en raison des températures extrêmes, des contraintes dues aux hautes tensions et des surtensions, même si elles peuvent toujours atteindre leurs valeurs nominales.
La première couche d'isolement est généralement appelée « isolement de base ». Un exemple est l'isolant des fils. La deuxième couche est souvent un boîtier isolé, comme on le voit dans de nombreuses alimentations murales et de bureau.
Normes et moyens de protection (MoP)
La principale norme régissant l'électronique médicale et la sécurité est la norme CEI 60601-1. L'édition la plus récente (4e) étend l'attention portée au patient en exigeant un moyen de protection (MOP) global combinant un ou plusieurs « moyens de protection de l'opérateur » (MOOP) et « moyens de protection des patients » (MOPP).
Les normes réglementaires ont également créé des classes de protection autour de la manière dont les moyens MOOP sont fournis. Ces classes sont désignées en tant que classe I et classe II et régissent la construction et l'isolement des alimentations. Un produit de classe I possède un châssis conducteur mis à la terre de sécurité. Pour simplifier la compatibilité des prises murales locales, l'alimentation dispose d'une prise CEI320-C14 pour un cordon d'alimentation fourni par l'utilisateur avec un conducteur de terre de sécurité (Figure 4, à gauche).
En revanche, les alimentations de classe II disposent d'un cordon d'alimentation à deux fils avec une connexion à la terre de sécurité (Figure 4, à droite). En raison de l'absence de châssis mis à la terre, il existe deux couches d'isolement (ou une seule couche d'isolement renforcée) entre l'utilisateur et les conducteurs internes porteurs de courant.
Figure 4 : Les unités de classe I (à gauche) et de classe II (à droite) sont dotées de connexions de ligne CA à trois fils avec mise à la terre ou à deux fils sans mise à la terre, souvent utilisées avec des prises CEI standard et des cordons d'alimentation fournis par l'utilisateur. (Source de l'image : XP Power)
Par conséquent, toute alimentation CA/CC destinée aux applications médicales et certifiée comme étant de classe I ou de classe II doit être spécialement conçue et testée selon les normes pertinentes. Heureusement, les fournisseurs d'alimentations tels que XP Power comprennent les problèmes techniques, de fabrication et de certification pour fournir des alimentations répondant à ces normes.
La taille a aussi son importance
Les exigences techniques et les mandats réglementaires imposés aux alimentations médicales CA/CC ne concernent pas la taille physique, pourtant la taille est importante. Les alimentations volumineuses compliquent l'organisation opérationnelle sur le terrain lorsque l'espace est limité, comme dans une ambulance ou un environnement clinique où l'espace sur les chariots mobiles et les bureaux est restreint.
Réduire la taille de l'alimentation CA/CC serait bénéfique dans ces situations, mais cela constitue un défi. Les dimensions minimum de l'alimentation sont limitées par la nécessité de respecter les directives réglementaires concernant l'isolement, la fuite en surface et le dégagement.
Un autre problème lié à la réduction de la taille des alimentations est la dissipation thermique. Si le volume de l'alimentation et la surface du boîtier sont insuffisants, la température interne est plus élevée qu'avec une alimentation plus grande, dégradant ainsi les composants internes actifs, passifs et isolants. Le refroidissement à air forcé n'est pas une option en raison des blocages potentiels du flux d'air, des problèmes de fiabilité à long terme et du bruit ambiant supplémentaire.
De plus, la chaleur générée peut entraîner une élévation de la température de surface du boîtier de l'alimentation au-delà du niveau acceptable, mettant ainsi en danger les patients et les opérateurs. La clé de la réduction de la taille des alimentations réside dans l'utilisation de composants de commutation de circuit appropriés pour minimiser la chaleur générée.
C'est là que les dispositifs de commutation basés GaN offrent des avantages distincts par rapport au silicium (Si). Leur résistance série inférieure, leurs temps de commutation plus rapides et leur charge de recouvrement inverse inférieure permettent de réduire les pertes, ce qui se traduit par une alimentation à découpage plus efficace, plus froide et plus compacte.
Un exemple est l'AQM200PS19 de XP Power, qui fait partie de la série AQM. L'alimentation est répertoriée pour un fonctionnement de classe I de 19 V/10,6 ampères (A). L'unité mesure environ 167 millimètres (mm) × 54 mm × 33 mm, soit la moitié de la taille d'une alimentation traditionnelle avec ces valeurs, et ne pèse que 600 grammes (g) (Figure 5).
Figure 5 : L'AQM200PS19 est une unité de classe I de 200 watts (W) qui fournit 19 V jusqu'à 10,6 A avec un rendement de 92 %. (Source de l'image : XP Power)
Cette alimentation externe est entièrement approuvée selon les normes médicales internationales. Les paramètres électriques incluent un courant de fuite pour le patient inférieur à 100 microampères (µA), un rendement typique de 92 %, une consommation en veille inférieure à 0,15 W et un PF > 0,9.
Disponible en versions de classe I et de classe II, l'alimentation est répertoriée pour un fonctionnement de 0° à 60°C. Elle est dotée d'un boîtier entièrement étanche conforme aux normes IP22, et sa finition de surface lisse simplifie le nettoyage dans les environnements médicaux.
Pour les systèmes à plus haute puissance, XP Power propose l'AQM300PS48-C2, une unité de classe II de 300 W répertoriée pour une sortie de 48 V/6,25 A et une consommation en veille inférieure à 0,5 W. Bien que légèrement plus grande, cette alimentation reste compacte, mesurant seulement 183 mm × 85 mm × 35 mm et pesant 1050 g.
Dans une puissance nominale de 250 W, XP Power propose l'AQM250PS24, une alimentation de classe 1 de 24 V/10,4 A avec une consommation en veille inférieure à 0,15 W. Elle mesure 172 mm × 67,1 mm × 32 mm.
Conclusion
Les alimentations CA/CC autonomes externes destinées aux équipements médicaux doivent répondre à des exigences strictes en matière de réglementation, de fonctionnement, de performances, de sécurité et de rendement. La série AQM d'alimentations externes de grade médical de XP Power dépasse ces exigences en utilisant des composants GaN, résultant en un boîtier global deux fois plus petit qu'une unité Si classique.
Avertissement : les opinions, convictions et points de vue exprimés par les divers auteurs et/ou participants au forum sur ce site Web ne reflètent pas nécessairement ceux de DigiKey ni les politiques officielles de la société.

