Comprendre et sélectionner des condensateurs à film pour les applications d'alimentation
Avec la contribution de Rédacteurs nord-américains de DigiKey
2025-05-08
L'utilisation de panneaux solaires et de véhicules électriques (VE) continue d'augmenter. Leurs systèmes d'alimentation reposent sur des convertisseurs CC/CC et des onduleurs CC/CA qui requièrent des condensateurs pour réduire l'ondulation basse fréquence, filtrer les composants haute fréquence qui provoquent des interférences électromagnétiques (EMI), et absorber les courants de charge transitoires pour éviter qu'ils n'aient un impact sur le côté primaire de la source d'alimentation. Les condensateurs destinés à ces applications d'alimentation doivent être fiables, compacts, légers, durables et présenter de bonnes performances haute fréquence.
Si les condensateurs à film constituent une bonne option pour ces applications d'alimentation, les concepteurs doivent comprendre leur structure et leurs caractéristiques pour choisir le bon dispositif.
Cet article donne un aperçu des condensateurs à film. Il aborde ensuite leur sélection et leur utilisation dans les applications d'alimentation à l'aide d'exemples d'Eaton-Electronics Division.
Condensateurs à film
Comme tous les condensateurs, les condensateurs à film incluent deux plaques conductrices séparées par un diélectrique isolant constitué d'un film plastique fin, généralement en polypropylène, un diélectrique à faibles pertes et à haute résistance (Figure 1). Les plaques conductrices sont de fines feuilles métalliques ou une fine couche de métal déposée sur le diélectrique. La feuille et le film sont enroulés autour d'un noyau, les sorties sont fixées et le condensateur est placé dans un boîtier en plastique qui est ensuite scellé avec une résine époxy, protégeant ainsi le condensateur de tout ce qui l'entoure.
Figure 1 : Un condensateur à film se compose d'un noyau enroulé contenant des couches alternées de métal et de diélectrique, le tout scellé dans un boîtier de protection en plastique. (Source de l'image : Eaton-Electronics Division, modifiée par Art Pini)
Si les condensateurs à film ont une densité d'énergie relativement faible, ils offrent une densité de capacité élevée et plusieurs autres fonctionnalités. Tout d'abord, les condensateurs à film n'ont pas de polarité : ils peuvent être utilisés dans des circuits CA et CC. Leur diélectrique sec et solide offre une plus grande fiabilité que les condensateurs à électrolytes liquides ou semi-liquides, et ils ont une valeur de capacité stable avec une excellente stabilité en température. Une inductance série équivalente (ESL) et une résistance série équivalente (ESR) plus faibles permettent de gérer efficacement les courants ondulés élevés, ce qui fait des condensateurs à film une solution adaptée aux applications haute fréquence. La caractéristique la plus importante des condensateurs à film est peut-être leur capacité d'autorégénération. Si un claquage diélectrique se produit, un point chaud local est créé qui vaporise le métal adjacent, formant un trou non conducteur et permettant au condensateur de fonctionner normalement, prolongeant ainsi sa durée de vie.
Types de condensateurs à film
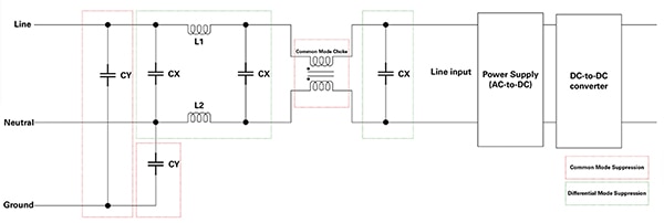
Les condensateurs à film sont conçus pour des applications spécifiques, et les types courants sont : condensateurs de sécurité, condensateurs de liaison CC, condensateurs de filtrage CA et condensateurs pour impulsions. Les condensateurs à film de sécurité sont conçus pour atténuer les émissions conduites dans les applications de filtrage antiparasite CA. De nombreuses normes de sécurité internationales imposent des exigences en matière d'interférences électromagnétiques conduites. Prenons l'exemple d'un chargeur CC sur secteur pour un véhicule électrique. Dans les bornes de recharge CC rapides, le filtrage des interférences électromagnétiques en mode commun et en mode différentiel à l'aide de condensateurs fait office de faible impédance pour dévier les signaux de bruit avec une dissipation de puissance minimale.
La suppression des interférences électromagnétiques utilise des filtres antiparasites constitués de condensateurs à film entre la ligne électrique et l'alimentation à découpage (Figure 2).
Figure 2 : Les condensateurs à film de sécurité CX et CY sont incorporés dans des filtres antiparasites pour empêcher les interférences électromagnétiques de se propager au niveau de la ligne électrique. (Source de l'image : Eaton-Electronics Division)
Les condensateurs marqués CX sont placés d'une ligne à une autre et réduisent les interférences électromagnétiques en mode différentiel. Les condensateurs CY sont utilisés entre chaque ligne et la terre, ce qui réduit les interférences électromagnétiques en mode commun.
Les condensateurs de liaison CC servent de filtres de lissage dans les circuits CC situés entre les étages CA. Il peut s'agir par exemple d'un filtre inductance-condensateur (L-C) sur le bus CC entre l'étage redresseur et l'étage onduleur d'un circuit d'entraînement de moteur (Figure 3).
Figure 3 : Condensateur à film de liaison CC utilisé dans un filtre L-C entre l'étage redresseur et l'étage onduleur d'un circuit d'entraînement de moteur. (Source de l'image : Eaton-Electronics Division)
Outre les systèmes d'entraînement de moteur, ces condensateurs sont également souvent utilisés dans les onduleurs de puissance et autres circuits de charge haute puissance où l'entrée CA et la sortie CA ont des niveaux de tension différents. Prenons l'exemple d'un onduleur distribué dans un système à énergie solaire, où un condensateur à film de liaison CC est utilisé pour réduire le bruit et les transitoires entre les étages (Figure 4).
Figure 4 : Un condensateur à film de liaison CC supprime le bruit et les transitoires entre le convertisseur élévateur et l'onduleur d'un système à énergie solaire. (Source de l'image : Eaton-Electronics Division)
Le condensateur à film réduit les signaux parasites là où la ligne Vlink renvoie des informations au circuit de commande, ce qui améliore les performances.
Les condensateurs de filtrage CA permettent d'éliminer les fréquences harmoniques indésirables dans des applications comme les sources d'alimentation CA triphasées (Figure 5).
Figure 5 : Condensateurs de filtrage CA utilisés pour filtrer une source d'alimentation triphasée. (Source de l'image : Eaton-Electronics Division)
Les condensateurs à film pour impulsions sont conçus pour protéger les composants sensibles contre les fortes variations de tension dV/dt. Ils sont utilisés dans les applications électroniques et d'onduleurs de puissance à impulsions. Conçus pour une densité d'énergie élevée, ils fournissent des rafales de puissance rapides dans des circuits comme les convertisseurs de puissance à circuit résonant (Figure 6).
Figure 6 : Le condensateur à film pour impulsions forme un circuit résonant ajusté à la fréquence de commutation du convertisseur de puissance, ce qui élimine les harmoniques dans le secondaire du transformateur. (Source de l'image : Eaton-Electronics Division)
Les circuits résonants améliorent considérablement l'efficacité des convertisseurs de puissance LLC (inductance-inductance-condensateur). Le condensateur pour impulsions est utilisé pour régler le circuit résonant par rapport à la fréquence de commutation d'un convertisseur de puissance. Le circuit résonant élimine les harmoniques du secondaire du transformateur. Par ailleurs, il permet une commutation douce des commutateurs du convertisseur de puissance, ce qui réduit les pertes et augmente le rendement.
Construction d'un condensateur à film
Les caractéristiques de chaque type de condensateur à film sont déterminées par les matériaux utilisés et par la géométrie des couches du film. Par exemple, le condensateur de filtrage CA EFACA25J155D032LH d'Eaton-Electronics Division est un condensateur de 1,5 microfarad (µF) ±5 % avec une tension nominale maximum de 250 V. Il est certifié AEC-Q200 pour les applications automobiles et présente une classification THB de type IIIB pour la résistance à l'humidité.
Les condensateurs à film sont formés de couches alternées de diélectrique métallisé. Pour les condensateurs à la tension nominale la plus basse (180 VCA à 300 VCA), les couches alternées sont chacune connectées à des sorties individuelles. Plusieurs couches en parallèle augmentent la capacité totale, tandis que la disposition de deux couches ou plus en série augmente la tension nominale (Figure 7).
Figure 7 : L'ajout de plusieurs condensateurs en série augmente la tension nominale d'un condensateur à film. (Source de l'image : Eaton-Electronics Division, modifiée par Art Pini)
Les sorties sont connectées de chaque côté d'une métallisation séparée pour une tension nominale plus élevée (350 VCA à 500 VCA). L'autre couche comporte un seul film métallisé isolé des sorties et sert de plaque de condensateur commune, ce qui donne deux condensateurs en série. Cette structure augmente la tension de claquage de la paire tout en réduisant la capacité. En plaçant plusieurs paires en parallèle, les concepteurs peuvent augmenter la capacité.
En utilisant le même principe de segments séparés isolés, les condensateurs de 600 VCA à 760 VCA créent trois condensateurs en série pour chaque ensemble de paires superposées.
Applications et construction des condensateurs pour impulsions
Les condensateurs pour impulsions sont conçus pour les applications exposées à des valeurs dV/dt et de courant élevées. Ils présentent de faibles valeurs ESR et ESL, ce qui améliore leur capacité à absorber l'énergie des pics de tension transitoires. Leurs propriétés d'autorégénération garantissent un fonctionnement fiable à long terme.
Les condensateurs à film pour impulsions conviennent aux applications d'amortissement dans les alimentations à découpage, où ils protègent les dispositifs de commutation actifs contre les pics de tension et l'oscillation qui se produisent pendant la commutation. Par exemple, à la Figure 8, un condensateur à film pour impulsions (C1) combiné à une résistance (R1) et à une diode (D1) forme un système d'amortissement qui absorbe les pics de tension générés par l'inductance parasite du transformateur lors de la désactivation du commutateur MOSFET.
Figure 8 : Les condensateurs à film pour impulsions comme C1 conviennent aux applications d'amortissement dans les alimentations à découpage, où ils absorbent les pics de tension générés par l'inductance parasite du transformateur lors de la désactivation du commutateur MOSFET. (Source de l'image : Art Pini)
Lorsque le MOSFET s'ouvre dans un convertisseur de puissance indirect à découpage, le courant de drain est à son maximum. L'inductance du transformateur intervient pour maintenir ce courant et augmente rapidement la tension. Initialement déchargé, le condensateur du circuit d'amortissement absorbe l'énergie du pic inductif, protégeant ainsi le commutateur MOSFET. Le temps de réponse de l'action capacitive est réduit en maintenant l'ESL à un niveau bas, ce qui permet au circuit d'amortissement de gérer la valeur dV/dt élevée du transitoire. La faible ESR permet d'atteindre les courants élevés nécessaires pour absorber l'énergie transitoire lors de la désactivation du commutateur.
La construction du condensateur à film pour impulsions est optimisée pour gérer des valeurs dV/dt élevées et les courants qui en résultent (Figure 9).
Figure 9 : La structure interne d'un condensateur à film pour impulsions utilise un film diélectrique métallisé double face pour réduire l'ESR. (Source de l'image : Eaton-Electronics Division)
Les condensateurs à film pour impulsions d'Eaton-Electronics Division utilisent un film diélectrique métallisé double face, doublant ainsi la surface de contact entre la plaque du condensateur et la connexion de la sortie, ce qui permet de réduire l'ESR du condensateur et d'augmenter sa tenue en courant. Par exemple, l'EFPLS1GJ223B072LH est un condensateur à film pour impulsions de 0,022 mF ±5 % répertorié pour une tension maximum de 1600 V. Il présente une ESR de 30 milliohms (mΩ) et une ESL de 12 nanohenrys (nH). Il a une spécification dV/dt maximum de 6000 V par microseconde (V/µs) et un courant nominal efficace de 3,2 A, avec un courant nominal de crête de 132 A.
La série EFPLA associée inclut des condensateurs à film pour impulsions pour les environnements difficiles, comme l'automobile, et est conforme aux spécifications THB de grade IIIB et AEC-Q200. Par exemple, l'EFPLA2AJ153B092LH d'Eaton est un condensateur à film pour impulsions de 0,015 mF ±5 % répertorié pour 2000 V. Il présente une ESR de 45 mΩ et une ESL de 12 nH. Il a une spécification dV/dt maximum de 4500 V/µs et un courant nominal efficace de 3 A, avec un courant nominal de crête de 142,5 A.
Conclusion
Les condensateurs à film utilisent une technologie sèche, non polarisée et présentent une densité de capacité élevée. Ils offrent une capacité stable par rapport à la température, supportent les forts courants ondulés ainsi que les tensions d'impulsion et les surtensions, et conviennent aux applications haute fréquence et haute puissance. Leur construction métallisée offre également une capacité d'autorégénération, ce qui améliore la fiabilité et la durée de vie opérationnelle, et permet d'avoir un mécanisme de défaillance plus efficace. Eaton-Electronics Division propose une gamme étendue et croissante de condensateurs à film en polypropylène métallisé, fonctionnellement optimisés pour de multiples applications et environnements de fonctionnement distincts.
Avertissement : les opinions, convictions et points de vue exprimés par les divers auteurs et/ou participants au forum sur ce site Web ne reflètent pas nécessairement ceux de DigiKey ni les politiques officielles de la société.

