Les innovations en matière de conditionnement améliorent le rendement énergétique dans les dispositifs corporels
Avec la contribution de Rédacteurs européens de DigiKey
2014-12-09
Pour les dispositifs corporels, un format compact est un facteur clé lors de la sélection des composants, notamment ceux utilisés pour la puissance. Les convertisseurs CC/CC permettent à la fois un rendement de conversion élevé et une réduction de l'espace carte grâce à l'intégration du contrôleur de conversion et des composants passifs clés dans un module SiP (System-in-Package), ce qui permet de réduire le format et de simplifier la configuration. Cet article porte sur la manière dont l'intégration au conditionnement a permis de réduire la taille des convertisseurs à découpage des dispositifs corporels. Il traite également des considérations relatives à la conception, impliquées dans la gestion de ces dispositifs.
La conception d'un dispositif corporel est liée à de nombreux défis, mais le rendement énergétique est l'un des éléments les plus critiques, non seulement en termes d'énergie, mais également en termes de taille. Ces dispositifs sont portés pendant de longues périodes et nécessitent donc une excellente autonomie de batterie. Leur proximité avec la peau exige également des convertisseurs haut rendement, fournis par des alimentations à découpage, plutôt que des régulateurs à faible chute de tension traditionnels préconisés dans le passé à cause de leur format compact. Cependant, les conceptions à découpage sont plus complexes.
Même si l'intégration CMOS a permis de réduire le nombre de composants actifs incluant des transistors de puissance sur puce, les conceptions de convertisseurs CC/CC traditionnelles nécessitent l'utilisation de composants passifs externes. En soi, ces dispositifs ne prennent pas trop de place, mais lorsqu'ils sont combinés pour prendre en charge le fonctionnement du convertisseur, ils nécessitent un espace carte important par rapport au système SoC primaire.
Les conceptions portables plus grandes peuvent tolérer l'espace carte requis par les circuits d'alimentation. Cependant, les dispositifs corporels, à cause de leur format compact et de leur besoin d'un volume batterie le plus important possible pour espacer les charges au maximum, exercent des pressions intenses sur les autres composants du système en termes d'espace.
En plus de fournir un rendement de conversion élevé, les convertisseurs CC/CC des dispositifs corporels doivent également réduire l'espace carte, en utilisant moins de dispositifs ou en intégrant davantage de dispositifs dans un espace plus petit. Le format compact a des répercussions sur la configuration de la carte, car les restrictions de taille compliquent le déplacement de composants pour minimiser les bruits et les parasites ou pour isoler d'autres composants sensibles du système. Ainsi, des topologies et des composants à faible bruit sont requis pour que l'interférence des techniques de conversion à découpage haut rendement n'affecte pas d'autres composants de la conception.
Des innovations dans le traitement des matériaux pour les composants passifs comme les condensateurs et les inductances ont permis de réduire la taille globale. Pour optimiser les avantages de gain de volume global, des fabricants, notamment Murata, Texas Instruments et Torex, ont adopté la technologie SiP (System-in-Package) pour réduire davantage l'espace carte. Les solutions incluent le circuit intégré de commande et l'inductance, ainsi que les condensateurs, dans certains cas.
La technologie SiP permet l'intégration de composants dans un boîtier compatible avec un circuit intégré. Les interconnexions plus brèves et l'utilisation de couches de redistribution à pas fin dans le boîtier permettent non seulement de réduire l'inductance et la capacité, mais garantissent également que les pastilles de connexion utilisées par chaque dispositif sont bien plus petites que sur une carte à circuit imprimé.
Même si la technologie SiP minimise l'espace occupé par le convertisseur de courant, des choix de conception doivent être effectués, étant donné qu'une simple topologie SiP ne peut pas satisfaire toutes les exigences de conception possibles. Un problème clé se pose avec le placement de l'inductance dans le boîtier. Pour y répondre, Torex a développé trois formes de SiP pour sa gamme XCL de micro-convertisseurs. Chaque micro-convertisseur comprend un régulateur à découpage avec une sortie simple et intègre le circuit intégré de commande et l'inductance. La structure du boîtier est déterminée en fonction des spécifications, du circuit intégré, de l'inductance, du comportement thermique et des autres caractéristiques du produit. Il existe trois options de configuration principales. L'une d'entre elles consiste à couvrir le circuit intégré de commande avec l'inductance. C'est la meilleure option en termes de bruit rayonné et d'émissions de champs magnétiques, mais elle tend à augmenter les coûts. Le caractère empilé du boîtier réduit également l'espace carte.
La superposition du circuit intégré de commande au-dessus de l'inductance permet de réduire les coûts, car la technologie de câblage utilisée pour connecter les pastilles sur le circuit intégré élevé est extrêmement économique pour les topologies empilées. Les mêmes techniques de connexion ne peuvent pas être utilisées lorsque le circuit intégré de commande est couvert par l'inductance. Cependant, cette forme augmente la force du champ magnétique à proximité du circuit imprimé, et ne peut donc être utilisée pour des conceptions qui y sont sensibles. Les bruits rayonnés sont également un peu plus élevés qu'avec la configuration inverse. De plus, le comportement thermique s'aggrave, étant donné qu'il n'est pas possible de connecter une pastille thermique à la partie inférieure du circuit intégré de commande pour éliminer la chaleur via le circuit imprimé. La chaleur tend également à circuler entre les composants superposés.
Le placement du circuit intégré et de l'inductance côte à côte augmente l'espace carte requis, même si la meilleure utilisation de l'espace des pastilles de connexion SiP signifie que cet espace est considérablement réduit par rapport à des implémentations où les composants passifs sont disposés sur le circuit imprimé sous-jacent. La disposition permet une dissipation thermique optimale, un faible coût en comparaison, et une compatibilité aux champs magnétiques et aux bruits rayonnés, même si les performances de bruit de la configuration empilée avec le circuit intégré de commande sur la partie inférieure restent meilleures.
Les micro-convertisseurs peuvent avoir un rendement supérieur en termes de bruits par rapport aux implémentations discrètes, puisqu'ils présentent des interconnexions plus courtes. Leur conception prête à l'emploi réduit également le nombre de décisions de disposition devant être prises par le concepteur du circuit imprimé, ce qui permet d'accélérer le projet. La principale considération est le placement et le routage de la masse et des connexions d'alimentation afin de minimiser les parasites.

Les produits XCL201, 202, 205, 206 sont des convertisseurs CC/CC abaisseurs synchrones avec inductances intégrées se conformant au format d'inductance sur le dessus. Le système SiP intégral, y compris l'inductance, occupe 2,5 mm x 2,0 mm d'espace carte. Pour limiter la hauteur de la combinaison bobine/convertisseur CC/CC à 1 mm, un nouveau boîtier ultraplat d'une hauteur de 0,4 mm est utilisé pour le circuit intégré de convertisseur CC/CC. Les produits similaires XCL208 et 209 utilisent une construction de boîtier plus simple, positionnant l'inductance sous le convertisseur CC/CC, afin de réduire les coûts de production. Les produits XCL208 et 209 permettent également de définir la tension de sortie, mais les produits XCL201 et 202 fournissent un rendement énergétique supérieur de 3 % pour la plus grande partie de la courbe de charges. Pour réduire la taille du boîtier du convertisseur principal, deux condensateurs externes sont requis.

Comme Torex, Murata a développé une gamme de micro-convertisseurs CC/CC dans la famille LXDC, offrant un choix de condensateurs internes ou externes. Pour réduire la taille du système SiP principal, le LXDC2HL requiert deux condensateurs externes, mais le boîtier lui-même, mesurant 2,5 mm x 2,0 mm, utilise un substrat ferrite intégré directement dans le boîtier pour former l'élément d'inductance. La longueur de la connexion entre le circuit intégré de contrôleur et l’inductance est proche de zéro, réduisant davantage les émissions sonores. La technologie de substrat ferrite multicouche est un processus permettant de presser jusqu’à cinquante couches de matériaux ferrite différents pour créer un circuit en trois dimensions dans le substrat du dispositif.
Les dispositifs de convertisseurs abaisseurs sont conçus pour une utilisation avec des sources de 2,3 V à 5,5 V telles que des batteries lithium-ion. Les séries 2UR et 3EP intègrent les condensateurs d'entrée et de sortie sur le substrat ferrite, augmentant légèrement la taille du boîtier, mais fournissant des gains d'espace plus importants lors de l'intégration sur le circuit imprimé. La série 3EP présente un boîtier plus grand mesurant 3,5 mm x 3,2 mm, mais offre un rendement plus élevé, jusqu'à 92 %, ainsi qu'une charge maximale plus élevée de 1 A contre les 600 mA de la série 2UR. Même si le boîtier 2UR inclut des condensateurs, il n'est que légèrement plus grand que la série 2HL en termes d'espace carte, avec 2,5 mm x 2,3 mm. Les micro-convertisseurs Murata utilisent une construction sans boîtier pour optimiser le rendement thermique.
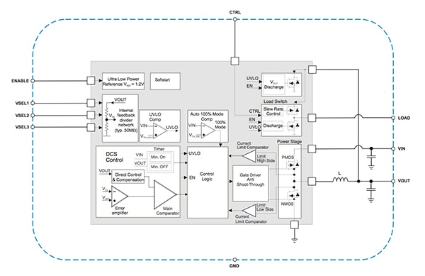
Le TPS82740 de Texas Instruments intègre un convertisseur abaisseur pour dispositifs corporels dans un système SiP mesurant 2,9 mm x 2,3 mm, incluant les composants passifs nécessaires, disposés sur la surface supérieure de ce dispositif sans boîtier. Les micro-convertisseurs abaisseurs permettent de passer d'un mode de modulation de largeur d'impulsion (PWM) à charge élevée à un mode d'impulsion écoénergétique (PFM). Le TPS82740 utilise un nouveau schéma de contrôle pour réduire le courant de repos à seulement 360 nA. Prenant en charge des courants de sortie jusqu'à 200 mA en mode PWM, le dispositif bascule en mode d'impulsion basse consommation lorsque la charge tombe en dessous de 10 µA.
Le mécanisme DCS-Control du TPS82740 associe un contrôle en mode tension et par hystérésis. Le contrôleur est construit autour d'une boucle CA qui détecte la tension de sortie. Un comparateur utilise cette tension pour définir la fréquence de commutation, qui est constante pour des conditions de fonctionnement stables, et fournit une réponse immédiate à des variations de charges dynamiques. Afin de parvenir à une régulation de charge CC précise, une boucle de rétroaction de tension est utilisée. Si le courant de charge diminue, le convertisseur entre en mode d'économie d'énergie pour améliorer le rendement, avec une fréquence de commutation variant presque de manière linéaire avec le courant de charge. En mode d'impulsion, le dispositif génère une seule impulsion de commutation pour accroître le courant d'inductance et recharger le condensateur de sortie, suivie d'une période de veille où la plupart des circuits internes sont en mode d'arrêt pour réduire la consommation électrique. Pendant ce temps, le courant de charge est supporté par le condensateur de sortie.

En exploitant les avantages de la technologie SiP et des algorithmes de contrôle, les fabricants contribuent à créer une nouvelle génération de dispositifs corporels offrant une meilleure autonomie. Ils y parviennent en libérant davantage d'espace pour le dispositif essentiel qu'est la batterie, et grâce à un meilleur rendement global.
Avertissement : les opinions, convictions et points de vue exprimés par les divers auteurs et/ou participants au forum sur ce site Web ne reflètent pas nécessairement ceux de DigiKey ni les politiques officielles de la société.

