Concevoir un véritable dispositif auditif de fitness sans fil – 3e partie : gestion de l'alimentation sans fil
Avec la contribution de Rédacteurs nord-américains de DigiKey
2020-01-23
Note de l'éditeur : Bien qu'ils présentent un potentiel énorme, les dispositifs auditifs de fitness impliquent des défis de conception considérables dans trois domaines clés, à savoir les mesures biométriques, le traitement audio et la charge sans fil. Cette série de trois articles étudie chacun de ces défis un à un et explique aux développeurs comment tirer parti des dispositifs ultrabasse consommation pour créer des dispositifs auditifs de fitness de manière plus efficace. Le 1re partie concernait les mesures biométriques de la fréquence cardiaque et SpO2. La 2e partie s'est intéressée au traitement audio. Cette 3e partie couvre les solutions de gestion de l'alimentation et de charge sans fil pour les conceptions de dispositifs auditifs de fitness.
L'optimisation de l'alimentation est devenue une exigence fondamentale dans la plupart des segments d'application, mais les dispositifs auditifs de fitness soulèvent des préoccupations singulières qui vont bien au-delà de celles qu'impliquent les écouteurs sans fil classiques. Ces derniers utilisent une connexion Bluetooth pour la diffusion audio, mais conservent une connexion câblée à une batterie qui est généralement encapsulée avec des éléments de contrôle du volume et un connecteur de puissance dans un boîtier intégré. En revanche, les véritables conceptions sans fil éliminent toutes les connexions câblées. Les concepteurs doivent donc intégrer des batteries rechargeables dans chaque écouteur.
Par conséquent, les ingénieurs système doivent trouver des solutions de conception capables de respecter les exigences strictes en matière de boîtier tout en garantissant à la fois une autonomie prolongée de la batterie et un processus de charge batterie simple pour les utilisateurs.
Cet article présente des approches efficaces qui permettent d'étendre l'autonomie batterie et de simplifier la charge tout en fournissant plusieurs rails d'alimentation pour les dispositifs de biodétection, audio et de processeurs que renferment ces conceptions. Il décrit ensuite brièvement le fonctionnement de la charge sans fil avant de présenter des solutions d'alimentation sans fil basées sur des normes que les développeurs peuvent utiliser pour implémenter rapidement de véritables produits sans fil sophistiqués, capables de tirer pleinement parti d'une base de plateformes de charge tierces compatibles en expansion rapide. Les solutions présentées sont proposées par des fournisseurs tels que Maxim Integrated, Analog Devices, STMicroelectronics et Texas Instruments.
Comment gérer l'alimentation des dispositifs auditifs de fitness
Comme expliqué dans les deux premiers articles de cette série, les ingénieurs peuvent tirer parti des dispositifs audio, Bluetooth et biocapteurs SoC (systèmes sur puce) ultrabasse consommation pour réduire la consommation énergétique et étendre l'autonomie batterie (Figure 1).
Figure 1 : Pour les véritables dispositifs auditifs de fitness sans fil, les circuits intégrés de gestion de l'alimentation (PMIC) et les circuits d'indicateur de charge hautement intégrés fournissent les bases en matière de gestion de l'alimentation et de la batterie et ne nécessitent qu'une source d'alimentation sans fil pour la charger batterie. (Source de l'image : DigiKey Electronics, d'après un document source de Maxim Integrated)
En plus de leurs capacités fonctionnelles étendues, ces systèmes sur puce intègrent leurs propres fonctionnalités de gestion de l'alimentation qui utilisent divers modes de fonctionnement basse consommation, des capacités de déclenchement en fonction de la tension ou de l'horloge, ou des régulateurs de tension internes pour alimenter différents domaines de puissance à partir d'une seule source d'alimentation. Bien que ces fonctionnalités contribuent à simplifier l'implémentation des conceptions optimisées en matière d'alimentation, elles entraînent souvent la nécessité d'avoir plusieurs rails d'alimentation adaptés à chaque dispositif. Par exemple, les systèmes sur puce abordés précédemment dans cette série (biocapteur MAXM86161 et codec audio MAX98090 de Maxim Integrated, et microcontrôleur Bluetooth RSL10 d'ON Semiconductor) présentent différents besoins en matière d'alimentation (Tableau 1).
|
Tableau 1 : Plages de tensions d'alimentation pour les principaux systèmes sur puce d'un dispositif auditif de fitness. (Source du tableau : DigiKey Electronics, d'après des documents sources de Maxim Integrated et d'ON Semiconductor)
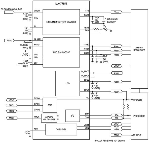
Plutôt qu'un ensemble de régulateurs de tension individuels, un PMIC à plusieurs rails comme le MAX77654 de Maxim Integrated offre une solution monopuce plus simple. Spécialement conçu pour les applications basse consommation soumises à des contraintes d'espace comme les dispositifs auditifs, le MAX77654 fournit trois sorties de régulateur à découpage abaisseur-élévateur et deux régulateurs à faible chute de tension (LDO) dans un boîtier de 2,79 mm x 2,34 mm avec un faible courant de fonctionnement de 6 microampères (mA) et un courant d'arrêt de 0,3 μA. Les développeurs peuvent programmer individuellement les trois régulateurs abaisseur-élévateur du MAX77654 par paliers de 50 millivolts (mV) afin de fournir des sorties régulées de 0,8 V à 5,5 V. De même, les deux sorties du régulateur LDO peuvent être programmées par paliers de 25 mV afin de fournir des sorties de 0,8 V à 3,975 V.
Basé sur un régulateur abaisseur-élévateur à inductance simple et à sorties multiples (SIMO), le dispositif permet de réduire l'empreinte de conception et la nomenclature grâce à sa capacité à fournir une solution de gestion de l'alimentation complète avec seulement quelques composants supplémentaires (Figure 2).
Figure 2 : Le PMIC MAX77654 de Maxim Integrated simplifie le développement grâce à sa capacité à fournir plusieurs rails de tension programmables avec deux régulateurs LDO et trois régulateurs abaisseur-élévateur qui ne nécessitent qu'une seule inductance grâce à la technologie SIMO du dispositif. (Source de l'image : Maxim Integrated)
Dans un système complet, le contrôleur off-on et le séquenceur d'alimentation du MAX77654 gèrent la temporisation et les transitions d'état de l'alimentation interne requises pour activer (ou désactiver) les rails d'alimentation en fonction de la séquence spécifique requise pour l'application. Par exemple, dans une conception de dispositif auditif de fitness, les développeurs peuvent programmer le dispositif pour qu'il applique la puissance de manière séquentielle aux sous-systèmes et systèmes sur puce individuels afin de réduire les demandes en courant de crête ou éviter les artefacts audio.
Gestion des batteries
Outre les capacités de gestion de l'alimentation du système, le MAX77654 intègre un chargeur de batterie lithium-ion complet qui fournit un taux de charge à courant constant programmable de 95 milliampères (mA) à 475 mA à partir d'une grande variété de sources, y compris USB. La technologie Smart Power Selector de Maxim bascule automatiquement l'alimentation de la source d'alimentation d'entrée (CHGIN) vers la batterie (BATT) et le système (SYS), selon le cas. Lorsque la batterie est complètement chargée, Smart Power Selector déconnecte automatiquement la batterie de la source d'entrée.
Le MAX77654 offre un ensemble étendu de registres d'état qui permettent aux développeurs de surveiller et de contrôler chaque aspect du fonctionnement du dispositif. En définissant des registres de contrôle d'interruption, les développeurs peuvent programmer le dispositif pour alerter le processeur hôte concernant un large éventail de conditions de fonctionnement et d'erreurs, notamment les surtensions et sous-tensions du système, la température, les erreurs de charge et les défauts de la batterie.
Cependant, pour un produit grand public, les développeurs combinent généralement le PMIC avec un circuit intégré d'indicateur de charge de batterie, comme le MAX17260 de Maxim Integrated. Le MAX17260 ne consomme que 5,1 mA et utilise l'algorithme de prévision d'état de la batterie ModelGauge m5 de Maxim pour fournir des estimations dynamiques de l'autonomie restante de la batterie pendant le fonctionnement et des estimations du temps de charge restant lors de la charge. Les développeurs peuvent programmer le dispositif afin qu'il génère une interruption du processeur hôte lorsque la charge restante tombe en dessous d'un seuil spécifié pendant le fonctionnement. Dans un dispositif auditif de fitness, les développeurs peuvent utiliser cette fonctionnalité pour diminuer les fonctionnalités de l'application en utilisant des stratégies comme la réduction des temps de mise à jour de la fréquence cardiaque à partir du biocapteur ou la réduction de la bande passante audio, puis l'envoi d'une alerte à l'utilisateur avant que la batterie ne tombe en dessous de la limite acceptable.
Charge sans fil
La combinaison du PMIC MAX77654 et du circuit intégré d'indicateur de charge MAX17260 offre une solution efficace pour la gestion de la batterie. La nécessité de fournir une source de charge appropriée est le dernier défi important à relever dans la création d'un véritable dispositif auditif de fitness sans fil. Par définition, cette source ne peut pas tirer parti des approches câblées classiques en utilisant des adaptateurs secteur ou USB. C'est pour cette raison que la disponibilité des technologies d'alimentation sans fil et des solutions silicium associées offre une solution prête à l'emploi.
Les méthodes d'alimentation sans fil pratiques tirent parti de l'induction à couplage serré entre une bobine de fil primaire et une bobine de fil secondaire, ou de l'induction résonante à couplage lâche entre une paire de bobines fonctionnant à la même fréquence de résonance (voir l'article relatif à la comparaison entre la charge sans fil inductive et la charge sans fil résonante).
Largement utilisée depuis de nombreuses années pour recharger des produits grand public comme les brosses à dents électriques ou le matériel médical de type prothèses auditives, l'alimentation sans fil inductive a atteint un niveau de maturité et de prise en charge qui en fait une solution sûre, même pour les produits électroniques les plus avancés. Par conséquent, les développeurs peuvent, en principe, implémenter des chargeurs sans fil avec à peine plus qu'un chargeur Li-ion sans fil LTC4124 d'Analog Devices recevant de la puissance de la bobine couplée par induction à une bobine d'émetteur entraînée par un oscillateur commandé en tension (VCO) LTC6990 d'Analog Devices. Avec le récepteur LTC4124 et l'oscillateur commandé en tension LTC6990, la conception complète de l'alimentation sans fil ne nécessite qu'un MOSFET, quelques composants passifs et une paire de bobines, comme la bobine de réception (RX) 760308101216 de 7,2 microhenry (µH) de Würth Elektronik et la bobine d'émission (TX) 760308103206 de 7,5 µH de Würth Elektronik (Figure 3).
Figure 3 : Grâce au récepteur de puissance sans fil LTC4124 d'Analog Devices et à l'oscillateur commandé en tension LTC6990 d'Analog Devices, les développeurs peuvent implémenter une alimentation sans fil propriétaire complète avec seulement quelques composants supplémentaires. (Source de l'image : Analog Devices)
Même si les anciennes solutions d'alimentation sans fil permettaient de réaliser des conceptions simples, elles ne conviennent plus vraiment aux produits grand public, car les utilisateurs ont rapidement adopté les offres d'alimentation sans fil standard basées sur les spécifications Qi du Wireless Power Consortium (WPC) (voir l'article relatif à la charge sans fil conforme à la spécification Qi). Ces conceptions simples, comme celle présentée ci-dessus, conçues pour les produits sans fil propriétaires et leurs bases de charge associées, n'offrent pas certaines capacités clés comme la communication entre le récepteur et l'émetteur, la détection de corps étrangers (FOD) et d'autres exigences définies dans les spécifications Qi du WPC.
En plus de permettre la mise en place d'un processus de charge sans fil plus sophistiqué, l'acceptation rapide de l'alimentation sans fil compatible Qi a alimenté l'essor des plateformes d'émetteurs de puissance sans fil à faible coût. Par conséquent, les développeurs de produits grand public, comme les dispositifs auditifs de fitness qui nécessitent une source d'alimentation sans fil, peuvent se concentrer sur la conception d'un récepteur de puissance sans fil compatible, en espérant que les utilisateurs potentiels disposent déjà de stations de charge sans fil prêtes à l'emploi (et préfèrent les utiliser).
Limites pratiques
Il faut toutefois modifier fondamentalement la méthode de conception pour tirer parti des produits de charge sans fil disponibles. Globalement, un couplage et un transfert de puissance efficaces nécessitent des bobines de récepteur et d'émetteur bien adaptées, de taille similaire et avec un rapport d'inductance entre la bobine secondaire et la bobine primaire généralement à un chiffre. Par conséquent, l'utilisation d'une bobine de très petit diamètre qui convient parfaitement à un dispositif auditif de fitness complique la conception d'un système d'alimentation sans fil capable de répondre aux attentes des utilisateurs en matière de rapidité de charge. De plus, les tolérances très strictes pour l'alignement et le positionnement entre bobines nécessitent une conception de produit qui fait appel à un boîtier personnalisé ou à d'autres éléments de montage afin de pouvoir placer la bobine de l'écouteur à proximité d'une bobine de charge.
En raison de ces nombreux défis, les véritables écouteurs sans fil optent typiquement pour une approche plus pratique qui consiste à intégrer un récepteur sans fil compatible Qi dans le boîtier de l'écouteur. Lorsque les écouteurs sont placés dans le boîtier, les broches intégrées à chaque écouteur touchent les contacts d'alimentation qui se trouvent dans le boîtier. Ensuite, lorsque le boîtier est placé sur une station de charge sans fil tierce compatible, le courant circule sans fil de la station vers le récepteur du boîtier, puis vers les écouteurs via les points de contact. Grâce à cette approche, l'implémentation de la charge sans fil pour les dispositifs auditifs de fitness devient beaucoup plus simple, car elle est prise en charge par de nombreux récepteurs de puissance sans fil compatibles Qi.
Solutions de récepteurs sans fil
Heureusement, les développeurs peuvent trouver un vaste choix de récepteurs de puissance sans fil spécialement conçus pour prendre en charge les normes Qi du WPC. En fait, les dispositifs disponibles vont bien au-delà des exigences minimales concernant la prise en charge du transfert de puissance sans fil standard et offrent des fonctionnalités permettant de simplifier la conception globale du système. Par exemple, comme de nombreux dispositifs de cette catégorie, le récepteur de puissance sans fil STWLC03 de STMicroelectronics prend en charge une approche simple de désactivation de la charge sans fil qui permet aux utilisateurs d'alimenter le boîtier de charge via un adaptateur secteur externe ou une connexion USB (Figure 4).
Figure 4 : Comme d'autres dispositifs de cette catégorie, le récepteur de puissance sans fil STWLC03 de STMicroelectronics offre une option simple qui permet de désactiver le transfert de puissance sans fil lorsqu'une source d'alimentation externe est détectée. (Source de l'image : STMicroelectronics)
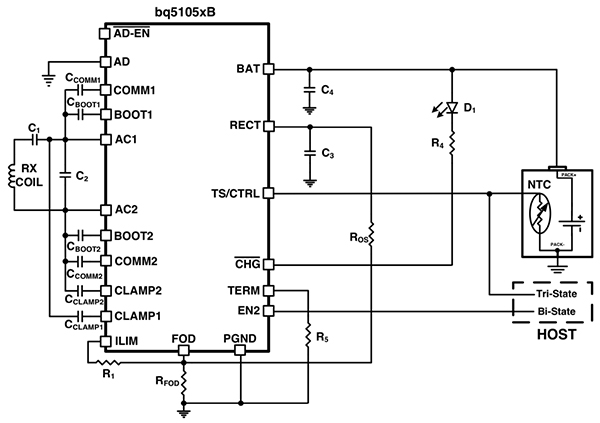
De nombreux récepteurs de puissance sans fil compatibles Qi intègrent également des capacités de charge batterie, ce qui permet aux développeurs d'ajouter des batteries au boîtier pour avoir une alimentation de secours lorsque la charge sans fil n'est pas disponible ou pratique. Par exemple, le BQ51050B de Texas Instruments prend en charge une séquence de charge à trois étages comprenant une précharge, un courant constant à charge rapide et une tension constante, avec une seule connexion au bloc-batterie (Figure 5).
Figure 5 : Le récepteur de puissance sans fil BQ51050B de Texas Instruments peut charger des blocs-batteries avec un effort de développement supplémentaire minimal. (Source de l'image : Texas Instruments)
Outre la prise en charge d'alimentations externes et de la charge batterie, les récepteurs de puissance sans fil compatibles Qi peuvent également prendre en charge les nouveaux scénarios de charge sans fil pair-à-pair qui s'appuient sur un produit mobile, comme un smartphone, pour recharger sans fil un autre produit. Par exemple, le MAX77950 de Maxim Integrated combine la prise en charge de l'alimentation sans fil existante et celle de la charge pair-à-pair qui ne nécessite qu'un effort de développement supplémentaire minimal (Figure 6).
Figure 6 : Outre la prise en charge de configurations de charge sans fil plus classiques, le récepteur de puissance sans fil MAX77950 de Maxim Integrated prend en charge le transfert de puissance sans fil pair-à-pair. (Source de l'image : Maxim Integrated)
Support de développement d'alimentation sans fil
Malgré l'évolution constante des fonctionnalités d'alimentation sans fil et des dispositifs associés, les développeurs peuvent trouver des ressources de support de développement prêtes à l'emploi, notamment des cartes de développement, des guides de conception et des notes d'application. Par exemple, chacun des dispositifs d'alimentation sans fil mentionnés dans cet article est proposé avec un kit de développement associé.
Pour son récepteur de puissance sans fil LTC4124, Analog Devices propose une série de kits qui fournissent à la fois des cartes de récepteur et d'émetteur afin d'illustrer le transfert de puissance sans fil à des niveaux croissants de courant de charge reçu. Les kits DC2769A-A-KIT et DC2769A-B-KIT d'Analog Devices illustrent des courants de charge de 10 mA et 25 mA, respectivement. Basée en grande partie sur la conception avec le LTC4124 décrite précédemment (voir Figure 3), la carte d'émetteur utilise un oscillateur commandé en tension LTC6990 d'Analog Devices, tandis que la carte de récepteur utilise le récepteur sans fil LTC4124 d'Analog Devices. Pour illustrer des courants de charge plus élevés, les kits DC2770A-A-KIT et DC2770A-B-KIT d'Analog Devices proposent des courants de charge de 50 mA et 100 mA, respectivement, avec une carte de récepteur basée sur le LTC4124, mais la carte d'émetteur de chaque kit repose plutôt sur l'émetteur de puissance sans fil LTC4125 d'Analog Devices.
Pour ses dispositifs, STMicroelectronics propose la carte d'évaluation STEVAL-ISB036V1 pour le récepteur de puissance sans fil STWLC03. Texas Instruments offre la carte d'évaluation BQ51050BEVM pour prendre en charge le développement du récepteur de puissance sans fil BQ51050B, et Maxim Integrated fournit le kit d'évaluation MAX77950EVKIT pour son récepteur de puissance sans fil MAX77950. En plus du matériel présent dans leurs kits d'évaluation, chaque fabricant fournit un ensemble complet de ressources de conception incluant typiquement une nomenclature, des schémas et un guide de configuration de conception physique pour les développeurs de conceptions personnalisées.
Pour le développement logiciel, des pilotes et des logiciels d'évaluation sont également disponibles en téléchargement immédiat ou sur demande. Par exemple, le pack de logiciels du kit d'évaluation MAX77950 de Maxim Integrated permet aux développeurs de surveiller et de modifier les registres et la configuration du MAX77950 via la connexion USB de leur ordinateur Windows® 10 vers le MAX77950EVKIT, où un microcontrôleur intégré met à jour le MAX77950 via un bus I2C partagé (Figure 7).
Figure 7 : Le pack de logiciels du kit d'évaluation MAX77950 de Maxim Integrated et la documentation associée permettent aux développeurs de tester les différents paramètres du MAX77950 afin de découvrir les effets des différentes configurations du dispositif sur les performances de l'alimentation sans fil. (Source de l'image : Maxim Integrated)
Conclusion
Les conceptions de véritables dispositifs auditifs de fitness sans fil mettent les concepteurs au défi d'implémenter des systèmes toujours plus efficaces, tout en encourageant l'utilisation de technologies de charge sans fil avancées. Comme expliqué ici, les PMIC et les circuits d'indicateur de charge hautement intégrés offrent une solution efficace pour la gestion de l'alimentation et des batteries. Pour l'alimentation sans fil, la disponibilité de dispositifs d'alimentation sans fil basés sur des normes offre aux développeurs de nombreuses options pour implémenter des fonctionnalités de charge sans fil dans les dispositifs auditifs de fitness. Grâce à ces solutions standard, les développeurs peuvent rapidement implémenter de véritables produits sans fil sophistiqués capables de tirer pleinement parti d'une base en pleine expansion de plateformes de charge sans fil tierces compatibles.
Avertissement : les opinions, convictions et points de vue exprimés par les divers auteurs et/ou participants au forum sur ce site Web ne reflètent pas nécessairement ceux de DigiKey ni les politiques officielles de la société.




