Improving Efficiency in DC-DC Converters Through Careful Component Selection
2016-02-10 | By Dave Knight
DC-DC converters provide small, efficient power conversion. Designing efficient DC-DC converters can be tricky, even when using off-the-shelf controllers. Efficiency is important for extending battery life in battery-powered applications and because it reduces the amount of heat that must be dissipated, reducing package size and extended the life of the electrical components in the system. This paper discusses some loss mechanisms in DC-DC converters, and how careful component choices can optimize performance.
MOSFET losses
MOSFETs have conduction losses (P=I2R) related to the conduction when they’re fully on; use a MOSFET with low RDS(ON) to reduce these losses. They also have switching losses, which are harder to quantify. Use a high-current gate driver to ensure that MOSFETs operate quickly and efficiently—those with lower gate capacitance switch faster and more efficiently.
Diode losses
Diodes have a forward voltage drop of about 0.7 V (P=VI). Use a Schottky diode with have the voltage drop to reduce losses. Using a Schottky also helps with switching losses, which are harder to quantify.
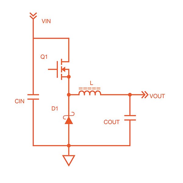
Diodes are often used to provide current paths for inductive currents in DC-DC converters. These are called freewheeling diodes. Figure 1 is a simplified schematic of a buck converter. In this schematic, D1 is the freewheeling diode, which provides a path for the current through the filter inductor when Q1 is not turned on.

Figure 1: Simplified buck converter schematic
Freewheeling diodes can be a significant source of inefficiency, especially when the diode drop is a significant fraction of the output voltage. This is especially important for low-voltage, high-current applications. The freewheeling diode can be replaced with a MOSFET that switches out of phase with Q1. This MOSFET is called a synchronous rectifier. It is important to ensure that there is dead time between the turn-off times and turn-on times of the MOSFETs. If both MOSFETs were to turn on simultaneously, they should effectively create a short between VIN and GND, causing a tremendous amount of current (called shoot-through current) and possibly causing damage. Synchronous buck controller ICs have gate drivers for both MOSFETs, and usually include dead time, also known as shoot-through protection.

Inductor losses
Inductors have copper and core losses. Core losses are related to the energy required to switch magnetic domains back and forth in the magnetic core. Inductors with low-loss cores can improve efficiency. Copper losses are related to I2R and high-frequency losses in the wiring of the inductor. Inductors with bigger windings can be chosen to reduce DC resistance—multiple strands of wire can be wound in parallel, or in parallel random positions, to reduce AC resistance.
Capacitor losses
Capacitors have equivalent series resistance. I2R may not be a serious source of inefficiency, but choosing capacitors with ESR will reduce output ripple voltage and make the capacitors last longer. Aluminum polymer capacitors have low ESR and longer lifetimes than regular aluminum electrolytic capacitors, which are often used as bulk filter capacitors in DC-DC converters.
PCB layout
The PCB is a critical component of a DC-DC converter. Copper traces have resistance, and will lose power in the amount of I2R. Use wide traces for high-current loops to reduce resistance. Also, make your high-current loops short. It is also advisable to make high-frequency loops small to optimize performance.
Frequency, efficiency, and size trade-offs
Many loss mechanisms increase with frequency. Switching at a higher frequency allows for the use of smaller inductors and capacitors, which reduces size, cost, and weight, but at the cost of efficiency. Switching at lower frequencies requires larger inductors and capacitors, but will improve efficiency.
Conclusion
We have covered some of the basics of DC-DC converter loss mechanisms, and explained how careful component choices and can help improve efficiency.

