ESP32 AI Voice Assistant with MCP for Smart Home Control
2025-12-29 | By Rinme Tom
License: General Public License ESP32
ESP32 AI Voice Assistant with MCP Integration: A Complete DIY Guide
Voice-controlled assistants have moved beyond big tech ecosystems into the hands of makers thanks to powerful embedded platforms like Espressif’s ESP32-S3. This project demonstrates how to build a fully functional AI voice assistant that listens for wake words, processes natural language interactions, and controls smart devices — all while remaining compact, customizable, and privacy-centric.
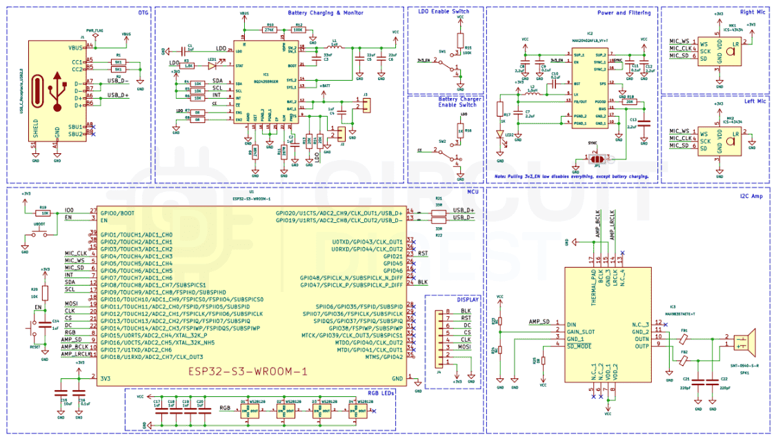
The core of this design is an ESP32-S3-WROOM-1 module, a dual-core microcontroller with built-in Wi-Fi and Bluetooth connectivity. Its combination of performance and efficiency enables always-on listening and real-time audio handling — essential for responsive voice control.
Hardware Overview
This portable assistant integrates carefully chosen components to ensure reliability and clarity:
Dual MEMS Microphones: Two TDK InvenSense ICS-43434 digital MEMS microphones form a microphone array. Coupled with Espressif’s Audio Front End (AFE), they support noise suppression, beamforming, and echo cancellation for clear voice input.
Audio Output: A MAX98357A I²S amplifier drives a speaker, delivering natural-sounding responses.
Power Management: Using the BQ24250 charger and MAX20402 DC-DC converter, the assistant runs reliably on USB power or a Li-ion battery.
Visual & Manual Controls: Integrated WS2812B RGB LEDs provide status feedback, while tactile buttons help with reset and mode control.
Every component is selected with balance in mind — ensuring performance without sacrificing efficiency or footprint.
How It Works: Software Architecture
At the heart of this project is the Xiaozhi AI framework, an open-source chatbot platform designed for embedded systems like the ESP32. Xiaozhi follows a hybrid client-server architecture:
On the ESP32: Lightweight tasks such as wake-word detection and audio capture run directly on the device. Using WakeNet and the AFE suite, the assistant remains in low-power listening mode until activated.
On the Cloud Server: More computationally intensive tasks — speech-to-text (STT), language reasoning with large language models (LLMs), and text-to-speech (TTS) — are handled remotely. The ESP32 streams audio over WebSockets to and from the server for seamless interaction.
This hybrid setup lets a low-cost microcontroller achieve performance comparable to commercial smart speakers while keeping customization and privacy in your control.
Model Context Protocol (MCP): Bridging AI & Hardware
A major innovation in this project is integration with the Model Context Protocol (MCP) — an open-standard interface that enables AI systems to discover, understand, and control connected hardware seamlessly.
Instead of writing custom code for each device or service, MCP lets the assistant query available hardware, understand capabilities, and execute actions like turning on lights, reading sensors, or controlling relays. This standardization dramatically amplifies what AI voice assistants can do in an IoT context.
Step-by-Step Development
1. Set Up the Tools:
Develop the firmware in Visual Studio Code with the ESP-IDF plugin — Espressif’s official IoT development framework. The AFE library is included for real-time audio processing.
2. Clone & Configure:
Clone the GitHub repository for the ESP32 AI voice assistant. Use the ESP-IDF menuconfig to select your board type, wake-word model (such as WakeNet with AFE), and custom wake phrase like “Hey Wanda.”
3. Flash the Firmware:
Once compiled, flash the firmware onto your custom ESP32 board via UART or preferred tool.
4. Connect & Configure Wi-Fi:
After boot, connect to the device’s Wi-Fi hotspot and configure it to your network. A local web page simplifies access if automatic redirection fails.
5. Extend Capabilities:
Thanks to MCP, you can now add sensors, relays, displays, or other peripherals — and control them naturally through voice with no additional app.
Real-World Uses & Flexibility
Once assembled and configured, this AI voice assistant transforms into a versatile smart system. It can:
Control IoT devices via natural voice
Answer questions and provide info
Act as a smart home hub without proprietary ecosystems
Serve as a hands-free accessibility tool
Act as a learning platform for AI, hardware, and embedded development
Future Enhancements
Looking ahead, builders can explore expansions like:
GPS or environmental sensors for context-aware interaction
Larger batteries or solar charging
Integrated cameras for vision-based AI responses
More powerful speakers or displays for feedback and status
This project establishes a foundation for fully customizable AI assistants built on affordable hardware.
Conclusion
This ESP32 AI voice assistant project showcases how embedded hardware and cloud-based AI can converge to create highly capable, customizable smart assistants. With open standards like MCP and the flexible Xiaozhi framework, makers can build devices that rival commercial solutions — while maintaining full control, privacy, and adaptability.

