Maker.io main logo

Electret-Mic DIY Pre-Amplifier Using OPAmp

272

2016-09-19 | By Cay-Eric Schimanski

License: None

Running into noise problems pre-amplifying your Electret-Microphone? Worry not and say no more, for you can now create your own Cheap DIY pre-amplifier for your electret microphone. This low-noise DIY preamplifier for electret microphone is based on Texas Instruments’ TL071 op-amp.

Electret Microphones can be very sensitive, and the signal output can be weak enough that it needs amplification close to the mic in order to prevent hum from power lines and other sources.

My first attempt to build the preamp myself began with buying a PCB and parts as a kit from Conrad. That worked, but unfortunately the module was very outdated. The signal was high and strong enough, but the transistors produced a thick layer of noise. I didn’t go with the idea of using low-pass filter, because of the restrictions.

The next iteration is based on an op-amp. I discovered that a pretty common schematic can be found for using an op-amp for audio amplification. I settled for a low-noise TL071.

I like to reuse things, and keep boxes filled with electronic parts, PCBs, cables and old devices. I still have a few e-caps from the 70s and want them to start living their (second) electronic life.  Since I consider this preamp version as an iteration, they’ll do just fine. For a speedy result I decided to solder the pre-amp on a prototype board.

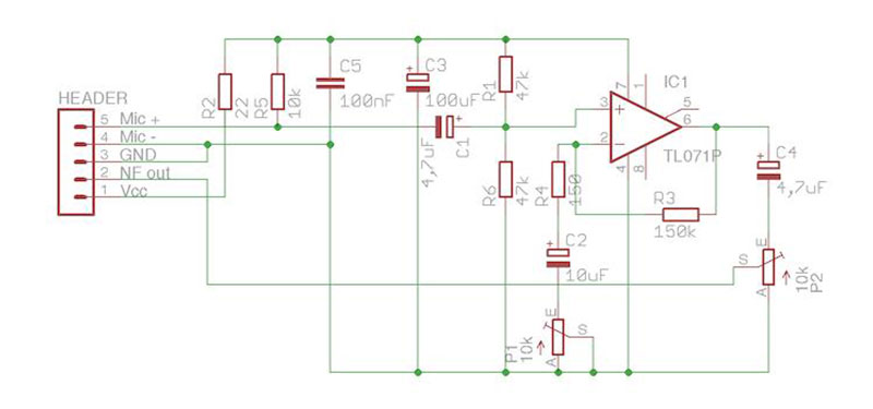
The microphone, signal output and 12V power supply are connected via a header connector. The P1 potentiometer adjusts the amplification (10..1000x), while P2 is responsible for the maximum output level (it should never surpass 1V).

Circuit Diagram

The circuit worked very well from the start (but there’s always room for improvement). The signal-to-noise ratio is significantly better than it was with the transistor solution. This preamp sufficiently reproduces the frequency spectrum of the incoming signal, and this a DIY solution built with spare parts that are cheap as a Döner in Berlin Neukölln.

 

Electret-Mic DIY Pre-Amplifier Using OPAmp

Have questions or comments? Continue the conversation on TechForum, DigiKey's online community and technical resource.