Maker.io main logo

Build an Arduino-Based Binary Stopwatch with Tinkercad

345

2022-03-08 | By Maker.io Staff

License: See Original Project

Binary clocks are a fun way of displaying time, and a binary clock will surely spark a ‎conversation when friends and family come over for a surprise visit. But instead of paying lots of ‎money for a designer clock, this article shows you how you can build a custom binary clock at ‎home using only a handful of common components. In addition, the article discusses how binary ‎clocks function and how to read them.‎

stopwatch_1

This image shows the finished product. The stopwatch uses a simple LED matrix to display the ‎time.

About This Project‎

A previous article discussed free online tools for simulating digital and analog circuits. Therefore, ‎I decided to build this project using Tinkercad Circuits, one of the free online Arduino simulation ‎programs discussed earlier. I recommend reading this article if you have never used Tinkercad ‎Circuits before. Of course, you can also build the project at home using the following physical ‎components:‎

Part/Where to Buy/Amount

How to Read a Binary Clock‎

Note that there are various ways you can design the watch face of a binary clock. However, in ‎this project, I used a six by four LED matrix, as it’s common in larger binary clocks, for example, ‎wall-mounted ones. Smaller wristwatch-style devices may use a slightly different arrangement to ‎save space. Either way, in this project, the LEDs are arranged as follows:‎

matrix_2

This picture shows an example of a binary clock. The red circles represent lit LEDs.‎

As you can see, you can divide the 6-by-4 matrix into three equal parts, each containing two ‎columns of LEDs. The leftmost part shows you the hours, the middle two columns display the ‎minutes, and the last two represent the current seconds. The left column in each section ‎represents the tens place, and the second one represents the ones place of the final number. ‎Equally, each row represents one power of two. To read the current time, look at each of the ‎three segments, starting with the hours. Add the values of each lit LED in the left row of the hour ‎section, and then multiply the result by ten. Then, add the values of the LEDs in the second ‎column to the result. Repeat this process for minutes and seconds:‎

formulas_3

Use the provided formulas to determine the time shown on the LED matrix.‎

So, in this example, the displayed time is 16:24:39, or four PM, 24 minutes, and 39 seconds. ‎Most binary clocks use the 24-hour format, sometimes also referred to as military time. However, ‎you can simplify your design and omit two LEDs if you decide to build one that only uses the 12-‎hour format.‎

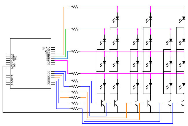
The Schematic Diagram

‎ As mentioned, this project uses a custom six by four LED matrix to display the time. Note that ‎the first column of each block doesn't have an LED for displaying an eight, as there's no need for ‎it. The following schematic explains how to connect the LEDs in the matrix:‎

schemeit_4

This image shows the schematic diagram of this project. Scheme-It link. ‎

Connect the anodes of all LEDs in one row. Then, connect the cathodes of all the LEDs in a ‎column. Next, attach each column to the collector pin of an NPN transistor. Don’t forget to add a ‎resistor to the base of each transistor. Also, note how there is only one current-limiting resistor ‎per row. In this configuration, each transistor controls one column of the matrix. This means that ‎the Arduino scans the columns of the matrix, and only a single column will be active at any time. ‎

However, the Arduino might simultaneously activate multiple lines. Therefore, adding the ‎resistors to the lines ensures that each active LED is connected to a resistor. If this weren’t the ‎case, multiple LEDs would use a single current-limiting resistor, and the brightness of the LEDs in ‎a row would vary depending on the number of lit LEDs.‎

Assembling the Project in Tinkercad Circuits

As mentioned in the introduction of this article, I used Tinkercad Circuits to assemble and ‎simulate this project. There are various reasons why I decided to do so. Utilizing the simulator ‎leads to a more visually appealing result, and the final product is easier to understand. Further, I ‎wanted to try how the simulator reacts to a more complex circuit. ‎

circuits_5

This image shows the finished build in Tinkercad Circuits. Follow this link to open the design in ‎Tinkercad Circuits.

Arduino Binary Clock Project Code

Next, copy and paste the following code into the code editor of Tinkercad Circuits:‎

Copy Code
#define SR_COL 2
#define SL_COL 3
#define MR_COL 4
#define ML_COL 5
#define HR_COL 6
#define HL_COL 7
#define ROW_1 13
#define ROW_2 12
#define ROW_3 11
#define ROW_4 10

unsigned h = 0;
unsigned m = 0;
unsigned s = 0;

unsigned long lastMillis = 0UL;

void setup()
{
pinMode(SR_COL, OUTPUT);
pinMode(SL_COL, OUTPUT);
pinMode(MR_COL, OUTPUT);
pinMode(ML_COL, OUTPUT);
pinMode(HR_COL, OUTPUT);
pinMode(HL_COL, OUTPUT);
pinMode(ROW_1, OUTPUT);
pinMode(ROW_2, OUTPUT);
pinMode(ROW_3, OUTPUT);
pinMode(ROW_4, OUTPUT);
}

void decimalToBinary(unsigned dec, unsigned *target_array)
{
unsigned index = 0;

if(dec > 9)
dec = 9;

while (dec > 0)
{
target_array[index++] = dec % 2;
dec = dec / 2;
}
}

void displayColumn(unsigned column, unsigned *bin_array)
{
digitalWrite(column, HIGH);

for(int i = 0; i < 4; i++)
digitalWrite(ROW_4 + i, bin_array[i]);

delay(2);
digitalWrite(column, LOW);
}

void displayValues(unsigned leftColumn, unsigned rightColumn, unsigned value)
{
unsigned tens = value / 10;
unsigned ones = value - (tens * 10);

unsigned tens_binary[4] = {0,0,0,0};
unsigned ones_binary[4] = {0,0,0,0};

decimalToBinary(tens, tens_binary);
decimalToBinary(ones, ones_binary);

displayColumn(leftColumn, tens_binary);
displayColumn(rightColumn, ones_binary);
}

void loop()
{
unsigned long currentMillis = millis();

if(currentMillis - lastMillis > 1000)
{
s++;

if(s >= 60)
{
m++;
s = 0;

if(m >= 60)
{
h++;
m = 0;
if(h >= 24)
h = 0;
}
}

lastMillis = currentMillis;
}

displayValues(SL_COL, SR_COL, s);
displayValues(ML_COL, MR_COL, m);
displayValues(HL_COL, HR_COL, h);
}

The setup method initializes all the pins of the Arduino used in this project. The decimalToBinary ‎function takes in a decimal number and converts it to its binary representation. It then stores the ‎result in the supplied array. A straightforward method to convert a decimal number to a binary ‎number is to divide it by two and save the remainder in an array.‎

The displayValues function displays the binary coded decimals on the clock’s LED matrix. First, ‎the method splits a given number into its digits, and then the program calls the binaryToDecimal ‎method to convert each digit into its binary representation. Then, the displayValues function calls ‎a helper method that displays each binary digit in one column of the matrix. The displayColumn ‎helper-function iterates over each bit in the binary array. It then turns on the LEDs in a given row ‎according to the bits in the array.‎

The loop method first checks whether it needs to update the hour, minute, and second variables. ‎It does that once every second. Then, the loop function calls the displayValues method three ‎times, once for the seconds, then for the minutes, and lastly for displaying the hours.‎

You can run the simulation once you paste the source code into the code editor of Tinkercad ‎Circuits. You should see that the stopwatch starts counting the seconds and eventually the ‎minutes. After a while, the clock should look similar to this:‎

run_6

Once you run the simulation, the stopwatch should start counting up.‎

Summary

Reading the time on a binary clock is simple once you know how to do it. Split the matrix into ‎three equal regions of two columns each. Each row represents a power of two. Add the values ‎represented by the lit LEDs in the first column of the section. Then, multiply the result by ten. ‎Next, add all values of the second column to the multiplication result. Repeat these steps for the ‎other two regions.‎

This project utilizes a simple LED matrix with six columns and four rows. Note that only one ‎column should be active at any time, and the Arduino can turn on multiple rows to light up more ‎than one LED. The Arduino quickly switches through all the columns to display the time. The ‎software of this project first converts the seconds, minutes, and hours from their decimal ‎representation into the binary system. Then, it displays each number one column at a time.‎

Mfr Part # A000066
ARDUINO UNO R3 ATMEGA328P BOARD
Arduino
23,46 €
View More Details
Mfr Part # QBL8S60D
LED RED DIFFUSED T-1 3/4 T/H
QT Brightek (QTB)
0,43 €
View More Details
Mfr Part # BC63916-D74Z
TRANS NPN 80V 1A TO-92-3
onsemi
0,44 €
View More Details
Mfr Part # CFM14JT680R
RES 680 OHM 5% 1/4W AXIAL
Stackpole Electronics Inc
0,08 €
View More Details
Mfr Part # CF14JT150R
RES 150 OHM 5% 1/4W AXIAL
Stackpole Electronics Inc
0,08 €
View More Details
Add all DigiKey Parts to Cart
Have questions or comments? Continue the conversation on TechForum, DigiKey's online community and technical resource.