Orders are typically delivered to France within 3 days depending on location.
Free delivery to France on orders of 50 EUR or more. A delivery charge of 18 EUR will be billed on all orders less than 50 EUR.
UPS freight pre-paid: DDP (Duty and customs paid by DigiKey)
FedEx or DHL freight pre-paid: CPT (Duty, customs, and VAT due at time of delivery)
Credit account for qualified institutions and businesses
Payment in Advance by Wire Transfer
![]()
![]()
![]()
![]()


More Products From Fully Authorized Partners
Average Time to Ship 1-3 Days, extra ship charges may apply. Please see product page, cart, and checkout for actual ship speed.
Incoterms: CPT (Duty, customs, and applicable VAT/Tax due at time of delivery)
For more information visit Help & Support
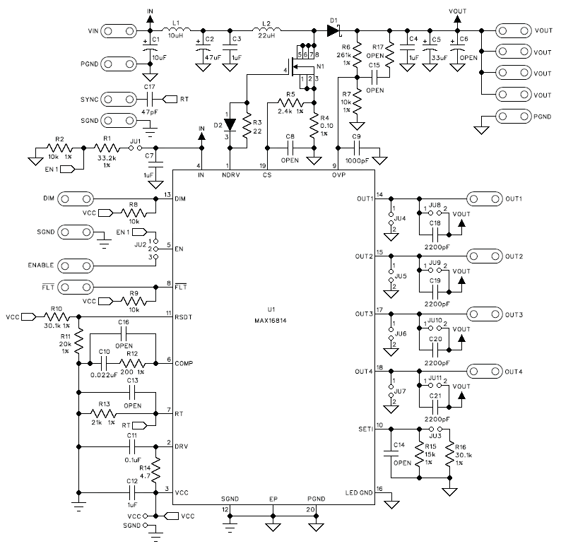
The MAX16814 evaluation kit (EV kit) demonstrates the MAX16814 high-brightness LED (HB LED) driver, integrating a step-up DC-DC pre-regulator followed by 4 channels of linear current sinks. The step-up pre-regulator switches at 350 kHz and operates as a current-mode controlled regulator capable of providing up to 600 mA for the linear circuits. Each of the 4 linear channels can operate up to 40 V and provide up to 150 mA per channel. The 4 channels are configurable for 100 mA or 150 mA HB LED output current. The IC is a 20-pin TSSOP package with an exposed pad for enhanced thermal power dissipation.
The EV kit operates from a DC supply voltage of 6.5 V up to the HB LED string forward voltage. The EV kit can withstand a 40 V load-dump condition. The EV kit also demonstrates the IC features such as adaptive voltage optimization, undervoltage lockout (UVLO), overvoltage protection (OVP), cycle-by-cycle current limit, thermal shutdown, and digital PWM dimming operation using a digital PWM input signal to control the brightness of the HB LEDs. The EV kit also demonstrates a reference IC design for automotive applications.
| Manufacturer | Analog Devices Inc./Maxim Integrated |
|---|---|
| Category | Lighting |
| Sub-Category | LED Drivers - DC In |
| Eval Board Part Number | MAX16814EVKIT+-ND |
| Eval Board Supplier | Analog Devices Inc./Maxim Integrated |
| Eval Board |
Board not Stocked
|
| Voltage In |
4.75 ~ 40 V
|
| Topology |
Step Up
|
| Current Out |
150 mA (x4)
|
| Voltage Out (Max) |
40 V (x4)
|
| Outputs and Type |
4 Non-Isolated
|
| Efficiency @ Conditions |
- Not Given
|
| Features |
Dimming Control
Fault Indication Open Circuit Protection Over Voltage Protection Short Circuit Protection Shutdown, Enable, Standby Thermal Protection |
| Switching Frequency |
200 kHz ~ 2 MHz
|
| Component Count + Extras |
37 + 19
|
| Design Author |
Maxim Integrated Products
|
| Application / Target Market |
Automotive
LCD Backlighting LCD TV / Monitor Lighting: LED Commercial Lighting Lighting: LED Home Lighting |
| Main I.C. Base Part |
MAX16814
|
| Date Created By Author | 2010-05 |
| Date Added To Library | 2014-03 |
Co-Browse
By using the Co-Browse feature, you are agreeing to allow a support representative from DigiKey to view your browser remotely. When the Co-Browse window opens, give the session ID that is located in the toolbar to the representative.
DigiKey respects your right to privacy. For more information please see our Privacy Notice and Cookie Notice.
Yes, Continue to Co-BrowseGet fast and accurate answers from DigiKey's Technicians and Experienced Engineers on our TechForum.
Please visit the Help & Support area of our website to find information regarding ordering, shipping, delivery and more.
Registered users can track orders from their account dropdown, or click here. *Order Status may take 12 hours to update after initial order is placed.
Users can begin the returns process by starting with our Returns Page.
Quotes can be created by registered users in myLists.
Visit the Registration Page and enter the required information. You will receive an email confirmation when your registration is complete.
Orders are typically delivered to France within 3 days depending on location.
Free delivery to France on orders of 50 EUR or more. A delivery charge of 18 EUR will be billed on all orders less than 50 EUR.
UPS freight pre-paid: DDP (Duty and customs paid by DigiKey)
FedEx or DHL freight pre-paid: CPT (Duty, customs, and VAT due at time of delivery)
Credit account for qualified institutions and businesses
Payment in Advance by Wire Transfer
![]()
![]()
![]()
![]()


More Products From Fully Authorized Partners
Average Time to Ship 1-3 Days, extra ship charges may apply. Please see product page, cart, and checkout for actual ship speed.
Incoterms: CPT (Duty, customs, and applicable VAT/Tax due at time of delivery)
For more information visit Help & Support
Thank you!
Keep an eye on your inbox for news and updates from DigiKey!
Please enter an email address