Orders are typically delivered to France within 3 days depending on location.
Free delivery to France on orders of $60 USD or more. A delivery charge of $22 USD will be billed on all orders less than $60 USD.
UPS freight pre-paid: DDP (Duty and customs paid by DigiKey)
FedEx or DHL freight pre-paid: CPT (Duty, customs, and VAT due at time of delivery)
Credit account for qualified institutions and businesses
Payment in Advance by Wire Transfer
![]()
![]()
![]()
![]()
![]()


More Products From Fully Authorized Partners
Average Time to Ship 1-3 Days, extra ship charges may apply. Please see product page, cart, and checkout for actual ship speed.
Incoterms: CPT (Duty, customs, and applicable VAT/Tax due at time of delivery)
For more information visit Help & Support
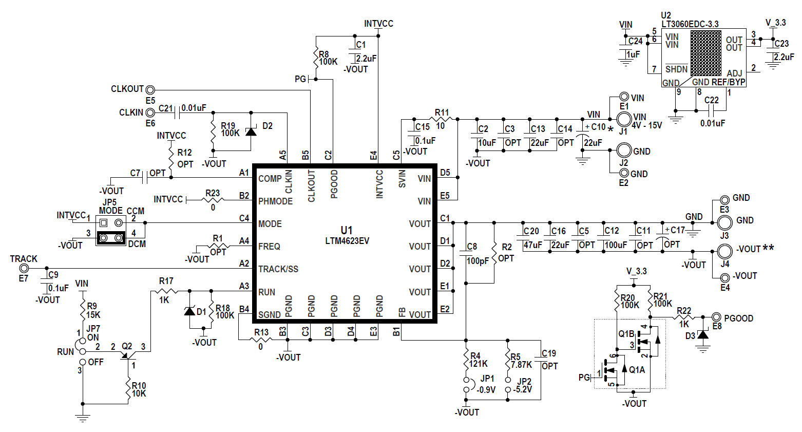
Demonstration circuit 2721A-A features the LTM4623 µModule regulator, a tiny high performance high efficiency step-down regulator configured as an inverting buck-boost regulator. The DC2721A-A has an operating input voltage range of 4V to 15V and is able to provide an output current of up to 2A. The output voltage can be programmed between -0.6V and -5.5V. The LTM4623 is a complete DC/DC point of load regulator in a thermally enhanced 6.25mm × 6.25mm × 1.82mm LGA package requiring only a few input and output capacitors.
The LTM4623 data sheet must be read in conjunction with this demo manual for working on or modifying demo circuit 2721A-A.
| Manufacturer | Analog Devices Inc. |
|---|---|
| Category | AC/DC and DC/DC Conversion |
| Sub-Category | DC/DC SMPS - Single Output |
| Eval Board Part Number | DC2721A-A-ND |
| Eval Board Supplier | Analog Devices Inc. |
| Eval Board |
Normally In Stock
|
| Topology |
Inverting
|
| Outputs and Type |
1 Non-Isolated
|
| Voltage Out: Factory Set |
-0.9V ~ -5.2V
|
| Current Out |
2 A
|
| Voltage In |
4 ~ 15 V
|
| Efficiency @ Conditions |
>86%, 12V in, -5.2V @ 0.8 ~ 2 A
>85%, 5V in, -5.2V @ 0.4 ~ 1.3 A >85%, 5V in, -3.3V @ 0.4 ~ 1.4 A >84%, 12V in, -3.3V @ 0.6 ~ 2 A >79%, 5V in, -0.9V @ 0.4 ~ 1.3 A >74%, 12V in, -0.9V @ 0.8 ~ 1.8 A |
| Voltage Out Range |
-0.6 ~ -5.5 V
|
| Features |
Light Load Mode
Over Current Protection Over Voltage Protection Power Good Output Synchronizable Thermal Protection Voltage Tracking |
| Switching Frequency |
1 MHz
|
| Standby Current [Typical] |
11 µA
|
| Quiescent Current [Typical] |
6 mA
|
| Component Count + Extras |
35 + 34
|
| Internal Switch |
Yes
|
| Design Author |
Linear Technology
|
| Application / Target Market |
Networking
Point of Load (PoL) Power: Industrial Power Servers Telecom Test and Measurement Equipment |
| Standby Current [Maximum] |
- Not Given
|
| Quiescent Current [Maximum] |
- Not Given
|
| Main I.C. Base Part |
LTM4623
|
| Date Created By Author | 2017-10 |
| Date Added To Library | 2018-04 |
Co-Browse
By using the Co-Browse feature, you are agreeing to allow a support representative from DigiKey to view your browser remotely. When the Co-Browse window opens, give the session ID that is located in the toolbar to the representative.
DigiKey respects your right to privacy. For more information please see our Privacy Notice and Cookie Notice.
Yes, Continue to Co-BrowseGet fast and accurate answers from DigiKey's Technicians and Experienced Engineers on our TechForum.
Please visit the Help & Support area of our website to find information regarding ordering, shipping, delivery and more.
Registered users can track orders from their account dropdown, or click here. *Order Status may take 12 hours to update after initial order is placed.
Users can begin the returns process by starting with our Returns Page.
Quotes can be created by registered users in myLists.
Visit the Registration Page and enter the required information. You will receive an email confirmation when your registration is complete.
Orders are typically delivered to France within 3 days depending on location.
Free delivery to France on orders of $60 USD or more. A delivery charge of $22 USD will be billed on all orders less than $60 USD.
UPS freight pre-paid: DDP (Duty and customs paid by DigiKey)
FedEx or DHL freight pre-paid: CPT (Duty, customs, and VAT due at time of delivery)
Credit account for qualified institutions and businesses
Payment in Advance by Wire Transfer
![]()
![]()
![]()
![]()
![]()


More Products From Fully Authorized Partners
Average Time to Ship 1-3 Days, extra ship charges may apply. Please see product page, cart, and checkout for actual ship speed.
Incoterms: CPT (Duty, customs, and applicable VAT/Tax due at time of delivery)
For more information visit Help & Support
Thank you!
Keep an eye on your inbox for news and updates from DigiKey!
Please enter an email address