InnoSwitch3-Pro
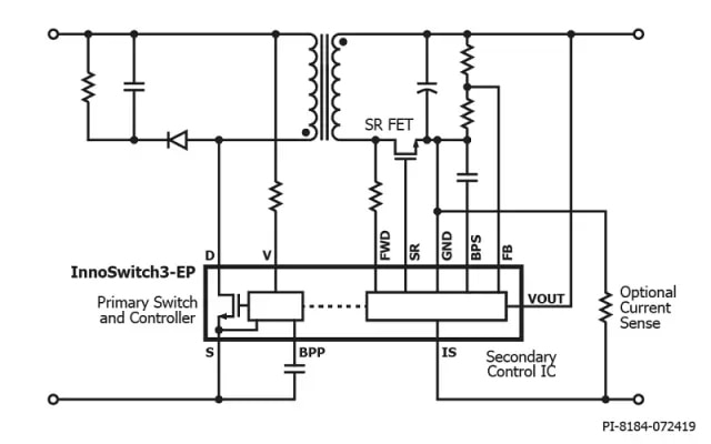
Digitally Controllable Off-Line CV/CC QR Flyback Switcher IC with Integrated High-Voltage Switch, Synchronous Rectification and FluxLink Feedback
Orders are typically delivered to France within 3 days depending on location.
Free delivery to France on orders of 50 EUR or more. A delivery charge of 18 EUR will be billed on all orders less than 50 EUR.
UPS freight pre-paid: DDP (Duty and customs paid by DigiKey)
FedEx or DHL freight pre-paid: CPT (Duty, customs, and VAT due at time of delivery)
Credit account for qualified institutions and businesses
Payment in Advance by Wire Transfer
![]()
![]()
![]()
![]()


More Products From Fully Authorized Partners
Average Time to Ship 1-3 Days, extra ship charges may apply. Please see product page, cart, and checkout for actual ship speed.
Incoterms: CPT (Duty, customs, and applicable VAT/Tax due at time of delivery)
For more information visit Help & Support
PowiGaN is Power Integrations’ internally developed gallium nitride (GaN) technology. PowiGaN switches replace the traditional silicon transistors on the primary side of PI’s highly integrated InnoSwitch3 offline flyback switcher ICs, reducing switching losses and enabling chargers, adapters and open frame power supplies that are more efficient, smaller and lighter than silicon alternatives.
Benefits
Digitally Controllable Off-Line CV/CC QR Flyback Switcher IC with Integrated High-Voltage Switch, Synchronous Rectification and FluxLink Feedback
Off-Line CV/CC QR Flyback Switcher IC with Integrated Primary-Side Switch, Synchronous Rectification, FluxLink Feedback and Constant Power Profile
Off-Line CV/CC QR Flyback Switcher IC with Integrated Primary-Side Switch, Synchronous Rectification and FluxLink Feedback
INN3679C series AC/DC, Primary and Secondary Side 1, Non-Isolated Outputs Evaluation Board
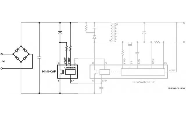
The MinE-CAP™ IC dramatically shrinks the size of input bulk capacitors without compromising output ripple, operating efficiency or requiring redesign of the transformer.
Bulk Capacitor Miniaturization and Inrush Management IC for Very High Power Density AC/DC Converters
Related Content
Related Videos
Co-Browse
By using the Co-Browse feature, you are agreeing to allow a support representative from DigiKey to view your browser remotely. When the Co-Browse window opens, give the session ID that is located in the toolbar to the representative.
DigiKey respects your right to privacy. For more information please see our Privacy Notice and Cookie Notice.
Yes, Continue to Co-BrowseGet fast and accurate answers from DigiKey's Technicians and Experienced Engineers on our TechForum.
Please visit the Help & Support area of our website to find information regarding ordering, shipping, delivery and more.
Registered users can track orders from their account dropdown, or click here. *Order Status may take 12 hours to update after initial order is placed.
Users can begin the returns process by starting with our Returns Page.
Quotes can be created by registered users in myLists.
Visit the Registration Page and enter the required information. You will receive an email confirmation when your registration is complete.
Orders are typically delivered to France within 3 days depending on location.
Free delivery to France on orders of 50 EUR or more. A delivery charge of 18 EUR will be billed on all orders less than 50 EUR.
UPS freight pre-paid: DDP (Duty and customs paid by DigiKey)
FedEx or DHL freight pre-paid: CPT (Duty, customs, and VAT due at time of delivery)
Credit account for qualified institutions and businesses
Payment in Advance by Wire Transfer
![]()
![]()
![]()
![]()


More Products From Fully Authorized Partners
Average Time to Ship 1-3 Days, extra ship charges may apply. Please see product page, cart, and checkout for actual ship speed.
Incoterms: CPT (Duty, customs, and applicable VAT/Tax due at time of delivery)
For more information visit Help & Support
Thank you!
Keep an eye on your inbox for news and updates from DigiKey!
Please enter an email address