RADAR-Based Systems Aid the Change from Smart Buildings to Homes That Care
Is the idea of living in a smart home exciting people enough for it to become really important to our lives and, perhaps more importantly, for those working in high-tech industries, a solid and sizeable market? The transition from dumb to smart buildings was always going to be slow. Lighting and heating services tend to have very long lifetimes and adding smart technologies incrementally, or integrating these with existing systems, can be difficult or impossible. Then again, a major upgrade project is always expensive and disruptive.
In workplaces or commercial buildings, smart technology upgrades can make perfect sense. These types of structures are often retrofitted, for example when a new company moves into an existing building, or as part of major reorganization or rebranding. Budgets can be shamelessly large, and a new headquarters packed with smart technologies can bring valuable corporate kudos.
In contrast, a sizeable amount of consumers can be somewhat more unwilling to spend on smart tech for the home. Some can simply be hard to persuade that it’s worth spending a substantial amount of money to save turning lights on or adjusting the thermostat themselves. In order for it to be really compelling, maybe the smart home needs to do more for us. Put simply, smart homes need to get smarter.
A smart home that provides for our personal safety could be more attractive to some homeowners, particularly the elderly or people who need to balance work commitments with caring for aging or sick family members. In all likelihood, it will be quite some time before walking and talking robots are able to take on these types of roles, so a smart home that cares could be the answer. But how can sensors detect when someone inside the home needs help?
Currently, occupancy detection remains the domain of the faithful passive infrared (PIR) sensor. These sensors have become well established over the years in security systems, and the latest models are much smaller as well as more controllable and dependable than their predecessors. Even so, PIR detectors continue to depend on movement in the surveyed scene to detect the presence of a person, and although this can work well to prevent a burglar from making off with the family silver, it is less effective if the homeowner has had an accident while alone and may be unconscious or unable to move.
Radar to the Rescue
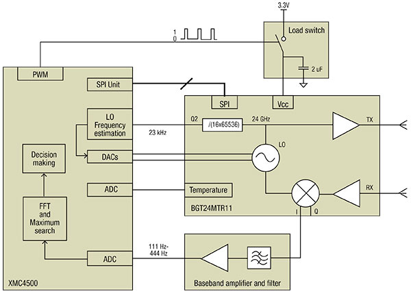
Pulsed-mode Doppler radar for indoor occupancy monitoring applications using Infineon’s XMC4500 microcontroller and BGT24MTR11 24 GHz radar transceiver IC (Image courtesy of Infineon)
DigiKey’s TechZone article Making Smart Home Sensors Tell Us More takes a look at how radar technology could offer an answer. The automotive market has driven the development of radar modules used in driver-assistance systems such as object detection and collision avoidance. The technology is now available in miniature form factors and with low power consumption, and–crucially — is now very cost effective for consumer applications.
After briefly reviewing PIR sensors, the article moves on to discuss the capabilities radar-based occupancy sensing could bring to next generation smart homes. There is also a look at the architecture of a radar-based occupancy sensor built with components currently available in the market.
A couple of the advantages of radar-based sensing are that the technology is not dependent on movement or temperature differential in order to detect occupancy. It is also has the capability to detect minute movements such as tiny gestures or even the motion of an occupant’s chest due to breathing. This ability is ideal in the event that an elderly person, for example, has fallen and has been lying still for some time and may be unable to get up. The position of the occupant can also be calculated if a pair of sensors is used. From this data, the controller has the ability to generate an alarm and provide useful information for relatives, care givers or emergency services. The information is detailed and reliable, and yet is gathered far less invasively than video surveillance, which is generally considered unacceptable in the context of in-home care.
Miniature, consumer-class radar can enable smart homes to better care for their occupants and could help improve their quality of life, making a stronger case for smart-building technologies in the residential market.
Have questions or comments? Continue the conversation on TechForum, DigiKey's online community and technical resource.
Visit TechForum

