How to Leverage the Benefits of Wire-to-Board Connectors in Ultra-Compact Designs
Contributed By DigiKey's North American Editors
2020-03-10
Wired connections comprised of wires inserted into a receptacle housing that plug into a board mounted header are popular. They offer a simple, robust, and low-cost solution for routing power and communications between individual pc boards in products used for automotive, industrial, lighting, and telecommunication applications.
But these wire-to-board connections do have some drawbacks. For example, conventional connectors are bulky and feature a tall profile, making them impractical for compact designs. Additionally, assembling the connector and cable can be tricky, slowing down mass production processes.
The introduction of ultra-compact connectors with profiles as low as 1.4 millimeters (mm), designed for compatibility with automated surface mount assembly and simplified cable construction, now addresses this problem. While these connectors are tiny, they meet the mechanical and electrical integrity demands of a reliable wired link, with features such as gold plated contacts, strain relief capabilities, and locking mechanisms that enable simple disconnection when required.
This article briefly explores the advantages of wired connections before showing how a new generation of compact connectors makes it easier to leverage these benefits in electronic products. The article then explores the anatomy of these connectors using examples from Molex to show how, while tiny, the connectors offer a high integrity signal link, and how features of the connectors and associated cables lend themselves to high-volume assembly.
Shrinking wired connections
Connectors and cables promise a simple, reliable, and inexpensive solution for power and signal transfer between multiple printed circuit boards (PCBs) housed inside a single product. But to meet this promise, these connections must be robust enough to ensure high signal integrity performance even when subject to vibration, dirt, and heat. A proven solution comes from connector maker Molex, which has developed a system comprising receptacle terminals, receptacle housings, and headers (Figure 1).
Figure 1: A wire-to-board system provides a simple, robust and high integrity connectivity solution. (Image source: Molex)
An illustration of the Molex wire-to-board system is shown in Figure 2.
Figure 2: The Molex wire-to-board system includes wire, a receptacle terminal that plugs into the receptacle housing, and a header assembly which mates with the housing. (Image source: Molex)
Conventional systems of this type—such as Molex’s Mini-Lock Wire-to-Board system—use a 2.5 mm pitch for the spacing of the connector pins. While these systems work well, the relatively wide pitch does tend to make the overall dimensions of the receptacle and headers quite large. For example, the board mounted 0534260610 6-position header measures 17.4 mm wide x 11.5 mm deep x 6.7 mm high (for a volume of 1340 mm3). The mating receptacle housing (0511020600) measures 15.5 mm wide x 9.5 mm deep x 5.8 mm high (for a volume of 850 mm3).
Recently, Molex has introduced wire-to-board systems with narrower pitches. Such products include the 2 ampere (A) current capacity, 1.5 mm (5040500691) and 1.0 mm (5037630691) Pico-Lock Systems, and the 1.2 mm (0781715006) Pico-EZmate System. The impact of the narrower pitch pins markedly reduces the overall connector dimensions (Table 1).
|
Table 1: The dimensions of the six-position headers in the Mini-Lock (0534260610), Pico-Lock (5040500691 and 5037630691), and Pico-EZmate series (0781715006). (Table source: DigiKey)
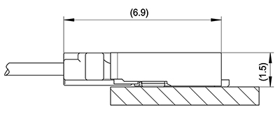
Because the connector systems take up little board area and feature a very low profile, (Figure 3), engineers can take advantage of reliable and inexpensive wire-to-board connectivity in products that were previously too small to accommodate the technology.
Figure 3: The surface mounted Pico-Lock header features a 1.5 mm profile enabling its use in compact end products. (Image source: Molex)
Key elements of wire-to-board connectors
A key element of the Molex connector system’s simplicity is the receptacle terminal. This is the component that is first crimped to the end of the wire and then inserted into the receptacle housing. Molex offers various receptacle terminals including the gold plated (5040520098) for use with 24 – 28 AWG wires and its Pico-Lock Connectors and the 0781720411 for use with 28 - 30 AWG wires and the Pico-EZmate System. The crimped connections are made with hand tools such as the 0638275700 crimper or automated crimping systems.
A connection formed with a crimped receptacle terminal (Figure 4) comprises several key parts, as follows:
- Bell mouth: This is the flare formed on the edge of the conductor crimp that acts as a funnel for the wire strands. It is important because it reduces the likelihood that a sharp edge on the receptacle terminal cuts or nicks a wire strand.
- Conductor crimp: This is the most important element of the connection and is formed by the mechanical compression of the terminal around the wire’s conductor, which creates a common electrical path with low resistance and high current carrying capabilities without the need for an additional soldering operation.
- Conductor brush: This refers to the wire strands that extend past the crimp on the contact side of the terminal (but do not encroach into the mating area of the crimped connection). This extension is important because it ensures the mechanical compression exerted during the crimping process is applied across the maximum area of the wire’s conductors.
- Insulation crimp: This is the part of the terminal that provides wire support for insertion into the housing and strain relief. It needs to hold the wire as firmly as possible without cutting through to the conductors.
Figure 4: Parts of a crimped connection formed with Molex receptacle terminals and tooling. (Image source: Molex)
A well-made crimped connection has the following characteristics (Figure 5):
- An insulation crimp that compresses the insulation without piercing
- A conductor brush that protrudes through the front of the conductor crimp section by at least the diameter of the wire's conductor
- Insulation and conductor that are visible in the area between the insulation and the conductor crimp section
- A conductor crimp section that shows a bell mouth shape in the leading and trailing ends
- Transition and mating sections that are undisturbed by the crimping process
Figure 5: The characteristics of a well-formed crimped connection include an insulation crimp that compresses the insulation without piercing it and a visible bell mouth. (Image source: Molex)
Measuring the crimp height is a quick, non-destructive way to verify the mechanical compression of the crimp around the wire’s conductor. The crimp height is defined as the distance measured from the top surface of the formed crimp to the bottom radial surface. A further visual indication of the crimp’s quality is the extrusions (or small flares) that form on the bottom of the conductor crimp resulting from the clearance between the punch and anvil tooling. If the anvil is worn or if the terminal is over-crimped, excessive extrusion results. Uneven extrusion may also occur if the punch and anvil are misaligned or if the feed adjustment is incorrect.
It is also important that the crimped receptacle terminal is mechanically aligned after assembly; misalignment of the crimped section and mating section by twisting or bending will make it impossible to insert the socket connector into the connector header.
Once successfully formed, the crimped receptacle terminals are inserted into the receptacle housing. Provided the crimped receptacle terminal is mechanically aligned, this should not be difficult, but it is important to ensure that the terminal then correctly engages with the header. The housings typically include locking mechanisms to prevent terminals from disconnecting once clipped in place should the associated wires be placed under strain. For example, the Molex 5037640601 6-position receptacle housing for Pico-Lock series terminals features a mold lance on the housing that engages with a metal lance on the receptacle terminal and prevents the receptacle from being pulled back out of the housing (Figure 6).
Figure 6: In Molex’s Pico-Lock series, a lance on the receptacle terminal mates with a mold lance on the receptacle housing to secure the receptacle in place. (Image source: Molex)
Once the receptacle terminals have been inserted into the receptacle housing, the completed cable assembly can be inserted into the board-mounted header. Again, the design of the connector system makes this relatively simple, provided the housing and header are mechanically aligned (which does require care because the connectors are so small). In the same way that the receptacle terminals are locked into the receptacle housing to prevent them coming loose, the housing and headers also include mechanisms to ensure that once the header is inserted, it can’t easily disconnect. For example, the 6-position receptacle housings for the Pico-Lock series include a friction lock and two positive locks that engage once the housing is plugged into the header (Figure 7).
Figure 7: Pico-Lock Headers include a friction lock and two positive locks to ensure robust engagement. (Image source: Molex)
Built for automated assembly
Wire-to-board systems can prove to be a challenge for manufacturers of high-volume products because conventional headers feature awkward profiles and typically employ through-hole connections to mount to the pc board. (The Molex Mini-Lock 0534260610, for example, features through-hole technology.) Such features make it impractical to use automatic placement equipment to assemble the connector on the board, forcing manufacturers to add a manual process to the line, slowing down production.
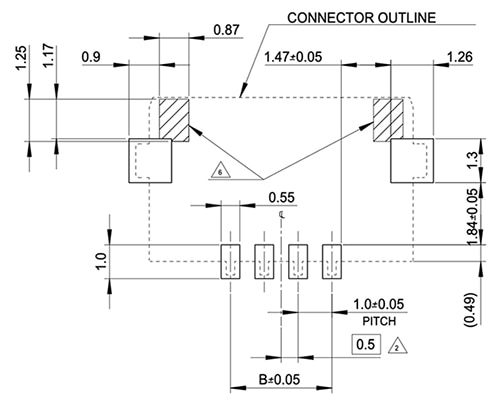
To overcome this, Molex’s Pico-EZMate and Pico-Lock (board mounted) Headers have been designed for surface mounting. The devices feature solder pads instead of through-hole connections and have been designed for packaging directly into the reels used by automatic placement machines. In addition, the headers feature flat surfaces to aid pick up from placement machine vacuum nozzles (Figures 8, 9, and 10).
Figure 8: Molex Pico-Lock and Pico-EZmate Connectors are designed for surface mounting. Shown here is the solder pad pattern for a Pico-Lock Header. (Image source: Molex)
Figure 9: Molex Pico-Lock and Pico-EZmate Connectors can be supplied in reels suitable for automatic placement machines. Shown here is the reel packaging for the Pico-Lock Header. (Image source: Molex)
Figure 10: Molex Pico-Lock and Pico-EZmate Connectors feature large flat surfaces for automatic placement machine vacuum pick-up tools. Shown here is the pick-up surface of the Pico-Lock Header. Dimension ‘A’ measures 9.8 mm for the 6-position header. (Image source: Molex)
Conclusion
Wire-to-board connector systems offer a proven and inexpensive method for routing power and signals between pc boards in automotive, industrial, lighting, and telecommunication products. However, the relatively bulky dimensions of conventional designs have prevented their use in more compact end products.
A new generation of compact wire-to-board systems now enables engineers to extend the benefits of these products to much smaller units. Provided the products are assembled to the manufacturer’s specifications, these connector systems are capable of long-term reliable service and can carry currents of up to 2 A even for connectors with the finest pin pitches.
Better yet, the board mounted headers that form part of these systems have been designed for use with the automatic placement machines common in high-volume assembly environments.
Disclaimer: The opinions, beliefs, and viewpoints expressed by the various authors and/or forum participants on this website do not necessarily reflect the opinions, beliefs, and viewpoints of DigiKey or official policies of DigiKey.




