Adapting External Power Supplies to New Level VI Specifications
Contributed By Electronic Products
2016-03-31
To comply with standards like Energy Star, generated by the environmental protection agency (EPA) and the Department of Energy (DoE), manufacturers of external power supplies (EPS) or adapters have continued to improve standby or no-load power consumption and the overall conversion efficiency of their switched-mode power supplies (SMPS) for more than two decades. Now, a new standard is expected to further raise the bar for new-generation external power supplies. The DoE has created its new Level VI specification, which is scheduled to go into effect in the U.S. in February 2016.
After this date OEMs must ensure that external power adapters accompanying their products sold in the U.S. must be compliant with the new Level VI regulations. The international efficiency marking protocol requires that compliant EPS supplies shipped after February must display Level VI marking on their product labels.
Currently, however, the U.S. and Canada require external-power adapters to meet Level IV requirements while the European Union (EU) demands such units to carry Level V markings. But experts believe that the EU and Canada will quickly follow the U.S. lead, requiring OEMs to ensure that all external power supplies are compliant with Level VI regulations.
The new standard is designed to conserve power primarily in consumer and industrial products, while medical power supplies are exempt from the new DoE regulations. According to power supply manufacturer CUI, any products approved by the U.S. Food and Drug Administration are not part of this new regulation. CUI in fact, is one of the few suppliers that is already offering Level VI-compliant EPSs.
Level VI specifications
The new Level VI specifications raise the EISA2007 active-mode and no-load efficiency requirements. They also increase the EPS output power levels to > 250 W, as well as include multiple-voltage EPS’s. In the active mode, when the adapter is supplying power to the end product, the efficiency is increased by about 5 percent under the new regulation. Likewise, at no-load, the adapter’s power consumption drops to less than 0.1 W, which is one-fifth of power consumption at Level IV. Table 1 provides no-load and dynamic-efficiency specification requirements of Level VI for a variety of external power adapters.
CUI’s Jeff Schnabel, vice president of global marketing, thinks that the Level VI is not only a tougher specification, but it is also a game changer in terms of design. Consequently, he cautions that critical components, such as power ICs and transformers, found on power supply boards must be improved in order to meet the new efficiency and no-load standards. “It requires a complete redesign of the external adapters,” says Schnabel.
| Power supply type | ≤ 1 W | 1 W to 49 W | 49 W to 250 W | ≥ 250 W | |
| Single-voltage AC-DC | No load max. | 0.1 W | 0.1 W | 0.21 W | 0.5 W |
| Dynamic efficiency (min.) | 0.5 x POUT + 0.16 | 0.071 x In(POUT) - 0.0014 x POUT + 0.67 | 0.880 | 0.875 | |
| Single-voltage AC-AC | No load max. | 0.21 W | 0.21 W | 0.21 W | 0.5 W |
| Dynamic efficiency (min.) | 0.5 x POUT + 0.16 | 0.071 x In(POUT) - 0.0014 x POUT + 0.67 | 0.880 | 0.875 | |
| Low-voltage AC-DC | No load max. | 0.1 W | 0.1 W | 0.21 W | 0.5 W |
| Dynamic efficiency (min.) | 0.517 x POUT + 0.087 | 0.0834 x In(POUT) - 0.0014 x POUT + 0.609 | 0.870 | 0.875 | |
| Low-voltage AC-AC | No load max. | 0.21 W | 0.21 W | 0.21 W | 0.5 W |
| Dynamic efficiency (min.) | 0.517 x POUT + 0.087 | 0.0834 x In(POUT) - 0.0014 x POUT + 0.609 | 0.870 | 0.875 | |
| Multiple-voltage | No load max. | 0.3 W | 0.3 W | 0.3 W | - |
| Dynamic efficiency (min.) | 0.497 x POUT + 0.067 | 0.075 x In(POUT) + 0.561 | 0.860 | - | |
Table 1: Level VI no-load and dynamic-efficiency specifications.
Circuit-design modifications
Although the new specifications do not require a fundamental change in topology, Schnabel has written an article1 that proposes modifications in circuit design. For Level VI-complaint adapters below 120 W, CUI continues to employ flyback topology, while for adapters over 120 W, the company prefers using LLC resonant topology. However, for low-voltage/high-current models, the secondary-side circuitry has changed.
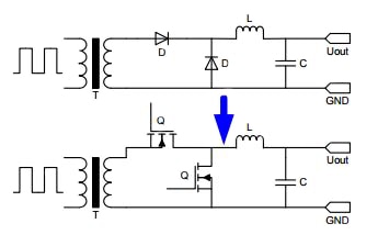
On the secondary side, to meet Level VI requirements, the manufacturer now has migrated from simple diode rectification to synchronous rectification (SR). By comparison, a diode rectifier offers higher conduction losses due to its forward voltage drop. Replacing the diode with low on-resistance MOSFETs, (Figure 1), results in much lower conduction losses and, therefore, higher overall efficiency of the converter. However, it requires an additional controller to ensure that the turn-on and turn-off of the sync and control MOSFETs is optimized to minimize switching losses.

Figure 1: In synchronous rectification, the diode rectifier is replaced with low on-resistance MOSFETs to reduce conduction losses. (Courtesy of Infineon)2
In addition, according to Schnabel’s article, to meet the higher-efficiency requirements of Level VI specifications, the main control IC has also undergone changes. To enable the AC/DC adapters to achieve higher efficiency at low and light loads, CUI designers have reduced the switching frequency to 22 kHz at light loads, which results in lower switching losses. At normal operation, the control IC uses the same standard switching frequency of 65 kHz, which is used in Level V requirements. Thus, CUI’s external adapters offer higher efficiency at light and low loads to meet the new Level VI specifications (Figure 2).

Figure 2: By using 22 kHz switching frequency at low loads, CUI’s external-power adapters offer higher efficiencies at 50 percent to 25 percent loads to meet Level VI specifications.
Furthermore, for AC/DC adapters above 90 W, power-factor correction (PFC) is required by a number of regulatory agencies. So CUI engineers have decided to disable PFC circuitry at light loads when the power is low. As per Schnabel’s paper, the company is using a control IC that disables PFC circuitry at light and no loads to minimize power consumption and improve the efficiency while satisfying the standby power limit.
In essence, CUI started adopting these changes back in late 2014. Since then, it has introduced a variety of Level VI-compliant external adapters, ranging from 5 W wall plug-in to 150 W desktop AC/DC power supplies. Higher power models are also being added. The wall plug-in adapters go from 5 W to 24 W output power with options for the U.S, European, and multi-blade configurations. For example, a 5 W universal input unit such as the SWI5-5-N-I38 offers U.S. input blades; its European counterpart is SWI5-5-E-I38. Both these versions come with a USB output (Figure3). Similar options are also available for higher power wall plug-in adapters.

Figure 3: CUI’s 5 W wall plug-in Level VI-compliant adapter with DC output in USB format. The version with the U.S. input blades is on the left while the European input blade version is on the right. (Courtesy of CUI)
In the desktop sector, the company has readied Level VI-compliant low- and medium-power adapters. At the low end, SDI12-5-UD-P5 provides 12 W output power and at the medium end ETSA360417UC-P51-WP delivers 150 W output.
To comply with current and future energy-saving standards, manufacturers like CUI will continue to adopt new techniques to cut power losses and enhance efficiency across all loads while keeping standby or no-load power at a minimum.
For more information on the parts discussed in this article, use the links provided to access product pages on the DigiKey website.
References
- “External Power Supplies and the new Level VI Specification: Evolution or a Different Species?” by Jeff Schnabel, CUI, Tualatin, OR, How2Power Today, August, 2015.
- “Optimum MOSFET Selection for Synchronous Rectification,” Application Note AN2015-05 by MoBlacher Christian and Guillemant Oliver, Infineon
Disclaimer: The opinions, beliefs, and viewpoints expressed by the various authors and/or forum participants on this website do not necessarily reflect the opinions, beliefs, and viewpoints of DigiKey or official policies of DigiKey.


