Achieving High Efficiency in Telecom Power Supplies
Contributed By DigiKey's North American Editors
2023-11-16
The telecommunications sector has become an important element of modern society and instantaneous global communication. Whether for a phone call, text message, or web command, telecom equipment ensures reliable connections. The power supply operating behind the scenes is an essential component that is rarely acknowledged.
This article focuses on the Analog Devices MAX15258, which is designed to accommodate up to two MOSFET drivers and four external MOSFETs in single-phase or dual-phase boost/inverting-buck-boost configurations. It is possible to combine two devices for triple-phase or quad-phase operation, achieving higher output power and efficiency levels.
Meeting the need of increased power demand
The power demand within the telecommunications industry has grown over time, driven by developments in technology, heightened network traffic, and the expansion of telecommunications infrastructure. The transition from third generation (3G) to fourth generation (4G) and fifth generation (5G) networks has led to advanced and high power equipment.
The deployment of 5G technology has had a significant impact on the power requirements of base stations and cell towers. Base stations, particularly those in urban areas, require higher power levels to support the increased number of antennas and radio units needed for massive MIMO (Multiple Input, Multiple Output) configurations and beamforming.
Redundancy is another crucial factor. Power supplies must be designed with redundancy in mind, often including backup power sources like batteries or generators to ensure uninterrupted operation in case of power outages.
Compared to previous generations of wireless networks, the deployment of 5G mobile technology introduces several changes to power device requirements. For 5G to deliver on its promise of reliable, high speed, and low latency communication, some criteria must be addressed.
Power amplifier requirements
- Support a broad spectrum of frequency bands, including sub-6 GHz and mmWave (millimeter wave) frequencies, which present unique challenges for signal propagation.
- Accommodate wider signal bandwidths and higher power levels, as well as providing linear amplification to prevent distortion of high-data-rate signals.
- Operate efficiently to minimize power consumption and heat generation, especially for battery-powered devices and remote small cells.
- Include a lightweight, compact form factor that can fit into small enclosures, such as small cell sites and user equipment.
- Incorporate advanced materials and technologies such as semiconductor devices made of Gallium Nitride (GaN) and Silicon Carbide (SiC) to provide increased power density, enhanced performance, and increased operating frequencies.
Power conversion requirements
For historical, practical, and technical reasons, telecom systems typically utilize a -48 VDC power supply. In the event of a grid malfunction or other emergency, telecommunications networks require dependable backup power sources. Commonly used for reserve power, lead-acid batteries can also operate at -48 VDC. Using the same voltage for both primary and backup power makes it easier to design and maintain backup systems. Additionally, lower voltages such as -48 VDC are safer for personnel working with telecom equipment, reducing the risk of electrical shock and injury.
Power supplies for telecommunications equipment must meet specific operational requirements to ensure reliability and efficiency. Here are some important specifications:
- Input voltage range: The power supply should be designed to tolerate a broad input voltage range.
- Voltage regulation: The power supply must provide a stable and regulated output voltage per the requirements of the telecom equipment.
- High efficiency: Power supplies should be highly efficient to reduce power loss and energy consumption. Efficiencies of at least 90% are typical.
- Redundancy: To ensure uninterrupted operation, power supplies frequently include redundancy features such as N+1 where an additional power supply is used. If one fails, the other can assume the burden.
- Hot-swappable: In mission-critical installations, power supplies should be hot-swappable, assuring minimal downtime during replacement or maintenance.
- High reliability: The power supply should be equipped with protection mechanisms to avert damage caused by adverse operating conditions, such as overcurrent, overvoltage, and short-circuits.
The active clamp forward converter
The active-clamp forward converter (ACFC) is a DC/DC converter configuration common in power supply systems, and it is primarily utilized for converting -48 VDC to positive voltage levels. The ACFC is a voltage conversion circuit that integrates characteristics from the forward converter and the active-clamp circuit to enhance efficiency. This technology is prevalent in power supply systems for telecommunications and data center apparatus.
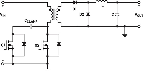
The central element of the ACFC is a transformer (Figure 1). The main winding of the transformer receives the input voltage, resulting in the induction of a voltage in the secondary winding. The output voltage of the transformer is determined by its turn ratio.
The active-clamp circuit, which incorporates supplementary semiconductor switches and a capacitor, regulates and governs the energy contained inside the leakage inductance of the transformer. When the primary switch is off, the energy stored in the leakage inductance is redirected to the clamp capacitor, thereby preventing voltage spikes. This practice mitigates the strain on the primary switch and enhances operational effectiveness. The voltage from the transformer’s secondary winding is rectified by a diode, and the output voltage is smoothed by an output filter capacitor. Finally, ACFC operates with soft switching, meaning that switching transitions are smoother and produce less noise. This results in reduced electromagnetic interference (EMI) and lower switching losses.
Figure 1: The ACFC topology. (Source: Analog Devices)
The ACFC circuit reduces voltage spikes and stress on components, leading to improved efficiency, especially at high input-to-output voltage ratios. Moreover, it can handle a wide range of input voltages, making it suitable for telecom and data center applications with varying input voltages.
Disadvantages of the active clamp circuit include the following:
- If not constrained to a maximum value, an increased duty cycle can result in transformer saturation or additional voltage stress on the main switch, necessitating the precise sizing of the clamp capacitor.
- ACFC is a single-stage DC-to-DC converter. As the power level rises, the advantages of a multiphase design for power intensive applications such as telecom will increase.
- An active clamp forward design cannot be scaled to higher output power and maintain similar performance.
Overcoming ACFC’s limits
Analog Devices’ MAX15258 is a high-voltage multi-phase boost controller with an I2C digital interface designed for telecom and industrial applications. The device features a wide input voltage range of 8 V to 76 V for boost configuration and -8 V to -76 V for inverting buck/boost configuration. The output voltage range, from 3.3 V to 60 V, covers the requirements of various applications, including telecom devices.
A typical application of this versatile IC is the power supply for a 5G macrocell or femtocell shown in Figure 2. The hot-swap feature is ensured by a negative voltage hot-swap controller, such as ADI’s ADM1073, powered by -48 VDC. The same voltage supplies the MAX15258 buck/boost converter, which is capable of providing up to 800 W of output power.
Figure 2: Block diagram of a power supply stage for 5G applications. (Source: Analog Devices)
The MAX15258 is designed to support up to two MOSFET drivers and four external MOSFETs in boost/inverting-buck-boost single-phase or dual-phase configurations. It also combines two devices for triple-phase or quad-phase operation. It has an internal high-voltage FB level shifter for differentially sensing the output voltage when configured as an inverting-buck-boost converter. Through a dedicated reference input pin or via an I2C digital interface, the output voltage can be set dynamically.
An external resistor can be used to adjust the internal oscillator, or the regulator can be synchronized with an external clock to maintain a constant switching frequency. Switching frequencies from 120 kHz to 1 MHz are supported. The controller is also protected against overcurrent, output overvoltage, input undervoltage, and thermal shutdown.
The resistor at the OVP pin designates the number of phases to the controller. This identification is used to determine how the controller responds to the primary phase's multiphase clock signal. In a quad-phase converter, the two phases of the MAX15258 controller or the target are interleaved by 180°, whereas the phase shift between the controller and target is 90° (Figure 3).
Figure 3: Quad-phase configuration - controller and target waveforms. (Source: Analog Devices)
In multiphase operations, the MAX15258 monitors the low-side MOSFET current for active phase current balancing. As feedback, the current imbalance is applied to the cycle-by-cycle current sensing circuitry to help regulate the load current. Doing so ensures equitable distribution between the two phases. Unlike forward converter designs, designers do not need to account for a possible 15% to 20% phase imbalance during the design calculation stages when using this IC.
In triple-phase or quad-phase operation, the average per-chip current is transmitted between the controller and target via dedicated differential connections. The current-mode controller and target devices regulate their respective currents so that all phases equitably share the load current.
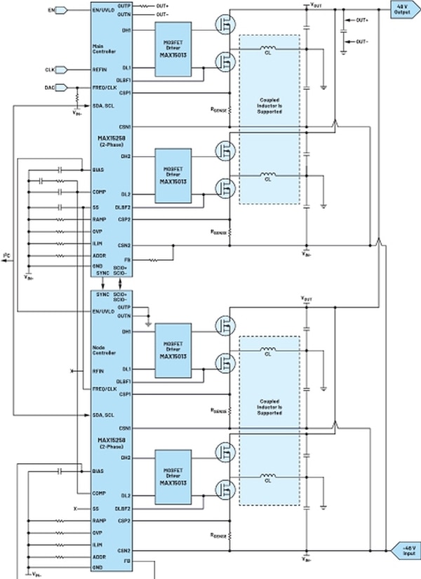
The quad-phase interleaved inverting buck-boost power supply shown in Figure 4 is suitable for applications requiring large amounts of power. The CSIO+ and CSIO– signals connect the two controllers, and the SYNC pins are connected to assure clock synchronization for the phase interleaving scheme with coordinated phases.
Figure 4: Quad-phase inverting buck-boost -48 VIN to +48 VOUT 800 W power supply. (Source: Analog Devices)
The MAX15258 is a low-frequency boost converter. This reduces the converters' primary source of power loss—switching losses. Because each converter operates in its low-loss area at low frequency, this offers high output power at a high equivalent total frequency. This makes it the go-to device for converting -48 VDC.
Operating with a stable duty cycle, it obtains a high output power with extremely high efficiency. Figure 5 shows the efficiency curves of a coupled inductor-based MAX15258 800 W reference design for various combinations of VIN and VOUT. As a result of reduced conduction losses, the plots plainly display efficiency figures more than 98%.
Figure 5: Efficiency vs. output load current of a MAX15258 CL 800 W reference design. (Source: Analog Devices)
Conclusion
Power supplies play an important role in the telecommunications industry. Due to their ability to attain high efficiency and minimize power losses, active clamp forward converters (ACFCs) are favored in telecom power supply designs. However, inherent limitations can hinder their efficacy in specific circumstances. To overcome the limitations of active clamp forward converters, a new generation of power supply technologies has emerged, offering enhanced efficiency, increased power density, and simplified control mechanisms. In the telecom industry, these novel solutions pave the way for more advanced and optimized power supplies.
Disclaimer: The opinions, beliefs, and viewpoints expressed by the various authors and/or forum participants on this website do not necessarily reflect the opinions, beliefs, and viewpoints of DigiKey or official policies of DigiKey.


