 fl
 
 
 
 
fl
 
 
 
 
 
 
 
 
 
 
This is information on a product in full production. 
October 2019 DS10184 Rev 10 1/133
STM32L051x6 STM32L051x8
Access line ultra-low-power 32-bit MCU Arm
®
-based Cortex
®
-M0+, 
up to 64 KB Flash, 8 KB SRAM, 2 KB EEPROM, ADC
Datasheet - production data
Features
•
Ultra-low-power platform
– 1.65 V to 3.6 V power supply
–
-
40 to 125 °C temperature range
– 0.27 µA Standby mode (2 wakeup pins)
– 0.4 µA Stop mode (16 wakeup lines)
– 0.8 µA Stop mode + RTC + 8-Kbyte RAM 
retention
– 88 µA/MHz in Run mode
– 3.5 µs wakeup time (from RAM)
– 5 µs wakeup time (from Flash memory)
•
Core: Arm
®
 32-bit Cortex
®
-M0+ with MPU
– From 32 kHz up to 32 MHz max. 
– 0.95 DMIPS/MHz
•
Memories
–
Up to 
64-Kbyte Flash memory with ECC
– 8-Kbyte RAM
– 2 Kbytes of data EEPROM with ECC
– 20-byte backup register
– Sector protection against R/W operation
•
Up to 51 fast I/Os (45 I/Os 5V tolerant)
•
Reset and supply management
– Ultra-safe, low-power BOR (brownout reset) 
with 5 selectable thresholds
– Ultra-low-power POR/PDR
– Programmable voltage detector (PVD)
•
Clock sources
– 1 to 25 MHz crystal oscillator
– 32 kHz oscillator for RTC with calibration
– High speed internal 16 MHz factory-trimmed RC 
(+/- 1%)
– Internal low-power 37 kHz RC
– Internal multispeed low-power 65 kHz to 
4.2 MHz RC
– PLL for CPU clock
•
Pre-programmed bootloader
– USART, SPI supported
•
Development support
– Serial wire debug supported
•
Rich Analog peripherals  
– 12-bit ADC 1.14 Msps up to 16 channels (down 
to 1.65 V)
– 2x ultra-low-power comparators (window mode 
and wake up capability, down to 1.65 V)
•
7-channel DMA controller, supporting ADC, SPI, 
I2C, USART, Timers
•
7x peripheral communication interfaces
– 2x USART (ISO 7816, IrDA), 1x UART (low 
power)
– Up to 4x SPI 16 Mbits/s
– 2x I2C (SMBus/PMBus)
•
9x timers: 1x 16-bit with up to 4 channels, 2x 16-bit 
with up to 2 channels, 1x 16-bit ultra-low-power 
timer, 1x SysTick, 1x RTC, 1x 16-bit basic, and 2x 
watchdogs (independent/window)
•
CRC calculation unit, 96-bit unique ID
•
All packages are ECOPACK2 
Table 1. Device summary
Reference Part number
STM32L051x6 STM32L051C6, STM32L051K6, 
STM32L051R6, STM32L051T6
STM32L051x8 STM32L051C8, STM32L051K8, 
STM32L051R8, STM32L051T8
UFQFPN32 
(5x5 mm)
UFQFPN48 
(7x7 mm)
LQFP32 (7x7 mm)
LQFP48 (7x7 mm)
LQFP64 (10x10 mm)
Standard and 
thin WLCSP36
(2.61x2.88 mm)
TFBGA64
(5x5 mm)
)%*$
www.st.com

Contents STM32L051x6 STM32L051x8
2/133 DS10184 Rev 10
Contents
1 Introduction  . . . . . . . . . . . . . . . . . . . . . . . . . . . . . . . . . . . . . . . . . . . . . . . . 9
2 Description . . . . . . . . . . . . . . . . . . . . . . . . . . . . . . . . . . . . . . . . . . . . . . . . 10
2.1 Device overview  . . . . . . . . . . . . . . . . . . . . . . . . . . . . . . . . . . . . . . . . . . . . .11
2.2 Ultra-low-power device continuum  . . . . . . . . . . . . . . . . . . . . . . . . . . . . . .  13
3 Functional overview  . . . . . . . . . . . . . . . . . . . . . . . . . . . . . . . . . . . . . . . . 14
3.1 Low-power modes  . . . . . . . . . . . . . . . . . . . . . . . . . . . . . . . . . . . . . . . . . .  14
3.2 Interconnect matrix . . . . . . . . . . . . . . . . . . . . . . . . . . . . . . . . . . . . . . . . . .  18
3.3 Arm® Cortex®-M0+ core with MPU  . . . . . . . . . . . . . . . . . . . . . . . . . . . . .  19
3.4 Reset and supply management  . . . . . . . . . . . . . . . . . . . . . . . . . . . . . . . .  20
3.4.1 Power supply schemes  . . . . . . . . . . . . . . . . . . . . . . . . . . . . . . . . . . . . . 20
3.4.2 Power supply supervisor  . . . . . . . . . . . . . . . . . . . . . . . . . . . . . . . . . . . . 20
3.4.3 Voltage regulator  . . . . . . . . . . . . . . . . . . . . . . . . . . . . . . . . . . . . . . . . . . 21
3.5 Clock management   . . . . . . . . . . . . . . . . . . . . . . . . . . . . . . . . . . . . . . . . .  21
3.6 Low-power real-time clock and backup registers  . . . . . . . . . . . . . . . . . . .  24
3.7 General-purpose inputs/outputs (GPIOs) . . . . . . . . . . . . . . . . . . . . . . . . .  24
3.8 Memories  . . . . . . . . . . . . . . . . . . . . . . . . . . . . . . . . . . . . . . . . . . . . . . . . .  25
3.9 Boot modes   . . . . . . . . . . . . . . . . . . . . . . . . . . . . . . . . . . . . . . . . . . . . . . .  25
3.10 Direct memory access (DMA)   . . . . . . . . . . . . . . . . . . . . . . . . . . . . . . . . .  26
3.11 Analog-to-digital converter (ADC)   . . . . . . . . . . . . . . . . . . . . . . . . . . . . . .  26
3.12 Temperature sensor  . . . . . . . . . . . . . . . . . . . . . . . . . . . . . . . . . . . . . . . . .  26
3.12.1 Internal voltage reference (VREFINT)  . . . . . . . . . . . . . . . . . . . . . . . . . . . 27
3.13 Ultra-low-power comparators and reference voltage  . . . . . . . . . . . . . . . .  27
3.14 System configuration controller  . . . . . . . . . . . . . . . . . . . . . . . . . . . . . . . .  28
3.15 Timers and watchdogs  . . . . . . . . . . . . . . . . . . . . . . . . . . . . . . . . . . . . . . .  28
3.15.1 General-purpose timers (TIM2, TIM21 and TIM22)  . . . . . . . . . . . . . . . . 28
3.15.2 Low-power Timer (LPTIM)  . . . . . . . . . . . . . . . . . . . . . . . . . . . . . . . . . . . 29
3.15.3 Basic timer (TIM6)  . . . . . . . . . . . . . . . . . . . . . . . . . . . . . . . . . . . . . . . . . 29
3.15.4 SysTick timer  . . . . . . . . . . . . . . . . . . . . . . . . . . . . . . . . . . . . . . . . . . . . . 29
3.15.5 Independent watchdog (IWDG)  . . . . . . . . . . . . . . . . . . . . . . . . . . . . . . . 29
3.15.6 Window watchdog (WWDG)   . . . . . . . . . . . . . . . . . . . . . . . . . . . . . . . . . 29

DS10184 Rev 10 3/133
STM32L051x6 STM32L051x8 Contents
4
3.16 Communication interfaces  . . . . . . . . . . . . . . . . . . . . . . . . . . . . . . . . . . . .  30
3.16.1 I2C bus   . . . . . . . . . . . . . . . . . . . . . . . . . . . . . . . . . . . . . . . . . . . . . . . . . 30
3.16.2 Universal synchronous/asynchronous receiver transmitter (USART)  . . 31
3.16.3 Low-power universal asynchronous receiver transmitter (LPUART)  . . . 31
3.16.4 Serial peripheral interface (SPI)/Inter-integrated sound (I2S)  . . . . . . . . 32
3.17 Cyclic redundancy check (CRC) calculation unit  . . . . . . . . . . . . . . . . . . .  32
3.18 Serial wire debug port (SW-DP)  . . . . . . . . . . . . . . . . . . . . . . . . . . . . . . . .  32
4 Pin descriptions   . . . . . . . . . . . . . . . . . . . . . . . . . . . . . . . . . . . . . . . . . . . 33
5 Memory mapping . . . . . . . . . . . . . . . . . . . . . . . . . . . . . . . . . . . . . . . . . . . 45
6 Electrical characteristics   . . . . . . . . . . . . . . . . . . . . . . . . . . . . . . . . . . . . 46
6.1 Parameter conditions  . . . . . . . . . . . . . . . . . . . . . . . . . . . . . . . . . . . . . . . .  46
6.1.1 Minimum and maximum values  . . . . . . . . . . . . . . . . . . . . . . . . . . . . . . . 46
6.1.2 Typical values   . . . . . . . . . . . . . . . . . . . . . . . . . . . . . . . . . . . . . . . . . . . . 46
6.1.3 Typical curves   . . . . . . . . . . . . . . . . . . . . . . . . . . . . . . . . . . . . . . . . . . . . 46
6.1.4 Loading capacitor   . . . . . . . . . . . . . . . . . . . . . . . . . . . . . . . . . . . . . . . . . 46
6.1.5 Pin input voltage   . . . . . . . . . . . . . . . . . . . . . . . . . . . . . . . . . . . . . . . . . . 46
6.1.6 Power supply scheme  . . . . . . . . . . . . . . . . . . . . . . . . . . . . . . . . . . . . . . 47
6.1.7 Current consumption measurement   . . . . . . . . . . . . . . . . . . . . . . . . . . . 47
6.2 Absolute maximum ratings . . . . . . . . . . . . . . . . . . . . . . . . . . . . . . . . . . . .  48
6.3 Operating conditions   . . . . . . . . . . . . . . . . . . . . . . . . . . . . . . . . . . . . . . . .  50
6.3.1 General operating conditions . . . . . . . . . . . . . . . . . . . . . . . . . . . . . . . . . 50
6.3.2 Embedded reset and power control block characteristics  . . . . . . . . . . . 52
6.3.3 Embedded internal reference voltage  . . . . . . . . . . . . . . . . . . . . . . . . . . 53
6.3.4 Supply current characteristics  . . . . . . . . . . . . . . . . . . . . . . . . . . . . . . . . 54
6.3.5 Wakeup time from low-power mode   . . . . . . . . . . . . . . . . . . . . . . . . . . . 65
6.3.6 External clock source characteristics . . . . . . . . . . . . . . . . . . . . . . . . . . . 66
6.3.7 Internal clock source characteristics  . . . . . . . . . . . . . . . . . . . . . . . . . . . 70
6.3.8 PLL characteristics   . . . . . . . . . . . . . . . . . . . . . . . . . . . . . . . . . . . . . . . . 73
6.3.9 Memory characteristics  . . . . . . . . . . . . . . . . . . . . . . . . . . . . . . . . . . . . . 74
6.3.10 EMC characteristics . . . . . . . . . . . . . . . . . . . . . . . . . . . . . . . . . . . . . . . . 75
6.3.11 Electrical sensitivity characteristics  . . . . . . . . . . . . . . . . . . . . . . . . . . . . 77
6.3.12 I/O current injection characteristics  . . . . . . . . . . . . . . . . . . . . . . . . . . . . 78
6.3.13 I/O port characteristics . . . . . . . . . . . . . . . . . . . . . . . . . . . . . . . . . . . . . . 79
6.3.14 NRST pin characteristics  . . . . . . . . . . . . . . . . . . . . . . . . . . . . . . . . . . . . 83

Contents STM32L051x6 STM32L051x8
4/133 DS10184 Rev 10
6.3.15 12-bit ADC characteristics  . . . . . . . . . . . . . . . . . . . . . . . . . . . . . . . . . . . 84
6.3.16 Temperature sensor characteristics . . . . . . . . . . . . . . . . . . . . . . . . . . . . 89
6.3.17 Comparators   . . . . . . . . . . . . . . . . . . . . . . . . . . . . . . . . . . . . . . . . . . . . . 90
6.3.18 Timer characteristics  . . . . . . . . . . . . . . . . . . . . . . . . . . . . . . . . . . . . . . . 91
6.3.19 Communications interfaces  . . . . . . . . . . . . . . . . . . . . . . . . . . . . . . . . . . 91
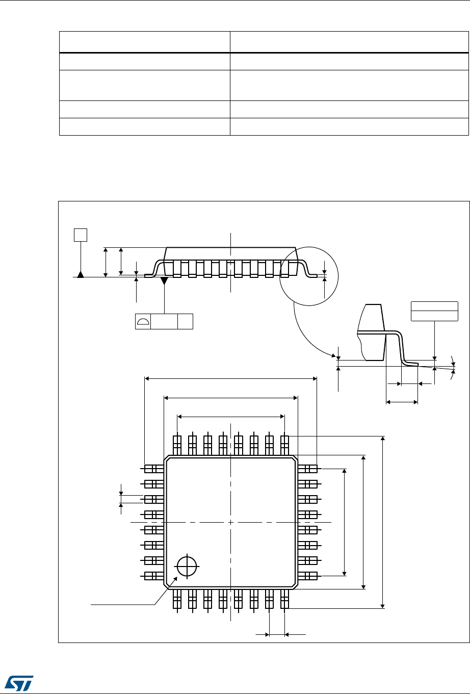
7 Package information . . . . . . . . . . . . . . . . . . . . . . . . . . . . . . . . . . . . . . . 100
7.1 LQFP64 package information . . . . . . . . . . . . . . . . . . . . . . . . . . . . . . . . .  100
7.2 TFBGA64 package information  . . . . . . . . . . . . . . . . . . . . . . . . . . . . . . .  104
7.3 LQFP48 package information . . . . . . . . . . . . . . . . . . . . . . . . . . . . . . . . .  107
7.4 UFQFPN48 package information  . . . . . . . . . . . . . . . . . . . . . . . . . . . . . . .110
7.5 Standard WLCSP36 package information  . . . . . . . . . . . . . . . . . . . . . . . .112
7.6 Thin WLCSP36 package information  . . . . . . . . . . . . . . . . . . . . . . . . . . . .115
7.7 LQFP32 package information . . . . . . . . . . . . . . . . . . . . . . . . . . . . . . . . . .117
7.8 UFQFPN32 package information  . . . . . . . . . . . . . . . . . . . . . . . . . . . . . .  120
7.9 Thermal characteristics   . . . . . . . . . . . . . . . . . . . . . . . . . . . . . . . . . . . . .  123
7.9.1 Reference document  . . . . . . . . . . . . . . . . . . . . . . . . . . . . . . . . . . . . . . 124
8 Ordering information   . . . . . . . . . . . . . . . . . . . . . . . . . . . . . . . . . . . . . . 125
9 Revision history   . . . . . . . . . . . . . . . . . . . . . . . . . . . . . . . . . . . . . . . . . . 126

DS10184 Rev 10 5/133
STM32L051x6 STM32L051x8 List of tables
6
List of tables
Table 1. Device summary . . . . . . . . . . . . . . . . . . . . . . . . . . . . . . . . . . . . . . . . . . . . . . . . . . . . . . . . . . 1
Table 2. Ultra-low-power STM32L051x6/x8 device features and peripheral counts. . . . . . . . . . . . . 11
Table 3. Functionalities depending on the operating power supply range . . . . . . . . . . . . . . . . . . . . 15
Table 5. Functionalities depending on the working mode 
(from Run/active down to standby)   . . . . . . . . . . . . . . . . . . . . . . . . . . . . . . . . . . . . . . . . . . 16
Table 4. CPU frequency range depending on dynamic voltage scaling . . . . . . . . . . . . . . . . . . . . . . 16
Table 6. STM32L0xx peripherals interconnect matrix  . . . . . . . . . . . . . . . . . . . . . . . . . . . . . . . . . . . 18
Table 7. Temperature sensor calibration values. . . . . . . . . . . . . . . . . . . . . . . . . . . . . . . . . . . . . . . . 27
Table 8. Internal voltage reference measured values. . . . . . . . . . . . . . . . . . . . . . . . . . . . . . . . . . . . 27
Table 9. Timer feature comparison. . . . . . . . . . . . . . . . . . . . . . . . . . . . . . . . . . . . . . . . . . . . . . . . . . 28
Table 10. Comparison of I2C analog and digital filters . . . . . . . . . . . . . . . . . . . . . . . . . . . . . . . . . . . . 30
Table 11. STM32L051x6/8 I2C implementation . . . . . . . . . . . . . . . . . . . . . . . . . . . . . . . . . . . . . . . . . 30
Table 12. USART implementation  . . . . . . . . . . . . . . . . . . . . . . . . . . . . . . . . . . . . . . . . . . . . . . . . . . . 31
Table 13. SPI/I2S implementation  . . . . . . . . . . . . . . . . . . . . . . . . . . . . . . . . . . . . . . . . . . . . . . . . . . . 32
Table 14. Legend/abbreviations used in the pinout table . . . . . . . . . . . . . . . . . . . . . . . . . . . . . . . . . . 37
Table 15. STM32L051x6/8 pin definitions  . . . . . . . . . . . . . . . . . . . . . . . . . . . . . . . . . . . . . . . . . . . . . 38
Table 16. Alternate function port A . . . . . . . . . . . . . . . . . . . . . . . . . . . . . . . . . . . . . . . . . . . . . . . . . . . 43
Table 17. Alternate function port B . . . . . . . . . . . . . . . . . . . . . . . . . . . . . . . . . . . . . . . . . . . . . . . . . . . 44
Table 18. Voltage characteristics . . . . . . . . . . . . . . . . . . . . . . . . . . . . . . . . . . . . . . . . . . . . . . . . . . . . 48
Table 19. Current characteristics  . . . . . . . . . . . . . . . . . . . . . . . . . . . . . . . . . . . . . . . . . . . . . . . . . . . . 49
Table 20. Thermal characteristics. . . . . . . . . . . . . . . . . . . . . . . . . . . . . . . . . . . . . . . . . . . . . . . . . . . . 49
Table 21. General operating conditions  . . . . . . . . . . . . . . . . . . . . . . . . . . . . . . . . . . . . . . . . . . . . . . . 50
Table 22. Embedded reset and power control block characteristics. . . . . . . . . . . . . . . . . . . . . . . . . . 52
Table 23. Embedded internal reference voltage calibration values  . . . . . . . . . . . . . . . . . . . . . . . . . . 53
Table 24. Embedded internal reference voltage . . . . . . . . . . . . . . . . . . . . . . . . . . . . . . . . . . . . . . . . . 53
Table 25. Current consumption in Run mode, code with data processing running from Flash. . . . . . 55
Table 26. Current consumption in Run mode vs code type,  
code with data processing running from Flash . . . . . . . . . . . . . . . . . . . . . . . . . . . . . . . . . . 55
Table 27. Current consumption in Run mode, code with data processing running from RAM . . . . . . 57
Table 28. Current consumption in Run mode vs code type,  
code with data processing running from RAM  . . . . . . . . . . . . . . . . . . . . . . . . . . . . . . . . . . 57
Table 29. Current consumption in Sleep mode  . . . . . . . . . . . . . . . . . . . . . . . . . . . . . . . . . . . . . . . . . 58
Table 30. Current consumption in Low-power run mode  . . . . . . . . . . . . . . . . . . . . . . . . . . . . . . . . . . 59
Table 31. Current consumption in Low-power sleep mode  . . . . . . . . . . . . . . . . . . . . . . . . . . . . . . . . 60
Table 32. Typical and maximum current consumptions in Stop mode . . . . . . . . . . . . . . . . . . . . . . . . 61
Table 33. Typical and maximum current consumptions in Standby mode . . . . . . . . . . . . . . . . . . . . . 62
Table 34. Average current consumption during Wakeup . . . . . . . . . . . . . . . . . . . . . . . . . . . . . . . . . . 62
Table 35. Peripheral current consumption in Run or Sleep mode  . . . . . . . . . . . . . . . . . . . . . . . . . . . 63
Table 36. Peripheral current consumption in Stop and Standby mode  . . . . . . . . . . . . . . . . . . . . . . . 64
Table 37. Low-power mode wakeup timings  . . . . . . . . . . . . . . . . . . . . . . . . . . . . . . . . . . . . . . . . . . . 65
Table 38. High-speed external user clock characteristics. . . . . . . . . . . . . . . . . . . . . . . . . . . . . . . . . . 66
Table 39. Low-speed external user clock characteristics . . . . . . . . . . . . . . . . . . . . . . . . . . . . . . . . . . 67
Table 40. HSE oscillator characteristics . . . . . . . . . . . . . . . . . . . . . . . . . . . . . . . . . . . . . . . . . . . . . . . 68
Table 41. LSE oscillator characteristics . . . . . . . . . . . . . . . . . . . . . . . . . . . . . . . . . . . . . . . . . . . . . . . 69
Table 42. 16 MHz HSI16 oscillator characteristics . . . . . . . . . . . . . . . . . . . . . . . . . . . . . . . . . . . . . . . 70
Table 43. LSI oscillator characteristics . . . . . . . . . . . . . . . . . . . . . . . . . . . . . . . . . . . . . . . . . . . . . . . . 71
Table 44. MSI oscillator characteristics  . . . . . . . . . . . . . . . . . . . . . . . . . . . . . . . . . . . . . . . . . . . . . . . 71
Table 45. PLL characteristics . . . . . . . . . . . . . . . . . . . . . . . . . . . . . . . . . . . . . . . . . . . . . . . . . . . . . . . 73

List of tables STM32L051x6 STM32L051x8
6/133 DS10184 Rev 10
Table 46. RAM and hardware registers  . . . . . . . . . . . . . . . . . . . . . . . . . . . . . . . . . . . . . . . . . . . . . . . 74
Table 47. Flash memory and data EEPROM characteristics . . . . . . . . . . . . . . . . . . . . . . . . . . . . . . . 74
Table 48. Flash memory and data EEPROM endurance and retention . . . . . . . . . . . . . . . . . . . . . . . 74
Table 49. EMS characteristics  . . . . . . . . . . . . . . . . . . . . . . . . . . . . . . . . . . . . . . . . . . . . . . . . . . . . . . 75
Table 50. EMI characteristics . . . . . . . . . . . . . . . . . . . . . . . . . . . . . . . . . . . . . . . . . . . . . . . . . . . . . . . 76
Table 51. ESD absolute maximum ratings . . . . . . . . . . . . . . . . . . . . . . . . . . . . . . . . . . . . . . . . . . . . . 77
Table 52. Electrical sensitivities  . . . . . . . . . . . . . . . . . . . . . . . . . . . . . . . . . . . . . . . . . . . . . . . . . . . . . 77
Table 53. I/O current injection susceptibility . . . . . . . . . . . . . . . . . . . . . . . . . . . . . . . . . . . . . . . . . . . . 78
Table 54. I/O static characteristics . . . . . . . . . . . . . . . . . . . . . . . . . . . . . . . . . . . . . . . . . . . . . . . . . . . 79
Table 55. Output voltage characteristics  . . . . . . . . . . . . . . . . . . . . . . . . . . . . . . . . . . . . . . . . . . . . . . 81
Table 56. I/O AC characteristics . . . . . . . . . . . . . . . . . . . . . . . . . . . . . . . . . . . . . . . . . . . . . . . . . . . . . 82
Table 57. NRST pin characteristics  . . . . . . . . . . . . . . . . . . . . . . . . . . . . . . . . . . . . . . . . . . . . . . . . . . 83
Table 58. ADC characteristics  . . . . . . . . . . . . . . . . . . . . . . . . . . . . . . . . . . . . . . . . . . . . . . . . . . . . . . 84
Table 59. RAIN max for fADC = 16 MHz . . . . . . . . . . . . . . . . . . . . . . . . . . . . . . . . . . . . . . . . . . . . . . . . 86
Table 60. ADC accuracy . . . . . . . . . . . . . . . . . . . . . . . . . . . . . . . . . . . . . . . . . . . . . . . . . . . . . . . . . . . 86
Table 61. Temperature sensor calibration values. . . . . . . . . . . . . . . . . . . . . . . . . . . . . . . . . . . . . . . . 89
Table 62. Temperature sensor characteristics . . . . . . . . . . . . . . . . . . . . . . . . . . . . . . . . . . . . . . . . . . 89
Table 63. Comparator 1 characteristics  . . . . . . . . . . . . . . . . . . . . . . . . . . . . . . . . . . . . . . . . . . . . . . . 90
Table 64. Comparator 2 characteristics  . . . . . . . . . . . . . . . . . . . . . . . . . . . . . . . . . . . . . . . . . . . . . . . 90
Table 65. TIMx characteristics  . . . . . . . . . . . . . . . . . . . . . . . . . . . . . . . . . . . . . . . . . . . . . . . . . . . . . . 91
Table 66. I2C analog filter characteristics. . . . . . . . . . . . . . . . . . . . . . . . . . . . . . . . . . . . . . . . . . . . . . 92
Table 67. SPI characteristics in voltage Range 1   . . . . . . . . . . . . . . . . . . . . . . . . . . . . . . . . . . . . . . . 92
Table 68. SPI characteristics in voltage Range 2   . . . . . . . . . . . . . . . . . . . . . . . . . . . . . . . . . . . . . . . 94
Table 69. SPI characteristics in voltage Range 3   . . . . . . . . . . . . . . . . . . . . . . . . . . . . . . . . . . . . . . . 95
Table 70. I2S characteristics  . . . . . . . . . . . . . . . . . . . . . . . . . . . . . . . . . . . . . . . . . . . . . . . . . . . . . . . 98
Table 71. LQFP64 - 64-pin, 10 x 10 mm low-profile quad flat  
package mechanical data . . . . . . . . . . . . . . . . . . . . . . . . . . . . . . . . . . . . . . . . . . . . . . . . . 101
Table 72. TFBGA64 – 64-ball, 5 x 5 mm, 0.5 mm pitch thin profile fine pitch ball grid 
array package outline . . . . . . . . . . . . . . . . . . . . . . . . . . . . . . . . . . . . . . . . . . . . . . . . . . . . 104
Table 73. TFBGA64 recommended PCB design rules (0.5 mm pitch BGA). . . . . . . . . . . . . . . . . . . 105
Table 74. LQFP48 - 48-pin, 7 x 7 mm low-profile quad flat package mechanical data. . . . . . . . . . . 108
Table 75. UFQFPN48 - 48 leads, 7x7 mm, 0.5 mm pitch, ultra thin fine pitch quad flat  
package mechanical data . . . . . . . . . . . . . . . . . . . . . . . . . . . . . . . . . . . . . . . . . . . . . . . . . 111
Table 76. Standard WLCSP36 - 2.61 x 2.88 mm, 0.4 mm pitch wafer level chip scale 
mechanical data . . . . . . . . . . . . . . . . . . . . . . . . . . . . . . . . . . . . . . . . . . . . . . . . . . . . . . . . 112
Table 77. Standard WLCSP36 recommended PCB design rules. . . . . . . . . . . . . . . . . . . . . . . . . . . 113
Table 78. Thin WLCSP36 - 2.61 x 2.88 mm, 0.4 mm pitch wafer level chip scale 
package mechanical data . . . . . . . . . . . . . . . . . . . . . . . . . . . . . . . . . . . . . . . . . . . . . . . . . 116
Table 79. WLCSP36 recommended PCB design rules  . . . . . . . . . . . . . . . . . . . . . . . . . . . . . . . . . . 117
Table 80. LQFP32 - 32-pin, 7 x 7 mm low-profile quad flat package mechanical data. . . . . . . . . . . 118
Table 81. UFQFPN32 - 32-pin, 5x5 mm, 0.5 mm pitch ultra thin fine pitch quad flat  
package mechanical data . . . . . . . . . . . . . . . . . . . . . . . . . . . . . . . . . . . . . . . . . . . . . . . . . 121
Table 82. Thermal characteristics. . . . . . . . . . . . . . . . . . . . . . . . . . . . . . . . . . . . . . . . . . . . . . . . . . . 123
Table 83. Document revision history  . . . . . . . . . . . . . . . . . . . . . . . . . . . . . . . . . . . . . . . . . . . . . . . . 126

DS10184 Rev 10 7/133
STM32L051x6 STM32L051x8 List of figures
8
List of figures
Figure 1. STM32L051x6/8 block diagram  . . . . . . . . . . . . . . . . . . . . . . . . . . . . . . . . . . . . . . . . . . . . . 12
Figure 2. Clock tree   . . . . . . . . . . . . . . . . . . . . . . . . . . . . . . . . . . . . . . . . . . . . . . . . . . . . . . . . . . . . . 23
Figure 3. STM32L051x6/8 LQFP64 pinout  . . . . . . . . . . . . . . . . . . . . . . . . . . . . . . . . . . . . . . . . . . . . 33
Figure 4. STM32L051x6/8 TFBGA64 ballout  . . . . . . . . . . . . . . . . . . . . . . . . . . . . . . . . . . . . . . . . . . 34
Figure 5. STM32L051x6/8 LQFP48 pinout  . . . . . . . . . . . . . . . . . . . . . . . . . . . . . . . . . . . . . . . . . . . . 35
Figure 6. STM32L051x6/8 UFQFPN48 . . . . . . . . . . . . . . . . . . . . . . . . . . . . . . . . . . . . . . . . . . . . . . . 35
Figure 7. STM32L051x6/8 WLCSP36 ballout  . . . . . . . . . . . . . . . . . . . . . . . . . . . . . . . . . . . . . . . . . . 36
Figure 8. STM32L051x6/8 LQFP32 pinout  . . . . . . . . . . . . . . . . . . . . . . . . . . . . . . . . . . . . . . . . . . . . 36
Figure 9. STM32L051x6/8 UFQFPN32 pinout   . . . . . . . . . . . . . . . . . . . . . . . . . . . . . . . . . . . . . . . . . 37
Figure 10. Pin loading conditions . . . . . . . . . . . . . . . . . . . . . . . . . . . . . . . . . . . . . . . . . . . . . . . . . . . . . 46
Figure 11. Pin input voltage . . . . . . . . . . . . . . . . . . . . . . . . . . . . . . . . . . . . . . . . . . . . . . . . . . . . . . . . . 46
Figure 12. Power supply scheme  . . . . . . . . . . . . . . . . . . . . . . . . . . . . . . . . . . . . . . . . . . . . . . . . . . . . 47
Figure 13. Current consumption measurement scheme . . . . . . . . . . . . . . . . . . . . . . . . . . . . . . . . . . . 47
Figure 14. IDD vs VDD, at TA= 25/55/85/105 °C, Run mode, code running from  
Flash memory, Range 2, HSE, 1WS  . . . . . . . . . . . . . . . . . . . . . . . . . . . . . . . . . . . . . . . . . 56
Figure 15. IDD vs VDD, at TA= 25/55/85/105 °C, Run mode, code running from  
Flash memory, Range 2, HSI16, 1WS . . . . . . . . . . . . . . . . . . . . . . . . . . . . . . . . . . . . . . . . 56
Figure 16. IDD vs VDD, at TA= 25/55/ 85/105/125 °C, Low-power run mode, code running 
from RAM, Range 3, MSI (Range 0) at 64 KHz, 0 WS   . . . . . . . . . . . . . . . . . . . . . . . . . . . 60
Figure 17. IDD vs VDD, at TA= 25/55/ 85/105/125 °C, Stop mode with RTC enabled  
and running on LSE Low drive . . . . . . . . . . . . . . . . . . . . . . . . . . . . . . . . . . . . . . . . . . . . . . 61
Figure 18. IDD vs VDD, at TA= 25/55/85/105/125 °C, Stop mode with RTC disabled,  
all clocks OFF   . . . . . . . . . . . . . . . . . . . . . . . . . . . . . . . . . . . . . . . . . . . . . . . . . . . . . . . . . . 61
Figure 19. High-speed external clock source AC timing diagram  . . . . . . . . . . . . . . . . . . . . . . . . . . . . 66
Figure 20. Low-speed external clock source AC timing diagram . . . . . . . . . . . . . . . . . . . . . . . . . . . . . 67
Figure 21. HSE oscillator circuit diagram . . . . . . . . . . . . . . . . . . . . . . . . . . . . . . . . . . . . . . . . . . . . . . . 68
Figure 22. Typical application with a 32.768 kHz crystal . . . . . . . . . . . . . . . . . . . . . . . . . . . . . . . . . . . 69
Figure 23. HSI16 minimum and maximum value versus temperature . . . . . . . . . . . . . . . . . . . . . . . . . 71
Figure 24. VIH/VIL versus VDD (CMOS I/Os) . . . . . . . . . . . . . . . . . . . . . . . . . . . . . . . . . . . . . . . . . . . 80
Figure 25. VIH/VIL versus VDD (TTL I/Os) . . . . . . . . . . . . . . . . . . . . . . . . . . . . . . . . . . . . . . . . . . . . . 80
Figure 26. I/O AC characteristics definition . . . . . . . . . . . . . . . . . . . . . . . . . . . . . . . . . . . . . . . . . . . . . 83
Figure 27. Recommended NRST pin protection  . . . . . . . . . . . . . . . . . . . . . . . . . . . . . . . . . . . . . . . . . 84
Figure 28. ADC accuracy characteristics. . . . . . . . . . . . . . . . . . . . . . . . . . . . . . . . . . . . . . . . . . . . . . . 87
Figure 29. Typical connection diagram using the ADC . . . . . . . . . . . . . . . . . . . . . . . . . . . . . . . . . . . . 88
Figure 30. Power supply and reference decoupling (VREF+ not connected to VDDA)  . . . . . . . . . . . . . 88
Figure 31. Power supply and reference decoupling (VREF+ connected to VDDA). . . . . . . . . . . . . . . . . 89
Figure 32. SPI timing diagram - slave mode and CPHA = 0 . . . . . . . . . . . . . . . . . . . . . . . . . . . . . . . . 96
Figure 33. SPI timing diagram - slave mode and CPHA = 1(1)  . . . . . . . . . . . . . . . . . . . . . . . . . . . . . . 96
Figure 34. SPI timing diagram - master mode(1) . . . . . . . . . . . . . . . . . . . . . . . . . . . . . . . . . . . . . . . . . 97
Figure 35. I2S slave timing diagram (Philips protocol)(1) . . . . . . . . . . . . . . . . . . . . . . . . . . . . . . . . . . . 99
Figure 36. I2S master timing diagram (Philips protocol)(1) . . . . . . . . . . . . . . . . . . . . . . . . . . . . . . . . . . 99
Figure 37. LQFP64 - 64-pin, 10 x 10 mm low-profile quad flat package outline  . . . . . . . . . . . . . . . . 100
Figure 38. LQFP64 - 64-pin, 10 x 10 mm low-profile quad flat recommended footprint  . . . . . . . . . . 102
Figure 39. LQFP64 marking example (package top view)  . . . . . . . . . . . . . . . . . . . . . . . . . . . . . . . . 103
Figure 40. TFBGA64 – 64-ball, 5 x 5 mm, 0.5 mm pitch thin profile fine pitch ball  
grid array package outline  . . . . . . . . . . . . . . . . . . . . . . . . . . . . . . . . . . . . . . . . . . . . . . . . 104
Figure 41. TFBGA64 – 64-ball, 5 x 5 mm, 0.5 mm pitch, thin profile fine pitch ball  
,grid array recommended footprint . . . . . . . . . . . . . . . . . . . . . . . . . . . . . . . . . . . . . . . . . . 105

List of figures STM32L051x6 STM32L051x8
8/133 DS10184 Rev 10
Figure 42. TFBGA64 marking example (package top view)    . . . . . . . . . . . . . . . . . . . . . . . . . . . . . . 106
Figure 43. LQFP48 - 48-pin, 7 x 7 mm low-profile quad flat package outline  . . . . . . . . . . . . . . . . . . 107
Figure 44. LQFP48 - 48-pin, 7 x 7 mm low-profile quad flat recommended footprint  . . . . . . . . . . . . 108
Figure 45. LQFP48 marking example (package top view)  . . . . . . . . . . . . . . . . . . . . . . . . . . . . . . . . 109
Figure 46. UFQFPN48 - 48 leads, 7x7 mm, 0.5 mm pitch, ultra thin fine pitch quad flat  
package outline. . . . . . . . . . . . . . . . . . . . . . . . . . . . . . . . . . . . . . . . . . . . . . . . . . . . . . . . . 110
Figure 47. UFQFPN48 - 48 leads, 7x7 mm, 0.5 mm pitch, ultra thin fine pitch quad flat  
package recommended footprint  . . . . . . . . . . . . . . . . . . . . . . . . . . . . . . . . . . . . . . . . . . . 111
Figure 48. Standard WLCSP36 - 2.61 x 2.88 mm, 0.4 mm pitch wafer level chip scale  
package outline. . . . . . . . . . . . . . . . . . . . . . . . . . . . . . . . . . . . . . . . . . . . . . . . . . . . . . . . . 112
Figure 49. Standard WLCSP36 - 2.61 x 2.88 mm, 0.4 mm pitch wafer level chip scale 
recommended footprint . . . . . . . . . . . . . . . . . . . . . . . . . . . . . . . . . . . . . . . . . . . . . . . . . . . 113
Figure 50. Standard WLCSP36 marking example (package top view) . . . . . . . . . . . . . . . . . . . . . . . 114
Figure 51. Thin WLCSP36 - 2.61 x 2.88 mm, 0.4 mm pitch wafer level chip scale  
package outline. . . . . . . . . . . . . . . . . . . . . . . . . . . . . . . . . . . . . . . . . . . . . . . . . . . . . . . . . 115
Figure 52. Thin WLCSP36 - 2.61 x 2.88 mm, 0.4 mm pitch wafer level chip scale 
package recommended footprint  . . . . . . . . . . . . . . . . . . . . . . . . . . . . . . . . . . . . . . . . . . . 116
Figure 53. LQFP32 - 32-pin, 7 x 7 mm low-profile quad flat package outline  . . . . . . . . . . . . . . . . . . 117
Figure 54. LQFP32 - 32-pin, 7 x 7 mm low-profile quad flat recommended footprint  . . . . . . . . . . . . 118
Figure 55. LQFP32 marking example (package top view)  . . . . . . . . . . . . . . . . . . . . . . . . . . . . . . . . 119
Figure 56. UFQFPN32 - 32-pin, 5x5 mm, 0.5 mm pitch ultra thin fine pitch quad flat  
package outline. . . . . . . . . . . . . . . . . . . . . . . . . . . . . . . . . . . . . . . . . . . . . . . . . . . . . . . . . 120
Figure 57. UFQFPN32 - 32-pin, 5x5 mm, 0.5 mm pitch ultra thin fine pitch quad flat  
recommended footprint . . . . . . . . . . . . . . . . . . . . . . . . . . . . . . . . . . . . . . . . . . . . . . . . . . . 121
Figure 58. UFQFPN32 marking example (package top view) . . . . . . . . . . . . . . . . . . . . . . . . . . . . . . 122
Figure 59. Thermal resistance   . . . . . . . . . . . . . . . . . . . . . . . . . . . . . . . . . . . . . . . . . . . . . . . . . . . . . 124
 arm
arm
 
DS10184 Rev 10 9/133
STM32L051x6 STM32L051x8 Introduction
32
1 Introduction
The ultra-low-power STM32L051x6/8 are offered in 8 different package types: from 32 pins 
to 64 pins. Depending on the device chosen, different sets of peripherals are included, the 
description below gives an overview of the complete range of peripherals proposed in this 
family.
These features make the ultra-low-power STM32L051x6/8 microcontrollers suitable for a 
wide range of applications:
•Gas/water meters and industrial sensors
•Healthcare and fitness equipment
•Remote control and user interface
•PC peripherals, gaming, GPS equipment
•Alarm system, wired and wireless sensors, video intercom
This STM32L051x6/8 datasheet should be read in conjunction with the STM32L0x1xx 
reference manual (RM0377). 
For information on the Arm®(a) Cortex
®
-M0+ core please refer to the Cortex
®
-M0+ Technical 
Reference Manual, available from the www.arm.com website.
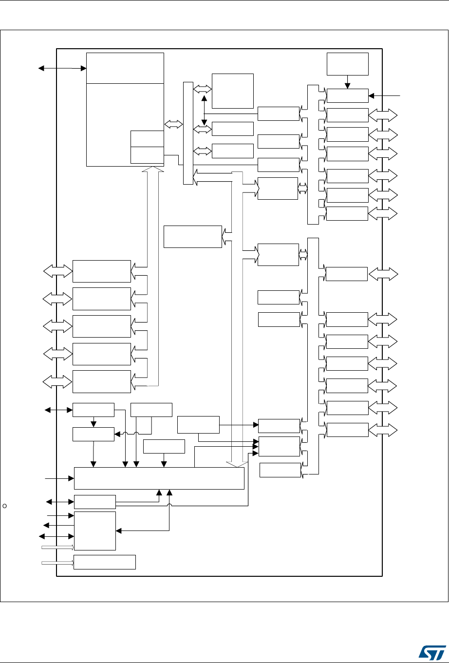
Figure 1 shows the general block diagram of the device family.  
a. Arm is a registered trademark of Arm Limited (or its subsidiaries) in the US and/or elsewhere.

Description STM32L051x6 STM32L051x8
10/133 DS10184 Rev 10
2 Description
The access line ultra-low-power STM32L051x6/8 microcontrollers incorporate the high-
performance Arm Cortex-M0+ 32-bit RISC core operating at a 32 MHz frequency, a memory 
protection unit (MPU), high-speed embedded memories (
64
 Kbytes of Flash program 
memory, 
2
 Kbytes of data EEPROM and 
8
 Kbytes of RAM) plus an extensive range of 
enhanced I/Os and peripherals.
The STM32L051x6/8 devices provide high power efficiency for a wide range of 
performance. It is achieved with a large choice of internal and external clock sources, an 
internal voltage adaptation and several low-power modes.
The STM32L051x6/8 devices offer several analog features, one 12-bit ADC with hardware 
oversampling, two ultra-low-power comparators, several timers, one low-power timer 
(LPTIM), three general-purpose 16-bit timers and one basic timer, one RTC and one 
SysTick which can be used as timebases. They also feature two watchdogs, one watchdog 
with independent clock and window capability and one window watchdog based on bus 
clock.
Moreover, the STM32L051x6/8 devices embed standard and advanced communication 
interfaces: up to two I2C, two SPIs, one I2S, two USARTs, a low-power UART (LPUART), .
The STM32L051x6/8 also include a real-time clock and a set of backup registers that 
remain powered in Standby mode.
The ultra-low-power STM32L051x6/8 devices operate from a 1.8 to 3.6 V power supply 
(down to 1.65 V at power down) with BOR and from a 1.65 to 3.6 V power supply without 
BOR option. They are available in the -40 to +125 °C temperature range. A comprehensive 
set of power-saving modes allows the design of low-power applications.

DS10184 Rev 10 11/133
STM32L051x6 STM32L051x8 Description
32
2.1 Device overview
Table 2. Ultra-low-power STM32L051x6/x8 device features and peripheral counts
Peripheral STM32 
L051K6
STM32
L051T6
STM32 
L051C6
STM32 
L051R6
STM32 
L051K8
STM32L
051T8
STM32 
L051C8
STM32 
L051R8
Flash (Kbytes) 32 64
Data EEPROM (Kbytes) 22
RAM (Kbytes) 88
Timers
General-
purpose 33
Basic 11
LPTIMER 11
RTC/SYSTICK/IWDG/
WWDG 1/1/1/1 1/1/1/1
Communi-
cation 
interfaces
SPI/I2S 3(2)(1)/0 3(2)(1)/
04(2)(1)/1 4(2)(1)/1 3(2)(1)/0 3(2)(1)/0 4(2)(1)/1 4(2)(1)/1
I2C1222 1222
USART 22
LPUART 0111 0 111
GPIOs 27(2) 29 37 51(3) 27(2) 29 37 51(3)
Clocks: 
HSE/LSE/HSI/MSI/LSI 0/1/1/1/1 0/1/1/1/
11/1/1/1/1 1/1/1/1/1 0/1/1/1/1 0/1/1/1/
11/1/1/1/1 1/1/1/1/1
12-bit synchronized ADC 
Number of channels
1
10
1
10
1
10
1
16(3)
1
10
1
10
1
10
1
16(3)
Comparators 22
Max. CPU frequency 32 MHz
Operating voltage 1.8 V to 3.6 V (down to 1.65 V at power-down) with BOR option
1.65 V to 3.6 V without BOR option
Operating temperatures Ambient temperature: –40 to +125 °C
Junction temperature: –40 to +130 °C
Packages
LQFP32, 
UFQFPN
32
WLCSP
36
LQFP48
UFQFPN
48
LQFP64 
TFBGA
64
LQFP32, 
UFQFPN
32
WLCSP
36
LQFP48
UFQFPN
48
LQFP64 
TFBGA
64
1. 2 SPI interfaces are USARTs operating in SPI master mode. 
2. LQFP32 has two GPIOs, less than UFQFPN32 (27). 
3. TFBGA64 has one GPIO, one ADC input and one capacitive sensing channel less than LQFP64. 
 fi|fi|¢|fi|fi
 
 
 
 
 
 
 
 
 
 
 
 
 
 
 
 
 
 
 
 
 
 
 
 
 
 
 
fi|fi|¢|fi|fi
 
 
 
 
 
 
 
 
 
 
 
 
 
 
 
 
 
 
 
 
 
 
 
 
 
 
 
 
 
 
 
 
 
 
 
 
 
 
 
 
 
 
Description STM32L051x6 STM32L051x8
12/133 DS10184 Rev 10
           Figure 1. STM32L051x6/8 block diagram
&257(;0&38
)PD[0+]
6:'
038
19,&
*3,23257$
*3,23257%
*3,23257&
*3,23257'
*3,23257+
7HPS
VHQVRU
5(6(7&/.
)/$6+
((3520
%227
5$0
'0$
$+%)PD[0+]
&5&
%5,'*(
$
3
%
),5(:$//
'%*
(;7,
$'&
63,
86$57
7,0
&203
/6(
7,0
%5,'*(
$
3
%
7,0
,&
,&
86$57
/38$57
63,,6
7,0
,:'*
57&
::'*
/37,0
%&.35(*
+6( +6,0
3//
06,
/6,
308
5(*8/$725
9''
9''$
95()B287
1567
39'B,1
26&B,1
26&B287
26&B,1
26&B287
:.83[
3$>@
3+>@
3'>@
3&>@
3%>@
$,1[
0,62026,
6&.166
5;7;576
&76&.
FK
FK
,13,10287
,1,1
(75287
6&/6'$
60%$
6&/6'$
60%$
5;7;576
&76&.
5;7;576
&76
0,620&.
026,6'
6&.&.166
:6
FK
6:'
069
&203 ,13,10287

DS10184 Rev 10 13/133
STM32L051x6 STM32L051x8 Description
32
2.2  Ultra-low-power device continuum
The ultra-low-power family offers a large choice of core and features, from 8-bit proprietary 
core up to Arm
®
 Cortex
®
-M4, including Arm
®
 Cortex
®
-M3 and Arm
®
 Cortex
®
-M0+. The 
STM32Lx series are the best choice to answer your needs in terms of ultra-low-power 
features. The STM32 ultra-low-power series are the best solution for applications such as 
gaz/water meter, keyboard/mouse or fitness and healthcare application. Several built-in 
features like LCD drivers, dual-bank memory, low-power run mode, operational amplifiers, 
128-bit AES, DAC, crystal-less USB and many other definitely help you building a highly 
cost optimized application by reducing BOM cost. STMicroelectronics, as a reliable and 
long-term manufacturer, ensures as much as possible pin-to-pin compatibility between all 
STM8Lx and STM32Lx on one hand, and between all STM32Lx and STM32Fx on the other 
hand. Thanks to this unprecedented scalability, your legacy application can be upgraded to 
respond to the latest market feature and efficiency requirements.

Functional overview STM32L051x6 STM32L051x8
14/133 DS10184 Rev 10
3 Functional overview
3.1 Low-power modes
The ultra-low-power STM32L051x6/8 support dynamic voltage scaling to optimize its power 
consumption in Run mode. The voltage from the internal low-drop regulator that supplies 
the logic can be adjusted according to the system’s maximum operating frequency and the 
external voltage supply. 
There are three power consumption ranges: 
•Range 1 (VDD range limited to 1.71-3.6 V), with the CPU running at up to 32 MHz
•Range 2 (full VDD range), with a maximum CPU frequency of 16 MHz
•Range 3 (full VDD range), with a maximum CPU frequency limited to 4.2 MHz
Seven low-power modes are provided to achieve the best compromise between low-power 
consumption, short startup time and available wakeup sources:
•Sleep mode
In Sleep mode, only the CPU is stopped. All peripherals continue to operate and can 
wake up the CPU when an interrupt/event occurs. Sleep mode power consumption at 
16 MHz is about 1 mA with all peripherals off.
•Low-power run mode
This mode is achieved with the multispeed internal (MSI) RC oscillator set to the low-
speed clock (max 131 kHz), execution from SRAM or Flash memory, and internal 
regulator in low-power mode to minimize the regulator's operating current. In Low-
power run mode, the clock frequency and the number of enabled peripherals are both 
limited.
•Low-power sleep mode
This mode is achieved by entering Sleep mode with the internal voltage regulator in 
low-power mode to minimize the regulator’s operating current. In Low-power sleep 
mode, both the clock frequency and the number of enabled peripherals are limited; a 
typical example would be to have a timer running at 32 kHz.
When wakeup is triggered by an event or an interrupt, the system reverts to the Run 
mode with the regulator on.
Stop mode with RTC
The Stop mode achieves the lowest power consumption while retaining the RAM and 
register contents and real time clock. All clocks in the VCORE domain are stopped, the 
PLL, MSI RC, HSE crystal and HSI RC oscillators are disabled. The LSE or LSI is still 
running. The voltage regulator is in the low-power mode.
Some peripherals featuring wakeup capability can enable the HSI RC during Stop 
mode to detect their wakeup condition.
The device can be woken up from Stop mode by any of the EXTI line, in 3.5 µs, the 
processor can serve the interrupt or resume the code. The EXTI line source can be any 
GPIO. It can be the PVD output, the comparator 1 event or comparator 2 event 
(if internal reference voltage is on), it can be the RTC alarm/tamper/timestamp/wakeup 
events, the USART/I2C/LPUART/LPTIMER wakeup events.

DS10184 Rev 10 15/133
STM32L051x6 STM32L051x8 Functional overview
32
•Stop mode without RTC
The Stop mode achieves the lowest power consumption while retaining the RAM and 
register contents. All clocks are stopped, the PLL, MSI RC, HSI and LSI RC, HSE and 
LSE crystal oscillators are disabled. 
Some peripherals featuring wakeup capability can enable the HSI RC during Stop 
mode to detect their wakeup condition.
The voltage regulator is in the low-power mode. The device can be woken up from Stop 
mode by any of the EXTI line, in 3.5 µs, the processor can serve the interrupt or 
resume the code. The EXTI line source can be any GPIO. It can be the PVD output, the 
comparator 1 event or comparator 2 event (if internal reference voltage is on). It can 
also be wakened by the USART/I2C/LPUART/LPTIMER wakeup events.
•Standby mode with RTC
The Standby mode is used to achieve the lowest power consumption and real time 
clock. The internal voltage regulator is switched off so that the entire VCORE domain is 
powered off. The PLL, MSI RC, HSE crystal and HSI RC oscillators are also switched 
off. The LSE or LSI is still running. After entering Standby mode, the RAM and register 
contents are lost except for registers in the Standby circuitry (wakeup logic, IWDG, 
RTC, LSI, LSE Crystal 32 KHz oscillator, RCC_CSR register).
The device exits Standby mode in 60 µs when an external reset (NRST pin), an IWDG 
reset, a rising edge on one of the three WKUP pins, RTC alarm (Alarm A or Alarm B), 
RTC tamper event, RTC timestamp event or RTC Wakeup event occurs.
•Standby mode without RTC
The Standby mode is used to achieve the lowest power consumption. The internal 
voltage regulator is switched off so that the entire VCORE domain is powered off. The 
PLL, MSI RC, HSI and LSI RC, HSE and LSE crystal oscillators are also switched off. 
After entering Standby mode, the RAM and register contents are lost except for 
registers in the Standby circuitry (wakeup logic, IWDG, RTC, LSI, LSE Crystal 32 KHz 
oscillator, RCC_CSR register).
The device exits Standby mode in 60 µs when an external reset (NRST pin) or a rising 
edge on one of the three WKUP pin occurs.
Note: The RTC, the IWDG, and the corresponding clock sources are not stopped automatically by 
entering Stop or Standby mode.
           Table 3. Functionalities depending on the operating power supply range 
Operating power supply range(1)
Functionalities depending on the operating power 
supply range
ADC operation Dynamic voltage scaling 
range
VDD = 1.65 to 1.71 V ADC only, conversion time 
up to 570 ksps
Range 2 or 
range 3
VDD = 1.71 to 1.8 V(2) ADC only, conversion time 
up to 1.14 Msps Range 1, range 2 or range 3
VDD = 1.8 to 2.0 V(2) Conversion time up to 1.14 
Msps Range1, range 2 or range 3

Functional overview STM32L051x6 STM32L051x8
16/133 DS10184 Rev 10
VDD = 2.0 to 2.4 V Conversion time up to 1.14 
Msps Range 1, range 2 or range 3
VDD = 2.4 to 3.6 V Conversion time up to 1.14 
Msps Range 1, range 2 or range 3
1. GPIO speed depends on VDD voltage. Refer to Table 56: I/O AC characteristics for more information about 
I/O speed.
2. CPU frequency changes from initial to final must respect "fcpu initial <4*fcpu final". It must also respect 5 
μs delay between two changes. For example to switch from 4.2 MHz to 32 MHz, you can switch from 4.2 
MHz to 16 MHz, wait 5 μs, then switch from 16 MHz to 32 MHz.
Table 4. CPU frequency range depending on dynamic voltage scaling
 CPU frequency range Dynamic voltage scaling range
16 MHz to 32 MHz (1ws)
32 kHz to 16 MHz (0ws) Range 1
8 MHz to 16 MHz (1ws)
32 kHz to 8 MHz (0ws) Range 2
32 kHz to 4.2 MHz (0ws) Range 3
Table 3. Functionalities depending on the operating power supply range (continued)
Operating power supply range(1)
Functionalities depending on the operating power 
supply range
ADC operation Dynamic voltage scaling 
range
Table 5. Functionalities depending on the working mode
(from Run/active down to standby) (1)
IPs Run/Active Sleep
Low-
power 
run
Low-
power 
sleep
Stop Standby
Wakeup 
capability
Wakeup 
capability
CPU Y -- Y -- -- --
Flash memory O O O O -- --
RAM Y Y Y Y Y --
Backup registers Y Y Y Y Y Y
EEPROM O O O O -- --
Brown-out reset 
(BOR) OOOOOOOO
DMA O O O O -- --
Programmable 
Voltage Detector 
(PVD)
OOOOOO-
Power-on/down 
reset (POR/PDR) YYYYYYYY

DS10184 Rev 10 17/133
STM32L051x6 STM32L051x8 Functional overview
32
High Speed 
Internal (HSI) OO----
(2) --
High Speed 
External (HSE) OOOO-- --
Low Speed Internal 
(LSI) OOOOO O
Low Speed 
External (LSE) OOOOO O
Multi-Speed 
Internal (MSI) OOYY-- --
Inter-Connect 
Controller YYYYY --
RTC O O O O O O O
RTC Tamper O O O O O O O O
Auto WakeUp 
(AWU) OOOOOOOO
USART O O O O O(3) O--
LPUART O O O O O(3) O--
SPI O O O O -- --
I2C O O -- -- O(4) O--
ADC O O -- -- -- --
Temperature 
sensor OOOOO --
Comparators O O O O O O --
16-bit timers O O O O -- --
LPTIMER O O O O O O
IWDG O O O O O O O O
WWDG O O O O -- --
SysTick Timer O O O O --
GPIOs O O O O O O 2 pins
Wakeup time to 
Run mode 0 µs 0.36 µs 3 µs 32 µs 3.5 µs 50 µs
Table 5. Functionalities depending on the working mode
(from Run/active down to standby) (continued)(1)
IPs Run/Active Sleep
Low-
power 
run
Low-
power 
sleep
Stop Standby
Wakeup 
capability
Wakeup 
capability

Functional overview STM32L051x6 STM32L051x8
18/133 DS10184 Rev 10
3.2 Interconnect matrix
Several peripherals are directly interconnected. This allows autonomous communication 
between peripherals, thus saving CPU resources and power consumption. In addition, 
these hardware connections allow fast and predictable latency. 
Depending on peripherals, these interconnections can operate in Run, Sleep, Low-power 
run, Low-power sleep and Stop modes. 
Consumption 
VDD=1.8 to 3.6 V 
(Typ)
Down to 
140 µA/MHz 
(from Flash 
memory)
Down to 
37 µA/MHz 
(from Flash 
memory)
Down to 
8 µA
Down to 
4.5 µA
0.4 µA (No 
RTC) VDD=1.8 V
 0.28 µA (No 
RTC) VDD=1.8 V
0.8 µA (with 
RTC) VDD=1.8 V
0.65 µA (with 
RTC) VDD=1.8 V
0.4 µA (No 
RTC) VDD=3.0 V
 0.29 µA (No 
RTC) VDD=3.0 V
1 µA (with RTC) 
VDD=3.0 V
0.85 µA (with 
RTC) VDD=3.0 V
1. Legend:  
“Y” = Yes (enable).  
“O” = Optional can be enabled/disabled by software) 
“-” = Not available
2. Some peripherals with wakeup from Stop capability can request HSI to be enabled. In this case, HSI is woken up by the 
peripheral, and only feeds the peripheral which requested it. HSI is automatically put off when the peripheral does not need 
it anymore. 
3. UART and LPUART reception is functional in Stop mode. It generates a wakeup interrupt on Start. To generate a wakeup 
on address match or received frame event, the LPUART can run on LSE clock while the UART has to wake up or keep 
running the HSI clock.
4. I2C address detection is functional in Stop mode. It generates a wakeup interrupt in case of address match. It will wake up 
the HSI during reception.
Table 5. Functionalities depending on the working mode
(from Run/active down to standby) (continued)(1)
IPs Run/Active Sleep
Low-
power 
run
Low-
power 
sleep
Stop Standby
Wakeup 
capability
Wakeup 
capability
Table 6. STM32L0xx peripherals interconnect matrix 
Interconnect 
source 
Interconnect 
destination  Interconnect action  Run  Sleep 
Low- 
power 
run 
Low- 
power 
sleep 
Stop
COMPx
TIM2,TIM21,
TIM22
Timer input channel, 
trigger from analog 
signals comparison 
YY Y Y -
LPTIM
Timer input channel, 
trigger from analog 
signals comparison 
YY Y Y Y
TIMx TIMx Timer triggered by other 
timer YY Y Y -

DS10184 Rev 10 19/133
STM32L051x6 STM32L051x8 Functional overview
32
3.3 Arm® Cortex
®
-M0+ core with MPU
The Cortex-M0+ processor is an entry-level 32-bit Arm Cortex processor designed for a 
broad range of embedded applications. It offers significant benefits to developers, including:
•a simple architecture that is easy to learn and program
•ultra-low power, energy-efficient operation
•excellent code density
•deterministic, high-performance interrupt handling
•upward compatibility with Cortex-M processor family
•platform security robustness, with integrated Memory Protection Unit (MPU).
The Cortex-M0+ processor is built on a highly area and power optimized 32-bit processor 
core, with a 2-stage pipeline Von Neumann architecture. The processor delivers exceptional 
energy efficiency through a small but powerful instruction set and extensively optimized 
design, providing high-end processing hardware including a single-cycle multiplier.
The Cortex-M0+ processor provides the exceptional performance expected of a modern 32-
bit architecture, with a higher code density than other 8-bit and 16-bit microcontrollers.
Owing to its embedded Arm core, the STM32L051x6/8 are compatible with all Arm tools and 
software.
RTC
TIM21 Timer triggered by Auto 
wake-up YY Y Y -
LPTIM Timer triggered by RTC 
event YY Y Y Y
All clock 
source TIMx
Clock source used as 
input channel for RC 
measurement and 
trimming 
YY Y Y -
GPIO
TIMx  Timer input channel and 
trigger  YY Y Y -
LPTIM Timer input channel and 
trigger  YY Y Y Y
ADC Conversion  trigger  Y Y Y Y -
Table 6. STM32L0xx peripherals interconnect matrix (continued)
Interconnect 
source 
Interconnect 
destination  Interconnect action  Run  Sleep 
Low- 
power 
run 
Low- 
power 
sleep 
Stop

Functional overview STM32L051x6 STM32L051x8
20/133 DS10184 Rev 10
Nested vectored interrupt controller (NVIC)
The ultra-low-power STM32L051x6/8 embed a nested vectored interrupt controller able to 
handle up to 32 maskable interrupt channels and 4 priority levels.
The Cortex-M0+ processor closely integrates a configurable Nested Vectored Interrupt 
Controller (NVIC), to deliver industry-leading interrupt performance. The NVIC: 
•includes a Non-Maskable Interrupt (NMI)
•provides zero jitter interrupt option
•provides four interrupt priority levels
The tight integration of the processor core and NVIC provides fast execution of Interrupt 
Service Routines (ISRs), dramatically reducing the interrupt latency. This is achieved 
through the hardware stacking of registers, and the ability to abandon and restart load-
multiple and store-multiple operations. Interrupt handlers do not require any assembler 
wrapper code, removing any code overhead from the ISRs. Tail-chaining optimization also 
significantly reduces the overhead when switching from one ISR to another.
To optimize low-power designs, the NVIC integrates with the sleep modes, that include a 
deep sleep function that enables the entire device to enter rapidly stop or standby mode.
This hardware block provides flexible interrupt management features with minimal interrupt 
latency.
3.4  Reset and supply management
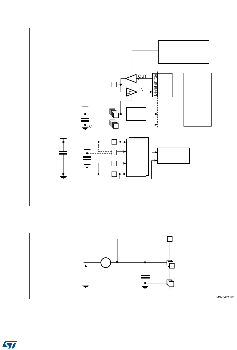
3.4.1  Power supply schemes
•VDD = 1.65 to 3.6 V: external power supply for I/Os and the internal regulator. Provided 
externally through VDD pins.
•VSSA, VDDA = 1.65 to 3.6 V: external analog power supplies for ADC reset blocks, RCs 
and PLL. VDDA and VSSA must be connected to VDD and VSS, respectively.
3.4.2  Power supply supervisor
The devices have an integrated ZEROPOWER power-on reset (POR)/power-down reset 
(PDR) that can be coupled with a brownout reset (BOR) circuitry. 
Two versions are available:
•The version with BOR activated at power-on operates between 1.8 V and 3.6 V.
•The other version without BOR operates between 1.65 V and 3.6 V. 
After the VDD threshold is reached (1.65 V or 1.8 V depending on the BOR which is active or 
not at power-on), the option byte loading process starts, either to confirm or modify default 
thresholds, or to disable the BOR permanently: in this case, the VDD min value becomes 
1.65 V (whatever the version, BOR active or not, at power-on).
When BOR is active at power-on, it ensures proper operation starting from 1.8 V whatever 
the power ramp-up phase before it reaches 1.8 V. When BOR is not active at power-up, the 
power ramp-up should guarantee that 1.65 V is reached on VDD at least 1 ms after it exits 
the POR area.
Five BOR thresholds are available through option bytes, starting from 1.8 V to 3 V. To 
reduce the power consumption in Stop mode, it is possible to automatically switch off the 

DS10184 Rev 10 21/133
STM32L051x6 STM32L051x8 Functional overview
32
internal reference voltage (VREFINT) in Stop mode. The device remains in reset mode when 
VDD is below a specified threshold, VPOR/PDR or VBOR, without the need for any external 
reset circuit.
Note: The start-up time at power-on is typically 3.3 ms when BOR is active at power-up, the start-
up time at power-on can be decreased down to 1 ms typically for devices with BOR inactive 
at power-up.
The devices feature an embedded programmable voltage detector (PVD) that monitors the 
VDD/VDDA power supply and compares it to the VPVD threshold. This PVD offers 7 different 
levels between 1.85 V and 3.05 V, chosen by software, with a step around 200 mV. An 
interrupt can be generated when VDD/VDDA drops below the VPVD threshold and/or when 
VDD/VDDA is higher than the VPVD threshold. The interrupt service routine can then generate 
a warning message and/or put the MCU into a safe state. The PVD is enabled by software.
3.4.3 Voltage regulator
The regulator has three operation modes: main (MR), low power (LPR) and power down.
•MR is used in Run mode (nominal regulation)
•LPR is used in the Low-power run, Low-power sleep and Stop modes
•Power down is used in Standby mode. The regulator output is high impedance, the 
kernel circuitry is powered down, inducing zero consumption but the contents of the 
registers and RAM are lost except for the standby circuitry (wakeup logic, IWDG, RTC, 
LSI, LSE crystal 32 KHz oscillator, RCC_CSR).
3.5 Clock management
The clock controller distributes the clocks coming from different oscillators to the core and 
the peripherals. It also manages clock gating for low-power modes and ensures clock 
robustness. It features:
•Clock prescaler
To get the best trade-off between speed and current consumption, the clock frequency 
to the CPU and peripherals can be adjusted by a programmable prescaler.
•Safe clock switching
Clock sources can be changed safely on the fly in Run mode through a configuration 
register.
•Clock management
To reduce power consumption, the clock controller can stop the clock to the core, 
individual peripherals or memory.
•System clock source
Three different clock sources can be used to drive the master clock SYSCLK:
– 1-25 MHz high-speed external crystal (HSE), that can supply a PLL
– 16 MHz high-speed internal RC oscillator (HSI), trimmable by software, that can 
supply a PLLMultispeed internal RC oscillator (MSI), trimmable by software, able 
to generate 7 frequencies (65 kHz, 131 kHz, 262 kHz, 524 kHz, 1.05 MHz, 2.1 
MHz, 4.2 MHz). When a 32.768 kHz clock source is available in the system (LSE), 
the MSI frequency can be trimmed by software down to a ±0.5% accuracy.
•Auxiliary clock source
Two ultra-low-power clock sources that can be used to drive the real-time clock:

Functional overview STM32L051x6 STM32L051x8
22/133 DS10184 Rev 10
– 32.768 kHz low-speed external crystal (LSE)
– 37 kHz low-speed internal RC (LSI), also used to drive the independent watchdog. 
The LSI clock can be measured using the high-speed internal RC oscillator for 
greater precision.
•RTC clock source
The LSI, LSE or HSE sources can be chosen to clock the RTC, whatever the system 
clock.
•Startup clock
After reset, the microcontroller restarts by default with an internal 2 MHz clock (MSI). 
The prescaler ratio and clock source can be changed by the application program as 
soon as the code execution starts.
•Clock security system (CSS)
This feature can be enabled by software. If an HSE clock failure occurs, the master 
clock is automatically switched to HSI and a software interrupt is generated if enabled.
Another clock security system can be enabled, in case of failure of the LSE it provides 
an interrupt or wakeup event which is generated if enabled.
•Clock-out capability (MCO: microcontroller clock output)
It outputs one of the internal clocks for external use by the application.
Several prescalers allow the configuration of the AHB frequency, each APB (APB1 and 
APB2) domains. The maximum frequency of the AHB and the APB domains is 32 MHz. See 
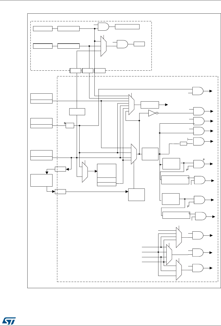
Figure 2 for details on the clock tree.
 
 
 
 
 
 
 
 
 
 
 
DS10184 Rev 10 23/133
STM32L051x6 STM32L051x8 Functional overview
32
Figure 2. Clock tree  
06Y9
/HJHQG
+6( +LJKVSHHGH[WHUQDOFORFNVLJQDO
+6, +LJKVSHHGLQWHUQDOFORFNVLJQDO
/6, /RZVSHHGLQWHUQDOFORFNVLJQDO
/6( /RZVSHHGH[WHUQDOFORFNVLJQDO
06, 0XOWLVSHHGLQWHUQDOFORFNVLJQDO
:DWFKGRJ/6
/6,5&
/6(26& 57&
/6,WHPSR
#9
+6,5&
/HYHOVKLIWHUV
+6(26&
/HYHOVKLIWHUV
/68
0+]&ORFN
'HWHFWRU
/6'
/6(WHPSR
06,5&
/HYHOVKLIWHUV
/HYHOVKLIWHUV
3//
;
$+%
35(6&
«
&ORFN
6RXUFH
&RQWURO
#9
#9
#9
#9
#9
#9
#9
#9
,&&/.
/38$57
8$57&/.
/37,0&/.
/6(
+6,
6<6&/.
3&/.
/6,
QRWVOHHSRU
GHHSVOHHS
QRWVOHHSRU
GHHSVOHHS
QRWGHHSVOHHS
QRWGHHSVOHHS
+&/.
7,0[&/.
&.B3:5
)&/.
3//&/.
+6(
+6,
06,
/6(
/6,
+6(SUHVHQWRUQRW
#9
#9
''&25(
FNBUFKV
+6,
06,
0+]
FNBSOOLQ
(QDEOH:DWFKGRJ
57&HQDEOH
$'&HQDEOH
$'&&/.
/68 /6' /6'
0&2
0&26(/
3//65&
57&6(/
6\VWHP
&ORFN
3HULSKHUDOV
HQDEOH
3HULSKHUDOV
HQDEOH
3HULSKHUDO
FORFNHQDEOH
3&/.WR$3%
SHULSKHUDOV
,I$3%SUHVF [
HOVH[
WR7,0[
3HULSKHUDO
FORFNHQDEOH
$3%
35(6&
3HULSKHUDO
FORFNHQDEOH
3&/.WR$3%
SHULSKHUDOV
0+]
PD[
,I$3%SUHVF [
HOVH[
WR7,0[
3HULSKHUDOV
HQDEOH
$3%
35(6&

Functional overview STM32L051x6 STM32L051x8
24/133 DS10184 Rev 10
3.6 Low-power real-time clock and backup registers
The real time clock (RTC) and the 5 backup registers are supplied in all modes including 
standby mode. The backup registers are five 32-bit registers used to store 20 bytes of user 
application data. They are not reset by a system reset, or when the device wakes up from 
Standby mode.
The RTC is an independent BCD timer/counter. Its main features are the following:
•Calendar with subsecond, seconds, minutes, hours (12 or 24 format), week day, date, 
month, year, in BCD (binary-coded decimal) format
•Automatically correction for 28, 29 (leap year), 30, and 31 day of the month
•Two programmable alarms with wake up from Stop and Standby mode capability
•Periodic wakeup from Stop and Standby with programmable resolution and period
•On-the-fly correction from 1 to 32767 RTC clock pulses. This can be used to 
synchronize it with a master clock.
•Reference clock detection: a more precise second source clock (50 or 60 Hz) can be 
used to enhance the calendar precision.
•Digital calibration circuit with 1 ppm resolution, to compensate for quartz crystal 
inaccuracy
•2 anti-tamper detection pins with programmable filter. The MCU can be woken up from 
Stop and Standby modes on tamper event detection.
•Timestamp feature which can be used to save the calendar content. This function can 
be triggered by an event on the timestamp pin, or by a tamper event. The MCU can be 
woken up from Stop and Standby modes on timestamp event detection.
The RTC clock sources can be:
•A 32.768 kHz external crystal
•A resonator or oscillator
•The internal low-power RC oscillator (typical frequency of 37 kHz) 
•The high-speed external clock
3.7  General-purpose inputs/outputs (GPIOs)
Each of the GPIO pins can be configured by software as output (push-pull or open-drain), as 
input (with or without pull-up or pull-down) or as peripheral alternate function. Most of the 
GPIO pins are shared with digital or analog alternate functions, and can be individually 
remapped using dedicated alternate function registers. All GPIOs are high current capable. 
Each GPIO output, speed can be slowed (40 MHz, 10 MHz, 2 MHz, 400 kHz). The alternate 
function configuration of I/Os can be locked if needed following a specific sequence in order 
to avoid spurious writing to the I/O registers. The I/O controller is connected to a dedicated 
IO bus with a toggling speed of up to 32 MHz.
Extended interrupt/event controller (EXTI)
The extended interrupt/event controller consists of 28 edge detector lines used to generate 
interrupt/event requests. Each line can be individually configured to select the trigger event 
(rising edge, falling edge, both) and can be masked independently. A pending register 
maintains the status of the interrupt requests. The EXTI can detect an external line with a 
pulse width shorter than the Internal APB2 clock period. Up to 51 GPIOs can be connected 
to the 16 configurable interrupt/event lines. The 12 other lines are connected to PVD, RTC, 
USARTs, LPUART, LPTIMER or comparator events.

DS10184 Rev 10 25/133
STM32L051x6 STM32L051x8 Functional overview
32
3.8 Memories
The STM32L051x6/8 devices have the following features:
•8 Kbytes of embedded SRAM accessed (read/write) at CPU clock speed with 0 wait 
states. With the enhanced bus matrix, operating the RAM does not lead to any 
performance penalty during accesses to the system bus (AHB and APB buses).
•The non-volatile memory is divided into three arrays:
– 32 or 64 Kbytes of embedded Flash program memory
– 2 Kbytes of data EEPROM
– Information block containing 32 user and factory options bytes plus 4 Kbytes of 
system memory
The user options bytes are used to write-protect or read-out protect the memory (with 
4 Kbyte granularity) and/or readout-protect the whole memory with the following options:
•Level 0: no protection
•Level 1: memory readout protected. 
The Flash memory cannot be read from or written to if either debug features are 
connected or boot in RAM is selected
•Level 2: chip readout protected, debug features (Cortex-M0+ serial wire) and boot in 
RAM selection disabled (debugline fuse)
The firewall protects parts of code/data from access by the rest of the code that is executed 
outside of the protected area. The granularity of the protected code segment or the non-
volatile data segment is 256 bytes (Flash memory or EEPROM) against 64 bytes for the 
volatile data segment (RAM).
The whole non-volatile memory embeds the error correction code (ECC) feature.
3.9 Boot modes
At startup, BOOT0 pin and nBOOT1 option bit are used to select one of three boot options:
•Boot from Flash memory
•Boot from System memory
•Boot from embedded RAM
The boot loader is located in System memory. It is used to reprogram the Flash memory by 
using SPI1(PA4, PA5, PA6, PA7) or SPI2 (PB12, PB13, PB14, PB15), USART1(PA9, 
PA10) or USART2(PA2, PA3). See STM32™ microcontroller system memory boot mode 
AN2606 for details.

Functional overview STM32L051x6 STM32L051x8
26/133 DS10184 Rev 10
3.10 Direct memory access (DMA)
The flexible 7-channel, general-purpose DMA is able to manage memory-to-memory, 
peripheral-to-memory and memory-to-peripheral transfers. The DMA controller supports 
circular buffer management, avoiding the generation of interrupts when the controller 
reaches the end of the buffer.
Each channel is connected to dedicated hardware DMA requests, with software trigger 
support for each channel. Configuration is done by software and transfer sizes between 
source and destination are independent.
The DMA can be used with the main peripherals:  SPI, I2C, USART, LPUART, 
general-purpose timers, and ADC.
3.11  Analog-to-digital converter (ADC)
A native 12-bit, extended to 16-bit through hardware oversampling, analog-to-digital 
converter is embedded into STM32L051x6/8 device. It has up to 16 external channels and 3 
internal channels (temperature sensor, voltage reference). Three channels, PA0, PA4 and 
PA5, are fast channels, while the others are standard channels.
The ADC performs conversions in single-shot or scan mode. In scan mode, automatic 
conversion is performed on a selected group of analog inputs.
The ADC frequency is independent from the CPU frequency, allowing maximum sampling 
rate of 1.14 MSPS even with a low CPU speed. The ADC consumption is low at all 
frequencies (~25 µA at 10 kSPS, ~200 µA at 1MSPS). An auto-shutdown function 
guarantees that the ADC is powered off except during the active conversion phase.
The ADC can be served by the DMA controller. It can operate from a supply voltage down to 
1.65 V. 
The ADC features a hardware oversampler up to 256 samples, this improves the resolution 
to 16 bits (see AN2668).
An analog watchdog feature allows very precise monitoring of the converted voltage of one, 
some or all scanned channels. An interrupt is generated when the converted voltage is 
outside the programmed thresholds.
The events generated by the general-purpose timers (TIMx) can be internally connected to 
the ADC start triggers, to allow the application to synchronize A/D conversions and timers.
3.12 Temperature sensor
The temperature sensor (TSENSE) generates a voltage VSENSE that varies linearly with 
temperature.
The temperature sensor is internally connected to the ADC_IN18 input channel which is 
used to convert the sensor output voltage into a digital value. 
The sensor provides good linearity but it has to be calibrated to obtain good overall 
accuracy of the temperature measurement. As the offset of the temperature sensor varies 
from chip to chip due to process variation, the uncalibrated internal temperature sensor is 
suitable for applications that detect temperature changes only.

DS10184 Rev 10 27/133
STM32L051x6 STM32L051x8 Functional overview
32
To improve the accuracy of the temperature sensor measurement, each device is 
individually factory-calibrated by ST. The temperature sensor factory calibration data are 
stored by ST in the system memory area, accessible in read-only mode. 
3.12.1  Internal voltage reference (VREFINT)
The internal voltage reference (VREFINT) provides a stable (bandgap) voltage output for the 
ADC and Comparators. VREFINT is internally connected to the ADC_IN17 input channel. It 
enables accurate monitoring of the VDD value (when no external voltage, VREF+, is available 
for ADC). The precise voltage of VREFINT is individually measured for each part by ST during 
production test and stored in the system memory area. It is accessible in read-only mode. 
3.13  Ultra-low-power comparators and reference voltage
The STM32L051x6/8 embed two comparators sharing the same current bias and reference 
voltage. The reference voltage can be internal or external (coming from an I/O).
•One comparator with ultra low consumption
•One comparator with rail-to-rail inputs, fast or slow mode. 
•The threshold can be one of the following:
– External I/O pins
– Internal reference voltage (VREFINT)
– submultiple of Internal reference voltage(1/4, 1/2, 3/4) for the rail to rail 
comparator.
Both comparators can wake up the devices from Stop mode, and be combined into a 
window comparator.
The internal reference voltage is available externally via a low-power / low-current output 
buffer (driving current capability of 1 µA typical).
Table 7. Temperature sensor calibration values
Calibration value name Description Memory address
TSENSE_CAL1
TS ADC raw data acquired at 
temperature of 30 °C,  
VDDA= 3 V
0x1FF8 007A - 0x1FF8 007B
TSENSE_CAL2
TS ADC raw data acquired at 
temperature of 130 °C 
VDDA= 3 V
0x1FF8 007E - 0x1FF8 007F
Table 8. Internal voltage reference measured values
Calibration value name Description Memory address
VREFINT_CAL
Raw data acquired at 
temperature of 25 °C
VDDA = 3 V
0x1FF8 0078 - 0x1FF8 0079

Functional overview STM32L051x6 STM32L051x8
28/133 DS10184 Rev 10
3.14 System configuration controller
The system configuration controller provides the capability to remap some alternate 
functions on different I/O ports.
The highly flexible routing interface allows the application firmware to control the routing of 
different I/Os to the TIM2, TIM21, TIM22 and LPTIM timer input captures. It also controls the 
routing of internal analog signals to ADC, COMP1 and COMP2 and the internal reference 
voltage VREFINT
. 
3.15  Timers and watchdogs
The ultra-low-power STM32L051x6/8 devices include three general-purpose timers, one 
low- power timer (LPTIM), one basic timer, two watchdog timers and the SysTick timer.
Table  9 compares the features of the general-purpose and basic timers.
3.15.1 General-purpose timers (TIM2, TIM21 and TIM22)
There are three synchronizable general-purpose timers embedded in the STM32L051x6/8 
devices (see Table 9 for differences).
TIM2
TIM2 is based on 16-bit auto-reload up/down counter. It includes a 16-bit prescaler. It 
features four independent channels each for input capture/output compare, PWM or one-
pulse mode output. 
The TIM2 general-purpose timers can work together or with the TIM21 and TIM22 general-
purpose timers via the Timer Link feature for synchronization or event chaining. Their 
counter can be frozen in debug mode. Any of the general-purpose timers can be used to 
generate PWM outputs.
TIM2 has independent DMA request generation.
This timer is capable of handling quadrature (incremental) encoder signals and the digital 
outputs from 1 to 3 hall-effect sensors.
TIM21 and TIM22
TIM21 and TIM22 are based on a 16-bit auto-reload up/down counter. They include a 16-bit 
prescaler. They have two independent channels for input capture/output compare, PWM or 
Table 9. Timer feature comparison 
Timer Counter 
resolution Counter type Prescaler factor
DMA 
request 
generation
Capture/compare 
channels
Complementary
outputs
TIM2 16-bit Up, down, 
up/down
Any integer between 
1 and 65536 Yes 4 No
TIM21, 
TIM22 16-bit Up, down, 
up/down
Any integer between 
1 and 65536 No 2 No
TIM6 16-bit Up Any integer between 
1 and 65536 Yes 0 No

DS10184 Rev 10 29/133
STM32L051x6 STM32L051x8 Functional overview
32
one-pulse mode output. They can work together and be synchronized with the TIM2, full-
featured general-purpose timers.
They can also be used as simple time bases and be clocked by the LSE clock source 
(32.768 kHz) to provide time bases independent from the main CPU clock.
3.15.2 Low-power Timer (LPTIM)
The low-power timer has an independent clock and is running also in Stop mode if it is 
clocked by LSE, LSI or an external clock. It is able to wakeup the devices from Stop mode.
This low-power timer supports the following features:
•16-bit up counter with 16-bit autoreload register
•16-bit compare register
•Configurable output: pulse, PWM
•Continuous / one shot mode
•Selectable software / hardware input trigger
•Selectable clock source
– Internal clock source: LSE, LSI, HSI or APB clock
– External clock source over LPTIM input (working even with no internal clock 
source running, used by the Pulse Counter Application)
•Programmable digital glitch filter
•Encoder mode
3.15.3  Basic timer (TIM6)
This timer can be used as a generic 16-bit timebase.
3.15.4 SysTick timer
This timer is dedicated to the OS, but could also be used as a standard downcounter. It is 
based on a 24-bit downcounter with autoreload capability and a programmable clock 
source. It features a maskable system interrupt generation when the counter reaches ‘0’.
3.15.5 Independent watchdog (IWDG)
The independent watchdog is based on a 12-bit downcounter and 8-bit prescaler. It is 
clocked from an independent 37 kHz internal RC and, as it operates independently of the 
main clock, it can operate in Stop and Standby modes. It can be used either as a watchdog 
to reset the device when a problem occurs, or as a free-running timer for application timeout 
management. It is hardware- or software-configurable through the option bytes. The counter 
can be frozen in debug mode.
3.15.6 Window watchdog (WWDG)
The window watchdog is based on a 7-bit downcounter that can be set as free-running. It 
can be used as a watchdog to reset the device when a problem occurs. It is clocked from 
the main clock. It has an early warning interrupt capability and the counter can be frozen in 
debug mode.
 
 
 
 
 
 
 
 
 
 
 
 
Functional overview STM32L051x6 STM32L051x8
30/133 DS10184 Rev 10
3.16 Communication interfaces
3.16.1 I2C bus
two I2C interface (I2C1, I2C2) can operate in multimaster or slave modes. 
Each I2C interface can support Standard mode (Sm, up to 100 kbit/s), Fast mode (Fm, up to 
400 kbit/s) and Fast Mode Plus (Fm+, up to 1 Mbit/s) with 20 mA output drive on some I/Os.
7-bit and 10-bit addressing modes, multiple 7-bit slave addresses (2 addresses, 1 with 
configurable mask) are also supported as well as programmable analog and digital noise 
filters.
In addition, I2C1 provides hardware support for SMBus 2.0 and PMBus 1.1: ARP capability, 
Host notify protocol, hardware CRC (PEC) generation/verification, timeouts verifications and 
ALERT protocol management. I2C1 also has a clock domain independent from the CPU 
clock, allowing the I2C1 to wake up the MCU from Stop mode on address match.
Each I2C interface can be served by the DMA controller.
Refer to Table 11 for an overview of I2C interface features.
Table 10. Comparison of I2C analog and digital filters
Analog filter Digital filter
Pulse width of 
suppressed spikes  ≥ 50 ns Programmable length from 1 to 15 
I2C peripheral clocks
Benefits Available in Stop mode
1. Extra filtering capability vs. 
standard requirements. 
2. Stable length
Drawbacks Variations depending on 
temperature, voltage, process
Wakeup from Stop on address 
match is not available when digital 
filter is enabled.
Table 11. STM32L051x6/8 I2C implementation 
I2C features(1)
1. X = supported.
I2C1 I2C2
7-bit addressing mode X X
10-bit addressing mode X X
Standard mode (up to 100 kbit/s) X X
Fast mode (up to 400 kbit/s) X X
Fast Mode Plus with 20 mA output drive I/Os (up to 1 Mbit/s) X X(2)
2. See  for the list of I/Os that feature Fast Mode Plus capability 
Independent clock X -
SMBus X -
Wakeup from STOP X -
 
 
 
DS10184 Rev 10 31/133
STM32L051x6 STM32L051x8 Functional overview
32
3.16.2 Universal synchronous/asynchronous receiver transmitter (USART)
The two USART interfaces (USART1, USART2) are able to communicate at speeds of up to 
4 Mbit/s.
They provide hardware management of the CTS, RTS and RS485 driver enable (DE) 
signals, multiprocessor communication mode, master synchronous communication and 
single-wire half-duplex communication mode. They also support SmartCard communication 
(ISO 7816), IrDA SIR ENDEC, LIN Master/Slave capability, auto baud rate feature and has 
a clock domain independent from the CPU clock, allowing to wake up the MCU from Stop 
mode using baudrates up to 42 Kbaud.
All USART interfaces can be served by the DMA controller.
Table 12 for the supported modes and features of USART interfaces.
3.16.3 Low-power universal asynchronous receiver transmitter (LPUART)
The devices embed one Low-power UART. The LPUART supports asynchronous serial 
communication with minimum power consumption. It supports half duplex single wire 
communication and modem operations (CTS/RTS). It allows multiprocessor 
communication.
The LPUART has a clock domain independent from the CPU clock. It can wake up the 
system from Stop mode using baudrates up to 46 Kbaud. The Wakeup events from Stop 
mode are programmable and can be: 
•Start bit detection
•Or any received data frame 
•Or a specific programmed data frame
Table 12. USART implementation 
USART modes/features(1)
1. X = supported.
USART1 and USART2
Hardware flow control for modem X
Continuous communication using DMA X
Multiprocessor communication X
Synchronous mode(2)
2. This mode allows using the USART as an SPI master.
X
Smartcard mode X
Single-wire half-duplex communication X
IrDA SIR ENDEC block X
LIN mode X
Dual clock domain and wakeup from Stop mode X
Receiver timeout interrupt X
Modbus communication X
Auto baud rate detection (4 modes)  X
Driver Enable X

Functional overview STM32L051x6 STM32L051x8
32/133 DS10184 Rev 10
Only a 32.768 kHz clock (LSE) is needed to allow LPUART communication up to 9600 
baud. Therefore, even in Stop mode, the LPUART can wait for an incoming frame while 
having an extremely low energy consumption. Higher speed clock can be used to reach 
higher baudrates.
LPUART interface can be served by the DMA controller.
3.16.4  Serial peripheral interface (SPI)/Inter-integrated sound (I2S)
Up to two SPIs are able to communicate at up to 16 Mbits/s in slave and master modes in 
full-duplex and half-duplex communication modes. The 3-bit prescaler gives 8 master mode 
frequencies and the frame is configurable to 8 bits or 16 bits. The hardware CRC 
generation/verification supports basic SD Card/MMC modes. 
The USARTs with synchronous capability can also be used as SPI master.
One standard I2S interfaces (multiplexed with SPI2) is available. It can operate in master or 
slave mode, and can be configured to operate with a 16-/32-bit resolution as input or output 
channels. Audio sampling frequencies from 8 kHz up to 192 kHz are supported. When the 
I2S interfaces is configured in master mode, the master clock can be output to the external 
DAC/CODEC at 256 times the sampling frequency.
The SPIs can be served by the DMA controller.
Refer to Table 13 for the differences between SPI1 and SPI2.
3.17 Cyclic redundancy check (CRC) calculation unit
The CRC (cyclic redundancy check) calculation unit is used to get a CRC code using a 
configurable generator polynomial value and size.
Among other applications, CRC-based techniques are used to verify data transmission or 
storage integrity. In the scope of the EN/IEC 60335-1 standard, they offer a means of 
verifying the Flash memory integrity. The CRC calculation unit helps compute a signature of 
the software during runtime, to be compared with a reference signature generated at 
linktime and stored at a given memory location.
3.18  Serial wire debug port (SW-DP)
An Arm SW-DP interface is provided to allow a serial wire debugging tool to be connected to 
the MCU.
Table 13. SPI/I2S implementation
SPI features(1)
1. X = supported.
SPI1 SPI2
Hardware CRC calculation X X
I2S mode  - X
TI mode X X
 
 
 
 
 
 
 
DS10184 Rev 10 33/133
STM32L051x6 STM32L051x8 Pin descriptions
44
4 Pin descriptions
Figure 3. STM32L051x6/8 LQFP64 pinout 
1. The above figure shows the package top view.
2. PA11 and PA12 input/outputs (greyed out pins) are supplied by VDDIO2. 
               
              
 
9''
3&
3&26&B,1
3&26&B287
3+26&B,1
3+26&B287
1567
3&
3&
3&
3&
966$
9''$
3$
3$
3$
9''
966 
3%
3%
%227
3%
3%
3%
3%
3%
3'
3&
3&
3&
3$
3$
9'',2
966
3$
3$
3$
3$
3$
3$
3&
3&
3&
3&
3%
3%
3%
3%
3$
966
9''
3$
3$
3$
3$
3&
3&
3%
3%
3%
3%
3%
966
9''
/4)3
069
 
 
 
 
 
 
 
 
 
 
 
Pin descriptions STM32L051x6 STM32L051x8
34/133 DS10184 Rev 10
Figure 4. STM32L051x6/8 TFBGA64 ballout  
1. The above figure shows the package top view.
2. PA11 and PA12 input/outputs (greyed out pins) are supplied by VDDIO2. 
06Y9
W,ϬͲ
K^ͺ/E
WϭϰͲ
K^ϯϮͺ
/E
WϭϱͲ
K^ϯϮͺ
Khd
W,ϭͲ
K^ͺK
hd
&
'
,
ϴ
Ϯϯ ϰ ϱ ϲ ϳ
ϭ
EZ^d
s^^
sZ&н
s
Wϭϯ
s
s^^
s
Wϭ
WϮ
WϬ
Wϭ
Wϵ Wϰ Wϯ Wϭϱ Wϭϰ Wϭϯ
Wϴ KKdϬ WϮ Wϭϭ WϭϬ WϭϮ
Wϳ Wϱ WϭϮ WϭϬ Wϵ Wϭϭ
Wϲ s^^ s^^ s^^ Wϴ Wϵ
WϬ s s s
/KϮ Wϳ Wϴ
WϮ Wϱ WϬ Wϲ Wϭϱ Wϭϰ
Wϯ Wϲ Wϭ WϮ WϭϬ Wϭϯ
Wϰ Wϳ Wϰ Wϱ Wϭϭ WϭϮ
 my I ‘
PC‘S I 2
PCM’OSCSQ w I 3
Pcwoscaz out I 4
we use w I 5
PH‘rOSC out I s
NRSI I 7
VSSA I a
vum I 9
m I «3
PM I u
w I ‘2
       
 
UFQFPN48
 
 
 
 
 
 
my I ‘
PC‘S I 2
PCM’OSCSQ w I 3
Pcwoscaz out I 4
we use w I 5
PH‘rOSC out I s
NRSI I 7
VSSA I a
vum I 9
m I «3
PM I u
w I ‘2
       
 
UFQFPN48
 
 
 
 
DS10184 Rev 10 35/133
STM32L051x6 STM32L051x8 Pin descriptions
44
Figure 5. STM32L051x6/8 LQFP48 pinout 
1. The above figure shows the package top view.
2. PA11 and PA12 input/outputs (greyed out pins) are supplied by VDDIO2. 
Figure 6. STM32L051x6/8 UFQFPN48
1. The above figure shows the package top view.
2. PA11 and PA12 input/outputs (greyed out pins) are supplied by VDDIO2. 
       
         
   
3$
3$
3$
3$
3$
3%
3%
3%
3%
3%
966
9''
9'',2
966 
3$
3$
3$
3$
3$
3$
3%
3%
3%
3%
9''
3&
3&26&B,1
3&26&B287
3+26&B,1
3+26&B287
1567
966$
9''$
3$
3$
3$
9''
966 
3%
3%
%227
3%
3%
3%
3%
3%
3$
3$
/4)3
069
06Y9
8)4)31
9''
3&
3&26&B,1
3&26&B287
3+26&B,1
3+26&B287
1567
966$
9''$
3$
3$
3$
3$
3$
3$
3%
9''
3$
3$
3%
3%
3%
3%
966
9'',2
966
3$
3$
3$
3$
3$
3$
3%
3%
3%
3%
9''
966
%227
3%
3$
3%
3%
3%
3%
3%
3%
3$
 F) ‘ C, C)
C) C) (3 C)
V C/ O C
/’\
C) C) C) (E C) C)
4 C)
C)
C)
C
C) C) (D C)
 
 
 
 
 
LQFP32
 
 
 
F) ‘ C, C)
C) C) (3 C)
V C/ O C
/’\
C) C) C) (E C) C)
4 C)
C)
C)
C
C) C) (D C)
 
 
 
 
 
LQFP32
 
 
 
 
Pin descriptions STM32L051x6 STM32L051x8
36/133 DS10184 Rev 10
Figure 7. STM32L051x6/8 WLCSP36 ballout 
1. The above figure shows the package top view.
Figure 8. STM32L051x6/8 LQFP32 pinout 
1. The above figure shows the package top view.
3$
3$
06Y9
$
%
&
'
(
)
3$
3$
3$
9''
3$
3$
3$
3%
3%
3%
3% 3% 9''
3&
26&
B,1
3% 3% 3% 3&
26&
B287
3% 3% %22
7 1567
3% 3$ 9''$ 966
3$ 3$ 3$ 95()
3$ 3$ 3$ 3$
06Y9
       
  
3$
3$
3$
3$
3$
3%
3%
966
3$
3$
3$
3$
3$
3$
3$
9''
1567
9''$
3$
3$
3$
966
%227
3%
3%
3%
3%
3%
3$
3&26&B,1
3&26&B287
9''
/4)3
 u u u u u u u
u
 
: :: ,
CC. CCCCC
 
3))
:,
 
 
u u u u u u u
u
 
: :: ,
CC. CCCCC
 
3))
:,
 
 
 
 
 
 
 
 
 
DS10184 Rev 10 37/133
STM32L051x6 STM32L051x8 Pin descriptions
44
Figure 9. STM32L051x6/8 UFQFPN32 pinout 
1. The above figure shows the package top view.
06Y9
       
  
3$
3$
3$
3$
3$
3%
3%
3%
3$
3$
3$
3$
3$
3$
3$
9''
1567
9''$
3$
3$
3$
3%
%227
3%
3%
3%
3%
3%
3$
3&26&B,1
3&26&B287
9''
966
Table 14. Legend/abbreviations used in the pinout table 
Name Abbreviation  Definition 
Pin name  Unless otherwise specified in brackets below the pin name, the pin function during and 
after reset is the same as the actual pin name 
Pin type 
S Supply pin 
I Input only pin 
I/O  Input / output pin 
I/O structure 
FT  5 V tolerant I/O 
FTf 5 V tolerant I/O, FM+ capable
TC  Standard 3.3V I/O 
B Dedicated BOOT0 pin
RST Bidirectional reset pin with embedded weak pull-up resistor
Notes  Unless otherwise specified by a note, all I/Os are set as floating inputs during and after 
reset. 
Pin functions 
Alternate 
functions  Functions selected through GPIOx_AFR registers 
Additional 
functions  Functions directly selected/enabled through peripheral registers 

Pin descriptions STM32L051x6 STM32L051x8
38/133 DS10184 Rev 10
Table 15. STM32L051x6/8 pin definitions  
Pin Number
Pin name 
(function 
after reset)
Pin type
I/O structure
Notes
Alternate functions Additional 
functions
LQFP64
TFBGA64
LQFP48
UFQFPN48
WLCSP36(1)
LQFP32
UFQFPN32
1B211 - - - VDD S - - - -
2 A2 2 2 - - - PC13 I/O FT - -
RTC_TAMP1/
RTC_TS/
RTC_OUT/
WKUP2
3A133A62 2
PC14-
OSC32_IN 
(PC14)
I/O FT - - OSC32_IN
4B144B63 3
PC15-
OSC32_OUT 
(PC15)
I/O TC - - OSC32_OUT
5C155 - - -PH0-OSC_IN 
(PH0) I/O TC - - OSC_IN
6D166 - - -
PH1-
OSC_OUT 
(PH1)
I/O TC - - OSC_OUT
7 E1 7 7 C6 4 4 NRST I/O RST - - -
8 E3 - - - - - PC0 I/O FT - LPTIM1_IN1, 
EVENTOUT ADC_IN10
9 E2 - - - - - PC1 I/O FT - LPTIM1_OUT, 
EVENTOUT ADC_IN11
10 F2 - - - - - PC2 I/O FT -
LPTIM1_IN2, 
SPI2_MISO/I2S2_M
CK
ADC_IN12
11 - - - - - - PC3 I/O FT - LPTIM1_ETR, 
SPI2_MOSI/I2S2_SD ADC_IN13
12 F1 8 8 - - - VSSA S - - -
-G1- -E6- - VREF+ S - - -
13 H1 9 9 D5 5 5 VDDA S - - -
14 G2 10 10 D4 6 6 PA0 I/O TC -
TIM2_CH1, 
USART2_CTS, 
TIM2_ETR, 
COMP1_OUT
COMP1_INM6, 
ADC_IN0, 
RTC_TAMP2/WKU
P1

DS10184 Rev 10 39/133
STM32L051x6 STM32L051x8 Pin descriptions
44
15 H2 11 11 F6 7 7 PA1 I/O FT -
EVENTOUT, 
TIM2_CH2, 
USART2_RTS/
USART2_DE, 
TIM21_ETR
COMP1_INP, 
ADC_IN1
16 F3 12 12 E5 8 8 PA2 I/O FT -
TIM21_CH1, 
TIM2_CH3, 
USART2_TX, 
COMP2_OUT
COMP2_INM6, 
ADC_IN2
17 G3 13 13 F5 9 9 PA3 I/O FT -
TIM21_CH2, 
TIM2_CH4, 
USART2_RX
COMP2_INP, 
ADC_IN3
18 C2 - - - - - VSS S - - -
19 D2 - - - - - VDD S - - -
20 H3 14 14 E4 10 10 PA4 I/O TC
SPI1_NSS, 
USART2_CK, 
TIM22_ETR
COMP1_INM4, 
COMP2_INM4, 
ADC_IN4
21 F4 15 15 F4 11 11 PA5 I/O TC -
SPI1_SCK, 
TIM2_ETR, 
TIM2_CH1
COMP1_INM5, 
COMP2_INM5, 
ADC_IN5
22 G4 16 16 E3 12 12 PA6 I/O FT -
SPI1_MISO, 
LPUART1_CTS, 
TIM22_CH1, 
EVENTOUT, 
COMP1_OUT
ADC_IN6
23 H4 17 17 F3 13 13 PA7 I/O FT -
SPI1_MOSI, 
TIM22_CH2, 
EVENTOUT, 
COMP2_OUT
ADC_IN7
24 H5 - - - - - PC4 I/O FT - EVENTOUT, 
LPUART1_TX ADC_IN14
25 H6 - - - - - PC5 I/O FT - LPUART1_RX, ADC_IN15
26 F5 18 18 D3 14 14 PB0 I/O FT - EVENTOUT ADC_IN8, 
VREF_OUT
27 G5 19 19 C3 15 15 PB1 I/O FT -  LPUART1_RTS/
LPUART1_DE
ADC_IN9, 
VREF_OUT
Table 15. STM32L051x6/8 pin definitions  (continued)
Pin Number
Pin name 
(function 
after reset)
Pin type
I/O structure
Notes
Alternate functions Additional 
functions
LQFP64
TFBGA64
LQFP48
UFQFPN48
WLCSP36(1)
LQFP32
UFQFPN32

Pin descriptions STM32L051x6 STM32L051x8
40/133 DS10184 Rev 10
28 G6 20 20 F2 - 16 PB2 I/O FT - LPTIM1_OUT -
29 G7 21 21 E2 - - PB10 I/O FT -
TIM2_CH3, 
LPUART1_TX, 
SPI2_SCK, 
I2C2_SCL
-
30 H7 22 22 D2 - - PB11 I/O FT -
EVENTOUT, 
TIM2_CH4, 
LPUART1_RX, 
I2C2_SDA
-
31 D6 23 23 - 16 - VSS S - - - -
32 E5 24 24 F1 17 17 VDD S - - - -
33 H8 25 25 - - - PB12 I/O FT -
SPI2_NSS/I2S2_WS, 
LPUART1_RTS/
LPUART1_DE,
EVENTOUT
-
34 G8 26 26 - - - PB13 I/O FTf -
SPI2_SCK/I2S2_CK, 
LPUART1_CTS, 
I2C2_SCL, 
TIM21_CH1
-
35 F8 27 27 - - - PB14 I/O FTf -
SPI2_MISO/I
2S2_MCK, 
RTC_OUT, 
LPUART1_RTS/
LPUART1_DE, 
I2C2_SDA, 
TIM21_CH2
-
36 F7 28 28 - - - PB15 I/O FT - SPI2_MOSI/I2S2_SD
, RTC_REFIN -
37 F6 - - - - - PC6 I/O FT - TIM22_CH1 -
38 E7 - - - - - PC7 I/O FT - TIM22_CH2 -
39 E8 - - - - - PC8 I/O FT - TIM22_ETR -
40 D8 - - - - - PC9 I/O FT - TIM21_ETR -
41 D7 29 29 E1 18 18 PA8 I/O FT - MCO, EVENTOUT, 
USART1_CK -
Table 15. STM32L051x6/8 pin definitions  (continued)
Pin Number
Pin name 
(function 
after reset)
Pin type
I/O structure
Notes
Alternate functions Additional 
functions
LQFP64
TFBGA64
LQFP48
UFQFPN48
WLCSP36(1)
LQFP32
UFQFPN32

DS10184 Rev 10 41/133
STM32L051x6 STM32L051x8 Pin descriptions
44
42 C7 30 30 D1 19 19 PA9 I/O FT - MCO, USART1_TX -
43 C6 31 31 C1 20 20 PA10 I/O FT -  USART1_RX -
44 C8 32 32 C2 21 21 PA11 I/O FT -
SPI1_MISO, 
EVENTOUT, 
USART1_CTS, 
COMP1_OUT
-
45 B8 33 33 B1 22 22 PA12 I/O FT -
SPI1_MOSI, 
EVENTOUT, 
USART1_RTS/
USART1_DE, 
COMP2_OUT
-
46 A8 34 34 A1 23 23 PA13 I/O FT - SWDIO -
47 D5 35 35 - - - VSS S - - -
48 E6 36 36 - - - VDDIO2 S - - -
49 A7 37 37 B2 24 24 PA14 I/O FT - SWCLK, 
USART2_TX
50 A6 38 38 A2 25 25 PA15 I/O FT -
SPI1_NSS, 
TIM2_ETR, 
EVENTOUT, 
USART2_RX, 
TIM2_CH1
-
51 B7 - - - - - PC10 I/O FT - LPUART1_TX -
52 B6 - - - - - PC11 I/O FT - LPUART1_RX -
53 C5 - - - - - PC12 I/O FT - - -
54 B5 - - - - - PD2 I/O FT - LPUART1_RTS/
LPUART1_DE -
55 A5 39 39 B3 26 26 PB3 I/O FT -
SPI1_SCK, 
TIM2_CH2, 
EVENTOUT
COMP2_INN
56 A4 40 40 A3 27 27 PB4 I/O FT -
SPI1_MISO, 
EVENTOUT, 
TIM22_CH1
COMP2_INP
Table 15. STM32L051x6/8 pin definitions  (continued)
Pin Number
Pin name 
(function 
after reset)
Pin type
I/O structure
Notes
Alternate functions Additional 
functions
LQFP64
TFBGA64
LQFP48
UFQFPN48
WLCSP36(1)
LQFP32
UFQFPN32

Pin descriptions STM32L051x6 STM32L051x8
42/133 DS10184 Rev 10
57 C4 41 41 C4 28 28 PB5 I/O FT -
SPI1_MOSI, 
LPTIM1_IN1, 
I2C1_SMBA, 
TIM22_CH2
COMP2_INP
58 D3 42 42 B4 29 29 PB6 I/O FTf -
USART1_TX, 
I2C1_SCL, 
LPTIM1_ETR
COMP2_INP
59 C3 43 43 A4 30 30 PB7 I/O FTf -
USART1_RX, 
I2C1_SDA, 
LPTIM1_IN2
COMP2_INP, 
PVD_IN
60 B4 44 44 C5 31 31 BOOT0 B - - -
61 B3 45 45 B5 - 32 PB8 I/O FTf -  I2C1_SCL -
62 A3 46 46 - - - PB9 I/O FTf -
EVENTOUT, 
I2C1_SDA, 
SPI2_NSS/I2S2_WS
-
63 D4 47 47 D6 32 - VSS S - - - -
64 E4 48 48 A5 1 1 VDD S - - - -
1. PB9/12/13/14/15, PH0/1 and PC13 GPIOs should be configured as output and driven Low, even if they are not available on 
this package.
Table 15. STM32L051x6/8 pin definitions  (continued)
Pin Number
Pin name 
(function 
after reset)
Pin type
I/O structure
Notes
Alternate functions Additional 
functions
LQFP64
TFBGA64
LQFP48
UFQFPN48
WLCSP36(1)
LQFP32
UFQFPN32

STM32L051x6 STM32L051x8 Pin descriptions
DS10184 Rev 10 43/133
Table 16. Alternate function port A
Port
AF0 AF1 AF2 AF3 AF4 AF5 AF6 AF7
SPI1/TIM21/SYS_A
F/EVENTOUT/ -TIM2/
EVENTOUT/ EVENTOUT USART1/2/3 TIM2/21/22 EVENTOUT COMP1/2
Port A
PA0 - - TIM2_CH1 - USART2_CTS TIM2_ETR - COMP1_OUT
PA1 EVENTOUT - TIM2_CH2 - USART2_RTS/
USART2_DE TIM21_ETR - -
PA2 TIM21_CH1 - TIM2_CH3 - USART2_TX - - COMP2_OUT
PA3 TIM21_CH2 - TIM2_CH4 - USART2_RX - - -
PA4 SPI1_NSS - - - USART2_CK TIM22_ETR - -
PA5 SPI1_SCK - TIM2_ETR - - TIM2_CH1 - -
PA6 SPI1_MISO - - - LPUART1_CTS TIM22_CH1 EVENTOUT COMP1_OUT
PA7 SPI1_MOSI - - - - TIM22_CH2 EVENTOUT COMP2_OUT
PA8 MCO - - EVENTOUT USART1_CK - - -
PA9 MCO - - - USART1_TX - - -
PA10 - - - - USART1_RX - - -
PA11 SPI1_MISO - EVENTOUT - USART1_CTS - - COMP1_OUT
PA12 SPI1_MOSI - EVENTOUT - USART1_RTS/
USART1_DE - - COMP2_OUT
PA13 SWDIO - - - - - - -
PA14 SWCLK - - - USART2_TX - - -
PA15 SPI1_NSS - TIM2_ETR EVENTOUT USART2_RX TIM2_CH1 - -

Pin descriptions STM32L051x6 STM32L051x8
44/133 DS10184 Rev 10
Table 17. Alternate function port B
Port
AF0 AF1 AF2 AF3 AF4 AF5 AF6
SPI1/SPI2/I2S2/
USART1/
EVENTOUT/
I2C1
LPUART1/LPTIM
/TIM2/SYS_AF/
EVENTOUT
I2C1
I2C1/TIM22/
EVENTOUT/
LPUART1
SPI2/I2S2/I2C2 I2C2/TIM21/
EVENTOUT
Port B
PB0 EVENTOUT - - - - - -
PB1 - - - - LPUART1_RTS/
LPUART1_DE --
PB2 - - LPTIM1_OUT - - - -
PB3 SPI1_SCK - TIM2_CH2 - EVENTOUT - -
PB4 SPI1_MISO - EVENTOUT - TIM22_CH1 - -
PB5 SPI1_MOSI - LPTIM1_IN1 I2C1_SMBA TIM22_CH2 - -
PB6 USART1_TX I2C1_SCL LPTIM1_ETR - - - -
PB7 USART1_RX I2C1_SDA LPTIM1_IN2 - - - -
PB8 - - - - I2C1_SCL - -
PB9 - - EVENTOUT - I2C1_SDA SPI2_NSS/I2S2_
WS -
PB10 - - TIM2_CH3 - LPUART1_TX SPI2_SCK I2C2_SCL
PB11 EVENTOUT - TIM2_CH4 - LPUART1_RX - I2C2_SDA
PB12 SPI2_NSS/I2S2_WS - LPUART1_RTS/
LPUART1_DE - - - EVENTOUT
PB13 SPI2_SCK/I2S2_CK - - - LPUART1_CTS I2C2_SCL TIM21_CH1
PB14 SPI2_MISO/I2S2_MCK - RTC_OUT - LPUART1_RTS/
LPUART1_DE I2C2_SDA TIM21_CH2
PB15 SPI2_MOSI/I2S2_SD - RTC_REFIN - - -
 Figure 10. Pin loading conditions
 
Figure 11. Pin input voltage
 
 
Figure 10. Pin loading conditions
 
Figure 11. Pin input voltage
 
 
 
Electrical characteristics STM32L051x6 STM32L051x8
46/133 DS10184 Rev 10
6 Electrical characteristics
6.1 Parameter conditions
Unless otherwise specified, all voltages are referenced to VSS.
6.1.1  Minimum and maximum values
Unless otherwise specified the minimum and maximum values are guaranteed in the worst 
conditions of ambient temperature, supply voltage and frequencies by tests in production on 
100% of the devices with an ambient temperature at TA = 25 °C and TA = TAmax (given by 
the selected temperature range).
Data based on characterization results, design simulation and/or technology characteristics 
are indicated in the table footnotes and are not tested in production. Based on 
characterization, the minimum and maximum values refer to sample tests and represent the 
mean value plus or minus three times the standard deviation (mean±3σ).
6.1.2 Typical values
Unless otherwise specified, typical data are based on TA = 25 °C, VDD = 3.6 V (for the 
1.65 V ≤ VDD ≤ 3.6 V voltage range). They are given only as design guidelines and are not 
tested.
Typical ADC accuracy values are determined by characterization of a batch of samples from 
a standard diffusion lot over the full temperature range, where 95% of the devices have an 
error less than or equal to the value indicated (mean±2σ).
6.1.3 Typical curves
Unless otherwise specified, all typical curves are given only as design guidelines and are 
not tested.
6.1.4 Loading capacitor
The loading conditions used for pin parameter measurement are shown in Figure 10.
6.1.5  Pin input voltage
The input voltage measurement on a pin of the device is described in Figure 11.
Figure 10. Pin loading conditions Figure 11. Pin input voltage
DLF
& S)
0&8SLQ
DLF
0&8SLQ
9,1
 MSVBMHW
 
 
 
 
 
 
 
 
 
 
 
MSVBMHW
 
 
 
 
DS10184 Rev 10 47/133
STM32L051x6 STM32L051x8 Electrical characteristics
99
6.1.6  Power supply scheme
Figure 12. Power supply scheme 
6.1.7 Current consumption measurement
Figure 13. Current consumption measurement scheme
06Y9
$QDORJ
5&3//&203
«
9''
*3,2V
287
,1 .HUQHOORJLF
&38
'LJLWDO
0HPRULHV
6WDQGE\SRZHUFLUFXLWU\
26&57&:DNHXS
ORJLF57&EDFNXS
UHJLVWHUV
1îQ)
î)
5HJXODWRU
966
9''$
95()
95()
966$
$'&
/HYHOVKLIWHU
,2
/RJLF
9''
Q)
)
95()
Q)
)
9''$
06Y9
1[9''
,''
1îQ)
î) 1[966
9''$

Electrical characteristics STM32L051x6 STM32L051x8
48/133 DS10184 Rev 10
6.2  Absolute maximum ratings
Stresses above the absolute maximum ratings listed in Table 18: Voltage characteristics, 
Table 19: Current characteristics, and Table 20: Thermal characteristics may cause 
permanent damage to the device. These are stress ratings only and functional operation of 
the device at these conditions is not implied. Exposure to maximum rating conditions for 
extended periods may affect device reliability. Device mission profile (application conditions) 
is compliant with JEDEC JESD47 Qualification Standard. Extended mission profiles are 
available on demand. 
            Table 18. Voltage characteristics
Symbol Definition Min Max Unit
VDD–VSS
External main supply voltage  
(including VDDA, VDDIO2, VDD)(1)
1. All main power (VDD,VDDIO2, VDDA) and ground (VSS, VSSA) pins must always be connected to the external 
power supply, in the permitted range.
–0.3 4.0
V
VIN(2)
2.  VIN maximum must always be respected. Refer to Table 19 for maximum allowed injected current values.
Input voltage on FT and FTf pins VSS − 0.3 VDD+4.0
Input voltage on TC pins VSS − 0.3 4.0
Input voltage on BOOT0 VSS VDD + 4.0
Input voltage on any other pin VSS − 0.3 4.0
|ΔVDD| Variations between different VDDx power pins - 50
mV|VDDA-VDDx|Variations between any VDDx and VDDA power 
pins(3)
3. It is recommended to power VDD and VDDA from the same source. A maximum difference of 300 mV 
between VDD and VDDA can be tolerated during power-up and device operation. VDDIO2 is independent 
from VDD and VDDA: its value does not need to respect this rule.
- 300
|ΔVSS| Variations between all different ground pins - 50
VREF+ –VDDA Allowed voltage difference for VREF+ > VDDA -0.4V
VESD(HBM)
Electrostatic discharge voltage  
(human body model) see Section 6.3.11
 (sourceW)
 
 
(sourceW)
 
 
 
 
 
 
 
 
 
 
 
 
 
 
 
 
 
 
 
 
 
 
 
 
 
 
 
 
 
DS10184 Rev 10 49/133
STM32L051x6 STM32L051x8 Electrical characteristics
99
            Table 19. Current characteristics 
Symbol Ratings  Max. Unit
ΣIVDD(2) Total current into sum of all VDD power lines (source)(1)
1. All main power (VDD, VDDA) and ground (VSS, VSSA) pins must always be connected to the external power 
supply, in the permitted range.
105
mA
ΣIVSS(2)
2. This current consumption must be correctly distributed over all I/Os and control pins. The total output 
current must not be sunk/sourced between two consecutive power supply pins referring to high pin count 
LQFP packages.
Total current out of sum of all VSS ground lines (sink)(1) 105
ΣIVDDIO2 Total current into VDDIO2 power line (source) 25
IVDD(PIN)  Maximum current into each VDD power pin (source)(1) 100
IVSS(PIN) Maximum current out of each VSS ground pin (sink)(1) 100
IIO
Output current sunk by any I/O and control pin except FTf 
pins 16
Output current sunk by FTf pins 22
Output current sourced by any I/O and control pin -16
ΣIIO(PIN)
Total output current sunk by sum of all IOs and control pins 
except PA11 and PA12(2) 90
Total output current sunk by PA11 and PA12 25
 Total output current sourced by sum of all IOs and control 
pins(2) -90
IINJ(PIN)
Injected current on FT, FTf, RST and B pins -5/+0(3) 
3. Positive current injection is not possible on these I/Os. A negative injection is induced by VIN<VSS. IINJ(PIN) 
must never be exceeded. Refer to Table 18 for maximum allowed input voltage values.
Injected current on TC pin  ± 5(4)
4. A positive injection is induced by VIN > VDD while a negative injection is induced by VIN < VSS. IINJ(PIN) 
must never be exceeded. Refer to Table 18: Voltage characteristics for the maximum allowed input voltage 
values.
ΣIINJ(PIN) Total injected current (sum of all I/O and control pins)(5)
5. When several inputs are submitted to a current injection, the maximum ΣIINJ(PIN) is the absolute sum of the 
positive and negative injected currents (instantaneous values).
± 25
Table 20. Thermal characteristics
Symbol Ratings  Value Unit
TSTG Storage temperature range –65 to +150 °C
TJMaximum junction temperature 150 °C
 
 
 
Electrical characteristics STM32L051x6 STM32L051x8
50/133 DS10184 Rev 10
6.3 Operating conditions
6.3.1  General operating conditions
           Table 21. General operating conditions 
Symbol Parameter  Conditions Min Max Unit
fHCLK Internal AHB clock frequency - 0  32
MHzfPCLK1 Internal APB1 clock frequency - 0  32
fPCLK2 Internal APB2 clock frequency - 0  32
VDD Standard operating voltage
BOR detector disabled 1.65 3.6
VBOR detector enabled, at power-on 1.8 3.6
BOR detector disabled, after power-on 1.65 3.6
VDDA
Analog operating voltage (all 
features) Must be the same voltage as VDD(1) 1.65 3.6 V
VDDIO2 Standard operating voltage - 1.65 3.6 V
VIN
Input voltage on FT, FTf and RST 
pins(2)
2.0 V ≤ VDD ≤ 3.6 V -0.3 5.5
V
1.65 V ≤ VDD ≤ 2.0 V -0.3 5.2
Input voltage on BOOT0 pin - 0 5.5
Input voltage on TC pin - -0.3 VDD+0.3
PD
Power dissipation at TA = 85 °C 
(range 6) or TA =105 °C (rage 7) (3)
TFBGA64 package - 327
mW
LQFP64 package - 444
LQFP48 package - 363
Standard WLCSP36 package - 318
Thin WLCSP36 package - 338
LQFP32 package - 351
UFQFPN32 - 526
UFQFPN48 - 654
Power dissipation at TA = 125 °C 
(range 3) (3)
TFBGA64 package - 81
LQFP64 package - 111
LQFP48 package - 91
Standard WLCSP36 package - 79
Thin WLCSP36 package - 84
LQFP32 package - 88
UFQFPN32 - 132
UFQFPN48 - 163
 
 
 
DS10184 Rev 10 51/133
STM32L051x6 STM32L051x8 Electrical characteristics
99
TA  Temperature range
Maximum power dissipation (range 6) –40  85
°C
Maximum power dissipation (range 7) –40  105
Maximum power dissipation (range 3) –40  125
TJ 
Junction temperature range (range 6)  -40 °C ≤ TA ≤ 85 ° –40  105
Junction temperature range (range 7)  -40 °C ≤ TA ≤ 105 °C –40  125
Junction temperature range (range 3) -40 °C ≤ TA ≤ 125 °C –40  130
1. It is recommended to power VDD and VDDA from the same source. A maximum difference of 300 mV between VDD and VDDA 
can be tolerated during power-up and normal operation.
2. To sustain a voltage higher than VDD+0.3V, the internal pull-up/pull-down resistors must be disabled.
3. If TA is lower, higher PD values are allowed as long as TJ does not exceed TJ max (see Table 20: Thermal characteristics on 
page 49).
Table 21. General operating conditions (continued)
Symbol Parameter  Conditions Min Max Unit
 
 
 
Electrical characteristics STM32L051x6 STM32L051x8
52/133 DS10184 Rev 10
6.3.2  Embedded reset and power control block characteristics
The parameters given in the following table are derived from the tests performed under the 
ambient temperature condition summarized in Table 21.
            Table 22. Embedded reset and power control block characteristics 
Symbol Parameter Conditions Min Typ Max Unit
tVDD(1)
VDD rise time rate
BOR detector enabled 0 - ∞
µs/V
BOR detector disabled 0 - 1000
VDD fall time rate
BOR detector enabled 20 - ∞
BOR detector disabled 0 - 1000
TRSTTEMPO(1) Reset temporization
VDD rising, BOR enabled - 2 3.3
ms
VDD rising, BOR disabled(2) 0.4 0.7 1.6
VPOR/PDR
Power-on/power down reset 
threshold
Falling edge 1 1.5 1.65
V
Rising edge 1.3 1.5 1.65
VBOR0 Brown-out reset threshold 0
Falling edge 1.67 1.7 1.74
Rising edge 1.69 1.76 1.8
VBOR1 Brown-out reset threshold 1
Falling edge 1.87 1.93 1.97
Rising edge 1.96 2.03 2.07
VBOR2 Brown-out reset threshold 2
Falling edge 2.22 2.30 2.35
Rising edge 2.31 2.41 2.44
VBOR3 Brown-out reset threshold 3
Falling edge 2.45 2.55 2.6
Rising edge 2.54 2.66 2.7
VBOR4 Brown-out reset threshold 4
Falling edge 2.68 2.8 2.85
Rising edge 2.78 2.9 2.95
VPVD0
Programmable voltage detector 
threshold 0
Falling edge 1.8 1.85 1.88
Rising edge 1.88 1.94 1.99
VPVD1 PVD threshold 1
Falling edge 1.98 2.04 2.09
Rising edge 2.08 2.14 2.18
VPVD2 PVD threshold 2
Falling edge 2.20 2.24 2.28
Rising edge 2.28 2.34 2.38
VPVD3 PVD threshold 3
Falling edge 2.39 2.44 2.48
Rising edge 2.47 2.54 2.58
VPVD4 PVD threshold 4
Falling edge 2.57 2.64 2.69
Rising edge 2.68 2.74 2.79
VPVD5 PVD threshold 5
Falling edge 2.77 2.83 2.88
Rising edge 2.87 2.94 2.99
 (2)
 
 
 
 
 
 
 
 
 
 
 
 
 
 
 
 
 
 
 
 
 
(2)
 
 
 
 
 
 
 
 
 
 
 
 
 
 
 
 
 
 
 
 
DS10184 Rev 10 53/133
STM32L051x6 STM32L051x8 Electrical characteristics
99
6.3.3 Embedded internal reference voltage
The parameters given in Table 24 are based on characterization results, unless otherwise 
specified.
VPVD6 PVD threshold 6
Falling edge 2.97 3.05 3.09
V
Rising edge 3.08 3.15 3.20
Vhyst Hysteresis voltage
BOR0 threshold - 40 -
mV
All BOR and PVD thresholds 
excepting BOR0 -100-
1. Guaranteed by characterization results.
2. Valid for device version without BOR at power up. Please see option "D" in Ordering information scheme for more details.
Table 22. Embedded reset and power control block characteristics (continued)
Symbol Parameter Conditions Min Typ Max Unit
Table 23. Embedded internal reference voltage calibration values
Calibration value name Description Memory address
VREFINT_CAL
Raw data acquired at 
temperature of 25 °C 
VDDA= 3 V
0x1FF8 0078 - 0x1FF8 0079
Table 24. Embedded internal reference voltage(1) 
Symbol Parameter Conditions Min Typ Max Unit
VREFINT out(2) Internal reference voltage – 40 °C < TJ < +125 °C 1.202 1.224 1.242 V
TVREFINT Internal reference startup time - - 2 3 ms
VVREF_MEAS
VDDA and VREF+ voltage during 
VREFINT factory measure -2.9933.01V
AVREF_MEAS
Accuracy of factory-measured 
VREFINT value(3)
Including uncertainties 
due to ADC and 
VDDA/VREF+  values
-- ±5mV
TCoeff(4) Temperature coefficient –40 °C < TJ < +125 °C - 25 100 ppm/°C
ACoeff(4) Long-term stability 1000 hours, T= 25 °C - - 1000 ppm
VDDCoeff(4) Voltage coefficient 3.0 V < VDDA < 3.6 V - - 2000 ppm/V
TS_vrefint(4)(5)
ADC sampling time when 
reading the internal reference 
voltage
-510-µs
TADC_BUF(4) Startup time of reference 
voltage buffer for ADC ---10µs
IBUF_ADC(4) Consumption of reference 
voltage buffer for ADC - - 13.5 25 µA
IVREF_OUT(4) VREF_OUT output current(6) ---1µA
CVREF_OUT(4) VREF_OUT output load - - - 50 pF

Electrical characteristics STM32L051x6 STM32L051x8
54/133 DS10184 Rev 10
6.3.4  Supply current characteristics
The current consumption is a function of several parameters and factors such as the 
operating voltage, temperature, I/O pin loading, device software configuration, operating 
frequencies, I/O pin switching rate, program location in memory and executed binary code. 
The current consumption is measured as described in Figure 13: Current consumption 
measurement scheme.
All Run-mode current consumption measurements given in this section are performed with a 
reduced code that gives a consumption equivalent to Dhrystone 2.1 code if not specified 
otherwise. 
The current consumption values are derived from the tests performed under ambient 
temperature and VDD supply voltage conditions summarized in Table 21: General operating 
conditions unless otherwise specified. 
The MCU is placed under the following conditions:
•All I/O pins are configured in analog input mode
•All peripherals are disabled except when explicitly mentioned
•The Flash memory access time and prefetch is adjusted depending on fHCLK 
frequency and voltage range to provide the best CPU performance unless otherwise 
specified.
•When the peripherals are enabled fAPB1 = fAPB2 = fAPB
•When PLL is ON, the PLL inputs are equal to HSI = 16 MHz (if internal clock is used) or 
HSE = 16 MHz (if HSE bypass mode is used)
•The HSE user clock applied to OSCI_IN input follows the characteristic specified in 
Table 38: High-speed external user clock characteristics
•For maximum current consumption VDD = VDDA = 3.6 V is applied to all supply pins
•For typical current consumption VDD = VDDA = 3.0 V is applied to all supply pins if not 
specified otherwise
The parameters given in Table 45, Table 21 and Table 22 are derived from tests performed 
under ambient temperature and VDD supply voltage conditions summarized in Table 21.
ILPBUF(4)
Consumption of reference 
voltage buffer for VREF_OUT 
and COMP 
- - 730 1200 nA
VREFINT_DIV1(4) 1/4 reference voltage - 24 25 26
% 
VREFINT
VREFINT_DIV2(4) 1/2 reference voltage - 49 50 51
VREFINT_DIV3(4) 3/4 reference voltage - 74 75 76
1. Refer to Table 36: Peripheral current consumption in Stop and Standby mode for the value of the internal reference current 
consumption (IREFINT). 
2. Guaranteed by test in production.
3. The internal VREF value is individually measured in production and stored in dedicated EEPROM bytes.
4. Guaranteed by design.
5. Shortest sampling time can be determined in the application by multiple iterations.
6. To guarantee less than 1% VREF_OUT deviation.
Table 24. Embedded internal reference voltage(1) (continued)
Symbol Parameter Conditions Min Typ Max Unit

DS10184 Rev 10 55/133
STM32L051x6 STM32L051x8 Electrical characteristics
99
Table 25. Current consumption in Run mode, code with data processing running from Flash
Symbol Parameter Conditions fHCLK Typ Max(1) Unit
IDD 
(Run 
from 
Flash)
Supply 
current in 
Run mode, 
code 
executed 
from Flash
fHSE = fHCLK up to 
16 MHz included, 
fHSE = fHCLK/2 above 
16 MHz (PLL ON)(2)
Range 3, VCORE=1.2 V
VOS[1:0]=11
1 MHz 165 230
µA2 MHz 290 360
4 MHz 555 630
Range 2, VCORE=1.5 V, 
VOS[1:0]=10, 
4 MHz 0.665 0.74
mA
8 MHz 1.3 1.4
16 MHz 2.6 2.8
Range 1, VCORE=1.8 V, 
VOS[1:0]=01
8 MHz 1.55 1.7
16 MHz 3.1 3.4
32 MHz 6.3 6.8
MSI clock Range 3, VCORE=1.2 V, 
VOS[1:0]=11
65 kHz 36.5 110
µA524 kHz 99.5 190
4.2 MHz 620 700
HSI clock
Range 2, VCORE=1.5 V, 
VOS[1:0]=10, 16 MHz 2.6 2.9
mA
Range 1, VCORE=1.8 V, 
VOS[1:0]=01 32 MHz 6.25 7
1. Guaranteed by characterization results at 125 °C, unless otherwise specified.
2. Oscillator bypassed (HSEBYP = 1 in RCC_CR register).
Table 26. Current consumption in Run mode vs code type, 
code with data processing running from Flash
Symbol Parameter Conditions fHCLK Typ Unit
IDD 
(Run 
from 
Flash)
Supply 
current in 
Run mode, 
code 
executed 
from Flash
fHSE = fHCLK up to 
16 MHz included, 
fHSE = fHCLK/2 above 
16 MHz (PLL ON)(1)
Range 3, 
VCORE=1.2 V, 
VOS[1:0]=11
Dhrystone
4 MHz
555
µA
CoreMark 585
Fibonacci 440
while(1) 355
while(1), prefetch 
OFF 353
Range 1, 
VCORE=1.8 V, 
VOS[1:0]=01
Dhrystone
32 MHz
6.3
mA
CoreMark 6.3
Fibonacci 6.55
while(1) 5.4
while(1), prefetch 
OFF 5.2
1. Oscillator bypassed (HSEBYP = 1 in RCC_CR register).
 :*.
 
 
M
n
n
v
 
:+.
 
 
 
:*.
 
 
M
n
n
v
 
:+.
 
 
 
Electrical characteristics STM32L051x6 STM32L051x8
56/133 DS10184 Rev 10
Figure 14. IDD vs VDD, at TA= 25/55/85/105 °C, Run mode, code running from 
Flash memory, Range 2, HSE, 1WS 
Figure 15. IDD vs VDD, at TA= 25/55/85/105 °C, Run mode, code running from 
Flash memory, Range 2, HSI16, 1WS 
06Y9
ŚƌLJƐƚŽŶĞϮ͘ϭͲϭt^ͲϱϱΣ
ŚƌLJƐƚŽŶĞϮ͘ϭͲϭt^ͲϴϱΣ
ŚƌLJƐƚŽŶĞϮ͘ϭͲϭt^ʹϮϱΣ
ŚƌLJƐƚŽŶĞϮ͘ϭͲϭt^ͲϭϬϱΣ
Ϭ
Ϭ͘ϱϬ
ϭ͘ϬϬ
ϭ͘ϱϬ
Ϯ͘ϬϬ
Ϯ͘ϱϬ
ϯ͘ϬϬ
ϭ͘ϴϬнϬϬ Ϯ͘ϬϬнϬϬ Ϯ͘ϮϬнϬϬ Ϯ͘ϰϬнϬϬ Ϯ͘ϲϬнϬϬ Ϯ͘ϴϬнϬϬ ϯ͘ϬϬнϬϬ ϯ͘ϮϬнϬϬ ϯ͘ϰϬнϬϬ ϯ͘ϲϬнϬϬ
/;ŵͿ
s;sͿ
06Y9
,''P$
9''9
'KU\VWRQH:6&
'KU\VWRQH:6&
'KU\VWRQH:6±&
ŚƌLJƐƚŽŶĞϮ͘ϭͲϭt^ͲϭϬϱΣ
Ϭ
Ϭ͘ϱϬ
ϭ͘ϬϬ
ϭ͘ϱϬ
Ϯ͘ϬϬ
Ϯ͘ϱϬ
ϯ͘ϬϬ
( ( ( ( ( ( ( ( ( (
 
 
 
 
 
 
 
 
 
 
 
 
 
 
 
 
 
 
 
 
 
 
 
 
 
 
 
 
DS10184 Rev 10 57/133
STM32L051x6 STM32L051x8 Electrical characteristics
99
Table 27. Current consumption in Run mode, code with data processing running from RAM 
Symbol Parameter Conditions fHCLK Typ Max(1) Unit
IDD (Run 
from 
RAM)
Supply current in 
Run mode, code 
executed from 
RAM, Flash 
switched off
fHSE = fHCLK up to 16 
MHz included, 
fHSE = fHCLK/2 above 
16 MHz (PLL ON)(2)
Range 3, 
VCORE=1.2 V, 
VOS[1:0]=11
1 MHz 135 170
µA2 MHz 240 270
4 MHz 450 480
Range 2, 
VCORE=1.5 ,V, 
VOS[1:0]=10
4 MHz 0.52 0.6
mA
8 MHz 1 1.2
16 MHz 2 2.3
Range 1, 
VCORE=1.8 V, 
VOS[1:0]=01 
8 MHz 1.25 1.4
16 MHz 2.45 2.8
32 MHz 5.1 5.4
MSI clock
Range 3, 
VCORE=1.2 V, 
VOS[1:0]=11
65 kHz 34.5 75
µA524 kHz 83 120
4.2 MHz 485 540
HSI16 clock source 
(16 MHz)
Range 2, 
VCORE=1.5 V, 
VOS[1:0]=10
16 MHz 2.1 2.3
mA
Range 1, 
VCORE=1.8 V, 
VOS[1:0]=01
32 MHz 5.1 5.6
1. Guaranteed by characterization results at 125 °C, unless otherwise specified.
2. Oscillator bypassed (HSEBYP = 1 in RCC_CR register).
Table 28. Current consumption in Run mode vs code type, 
code with data processing running from RAM(1)
Symbol Parameter Conditions fHCLK Typ Unit
IDD (Run 
from 
RAM)
Supply current in 
Run mode, code 
executed from 
RAM, Flash 
switched off
fHSE = fHCLK up to 
16 MHz included, 
fHSE = fHCLK/2 above 
16 MHz (PLL ON)(2)
Range 3, 
VCORE=1.2 V, 
VOS[1:0]=11
Dhrystone
4 MHz
450
µA
CoreMark 575
Fibonacci 370
while(1) 340
Range 1, 
VCORE=1.8 V, 
VOS[1:0]=01
Dhrystone
32 MHz
5.1
mA
CoreMark 6.25
Fibonacci 4.4
while(1) 4.7
1. Guaranteed by characterization results, unless otherwise specified.
2. Oscillator bypassed (HSEBYP = 1 in RCC_CR register).

Electrical characteristics STM32L051x6 STM32L051x8
58/133 DS10184 Rev 10
Table 29. Current consumption in Sleep mode 
Symbol Parameter Conditions fHCLK Typ Max(1) Unit
IDD (Sleep)
Supply current 
in Sleep 
mode, Flash 
OFF
fHSE = fHCLK up to 
16 MHz included, 
fHSE = fHCLK/2 above 
16 MHz (PLL ON)(2)
Range 3, 
VCORE=1.2 V, 
VOS[1:0]=11
1 MHz 43.5 90
µA
2 MHz 72 120
4 MHz 130 180
Range 2, 
VCORE=1.5 V, 
VOS[1:0]=10
4 MHz 160 210
8 MHz 305 370
16 MHz 590 710
Range 1, 
VCORE=1.8 V, 
VOS[1:0]=01
8 MHz 370 430
16 MHz 715 860
32 MHz 1650 1900
MSI clock
Range 3, 
VCORE=1.2 V, 
VOS[1:0]=11
65 kHz 18 65
524 kHz 31.5 75
4.2 MHz 140 210
HSI16 clock source 
(16 MHz)
Range 2, 
VCORE=1.5 V, 
VOS[1:0]=10
16 MHz 665 830
Range 1, 
VCORE=1.8 V, 
VOS[1:0]=01
32 MHz 1750 2100
Supply current 
in Sleep 
mode, Flash 
ON
fHSE = fHCLK up to 
16 MHz included, 
fHSE = fHCLK/2 above 
16 MHz (PLL ON)(2)
Range 3, 
VCORE=1.2 V, 
VOS[1:0]=11
1 MHz 57.5 130
2 MHz 84 170
4 MHz 150 280
Range 2, 
CORE=1.5 V, 
VOS[1:0]=10
4 MHz 170 310
8 MHz 315 420
16 MHz 605 770
Range 1, 
VCORE=1.8 V, 
VOS[1:0]=01
8 MHz 380 460
16 MHz 730 950
32 MHz 1650 2400
MSI clock
Range 3, 
VCORE=1.2 V, 
VOS[1:0]=11
65 kHz 29.5 110
524 kHz 44.5 130
4.2 MHz 150 270
HSI16 clock source 
(16 MHz)
Range 2, 
VCORE=1.5 V, 
VOS[1:0]=10
16 MHz 680 950
Range 1, 
VCORE=1.8 V, 
VOS[1:0]=01
32 MHz 1750 2100
1. Guaranteed by characterization results at 125 °C, unless otherwise specified.
 
 
 
DS10184 Rev 10 59/133
STM32L051x6 STM32L051x8 Electrical characteristics
99
2. Oscillator bypassed (HSEBYP = 1 in RCC_CR register).
Table 30. Current consumption in Low-power run mode 
Symbol Parameter Conditions Typ Max(1) Unit
IDD 
(LP Run)
Supply 
current in 
Low-power 
run mode
All peripherals 
OFF, code 
executed from 
RAM, Flash 
switched off, 
VDD from 1.65 
to 3.6 V
MSI clock = 65 kHz,
fHCLK = 32 kHz
TA = −40 to 25°C 8.5 10
µA
TA = 85 °C 11.5 48
TA = 105 °C 15.5 53
TA = 125 °C 27.5 130
MSI clock= 65 kHz, 
fHCLK = 65 kHz
TA =-40 °C to 25 °C 10 15
TA = 85 °C 15.5 50
TA = 105 °C 19.5 54
TA = 125 °C 31.5 130
MSI clock= 131 kHz, 
fHCLK = 131 kHz
TA = −40 to 25°C 20 25
TA = 55 °C 23 50
TA = 85 °C 25.5 55
TA = 105 °C 29.5 64
TA = 125 °C 40 140
All peripherals 
OFF, code 
executed from 
Flash, VDD 
from 1.65 V to 
3.6 V
MSI clock= 65 kHz,
fHCLK = 32 kHz
TA = −40 to 25°C 22 28
TA = 85 °C 26 68
TA = 105 °C 31 75
TA = 125 °C 44 95
MSI clock = 65 kHz,
fHCLK = 65 kHz
TA = −40 to 25°C 27.5 33
TA = 85 °C 31.5 73
TA = 105 °C 36.5 80
TA = 125 °C 49 100
MSI clock = 
131 kHz, 
fHCLK = 131 kHz
TA = −40 to 25°C 39 46
TA = 55 °C 41 80
TA = 85 °C 44 86
TA = 105 °C 49.5 100
TA = 125 °C 60 120
1. Guaranteed by characterization results at 125 °C, unless otherwise specified.
 ..+.¢
 
 
 
..+.¢
 
 
 
 
 
 
 
 
 
 
 
 
 
 
 
 
 
 
 
 
 
 
 
 
 
Electrical characteristics STM32L051x6 STM32L051x8
60/133 DS10184 Rev 10
Figure 16. IDD vs VDD, at TA= 25/55/ 85/105/125 °C, Low-power run mode, code running
from RAM, Range 3, MSI (Range 0) at 64 KHz, 0 WS 
06Y9
:6&
:6&
:6&
:6±&
:6&
9''9
,''P$
(
(
(
(
(
(
(
         
Table 31. Current consumption in Low-power sleep mode 
Symbol Parameter Conditions Typ Max(1) Unit
IDD 
(LP Sleep)
Supply 
current in 
Low-power 
sleep mode
All peripherals 
OFF, VDD from 
1.65 to 3.6 V
MSI clock = 65 kHz, 
fHCLK = 32 kHz,
Flash OFF
TA = −40 to 25°C 4.7(2) -
µA
MSI clock = 65 kHz, 
fHCLK = 32 kHz,
Flash ON
TA = −40 to 25°C 17 23
TA = 85 °C 19.5 63
TA = 105 °C 23 69
TA = 125 °C 32.5 90
MSI clock =65 kHz,
fHCLK = 65 kHz, 
Flash ON
TA = −40 to 25°C 17 23
TA = 85 °C 20 63
TA = 105 °C 23.5 69
TA = 125 °C 32.5 90
MSI clock = 131 kHz, 
fHCLK = 131 kHz, 
Flash ON
TA = −40 to 25°C 19.5 36
TA = 55 °C 20.5 64
TA = 85 °C 22.5 66
TA = 105 °C 26 72
TA = 125 °C 35 95
1. Guaranteed by characterization results at 125 °C, unless otherwise specified.
2. As the CPU is in Sleep mode, the difference between the current consumption with Flash ON and OFF (nearly 12 µA) is 
the same whatever the clock frequency.
 #i}+l
 
 
 
 
.5
.
 
 
#i}+l
 
 
 
 
.5
.
 
 
DS10184 Rev 10 61/133
STM32L051x6 STM32L051x8 Electrical characteristics
99
Figure 17. IDD vs VDD, at TA= 25/55/ 85/105/125 °C, Stop mode with RTC enabled 
and running on LSE Low drive 
Figure 18. IDD vs VDD, at TA= 25/55/85/105/125 °C, Stop mode with RTC disabled, 
all clocks OFF 
Table 32. Typical and maximum current consumptions in Stop mode 
Symbol Parameter Conditions Typ Max(1)
1. Guaranteed by characterization results at 125 °C, unless otherwise specified.
Unit
IDD (Stop) Supply current in Stop mode
TA = −40 to 25°C 0.41 1
µA
TA = 55°C 0.63 2.1
TA= 85°C 1.7 4.5
TA = 105°C 4 9.6
TA = 125°C 11 24(2)
2. Guaranteed by test in production.
06Y9
,''P$
9''9
&
&
&
&
&
(
(
(
(
(
(
         
06Y9
,''P$
(
(
(
(
(
(
(
         
9''9
&
&
&
&
&
 
 
 
 
 
 
 
 
 
 
 
 
 
 
 
 
 
 
 
Electrical characteristics STM32L051x6 STM32L051x8
62/133 DS10184 Rev 10
Table 33. Typical and maximum current consumptions in Standby mode 
Symbol Parameter Conditions Typ Max(1) Unit
IDD 
(Standby)
Supply current in Standby 
mode 
Independent watchdog 
and LSI enabled
TA = −40 to 25°C 1.3 1.7
µA
TA = 55 °C - 2.9
TA= 85 °C - 3.3
TA = 105 °C - 4.1
TA = 125 °C - 8.5
Independent watchdog 
and LSI OFF
TA = −40 to 25°C 0.29 0.6
TA = 55 °C 0.32 0.9
TA = 85 °C 0.5 2.3
TA = 105 °C 0.94 3
TA = 125 °C 2.6 7
1. Guaranteed by characterization results at 125 °C, unless otherwise specified
Table 34. Average current consumption during Wakeup
Symbol parameter System frequency
Current 
consumption 
during wakeup 
Unit
IDD (Wakeup from 
Stop)
Supply current during Wakeup from 
Stop mode
HSI 1
mA
HSI/4 0,7
MSI clock = 4,2 MHz 0,7
MSI clock = 1,05 MHz 0,4
MSI clock = 65 KHz 0,1
IDD (Reset) Reset pin pulled down - 0,21
IDD (Power-up) BOR ON - 0,23
IDD (Wakeup from 
StandBy)
With Fast wakeup set MSI clock = 2,1 MHz 0,5
With Fast wakeup disabled MSI clock = 2,1 MHz 0,12
 
 
 
DS10184 Rev 10 63/133
STM32L051x6 STM32L051x8 Electrical characteristics
99
On-chip peripheral current consumption
The current consumption of the on-chip peripherals is given in the following tables. The 
MCU is placed under the following conditions:
•all I/O pins are in input mode with a static value at VDD or VSS (no load)
•all peripherals are disabled unless otherwise mentioned
•the given value is calculated by measuring the current consumption
– with all peripherals clocked OFF
– with only one peripheral clocked on
            Table 35. Peripheral current consumption in Run or Sleep mode(1) 
Peripheral
Typical consumption, VDD = 3.0 V, TA = 25 °C
Unit
Range 1, 
VCORE=1.8 V 
VOS[1:0] = 01
Range 2, 
VCORE=1.5 V 
VOS[1:0] = 10
Range 3, 
VCORE=1.2 V 
VOS[1:0] = 11
Low-power 
sleep and 
run
APB1
I2C1 11 9.5 7.5 9
µA/MHz 
(fHCLK)
I2C2 4 3.5 3 2.5
LPTIM1 10 8.5 6.5 8
LPUART1 8 6.5 5.5 6
SPI2 9 4.5 3.5 4
USART2 14.5 12 9.5 11
TIM2 10.5 8.5 7 9
TIM6 3.5 3 2.5 2
WWDG 3 2 2 2
APB2
ADC1(2) 5.5 5 3.5 4
µA/MHz 
(fHCLK)
SPI1 4 3 3 2.5
USART1 14.5 11.5 9.5 12
TIM21 7.5 6 5 5.5
TIM22 7 6 5 6
FIREWALL 1.5 1 1 0.5
DBGMCU 1.5 1 1 0.5
SYSCFG 2.5 2 2 1.5
 Cortex-
M0+ core 
I/O port
GPIOA 3.5 3 2.5 2.5
µA/MHz 
(fHCLK)
GPIOB 3.5 2.5 2 2.5
GPIOC 8.5 6.5 5.5 7
GPIOD 1 0.5 0.5 0.5
AHB
CRC 1.5 1 1 1
µA/MHz 
(fHCLK)
FLASH 0(3) 0(3) 0(3) 0(3)
DMA1 10 8 6.5 8.5

Electrical characteristics STM32L051x6 STM32L051x8
64/133 DS10184 Rev 10
All enabled 283 225 222.5 212.5 µA/MHz 
(fHCLK)
PWR 2.5 2 2 1 µA/MHz 
(fHCLK)
1. Data based on differential IDD measurement between all peripherals OFF an one peripheral with clock 
enabled, in the following conditions: fHCLK = 32 MHz (range 1), fHCLK = 16 MHz (range 2), fHCLK = 4 MHz 
(range 3), fHCLK = 64kHz (Low-power run/sleep), fAPB1 = fHCLK, fAPB2 = fHCLK, default prescaler value for 
each peripheral. The CPU is in Sleep mode in both cases. No I/O pins toggling. Not tested in production.
2. HSI oscillator is OFF for this measure.
3. Current consumption is negligible and close to 0 µA.
Table 35. Peripheral current consumption in Run or Sleep mode(1) (continued)
Peripheral
Typical consumption, VDD = 3.0 V, TA = 25 °C
Unit
Range 1, 
VCORE=1.8 V 
VOS[1:0] = 01
Range 2, 
VCORE=1.5 V 
VOS[1:0] = 10
Range 3, 
VCORE=1.2 V 
VOS[1:0] = 11
Low-power 
sleep and 
run
Table 36. Peripheral current consumption in Stop and Standby mode(1)
Symbol Peripheral
Typical consumption, TA = 25 °C
Unit
VDD=1.8 V VDD=3.0 V
IDD(PVD / BOR) -0.71.2
µA
IREFINT --1.4
- LSE Low drive(2) 0,1 0,1
- LPTIM1, Input 100 Hz 0,01 0,01
- LPTIM1, Input 1 MHz 6 6
- LPUART1 0,2 0,2
-RTC0,30,48
1. LPTIM peripheral cannot operate in Standby mode.
2.  LSE Low drive consumption is the difference between an external clock on OSC32_IN and a quartz between OSC32_IN 
and OSC32_OUT.-

DS10184 Rev 10 65/133
STM32L051x6 STM32L051x8 Electrical characteristics
99
6.3.5  Wakeup time from low-power mode
The wakeup times given in the following table are measured with the MSI or HSI16 RC 
oscillator. The clock source used to wake up the device depends on the current operating 
mode:
•Sleep mode: the clock source is the clock that was set before entering Sleep mode
•Stop mode: the clock source is either the MSI oscillator in the range configured before 
entering Stop mode, the HSI16 or HSI16/4. 
•Standby mode: the clock source is the MSI oscillator running at 2.1 MHz
All timings are derived from tests performed under ambient temperature and VDD supply 
voltage conditions summarized in Table 21. 
           Table 37. Low-power mode wakeup timings 
Symbol Parameter Conditions Typ Max Unit
tWUSLEEP Wakeup from Sleep mode fHCLK = 32 MHz 7 8
Number 
of clock 
cycles
tWUSLEEP_LP
Wakeup from Low-power sleep mode, 
fHCLK = 262 kHz
fHCLK = 262 kHz 
Flash memory enabled 78
fHCLK = 262 kHz 
Flash memory switched OFF 910
tWUSTOP
Wakeup from Stop mode, regulator in Run 
mode
fHCLK = fMSI = 4.2 MHz 5.0 8
µs
fHCLK = fHSI = 16 MHz 4.9 7
fHCLK = fHSI/4 = 4 MHz 8.0 11
Wakeup from Stop mode, regulator in low-
power mode
fHCLK = fMSI = 4.2 MHz 
Voltage range 1 5.0 8
fHCLK = fMSI = 4.2 MHz 
Voltage range 2 5.0 8
fHCLK = fMSI = 4.2 MHz 
Voltage range 3 5.0 8
fHCLK = fMSI = 2.1 MHz 7.3 13
fHCLK = fMSI = 1.05 MHz 13 23
fHCLK = fMSI = 524 kHz 28 38
fHCLK = fMSI = 262 kHz 51 65
fHCLK = fMSI = 131 kHz 100 120
fHCLK = MSI = 65 kHz 190 260
fHCLK = fHSI = 16 MHz 4.9 7
fHCLK = fHSI/4 = 4 MHz 8.0 11
Wakeup from Stop mode, regulator in low-
power mode, code running from RAM
fHCLK = fHSI = 16 MHz 4.9 7
fHCLK = fHSI/4 = 4 MHz 7.9 10
fHCLK = fMSI = 4.2 MHz 4.7 8
tWUSTDBY
Wakeup from Standby mode, FWU bit = 1 fHCLK = MSI = 2.1 MHz 65 130 µs
Wakeup from Standby mode, FWU bit = 0 fHCLK = MSI = 2.1 MHz 2.2 3 ms
 
 
 
 
 
 
 
 
 
 
 
 
 
 
 
 
 
 
 
 
 
 
 
 
 
 
 
 
 
 
 
 
 
 
 
 
 
 
Electrical characteristics STM32L051x6 STM32L051x8
66/133 DS10184 Rev 10
6.3.6 External clock source characteristics
High-speed external user clock generated from an external source
In bypass mode the HSE oscillator is switched off and the input pin is a standard GPIO.The 
external clock signal has to respect the I/O characteristics in Section 6.3.12. However, the 
recommended clock input waveform is shown in Figure 19.
Figure 19. High-speed external clock source AC timing diagram
Table 38. High-speed external user clock characteristics(1) 
1. Guaranteed by design.
Symbol Parameter Conditions Min Typ Max Unit
fHSE_ext
User external clock source 
frequency
CSS is ON or 
PLL is used 1832MHz
CSS is OFF, 
PLL not used 0832MHz
VHSEH OSC_IN input pin high level voltage
-
0.7VDD -V
DD V
VHSEL OSC_IN input pin low level voltage VSS -0.3V
DD
tw(HSE)
tw(HSE)
OSC_IN high or low time 12 - -
ns
tr(HSE)
tf(HSE)
OSC_IN rise or fall time - - 20
Cin(HSE) OSC_IN input capacitance - 2.6 - pF
DuCy(HSE) Duty cycle 45 - 55 %
ILOSC_IN Input leakage current  VSS ≤ VIN ≤ VDD --±1µA
DLF
26& B ,1
(;7(51$/
670/[[
&/2&. 6285&(
9+6(+
WI+6( W:+6(
,/
7+6(
W
WU+6( W:+6(
I+6(BH[W
9+6(/
 
 
 
 
 
 
 
 
 
 
 
 
 
 
 
 
 
 
 
 
 
 
 
 
 
 
 
 
 
 
 
 
 
 
 
DS10184 Rev 10 67/133
STM32L051x6 STM32L051x8 Electrical characteristics
99
Low-speed external user clock generated from an external source
The characteristics given in the following table result from tests performed using a low-
speed external clock source, and under ambient temperature and supply voltage conditions 
summarized in Table 21.
Figure 20. Low-speed external clock source AC timing diagram
Table 39. Low-speed external user clock characteristics(1)
1. Guaranteed by design, not tested in production
Symbol Parameter Conditions Min Typ Max Unit
fLSE_ext
User external clock source 
frequency
-
1 32.768 1000 kHz
VLSEH
OSC32_IN input pin high level 
voltage 0.7VDD -V
DD
V
VLSEL
OSC32_IN input pin low level 
voltage VSS -0.3V
DD
tw(LSE)
tw(LSE)
OSC32_IN high or low time 465 - -
ns
tr(LSE)
tf(LSE)
OSC32_IN rise or fall time - - 10
CIN(LSE) OSC32_IN input capacitance - - 0.6 - pF
DuCy(LSE) Duty cycle - 45 - 55 %
ILOSC32_IN Input leakage current  VSS ≤ VIN ≤ VDD --±1µA
DLF
26& B ,1
(;7(51$/
670/[[
&/2&. 6285&(
9/6(+
WI/6( W:/6(
,/
7/6(
W
WU/6( W:/6(
I/6(BH[W
9/6(/
 
 
 
 
 
 
 
 
 
 
 
 
 
 
 
 
 
 
 
 
 
 
 
 
 
 
 
 
 
 
 
 
 
Electrical characteristics STM32L051x6 STM32L051x8
68/133 DS10184 Rev 10
High-speed external clock generated from a crystal/ceramic resonator
The high-speed external (HSE) clock can be supplied with a 1 to 25 MHz crystal/ceramic 
resonator oscillator. All the information given in this paragraph are based on 
characterization results obtained with typical external components specified in Table 40. In 
the application, the resonator and the load capacitors have to be placed as close as 
possible to the oscillator pins in order to minimize output distortion and startup stabilization 
time. Refer to the crystal resonator manufacturer for more details on the resonator 
characteristics (frequency, package, accuracy).
For CL1 and CL2, it is recommended to use high-quality external ceramic capacitors in the 
5 pF to 25 pF range (typ.), designed for high-frequency applications, and selected to match 
the requirements of the crystal or resonator (see Figure 21). CL1 and CL2 are usually the 
same size. The crystal manufacturer typically specifies a load capacitance which is the 
series combination of CL1 and CL2. PCB and MCU pin capacitance must be included (10 pF 
can be used as a rough estimate of the combined pin and board capacitance) when sizing 
CL1 and CL2. Refer to the application note AN2867 “Oscillator design guide for ST 
microcontrollers” available from the ST website www.st.com.
Figure 21. HSE oscillator circuit diagram
Table 40. HSE oscillator characteristics(1)
1. Guaranteed by design.
Symbol Parameter Conditions Min Typ Max Unit
fOSC_IN Oscillator frequency - 1 25 MHz
RFFeedback resistor - - 200 - kΩ 
Gm
Maximum critical crystal 
transconductance Startup - - 700 µA 
/V
tSU(HSE)
(2)
2. Guaranteed by characterization results. tSU(HSE) is the startup time measured from the moment it is 
enabled (by software) to a stabilized 8 MHz oscillation is reached. This value is measured for a standard 
crystal resonator and it can vary significantly with the crystal manufacturer.
Startup time  VDD is stabilized - 2 - ms
26&B287
26&B,1
I
+6(
WRFRUH
&
/
&
/
5
)
670
5HVRQDWRU
&RQVXPSWLRQ
FRQWURO
J
P
5
P
&
P
/
P
&
2
5HVRQDWRU
DLE
 Msaazazvz
 
 
 
 
 
 
 
 
 
 
 
 
 
 
 
 
 
 
 
 
 
 
 
 
 
 
 
 
Msaazazvz
 
 
 
 
DS10184 Rev 10 69/133
STM32L051x6 STM32L051x8 Electrical characteristics
99
Low-speed external clock generated from a crystal/ceramic resonator
The low-speed external (LSE) clock can be supplied with a 32.768 kHz crystal/ceramic 
resonator oscillator. All the information given in this paragraph are based on 
characterization results obtained with typical external components specified in Table 41. In 
the application, the resonator and the load capacitors have to be placed as close as 
possible to the oscillator pins in order to minimize output distortion and startup stabilization 
time. Refer to the crystal resonator manufacturer for more details on the resonator 
characteristics (frequency, package, accuracy).
Note: For information on selecting the crystal, refer to the application note AN2867 “Oscillator 
design guide for ST microcontrollers” available from the ST website www.st.com.
Figure 22. Typical application with a 32.768 kHz crystal
Note: An external resistor is not required between OSC32_IN and OSC32_OUT and it is forbidden 
to add one.
Table 41. LSE oscillator characteristics(1) 
Symbol Parameter Conditions(2) Min(2) Typ Max Unit
fLSE LSE oscillator frequency - 32.768 - kHz
Gm
Maximum critical crystal 
transconductance
LSEDRV[1:0]=00 
lower driving capability --0.5
µA/V
LSEDRV[1:0]= 01 
medium low driving capability - - 0.75
LSEDRV[1:0] = 10 
medium high driving capability --1.7
LSEDRV[1:0]=11 
higher driving capability --2.7
tSU(LSE)(3) Startup time   VDD is stabilized - 2 - s
1. Guaranteed by design.
2. Refer to the note and caution paragraphs below the table, and to the application note AN2867 “Oscillator design guide for 
ST microcontrollers”.
3. Guaranteed by characterization results. tSU(LSE) is the startup time measured from the moment it is enabled (by software) 
to a stabilized 32.768 kHz oscillation is reached. This value is measured for a standard crystal resonator and it can vary 
significantly with the crystal manufacturer. To increase speed, address a lower-drive quartz with a high- driver mode.
069
26&B,1
26&B287
'ULYH
SURJUDPPDEOH
DPSOLILHU
I/6(
N+]
UHVRQDWRU
5HVRQDWRUZLWKLQWHJUDWHG
FDSDFLWRUV
&/
&/
 lIIIH}
 
 
 
 
 
 
 
 
 
 
 
 
 
 
 
 
 
 
 
 
 
 
 
 
 
 
 
 
lIIIH}
 
 
 
Electrical characteristics STM32L051x6 STM32L051x8
70/133 DS10184 Rev 10
6.3.7  Internal clock source characteristics
The parameters given in Table 42 are derived from tests performed under ambient 
temperature and VDD supply voltage conditions summarized in Table 21.
High-speed internal 16 MHz (HSI16) RC oscillator
Figure 23. HSI16 minimum and maximum value versus temperature
Table 42. 16 MHz HSI16 oscillator characteristics 
Symbol Parameter Conditions Min Typ Max Unit
fHSI16 Frequency VDD = 3.0 V - 16 - MHz 
TRIM(1)(2)
1. The trimming step differs depending on the trimming code. It is usually negative on the codes which are 
multiples of 16 (0x00, 0x10, 0x20, 0x30...0xE0).
HSI16 user-
trimmed resolution
Trimming code is not a multiple of 16 - ±  0.4 0.7 %
Trimming code is a multiple of 16 - - ±  1.5 %
ACCHSI16
(2)
2. Guaranteed by characterization results.
Accuracy of the 
factory-calibrated 
HSI16 oscillator
VDDA = 3.0 V, TA = 25 °C -1(3)
3. Guaranteed by test in production.
-1
(3) %
VDDA = 3.0 V, TA = 0 to 55 °C -1.5 - 1.5 %
VDDA = 3.0 V, TA = -10 to 70 °C -2 - 2 %
VDDA = 3.0 V, TA = -10 to 85 °C -2.5 - 2 %
VDDA = 3.0 V, TA = -10 to 105 °C -4 - 2 %
VDDA = 1.65 V to 3.6 V 
TA = −40 to 125 °C -5.45 - 3.25 %
tSU(HSI16)(2) HSI16 oscillator 
startup time - - 3.7 6 µs
IDD(HSI16)(2) HSI16 oscillator 
power consumption - - 100 140 µA
06Y9
          
9PLQ
9W\S
9PD[
9PD[
9PLQ

DS10184 Rev 10 71/133
STM32L051x6 STM32L051x8 Electrical characteristics
99
Low-speed internal (LSI) RC oscillator
Multi-speed internal (MSI) RC oscillator
Table 43. LSI oscillator characteristics 
Symbol Parameter Min Typ Max Unit
fLSI(1)
1. Guaranteed by test in production.
LSI frequency  26 38 56 kHz 
DLSI(2)
2. This is a deviation for an individual part, once the initial frequency has been measured.
LSI oscillator frequency drift 
0°C ≤ TA ≤  85°C -10 - 4 %
tsu(LSI)(3)
3. Guaranteed by design.
LSI oscillator startup time - - 200 µs
IDD(LSI)(3) LSI oscillator power consumption - 400 510 nA
Table 44. MSI oscillator characteristics 
Symbol Parameter Condition Typ Max Unit
fMSI
Frequency after factory calibration, done at 
VDD= 3.3 V and TA = 25 °C
MSI range 0 65.5 -
kHz 
MSI range 1 131 -
MSI range 2 262 -
MSI range 3 524 -
MSI range 4 1.05 -
MHzMSI range 5 2.1 -
MSI range 6 4.2 -
ACCMSI Frequency error after factory calibration - ±0.5 - %
DTEMP(MSI)(1)
MSI oscillator frequency drift 
0 °C ≤ TA ≤ 85 °C -±3-
%
MSI oscillator frequency drift 
VDD = 3.3 V, −40 °C ≤ TA ≤ 110 °C
MSI range 0 −8.9 +7.0
MSI range 1 −7.1 +5.0
MSI range 2 −6.4 +4.0
MSI range 3 −6.2 +3.0
MSI range 4 −5.2 +3.0
MSI range 5 −4.8 +2.0
MSI range 6 −4.7 +2.0
DVOLT(MSI)(1) MSI oscillator frequency drift 
1.65 V ≤ VDD ≤ 3.6 V, TA = 25 °C --2.5%/V

Electrical characteristics STM32L051x6 STM32L051x8
72/133 DS10184 Rev 10
IDD(MSI)(2) MSI oscillator power consumption
MSI range 0 0.75 -
µA
MSI range 1 1 -
MSI range 2 1.5 -
MSI range 3 2.5 -
MSI range 4 4.5 -
MSI range 5 8 -
MSI range 6 15 -
tSU(MSI) MSI oscillator startup time
MSI range 0 30 -
µs
MSI range 1 20 -
MSI range 2 15 -
MSI range 3 10 -
MSI range 4 6 -
MSI range 5 5 -
MSI range 6, 
Voltage range 1 
and 2
3.5 -
MSI range 6, 
Voltage range 3 5-
tSTAB(MSI)(2) MSI oscillator stabilization time
MSI range 0 - 40
µs
MSI range 1 - 20
MSI range 2 - 10
MSI range 3 - 4
MSI range 4 - 2.5
MSI range 5 - 2
MSI range 6, 
Voltage range 1 
and 2
-2
MSI range 3, 
Voltage range 3 -3
fOVER(MSI) MSI oscillator frequency overshoot
Any range to 
range 5 -4
MHz
Any range to 
range 6 -6
1. This is a deviation for an individual part, once the initial frequency has been measured.
2. Guaranteed by characterization results.
Table 44. MSI oscillator characteristics (continued)
Symbol Parameter Condition Typ Max Unit

DS10184 Rev 10 73/133
STM32L051x6 STM32L051x8 Electrical characteristics
99
6.3.8 PLL characteristics
The parameters given in Table 45 are derived from tests performed under ambient 
temperature and VDD supply voltage conditions summarized in Table 21.
6.3.9 Memory characteristics
RAM memory
Flash memory and data EEPROM
Table 45. PLL characteristics 
Symbol Parameter
Value
Unit
Min Typ Max(1)
1. Guaranteed by characterization results.
fPLL_IN
PLL input clock(2)
2. Take care of using the appropriate multiplier factors so as to have PLL input clock values compatible with 
the range defined by fPLL_OUT
.
2- 24MHz
PLL input clock duty cycle 45 - 55 %
fPLL_OUT PLL output clock 2 - 32 MHz
tLOCK
PLL input = 16 MHz
PLL VCO = 96 MHz - 115 160 µs
Jitter Cycle-to-cycle jitter - ±
 600 ps
IDDA(PLL) Current consumption on VDDA - 220 450
µA
IDD(PLL) Current consumption on VDD - 120 150
Table 46. RAM and hardware registers
Symbol Parameter  Conditions Min Typ Max Unit
VRM Data retention mode(1)
1. Minimum supply voltage without losing data stored in RAM (in Stop mode or under Reset) or in hardware 
registers (only in Stop mode).
STOP mode (or RESET) 1.65 - - V
Table 47. Flash memory and data EEPROM characteristics
Symbol Parameter  Conditions Min Typ Max(1) Unit
VDD
Operating voltage
Read / Write / Erase -1.65-3.6V
tprog
Programming time for 
word or half-page
Erasing - 3.28 3.94
ms
Programming - 3.28 3.94

Electrical characteristics STM32L051x6 STM32L051x8
74/133 DS10184 Rev 10
IDD
Average current during 
the whole programming / 
erase operation
TA = 25 °C, VDD = 3.6 V
- 500 700 µA
Maximum current (peak) 
during the whole 
programming / erase 
operation
-1.52.5mA
1. Guaranteed by design.
Table 48. Flash memory and data EEPROM endurance and retention 
Symbol Parameter  Conditions
Value
Unit
Min(1)
1. Guaranteed by characterization results.
NCYC(2)
Cycling (erase / write) 
Program memory
TA = -40°C to 105 °C
10
kcycles
Cycling (erase / write) 
EEPROM data memory 100
Cycling (erase / write) 
Program memory
TA = -40°C to 125 °C
0.2
Cycling (erase / write) 
EEPROM data memory 2
tRET(2)
2. Characterization is done according to JEDEC JESD22-A117.
Data retention (program memory) after 
10 kcycles at TA = 85 °C
TRET = +85 °C
30
years
Data retention (EEPROM data memory) 
after 100 kcycles at TA = 85 °C 30
Data retention (program memory) after 
10 kcycles at TA = 105 °C
TRET = +105 °C
10
Data retention (EEPROM data memory) 
after 100 kcycles at TA = 105 °C
Data retention (program memory) after 
200 cycles at TA = 125 °C
TRET = +125 °C
Data retention (EEPROM data memory) 
after 2 kcycles at TA = 125 °C
Table 47. Flash memory and data EEPROM characteristics
Symbol Parameter  Conditions Min Typ Max(1) Unit

DS10184 Rev 10 75/133
STM32L051x6 STM32L051x8 Electrical characteristics
99
6.3.10 EMC characteristics
Susceptibility tests are performed on a sample basis during device characterization.
Functional EMS (electromagnetic susceptibility)
While a simple application is executed on the device (toggling 2 LEDs through I/O ports). 
the device is stressed by two electromagnetic events until a failure occurs. The failure is 
indicated by the LEDs:
•Electrostatic discharge (ESD) (positive and negative) is applied to all device pins until 
a functional disturbance occurs. This test is compliant with the IEC 61000-4-2 standard.
•FTB: A Burst of Fast Transient voltage (positive and negative) is applied to VDD and 
VSS through a 100 pF capacitor, until a functional disturbance occurs. This test is 
compliant with the IEC 61000-4-4 standard.
A device reset allows normal operations to be resumed. 
The test results are given in Table 49. They are based on the EMS levels and classes 
defined in application note AN1709.
Designing hardened software to avoid noise problems
EMC characterization and optimization are performed at component level with a typical 
application environment and simplified MCU software. It should be noted that good EMC 
performance is highly dependent on the user application and the software in particular.
Therefore it is recommended that the user applies EMC software optimization and 
prequalification tests in relation with the EMC level requested for his application.
Software recommendations
The software flowchart must include the management of runaway conditions such as:
•Corrupted program counter
•Unexpected reset
•Critical data corruption (control registers...)
Prequalification trials
Most of the common failures (unexpected reset and program counter corruption) can be 
reproduced by manually forcing a low state on the NRST pin or the oscillator pins for 1 
second.
Table 49. EMS characteristics
Symbol Parameter Conditions Level/
Class
VFESD
Voltage limits to be applied on any I/O pin to 
induce a functional disturbance
VDD = 3.3 V, LQFP64, TA = +25 °C,  
fHCLK = 32 MHz 
conforms to IEC 61000-4-2
3B
VEFTB
Fast transient voltage burst limits to be 
applied through 100 pF on VDD and VSS 
pins to induce a functional disturbance
VDD = 3.3 V, LQFP64, TA = +25 °C,  
fHCLK = 32 MHz 
conforms to IEC 61000-4-4
4A

Electrical characteristics STM32L051x6 STM32L051x8
76/133 DS10184 Rev 10
To complete these trials, ESD stress can be applied directly on the device, over the range of 
specification values. When unexpected behavior is detected, the software can be hardened 
to prevent unrecoverable errors occurring (see application note AN1015).
Electromagnetic Interference (EMI)
The electromagnetic field emitted by the device are monitored while a simple application is 
executed (toggling 2 LEDs through the I/O ports). This emission test is compliant with 
IEC 61967-2 standard which specifies the test board and the pin loading.
           Table 50. EMI characteristics
Symbol Parameter Conditions Monitored
frequency band
Max vs. fosc/fCPU
Unit
8 MHz/
4 MHz
8 MHz/
16 MHz
8 MHz/
32 MHz
SEMI Peak level
VDD = 3.6 V,
TA =  25 °C, 
compliant with IEC 
61967-2
0.1 to 30 MHz -21 -15 -12
dBµV30 to 130 MHz -14 -12 -1
130 MHz to 1GHz -10 -11 -7
EMI Level 1 1 1 -

DS10184 Rev 10 77/133
STM32L051x6 STM32L051x8 Electrical characteristics
99
6.3.11 Electrical sensitivity characteristics
Based on three different tests (ESD, LU) using specific measurement methods, the device is 
stressed in order to determine its performance in terms of electrical sensitivity.
Electrostatic discharge (ESD)
Electrostatic discharges (a positive then a negative pulse separated by 1 second) are 
applied to the pins of each sample according to each pin combination. The sample size 
depends on the number of supply pins in the device (3 parts × (n+1) supply pins). This test 
conforms to the ANSI/JEDEC standard.
Static latch-up
Two complementary static tests are required on six parts to assess the latch-up 
performance: 
•A supply overvoltage is applied to each power supply pin
•A current injection is applied to each input, output and configurable I/O pin
These tests are compliant with EIA/JESD 78A IC latch-up standard.
Table 51. ESD absolute maximum ratings
Symbol Ratings Conditions Class Maximum 
value(1)
1. Guaranteed by characterization results.
Unit
VESD(HBM)
Electrostatic discharge 
voltage (human body model)
TA = +25 °C, 
conforming to 
ANSI/JEDEC JS-001
22000
V
VESD(CDM)
Electrostatic discharge 
voltage (charge device 
model)
TA = +25 °C, 
conforming to 
ANSI/ESD STM5.3.1.
C4 500
Table 52. Electrical sensitivities
Symbol Parameter Conditions Class
LU Static latch-up class TA = +125 °C conforming to JESD78A II level A

Electrical characteristics STM32L051x6 STM32L051x8
78/133 DS10184 Rev 10
6.3.12 I/O current injection characteristics
As a general rule, current injection to the I/O pins, due to external voltage below VSS or 
above VDD (for standard pins) should be avoided during normal product operation. 
However, in order to give an indication of the robustness of the microcontroller in cases 
when abnormal injection accidentally happens, susceptibility tests are performed on a 
sample basis during device characterization.
Functional susceptibility to I/O current injection 
While a simple application is executed on the device, the device is stressed by injecting 
current into the I/O pins programmed in floating input mode. While current is injected into 
the I/O pin, one at a time, the device is checked for functional failures. 
The failure is indicated by an out of range parameter: ADC error above a certain limit (higher 
than 5 LSB TUE), out of conventional limits of induced leakage current on adjacent pins (out 
of –5 µA/+0 µA range), or other functional failure (for example reset occurrence oscillator 
frequency deviation).
The test results are given in the Table 53.
           Table 53. I/O current injection susceptibility 
Symbol Description
Functional susceptibility 
Unit
Negative 
injection
Positive 
injection
IINJ
Injected current on BOOT0 -0 NA(1)
1. Current injection is not possible.
mA
Injected current on PA0, PA4, PA5, PA11, 
PA12, PC15, PH0 and PH1 -5 0
Injected current on any other FT, FTf pins -5 (2)
2. It is recommended to add a Schottky diode (pin to ground) to analog pins which may potentially inject 
negative currents.
NA(1)
Injected current on any other pins -5 (2) +5

DS10184 Rev 10 79/133
STM32L051x6 STM32L051x8 Electrical characteristics
99
6.3.13 I/O port characteristics
General input/output characteristics
Unless otherwise specified, the parameters given in Table 54 are derived from tests 
performed under the conditions summarized in Table 21. All I/Os are CMOS and TTL 
compliant.
Table 54. I/O static characteristics 
Symbol Parameter Conditions Min Typ Max Unit
VIL Input low level voltage
TC, FT, FTf, RST 
I/Os - - 0.3VDD
V
 BOOT0 pin - - 0.14VDD(1)
VIH Input high level voltage All I/Os 0.7 VDD --
Vhys
I/O Schmitt trigger voltage hysteresis 
(2)
Standard I/Os - 10% VDD(3) -
BOOT0 pin  - 0.01 -
Ilkg Input leakage current (4)
VSS ≤ VIN ≤ VDD
All I/Os except for 
PA11, PA12, BOOT0 
and FTf I/Os
--±50
nA
VSS ≤ VIN ≤ VDD, 
PA11 and PA12 I/Os - - -50/+250
VSS ≤ VIN ≤ VDD
FTf I/Os - - ±100
VDD≤ VIN ≤ 5 V
All I/Os except for 
PA11, PA12, BOOT0 
and FTf I/Os
- - 200
nA
VDD≤ VIN ≤ 5 V
FTf I/Os - - 500
VDD≤ VIN ≤ 5 V
PA11, PA12 and 
BOOT0 
--10µA
RPU Weak pull-up equivalent resistor(5) VIN = VSS 25 45 65 kΩ
RPD Weak pull-down equivalent resistor(5) VIN =  VDD 25 45 65 kΩ
CIO I/O pin capacitance - - 5 - pF
1. Guaranteed by characterization.
2. Hysteresis voltage between Schmitt trigger switching levels. Guaranteed by characterization results.
3. With a minimum of 200 mV. Guaranteed by characterization results.
4. The max. value may be exceeded if negative current is injected on adjacent pins.
5. Pull-up and pull-down resistors are designed with a true resistance in series with a switchable PMOS/NMOS. This 
MOS/NMOS contribution to the series resistance is minimum (~10% order).
 
 
 
 
 
 
 
 
 
 
 
Electrical characteristics STM32L051x6 STM32L051x8
80/133 DS10184 Rev 10
Figure 24. VIH/VIL versus VDD (CMOS I/Os)
Figure 25. VIH/VIL versus VDD (TTL I/Os)
Output driving current
The GPIOs (general purpose input/outputs) can sink or source up to ±8 mA, and sink or 
source up to ±15 mA with the non-standard VOL/VOH specifications given in Table 55.
In the user application, the number of I/O pins which can drive current must be limited to 
respect the absolute maximum rating specified in Section 6.2:
•The sum of the currents sourced by all the I/Os on VDD, plus the maximum Run 
consumption of the MCU sourced on VDD, cannot exceed the absolute maximum rating 
IVDD(Σ) (see Table 19). 
•The sum of the currents sunk by all the I/Os on VSS plus the maximum Run 
consumption of the MCU sunk on VSS cannot exceed the absolute maximum rating 
IVSS(Σ) (see Table 19). 
06Y9
9''9
9,+PLQ
9,/PD[
9,/9,+9
 
&026VWDQGDUGUHTXLUHPHQWV9
,+PLQ
 9
''
9
,/PD[
 9
''
  
&026VWDQGDUGUHTXLUHPHQWV9,/PD[ 9''
9
,+PLQ
 9
''
DOOSLQV
H[FHSW%2273&3+
9
,+PLQ
 9
''
IRU
%2273&3+
,QSXWUDQJHQRW
JXDUDQWHHG
06Y9
9''9
9,+PLQ
9,/PD[
9,/9,+9
 
77/VWDQGDUGUHTXLUHPHQWV9,+PLQ 9
9
,/PD[
 9
''
  
77/VWDQGDUGUHTXLUHPHQWV9,/PD[ 9
,QSXWUDQJHQRW
JXDUDQWHHG
9
,+PLQ
 9
''
DOOSLQV
H[FHSW%2273&3+
9
,+PLQ
 9
''
IRU
%2273&3+

DS10184 Rev 10 81/133
STM32L051x6 STM32L051x8 Electrical characteristics
99
Output voltage levels
Unless otherwise specified, the parameters given in Table 55 are derived from tests 
performed under ambient temperature and VDD supply voltage conditions summarized in 
Table 21. All I/Os are CMOS and TTL compliant.
           Table 55. Output voltage characteristics 
Symbol Parameter Conditions Min Max Unit
VOL(1)
1. The IIO current sunk by the device must always respect the absolute maximum rating specified in Table 19. 
The sum of the currents sunk by all the I/Os (I/O ports and control pins) must always be respected and 
must not exceed ΣIIO(PIN).
Output low level voltage for an I/O 
pin CMOS port(2), 
IIO = +8 mA
2.7 V ≤  VDD ≤  3.6 V
2. TTL and CMOS outputs are compatible with JEDEC standards JESD36 and JESD52.
-0.4
V
VOH(3)
3. The IIO current sourced by the device must always respect the absolute maximum rating specified in 
Table 19. The sum of the currents sourced by all the I/Os (I/O ports and control pins) must always be 
respected and must not exceed ΣIIO(PIN).
Output high level voltage for an I/O 
pin VDD-0.4 -
VOL (1) Output low level voltage for an I/O 
pin
TTL port(2), 
IIO =+ 8 mA
2.7 V ≤ VDD ≤  3.6 V
-0.4
VOH (3)(4)
4. Guaranteed by characterization results.
Output high level voltage for an I/O 
pin
TTL port(2), 
IIO = -6 mA
2.7 V ≤ VDD ≤  3.6 V
2.4 -
VOL(1)(4) Output low level voltage for an I/O 
pin
IIO = +15 mA
2.7 V ≤ VDD ≤  3.6 V -1.3
VOH(3)(4) Output high level voltage for an I/O 
pin
IIO = -15 mA
2.7 V ≤ VDD ≤  3.6 V VDD-1.3 -
VOL(1)(4) Output low level voltage for an I/O 
pin
IIO = +4 mA
1.65 V ≤ VDD < 3.6 V -0.45
VOH(3)(4) Output high level voltage for an I/O 
pin
IIO = -4 mA
1.65 V ≤ VDD ≤  3.6 V VDD-0.45 -
VOLFM+(1)(4) Output low level voltage for an FTf 
I/O pin in Fm+ mode
IIO = 20 mA
2.7 V ≤ VDD ≤  3.6 V -0.4
IIO = 10 mA
1.65 V ≤ VDD ≤  3.6 V -0.4

Electrical characteristics STM32L051x6 STM32L051x8
82/133 DS10184 Rev 10
Input/output AC characteristics
The definition and values of input/output AC characteristics are given in Figure 26 and 
Table 56, respectively.
Unless otherwise specified, the parameters given in Table 56 are derived from tests 
performed under ambient temperature and VDD supply voltage conditions summarized in 
Table 21. 
           Table 56. I/O AC characteristics(1)  
OSPEEDRx[1:0] 
bit value(1) Symbol Parameter Conditions Min Max(2) Unit
00
fmax(IO)out Maximum frequency(3) CL = 50 pF, VDD = 2.7 V to 3.6 V - 400
kHz
CL = 50 pF, VDD = 1.65 V to 2.7 V - 100
tf(IO)out
tr(IO)out
Output rise and fall time
CL = 50 pF, VDD = 2.7 V to 3.6 V - 125
ns
CL = 50 pF, VDD = 1.65 V to 2.7 V - 320
01
fmax(IO)out Maximum frequency(3) CL = 50 pF, VDD = 2.7 V to 3.6 V - 2
MHz
CL = 50 pF, VDD = 1.65 V to 2.7 V - 0.6
tf(IO)out
tr(IO)out
Output rise and fall time
CL = 50 pF, VDD = 2.7 V to 3.6 V - 30
ns
CL = 50 pF, VDD = 1.65 V to 2.7 V - 65
10
Fmax(IO)out Maximum frequency(3) CL = 50 pF, VDD = 2.7 V to 3.6 V - 10
MHz
CL = 50 pF, VDD = 1.65 V to 2.7 V - 2
tf(IO)out
tr(IO)out
Output rise and fall time
CL = 50 pF, VDD = 2.7 V to 3.6 V - 13
ns
CL = 50 pF, VDD = 1.65 V to 2.7 V - 28
11
Fmax(IO)out Maximum frequency(3) CL = 30 pF, VDD = 2.7 V to 3.6  V - 35
MHz
CL = 50 pF, VDD = 1.65 V to 2.7 V - 10
tf(IO)out
tr(IO)out
Output rise and fall time
CL = 30 pF, VDD = 2.7 V to 3.6 V - 6
ns
CL = 50 pF, VDD = 1.65 V to 2.7 V - 17
Fm+ 
configuration(4)
fmax(IO)out Maximum frequency(3)
CL = 50 pF, VDD = 2.5 V to 3.6 V
-1MHz
tf(IO)out Output fall time - 10
ns
tr(IO)out Output rise time - 30
fmax(IO)out Maximum frequency(3)
CL = 50 pF, VDD = 1.65 V to 3.6 V
-350KHz
tf(IO)out Output fall time - 15
ns
tr(IO)out Output rise time - 60
-t
EXTIpw
Pulse width of external 
signals detected by the 
EXTI controller
-8-ns
1. The I/O speed is configured using the OSPEEDRx[1:0] bits. Refer to the line reference manual for a description of GPIO Port 
configuration register.
2. Guaranteed by design. 
3. The maximum frequency is defined in Figure 26.
4. When Fm+ configuration is set, the I/O speed control is bypassed. Refer to the line reference manual for a detailed 
description of Fm+ I/O configuration.
 
 
 
 
 
 
 
 
 
 
 
 
 
 
 
 
 
 
 
 
 
 
 
 
 
DS10184 Rev 10 83/133
STM32L051x6 STM32L051x8 Electrical characteristics
99
Figure 26. I/O AC characteristics definition 
6.3.14 NRST pin characteristics
The NRST pin input driver uses CMOS technology. It is connected to a permanent pull-up 
resistor, RPU , except when it is internally driven low (see Table 57).
Unless otherwise specified, the parameters given in Table 57 are derived from tests 
performed under ambient temperature and VDD supply voltage conditions summarized in 
Table 21. 
DLG
WU,2RXW
287387
(;7(51$/
21&/
0D[LPXPIUHTXHQF\LVDFKLHYHGLIWUWI7DQGLIWKHGXW\F\FOHLV
ZKHQORDGHGE\&/VSHFLILHGLQWKHWDEOH³,2$&FKDUDFWHULVWLFV´
7
WI,2RXW
Table 57. NRST pin characteristics 
Symbol Parameter Conditions Min Typ Max Unit
VIL(NRST)(1)
1. Guaranteed by design.
NRST input low level voltage - VSS -0.8
V
VIH(NRST)(1) NRST input high level voltage - 1.4 - VDD
VOL(NRST)(1) NRST output low level 
voltage
IOL = 2 mA
2.7 V < VDD < 3.6 V --
0.4
IOL = 1.5 mA
1.65 V < VDD < 2.7 V --
Vhys(NRST)(1) NRST Schmitt trigger voltage 
hysteresis  --10%V
DD(2)
2. 200 mV minimum value
-mV
RPU
Weak pull-up equivalent 
resistor(3)
3. The pull-up is designed with a true resistance in series with a switchable PMOS. This PMOS contribution to 
the series resistance is around 10%.
VIN = VSS 25 45 65 kΩ
VF(NRST)(1) NRST input filtered pulse - - - 50 ns
VNF(NRST)(1) NRST input not filtered pulse - 350 - - ns

Electrical characteristics STM32L051x6 STM32L051x8
84/133 DS10184 Rev 10
Figure 27. Recommended NRST pin protection
1. The reset network protects the device against parasitic resets. 
2. The external capacitor must be placed as close as possible to the device. 
3. The user must ensure that the level on the NRST pin can go below the VIL(NRST) max level specified in 
Table 57. Otherwise the reset will not be taken into account by the device.
6.3.15 12-bit ADC characteristics
Unless otherwise specified, the parameters given in Table 58 are derived from tests 
performed under ambient temperature, fPCLK frequency and VDDA supply voltage conditions 
summarized in Table 21: General operating conditions.
Note: It is recommended to perform a calibration after each power-up.
069
538
9''
,QWHUQDOUHVHW
([WHUQDO
UHVHWFLUFXLW
1567
)LOWHU
)
Table 58. ADC characteristics 
Symbol Parameter  Conditions Min Typ Max Unit
VDDA
Analog supply voltage for 
ADC ON
Fast channel 1.65 - 3.6
V
Standard channel 1.75(1) -3.6
VREF+ Positive reference voltage - 1.65 VDDA V
IDDA (ADC)
Current consumption of the 
ADC on VDDAand VREF+
1.14 Msps - 200 -
µA
10 ksps - 40 -
Current consumption of the 
ADC on VDD(2)
1.14 Msps - 70 -
10 ksps - 1 -
fADC ADC clock frequency
Voltage scaling Range 1 0.14 - 16
MHzVoltage scaling Range 2 0.14 - 8
Voltage scaling Range 3 0.14 - 4
fS(3) Sampling rate 12-bit resolution 0.01 - 1.14 MHz
fTRIG(3) External trigger frequency
fADC = 16 MHz, 
12-bit resolution - - 941 kHz
---171/f
ADC
VAIN Conversion voltage range - 0  - VREF+ V

DS10184 Rev 10 85/133
STM32L051x6 STM32L051x8 Electrical characteristics
99
RAIN(3) External input impedance See Equation 1 and 
Table 59 for details --50kΩ
RADC(3)(4) Sampling switch resistance - - - 1 kΩ
CADC(3) Internal sample and hold 
capacitor ---8pF
tCAL(3)(5) Calibration time
fADC = 16 MHz 5.2 µs
-831/f
ADC
WLATENCY(6) ADC_DR register write 
latency
ADC clock = HSI16
1.5 ADC 
cycles + 2 
fPCLK cycles
-
1.5 ADC 
cycles + 3 
fPCLK cycles -
ADC clock = PCLK/2  - 4.5 - fPCLK
cycle
ADC clock = PCLK/4  - 8.5  - fPCLK
cycle
tlatr(3) Trigger conversion latency
fADC = fPCLK/2 = 16 MHz 0.266 µs
fADC = fPCLK/2 8.5 1/fPCLK
fADC = fPCLK/4 = 8 MHz 0.516 µs
fADC = fPCLK/4 16.5 1/fPCLK
fADC = fHSI16 = 16 MHz 0.252 - 0.260 µs
JitterADC ADC jitter on trigger 
conversion fADC = fHSI16 -1-1/f
HSI16
tS(3) Sampling time
fADC = 16 MHz 0.093 - 10.03 µs
-1.5-160.51/f
ADC
tUP_LDO(3)(5) Internal LDO power-up time - - - 10 µs
tSTAB(3)(5) ADC stabilization time - 14 1/fADC
tConV(3) Total conversion time 
(including sampling time)
fADC = 16 MHz,
12-bit resolution 0.875 - 10.81 µs
12-bit resolution 14 to 173 (tS for sampling +12.5 
for successive approximation) 1/fADC
1. VDDA minimum value can be decreased in specific temperature conditions. Refer to Table 59: RAIN max for fADC = 16 MHz.
2. A current consumption proportional to the APB clock frequency has to be added (see Table 35: Peripheral current 
consumption in Run or Sleep mode).
3. Guaranteed by design.
4. Standard channels have an extra protection resistance which depends on supply voltage. Refer to Table 59: RAIN max for 
fADC = 16 MHz.
5. This parameter only includes the ADC timing. It does not take into account register access latency. 
6. This parameter specifies the latency to transfer the conversion result into the ADC_DR register. EOC bit is set to indicate the 
conversion is complete and has the same latency.
Table 58. ADC characteristics (continued)
Symbol Parameter  Conditions Min Typ Max Unit
 AIN
fADC
AIN
fADC
 
 
 
 
 
 
 
 
 
 
 
 
 
 
 
 
 
 
 
 
 
 
 
 
 
 
 
 
 
 
 
 
 
 
 
 
 
 
 
 
 
Electrical characteristics STM32L051x6 STM32L051x8
86/133 DS10184 Rev 10
Equation 1: RAIN max formula
The simplified formula above (Equation 1) is used to determine the maximum external 
impedance allowed for an error below 1/4 of LSB. Here N = 12 (from 12-bit resolution).
RAIN
TS
fADC CADC 2N2+
()ln××
----------------------------------------------------------------RADC
–<
Table 59. RAIN max for fADC = 16 MHz(1) 
Ts 
(cycles)
tS 
(µs)
RAIN max for 
fast channels 
(kΩ)
RAIN max for standard channels (kΩ)
VDD > 
2.7 V
VDD > 
2.4 V
VDD > 
2.0 V
VDD > 
1.8 V
VDD > 
1.75 V
VDD > 1.65 V 
and 
TA > −10 °C
VDD > 1.65 V 
and 
TA > 25 °C
1.5 0.09 0.5 < 0.1 NA NA NA NA NA NA
3.5 0.22 1 0.2 < 0.1 NA NA NA NA NA
7.5 0.47 2.5 1.7 1.5 < 0.1 NA NA NA NA
12.5 0.78 4 3.2 3 1 NA NA NA NA
19.5 1.22 6.5 5.7 5.5 3.5 NA NA NA < 0.1
39.5 2.47 13 12.2 12 10 NA NA NA 5
79.5 4.97 27 26.2 26 24 < 0.1 NA NA 19
160.5 10.03 50 49.2 49 47 32 < 0.1 < 0.1 42
1. Guaranteed by design.
Table 60. ADC accuracy(1)(2)(3) 
Symbol Parameter Conditions Min Typ Max Unit
ET Total unadjusted error
1.65 V < VDDA = VREF+ < 3.6 V, 
range 1/2/3
-2 4
LSB
EO Offset error - 1 2.5
EG Gain error - 1 2
EL Integral linearity error - 1.5 2.5
ED Differential linearity error - 1 1.5
ENOB
Effective number of bits 10.2 11
bits
Effective number of bits (16-bit mode 
oversampling with ratio =256)(4) 11.3 12.1 -
SINAD Signal-to-noise distortion 63 69 -
dBSNR
Signal-to-noise ratio 63 69 -
Signal-to-noise ratio (16-bit mode 
oversampling with ratio =256)(4) 70 76 -
THD Total harmonic distortion - -85 -73
 
 
 
 
 
 
 
 
 
DS10184 Rev 10 87/133
STM32L051x6 STM32L051x8 Electrical characteristics
99
Figure 28. ADC accuracy characteristics
ET Total unadjusted error
1.65 V < VREF+ < VDDA < 3.6 V, 
range 1/2/3
-2 5
LSB
EO Offset error - 1 2.5
EG Gain error - 1 2
EL Integral linearity error - 1.5 3
ED Differential linearity error - 1 2
ENOB Effective number of bits  10.0 11.0 - bits
SINAD Signal-to-noise distortion 62 69 -
dBSNR Signal-to-noise ratio 61 69 -
THD Total harmonic distortion  - -85 -65
1. ADC DC accuracy values are measured after internal calibration.
2. ADC Accuracy vs. Negative Injection Current: Injecting negative current on any of the standard (non-robust) analog input 
pins should be avoided as this significantly reduces the accuracy of the conversion being performed on another analog 
input. It is recommended to add a Schottky diode (pin to ground) to standard analog pins which may potentially inject 
negative current.  
Any positive injection current within the limits specified for IINJ(PIN) and ΣIINJ(PIN) in Section 6.3.12 does not affect the ADC 
accuracy.
3. Better performance may be achieved in restricted VDDA, frequency and temperature ranges.
4. This number is obtained by the test board without additional noise, resulting in non-optimized value for oversampling mode.
Table 60. ADC accuracy(1)(2)(3) (continued)
Symbol Parameter Conditions Min Typ Max Unit
(7 WRWDOXQDMXVWHGHUURUPD[LPXPGHYLDWLRQ
EHWZHHQWKHDFWXDODQGLGHDOWUDQVIHUFXUYHV
(2 RIIVHWHUURUPD[LPXPGHYLDWLRQ
EHWZHHQWKHILUVWDFWXDOWUDQVLWLRQDQG
WKHILUVWLGHDORQH
(* JDLQHUURUGHYLDWLRQEHWZHHQWKHODVW
LGHDOWUDQVLWLRQDQGWKHODVWDFWXDORQH
(' GLIIHUHQWLDOOLQHDULW\HUURUPD[LPXP
GHYLDWLRQEHWZHHQDFWXDOVWHSVDQGWKHLGHDORQHV
(/ LQWHJUDOOLQHDULW\HUURUPD[LPXPGHYLDWLRQ
EHWZHHQDQ\DFWXDOWUDQVLWLRQDQGWKHHQGSRLQW
FRUUHODWLRQOLQH
([DPSOHRIDQDFWXDOWUDQVIHUFXUYH
7KHLGHDOWUDQVIHUFXUYH
(QGSRLQWFRUUHODWLRQOLQH
     9''$
966$
(2
(7
(/
(*
('
/6%,'($/
069
 
 
 
 
 
 
 
 
 
 
 
 
 
 
 
 
 
 
 
 
 
 
 
 
 
Electrical characteristics STM32L051x6 STM32L051x8
88/133 DS10184 Rev 10
Figure 29. Typical connection diagram using the ADC
1. Refer to Table 58: ADC characteristics for the values of RAIN, RADC and CADC.
2. Cparasitic represents the capacitance of the PCB (dependent on soldering and PCB layout quality) plus the 
pad capacitance (roughly 7 pF). A high Cparasitic value will downgrade conversion accuracy. To remedy 
this, fADC should be reduced.
General PCB design guidelines
Power supply decoupling should be performed as shown in Figure 30 or Figure 31, 
depending on whether VREF+ is connected to VDDA or not. The 10 nF capacitors should be 
ceramic (good quality). They should be placed as close as possible to the chip.
Figure 30. Power supply and reference decoupling (VREF+ not connected to VDDA) 
06Y9
9''$
$,1[
,/Q$
97
5$,1
&SDUDVLWLF
9
$,1
97
5$'& ELW
FRQYHUWHU
&
$'&
6DPSOHDQGKROG$'&
FRQYHUWHU
069
95()
670/[[
9''$
966$ 95()±
)Q)
)Q)
 VREh
DDA
VREh
DDA
 
 
 
 
 
 
 
 
 
 
 
 
 
 
 
 
DS10184 Rev 10 89/133
STM32L051x6 STM32L051x8 Electrical characteristics
99
Figure 31. Power supply and reference decoupling (VREF+ connected to VDDA)
6.3.16  Temperature sensor characteristics
069
62%&6$$!
670/[[
&N&
62%&n633!
Table 61. Temperature sensor calibration values
Calibration value name Description Memory address
TS_CAL1 TS ADC raw data acquired at 
temperature of 30 °C, VDDA= 3 V 0x1FF8 007A - 0x1FF8 007B
TS_CAL2 TS ADC raw data acquired at 
temperature of 130 °C, VDDA= 3 V 0x1FF8 007E - 0x1FF8 007F
Table 62. Temperature sensor characteristics 
Symbol Parameter Min Typ Max Unit
TL(1)
1. Guaranteed by characterization results.
VSENSE linearity with temperature - ±1±2°C
Avg_Slope(1) Average slope 1.48 1.61 1.75 mV/°C
V130 Voltage at 130°C ±5°C(2)
2. Measured at VDD = 3 V ±10 mV. V130 ADC conversion result is stored in the TS_CAL2 byte.
640 670 700 mV
IDDA(TEMP)(3) Current consumption - 3.4 6 µA
tSTART(3)
3. Guaranteed by design.
Startup time - - 10
µs
TS_temp(4)(3)
4. Shortest sampling time can be determined in the application by multiple iterations.
ADC sampling time when reading the temperature 10 - -

Electrical characteristics STM32L051x6 STM32L051x8
90/133 DS10184 Rev 10
6.3.17 Comparators
Table 63. Comparator 1 characteristics 
Symbol Parameter Conditions Min(1) Typ Max(1) Unit
VDDA Analog supply voltage - 1.65 3.6 V
VIN
Comparator 1 input voltage 
range -0.6-V
DDA V
tSTART Comparator startup time - - 7 10 µs
td Propagation delay(2) --310
Voffset Comparator offset - - ±3±10 mV
dVoffset/dt Comparator offset variation in 
worst voltage stress conditions
VDDA = 3.6 V, VIN+ = 0 V, 
VIN- = VREFINT
, TA = 25 °C0 1.5 10 mV/1000 h
ICOMP1 Current consumption(3) - - 160 260 nA
1. Guaranteed by characterization.
2. The delay is characterized for 100 mV input step with 10 mV overdrive on the inverting input, the non-inverting input set to 
the reference.
3. Comparator consumption only. Internal reference voltage not included.
Table 64. Comparator 2 characteristics 
Symbol Parameter Conditions Min Typ Max(1) Unit
VDDA Analog supply voltage - 1.65 - 3.6 V
VIN Comparator 2 input voltage range - 0 - VDDA V
tSTART Comparator startup time  Fast mode - 15 20
µs
Slow mode - 20 25
td slow Propagation delay(2) in slow mode 1.65 V ≤ VDDA ≤ 2.7 V - 1.8 3.5
2.7 V ≤ VDDA ≤ 3.6 V - 2.5 6
td fast Propagation delay(2) in fast mode 1.65 V ≤ VDDA ≤ 2.7 V - 0.8 2
2.7 V ≤ VDDA ≤ 3.6 V - 1.2 4
Voffset Comparator offset error - ±4±20 mV
dThreshold/
dt
Threshold voltage temperature 
coefficient
VDDA = 3.3V, TA = 0 to 50 °C,  
V- = VREFINT
, 
3/4 VREFINT
, 
1/2 VREFINT
, 
1/4 VREFINT
.
-15 30
ppm
/°C
ICOMP2 Current consumption(3) Fast mode - 3.5 5 µA
Slow mode - 0.5 2
1. Guaranteed by characterization results.
2. The delay is characterized for 100 mV input step with 10 mV overdrive on the inverting input, the non-inverting input set to 
the reference.
3. Comparator consumption only. Internal reference voltage (required for comparator operation) is not included.
 
 
 
DS10184 Rev 10 91/133
STM32L051x6 STM32L051x8 Electrical characteristics
99
6.3.18 Timer characteristics
TIM timer characteristics
The parameters given in the Table 65 are guaranteed by design.
Refer to Section 6.3.13: I/O port characteristics for details on the input/output alternate 
function characteristics (output compare, input capture, external clock, PWM output).
6.3.19 Communications interfaces
I2C interface characteristics
The I2C interface meets the timings requirements of the I2C-bus specification and user 
manual rev. 03 for: 
•Standard-mode (Sm) : with a bit rate up to 100 kbit/s
•Fast-mode (Fm) : with a bit rate up to 400 kbit/s 
•Fast-mode Plus (Fm+) : with a bit rate up to 1 Mbit/s. 
The I2C timing requirements are guaranteed by design when the I2C peripheral is properly 
configured (refer to the reference manual for details). The SDA and SCL I/O requirements 
are met with the following restrictions: the SDA and SCL I/O pins are not "true" open-drain. 
When configured as open-drain, the PMOS connected between the I/O pin and VDDIOx is 
disabled, but is still present. Only FTf I/O pins support Fm+ low level output current 
maximum requirement (refer to Section 6.3.13: I/O port characteristics for the I2C I/Os 
characteristics). 
All I2C SDA and SCL I/Os embed an analog filter (see Table 66 for the analog filter 
characteristics). 
Table 65. TIMx characteristics(1) 
Symbol Parameter Conditions Min Max Unit
tres(TIM) Timer resolution time
1-t
TIMxCLK
 fTIMxCLK = 32 MHz 31.25 - ns
fEXT
Timer external clock frequency on CH1 
to CH4
 0f
TIMxCLK/2 MHz
fTIMxCLK = 32 MHz 0 16 MHz
ResTIM Timer resolution - 16 bit
tCOUNTER
16-bit counter clock period when 
internal clock is selected (timer’s 
prescaler disabled)
- 1 65536 tTIMxCLK
 fTIMxCLK = 32 MHz 0.0312 2048 µs
tMAX_COUNT Maximum possible count
- - 65536 × 65536 tTIMxCLK
 fTIMxCLK = 32 MHz - 134.2 s
1. TIMx is used as a general term to refer to the TIM2, TIM6, TIM21, and TIM22 timers.
 0m
 
 
0m
 
 
 
 
 
 
 
 
 
 
 
 
 
 
 
 
 
 
 
 
 
 
 
 
 
 
 
Electrical characteristics STM32L051x6 STM32L051x8
92/133 DS10184 Rev 10
The analog spike filter is compliant with I2C timings requirements only for the following 
voltage ranges:
•Fast mode Plus: 2.7 V ≤
 VDD ≤ 3.6 V and voltage scaling Range 1
•Fast mode: 
–2 V ≤ VDD ≤ 3.6 V and voltage scaling Range 1 or Range 2. 
–V
DD < 2 V, voltage scaling Range 1 or Range 2, Cload < 200 pF. 
In other ranges, the analog filter should be disabled. The digital filter can be used instead. 
Note: In Standard mode, no spike filter is required. 
SPI characteristics
Unless otherwise specified, the parameters given in the following tables are derived from 
tests performed under ambient temperature, fPCLKx frequency and VDD supply voltage 
conditions summarized in Table 21.
Refer to Section 6.3.12: I/O current injection characteristics for more details on the 
input/output alternate function characteristics (NSS, SCK, MOSI, MISO).
Table 66. I2C analog filter characteristics(1)
1. Guaranteed by characterization results.
Symbol Parameter Conditions Min Max Unit
tAF
Maximum pulse width of spikes that 
are suppressed by the analog filter
Range 1
50(2)
2. Spikes with widths below tAF(min) are filtered.
100(3)
3. Spikes with widths above tAF(max) are not filtered
nsRange 2 -
Range 3 -
Table 67. SPI characteristics in voltage Range 1 (1) 
Symbol   Parameter  Conditions   Min Typ Max Unit
fSCK
1/tc(SCK)
SPI clock frequency
Master mode
--
16
MHz
Slave mode 
receiver 16
Slave mode 
Transmitter 
1.71<VDD<3.6V
--12
(2)
Slave mode 
Transmitter 
2.7<VDD<3.6V
--16
(2)
Duty(SCK)
Duty cycle of SPI clock 
frequency Slave mode 30 50 70 %

DS10184 Rev 10 93/133
STM32L051x6 STM32L051x8 Electrical characteristics
99
tsu(NSS) NSS setup time Slave mode, SPI 
presc = 2 4*Tpclk - -
ns
th(NSS) NSS hold time Slave mode, SPI 
presc = 2 2*Tpclk - -
tw(SCKH)
tw(SCKL)
SCK high and low time Master mode  Tpclk-2 Tpclk Tpclk+
2
tsu(MI) Data input setup time
Master mode 0 - -
tsu(SI) Slave mode 3 - -
th(MI) Data input hold time
Master mode 7 - -
th(SI) Slave mode 3.5 - -
ta(SO Data output access time Slave mode 15 - 36
tdis(SO) Data output disable time Slave mode 10 - 30
tv(SO) Data output valid time
Slave mode
1.65 V<VDD<3.6 V  -1841
Slave mode 
2.7 V<VDD<3.6 V -1825
tv(MO) Master mode - 4 7
th(SO) Data output hold time
Slave mode  10 - -
th(MO) Master mode  0 - -
1. Guaranteed by characterization results.
2. The maximum SPI clock frequency in slave transmitter mode is determined by the sum of tv(SO) and tsu(MI) 
which has to fit into SCK low or high phase preceding the SCK sampling edge. This value can be 
achieved when the SPI communicates with a master having tsu(MI) = 0 while Duty(SCK) = 50%.
Table 67. SPI characteristics in voltage Range 1 (1) (continued)
Symbol   Parameter  Conditions   Min Typ Max Unit

Electrical characteristics STM32L051x6 STM32L051x8
94/133 DS10184 Rev 10
           Table 68. SPI characteristics in voltage Range 2 (1) 
Symbol   Parameter  Conditions   Min Typ Max Unit
fSCK
1/tc(SCK)
SPI clock frequency
Master mode
--
8
MHz
Slave mode Transmitter 
1.65<VDD<3.6V 8
Slave mode Transmitter 
2.7<VDD<3.6V 8(2)
Duty(SCK)
Duty cycle of SPI clock 
frequency Slave mode 30 50 70 %
tsu(NSS) NSS setup time Slave mode, SPI presc = 2 4*Tpclk - -
ns
th(NSS) NSS hold time Slave mode, SPI presc = 2 2*Tpclk - -
tw(SCKH)
tw(SCKL)
SCK high and low time Master mode  Tpclk-2 Tpclk Tpclk+2
tsu(MI) Data input setup time
Master mode 0 - -
tsu(SI) Slave mode 3 - -
th(MI) Data input hold time
Master mode 11 - -
th(SI) Slave mode 4.5 - -
ta(SO Data output access time Slave mode 18 - 52
tdis(SO) Data output disable time Slave mode 12 - 42
tv(SO) Data output valid time
Slave mode - 20 56.5
tv(MO) Master mode - 5 9
th(SO) Data output hold time
Slave mode  13 - -
th(MO) Master mode  3 - -
1. Guaranteed by characterization results.
2. The maximum SPI clock frequency in slave transmitter mode is determined by the sum of tv(SO) and tsu(MI) which has to fit 
into SCK low or high phase preceding the SCK sampling edge. This value can be achieved when the SPI communicates 
with a master having tsu(MI) = 0 while Duty(SCK) = 50%.

DS10184 Rev 10 95/133
STM32L051x6 STM32L051x8 Electrical characteristics
99
           Table 69. SPI characteristics in voltage Range 3 (1)
Symbol   Parameter  Conditions   Min Typ Max Unit
 fSCK
1/tc(SCK)
SPI clock frequency
Master mode
--
2
MHz
Slave mode 2(2)
Duty(SCK)
Duty cycle of SPI clock 
frequency Slave mode 30 50 70 %
tsu(NSS) NSS setup time Slave mode, SPI presc = 2 4*Tpclk - -
ns
th(NSS) NSS hold time Slave mode, SPI presc = 2 2*Tpclk - -
tw(SCKH)
tw(SCKL)
SCK high and low time Master mode  Tpclk-2 Tpclk Tpclk+2
tsu(MI) Data input setup time
Master mode 1.5 - -
tsu(SI) Slave mode 6 - -
th(MI) Data input hold time
Master mode 13.5 - -
th(SI) Slave mode 16 - -
ta(SO Data output access time Slave mode 30 - 70
tdis(SO) Data output disable time Slave mode 40 - 80
tv(SO) Data output valid time
Slave mode - 30 70
tv(MO) Master mode - 7 9
th(SO) Data output hold time
Slave mode  25 - -
th(MO) Master mode  8 - -
1. Guaranteed by characterization results.
2. The maximum SPI clock frequency in slave transmitter mode is determined by the sum of tv(SO) and tsu(MI) which has to fit 
into SCK low or high phase preceding the SCK sampling edge. This value can be achieved when the SPI communicates 
with a master having tsu(MI) = 0 while Duty(SCK) = 50%.
 , 1“wa 1% 1 m‘mflmHHM “““
 
 
 
 
 
 
 
 
 
 
 
, 1“wa 1% 1 m‘mflmHHM “““
 
 
 
 
 
 
 
 
 
 
 
 
 
 
 
 
 
Electrical characteristics STM32L051x6 STM32L051x8
96/133 DS10184 Rev 10
Figure 32. SPI timing diagram - slave mode and CPHA = 0
Figure 33. SPI timing diagram - slave mode and CPHA = 1(1)
1. Measurement points are done at CMOS levels: 0.3VDD and 0.7VDD.
06Y9
166LQSXW
&3+$ 
&32/ 
6&.LQSXW
&3+$ 
&32/ 
0,62RXWSXW
026,LQSXW
WVX6,
WK6,
WZ6&./
WZ6&.+
WF6&.
WU6&.
WK166
WGLV62
WVX166
WD62 WY62
1H[WELWV,1
/DVWELW287
)LUVWELW,1
)LUVWELW287 1H[WELWV287
WK62 WI6&.
/DVWELW,1
06Y9
166LQSXW
&3+$ 
&32/ 
6&.LQSXW
&3+$ 
&32/ 
0,62RXWSXW
026,LQSXW
WVX6, WK6,
WZ6&./
WZ6&.+
WVX166
WF6&.
WD62 WY62
)LUVWELW287 1H[WELWV287
1H[WELWV,1
/DVWELW287
WK62 WU6&.
WI6&. WK166
WGLV62
)LUVWELW,1 /DVWELW,1

DS10184 Rev 10 97/133
STM32L051x6 STM32L051x8 Electrical characteristics
99
Figure 34. SPI timing diagram - master mode(1)
1. Measurement points are done at CMOS levels: 0.3VDD and 0.7VDD.
DLG
6&.2XWSXW
&3+$  
026,
287387
0,62
,13 87
&3+$  
/6%287
/6%,1
&32/ 
&32/ 
% , 7287
166LQSXW
WF6&.
WZ6&.+
WZ6&./
WU6&.
WI6&.
WK0,
+LJK
6&.2XWSXW
&3+$ 
&3+$ 
&32/ 
&32/ 
WVX0,
WY02 WK02
06%,1 %,7,1
06%287
 
 
 
Electrical characteristics STM32L051x6 STM32L051x8
98/133 DS10184 Rev 10
I2S characteristics
Note: Refer to the I2S section of the product reference manual for more details about the sampling 
frequency (Fs), fMCK, fCK and DCK values. These values reflect only the digital peripheral 
behavior, source clock precision might slightly change them. DCK depends mainly on the 
ODD bit value, digital contribution leads to a min of (I2SDIV/(2*I2SDIV+ODD) and a max of 
(I2SDIV+ODD)/(2*I2SDIV+ODD). Fs max is supported for each mode/condition.
Table 70. I2S characteristics(1) 
Symbol Parameter  Conditions  Min Max Unit 
fMCK I2S Main clock output  - 256 x 8K 256xFs (2) MHz
fCK I2S clock frequency 
Master data: 32 bits - 64xFs
MHz
Slave  data: 32 bits - 64xFs
DCK
I2S clock frequency duty 
cycle  Slave receiver 30 70 %
tv(WS) WS valid time  Master mode  - 15
ns
th(WS) WS hold time  Master mode  11 -
tsu(WS) WS setup time  Slave mode  6 -
th(WS) WS hold time  Slave mode  2 -
tsu(SD_MR) Data input setup time
Master receiver  0 -
tsu(SD_SR) Slave receiver  6.5 -
th(SD_MR) Data input hold time 
Master receiver  18 -
th(SD_SR) Slave receiver  15.5 -
tv(SD_ST) Data output valid time 
Slave transmitter (after enable edge)  - 77
tv(SD_MT) Master transmitter (after enable edge)  - 8
th(SD_ST) Data output hold time 
Slave transmitter (after enable edge)  18 -
th(SD_MT) Master transmitter (after enable edge)  1.5 -
1. Guaranteed by characterization results.
2. 256xFs maximum value is equal to the maximum clock frequency.
 H ‘c1CKp —N;
 
 
 
 
 
 
 
 
 
   
   
 
 
 
 
 
- CFOL : o .
3 . ‘ , ‘ ‘
a. . ‘ , ‘ ‘
s . ‘ , ‘ ‘
X ' 1 § 1 ...... I
0
CFOL a . ‘ \_/—
ws Input 1
D .......
8 "mm“ X LSB (ransmnm X MSB transmit Bun transmit lLSB vansmn
‘su¢sD,sR) ‘ emsujm
snmewe X LSB recewe‘z) MSB receive Bun re_c_e\_v_e_ _ LSB recewe
aMasm
s CPOL : u —\_/—
a ‘
5 ‘
c ‘
x ‘
0 ' ' 1
CPOL : 1 \_/—
. ‘ wwm
ws outpm : 3
I ‘ Msniw) 1 fwsnfiw}
SDtransmK X LSB «ransmmm X M55 «mnsmm an" vansmn LSE vansmn
‘su(sD,MR ‘n(sD,MR)
Snmewe X LSB recewem MSB recewe an receive LSE rec/ewe
emaxaon
 
H ‘c1CKp —N;
 
 
 
 
 
 
 
 
 
   
   
 
 
 
 
 
- CFOL : o .
3 . ‘ , ‘ ‘
a. . ‘ , ‘ ‘
s . ‘ , ‘ ‘
X ' 1 § 1 ...... I
0
CFOL a . ‘ \_/—
ws Input 1
D .......
8 "mm“ X LSB (ransmnm X MSB transmit Bun transmit lLSB vansmn
‘su¢sD,sR) ‘ emsujm
snmewe X LSB recewe‘z) MSB receive Bun re_c_e\_v_e_ _ LSB recewe
aMasm
s CPOL : u —\_/—
a ‘
5 ‘
c ‘
x ‘
0 ' ' 1
CPOL : 1 \_/—
. ‘ wwm
ws outpm : 3
I ‘ Msniw) 1 fwsnfiw}
SDtransmK X LSB «ransmmm X M55 «mnsmm an" vansmn LSE vansmn
‘su(sD,MR ‘n(sD,MR)
Snmewe X LSB recewem MSB recewe an receive LSE rec/ewe
emaxaon
 
 
 
DS10184 Rev 10 99/133
STM32L051x6 STM32L051x8 Electrical characteristics
99
Figure 35. I2S slave timing diagram (Philips protocol)(1) 
1. Measurement points are done at CMOS levels: 0.3 × VDD and 0.7 × VDD. 
2. LSB transmit/receive of the previously transmitted byte. No LSB transmit/receive is sent before the first 
byte.
Figure 36. I2S master timing diagram (Philips protocol)(1) 
1. Guaranteed by characterization results. 
2. LSB transmit/receive of the previously transmitted byte. No LSB transmit/receive is sent before the first 
byte. 
 
 
 
 
 
 
 
 
 
 
 
 
 
 
 
 
 
 
 
 
 
 
 
 
 
 
 
 
 
 
 
 
 
 
 
 
 
 
 
 
 
 
 
 
 
 
 
 
 
Package information STM32L051x6 STM32L051x8
100/133 DS10184 Rev 10
7 Package information
In order to meet environmental requirements, ST offers these devices in different grades of 
ECOPACK packages, depending on their level of environmental compliance. ECOPACK 
specifications, grade definitions and product status are available at www.st.com. ECOPACK 
is an ST trademark.
7.1  LQFP64 package information
Figure 37. LQFP64 - 64-pin, 10 x 10 mm low-profile quad flat package outline
1. Drawing is not to scale.
:B0(B9
$
$
$
6($7,1*3/$1(
FFF &
E
&
F
$
/
/
.
,'(17,),&$7,21
3,1
'
'
'
H
(
(
(
*$8*(3/$1(
PP
 
 
 
DS10184 Rev 10 101/133
STM32L051x6 STM32L051x8 Package information
125
           Table 71. LQFP64 - 64-pin, 10 x 10 mm low-profile quad flat 
package mechanical data 
Symbol
millimeters inches(1)
1. Values in inches are converted from mm and rounded to 4 decimal digits.
Min Typ Max Min Typ Max
A  - -  1.600 - - 0.0630
A1 0.050 - 0.150 0.0020 - 0.0059
A2 1.350 1.400 1.450 0.0531 0.0551 0.0571
b 0.170 0.220 0.270 0.0067 0.0087 0.0106
c 0.090 - 0.200 0.0035 - 0.0079
D - 12.000  - - 0.4724 -
D1  - 10.000  - - 0.3937 -
D3 - 7.500 - - 0.2953 -
E  - 12.000 -  - 0.4724 -
E1  - 10.000  - - 0.3937 -
E3 - 7.500 - - 0.2953 -
e - 0.500 - - 0.0197 -
K 0°3.5°7° 0°3.5°7°
L 0.450 0.600 0.750 0.0177 0.0236 0.0295
L1  - 1.000  - - 0.0394 -
ccc - - 0.080 - - 0.0031
 ’ ,4444444,flflflflflflflflflflfl HUD
+
 
HHHHHHHHHHHHH
Uflfflflflflflflflflflflflflfl
”L
 
 
 
 
fl
 
 
 
flflflflflflflflflflflflflfl%
<74» l="" 4r="">74»>
 
 
’ ,4444444,flflflflflflflflflflfl HUD
+
 
HHHHHHHHHHHHH
Uflfflflflflflflflflflflflflfl
”L
 
 
 
 
fl
 
 
 
flflflflflflflflflflflflflfl%
<74» l="" 4r="">74»>Package information STM32L051x6 STM32L051x8
102/133 DS10184 Rev 10
Figure 38. LQFP64 - 64-pin, 10 x 10 mm low-profile quad flat recommended footprint
1. Dimensions are expressed in millimeters.
 
AIC
 \\
 
 
 
 
 
 
 
 
 
 
 
 
 
\\
 
 
 
 
 
 
 
 
 
 
 
 
 
 
 
 
 
DS10184 Rev 10 103/133
STM32L051x6 STM32L051x8 Package information
125
Device marking for LQFP64
The following figure gives an example of topside marking versus pin 1 position identifier 
location. 
The printed markings may differ depending on the supply chain.
Other optional marking or inset/upset marks, which depend on supply chain operations, are 
not indicated below.
Figure 39. LQFP64 marking example (package top view)  
1. Parts marked as “ES”, “E” or accompanied by an Engineering Sample notification letter, are not yet 
qualified and therefore not approved for use in production. ST is not responsible for any consequences 
resulting from such use. In no event will ST be liable for the customer using any of these engineering 
samples in production. ST’s Quality department must be contacted prior to any decision to use these 
engineering samples to run a qualification activity.
06Y9
5HYLVLRQFRGH
670/
57
3URGXFWLGHQWLILFDWLRQ
'DWHFRGH
<::
3LQ
LQGHQWLILHU
5
 $OOOOO$$
00000000
00000000
OOOO+OOOO
00000000
00000000
 
 
$OOOOOOO
 
 
 
 
 
$ 000000
    
 
 
ED (64 bal‘s)
meeem e 5W
 
 
 
 
 
 
 
 
 
       
$OOOOO$$
00000000
00000000
OOOO+OOOO
00000000
00000000
 
 
$OOOOOOO
 
 
 
 
 
$ 000000
    
 
 
ED (64 bal‘s)
meeem e 5W
 
 
 
 
 
 
 
 
 
 
 
 
 
 
 
 
 
 
 
 
 
 
 
 
 
 
 
 
 
 
Package information STM32L051x6 STM32L051x8
104/133 DS10184 Rev 10
7.2  TFBGA64 package information
Figure 40. TFBGA64 – 64-ball, 5 x 5 mm, 0.5 mm pitch thin profile fine pitch ball 
grid array package outline
1. Drawing is not to scale.
           Table 72. TFBGA64 – 64-ball, 5 x 5 mm, 0.5 mm pitch thin profile fine pitch ball grid
array package outline 
Symbol
millimeters inches(1)
Min Typ Max Min Typ Max
A - - 1.200 - - 0.0472
A1 0.150 - - 0.0059 - -
A2 - 0.200 - - 0.0079 -
A4 - - 0.600 - - 0.0236
b 0.250 0.300 0.350 0.0098 0.0118 0.0138
D 4.850 5.000 5.150 0.1909 0.1969 0.2028
D1 - 3.500 - - 0.1378 -
E 4.850 5.000 5.150 0.1909 0.1969 0.2028
E1 - 3.500 - - 0.1378 -
e - 0.500 - - 0.0197 -
F - 0.750 - - 0.0295 -
5B0(B9
6HDWLQJSODQH
$
H)
)
'
+
EEDOOV
$
(
7239,(: %277209,(:
H
$
%
$
&
GGG &
'
(
HHH & % $
III
0
0&
$
$
$EDOO
LGHQWLILHU
$EDOO
LQGH[DUHD
6,'(9,(:
 0000E000
00000000
00000000
00000000
00000000
00000000
00000000
00000000
 
 
 
 
 
 
 
 
 
 
 
 
 
 
 
0000E000
00000000
00000000
00000000
00000000
00000000
00000000
00000000
 
 
 
 
 
 
 
 
 
 
 
 
 
DS10184 Rev 10 105/133
STM32L051x6 STM32L051x8 Package information
125
Figure 41. TFBGA64 – 64-ball, 5 x 5 mm, 0.5 mm pitch, thin profile fine pitch ball 
,grid array recommended footprint
ddd - - 0.080 - - 0.0031
eee - - 0.150 - - 0.0059
fff - - 0.050 - - 0.0020
1. Values in inches are converted from mm and rounded to 4 decimal digits.
Table 73. TFBGA64 recommended PCB design rules (0.5 mm pitch BGA) 
Dimension Recommended values
Pitch 0.5
Dpad 0.280 mm
Dsm 0.370 mm typ. (depends on the soldermask 
registration tolerance)
Stencil opening 0.280 mm
Stencil thickness Between 0.100 mm and 1.125 mm
Pad trace width 0.100 mm
Table 72. TFBGA64 – 64-ball, 5 x 5 mm, 0.5 mm pitch thin profile fine pitch ball grid
array package outline (continued)
Symbol
millimeters inches(1)
Min Typ Max Min Typ Max
5B)3B9
'SDG
'VP

Package information STM32L051x6 STM32L051x8
106/133 DS10184 Rev 10
Device marking for TFBGA64
The following figure gives an example of topside marking versus ball A 1 position identifier 
location. 
The printed markings may differ depending on the supply chain.
Other optional marking or inset/upset marks, which depend on supply chain operations, are 
not indicated below.
Figure 42. TFBGA64 marking example (package top view)   
1. Parts marked as “ES”, “E” or accompanied by an Engineering Sample notification letter, are not yet 
qualified and therefore not approved for use in production. ST is not responsible for any consequences 
resulting from such use. In no event will ST be liable for the customer using any of these engineering 
samples in production. ST’s Quality department must be contacted prior to any decision to use these 
engineering samples to run a qualification activity.
/5+
5
<::
06Y9
3URGXFWLGHQWLILFDWLRQ
'DWHFRGH <HDUZHHN
%DOO$
5HYLVLRQ
FRGH
 aNe
 
 
 
 
 
 
 
 
 
 
 
 
 
 
 
 
 
 
 
 
mmmmmmm m
WWWW J
L_J
 
mmmmmimmwmw
 
i,i+i,i
 
 
 
 
 
i
WWWWW
 
 
 
 
 
 
 
 
 
aNe
 
 
 
 
 
 
 
 
 
 
 
 
 
 
 
 
 
 
 
 
mmmmmmm m
WWWW J
L_J
 
mmmmmimmwmw
 
i,i+i,i
 
 
 
 
 
i
WWWWW
 
 
 
 
DS10184 Rev 10 107/133
STM32L051x6 STM32L051x8 Package information
125
7.3  LQFP48 package information
Figure 43. LQFP48 - 48-pin, 7 x 7 mm low-profile quad flat package outline
1. Drawing is not to scale.
"?-%?6
0).
)$%.4)&)#!4)/.
CCC #
#
$
MM
'!5'%0,!.%
B
!
!
!
C
!
,
,
$
$
%
%
%
E
3%!4).'
0,!.%
+
 DUDE]
 
 
 
 
 
:I::
 
 
 
 
\
JU]UH[HHHHHH
 
 
 
 
 
 
 
HHH[]
HH]UH[]HH
 
 
 
DUDE]
 
 
 
 
 
:I::
 
 
 
 
\
JU]UH[HHHHHH
 
 
 
 
 
 
 
HHH[]
HH]UH[]HH
 
 
 
 
 
 
 
 
 
 
 
Package information STM32L051x6 STM32L051x8
108/133 DS10184 Rev 10
Figure 44. LQFP48 - 48-pin, 7 x 7 mm low-profile quad flat recommended footprint
1. Dimensions are expressed in millimeters.
Table 74. LQFP48 - 48-pin, 7 x 7 mm low-profile quad flat package mechanical data
Symbol
millimeters inches(1)
1. Values in inches are converted from mm and rounded to 4 decimal digits.
Min Typ Max Min Typ Max
A  -  - 1.600  -  - 0.0630
A1 0.050  - 0.150 0.0020 -  0.0059
A2 1.350 1.400 1.450 0.0531 0.0551 0.0571
b 0.170 0.220 0.270 0.0067 0.0087 0.0106
c 0.090  - 0.200 0.0035 -  0.0079
D 8.800 9.000 9.200 0.3465 0.3543 0.3622
D1 6.800 7.000 7.200 0.2677 0.2756 0.2835
D3  - 5.500  -  - 0.2165 - 
E 8.800 9.000 9.200 0.3465 0.3543 0.3622
E1 6.800 7.000 7.200 0.2677 0.2756 0.2835
E3  - 5.500  -  - 0.2165  -
e  - 0.500  -  - 0.0197  -
L 0.450 0.600 0.750 0.0177 0.0236 0.0295
L1  - 1.000  -  - 0.0394  -
k 0°3.5°7° 0°3.5°7°
ccc - - 0.080 - - 0.0031
  
AID

DS10184 Rev 10 109/133
STM32L051x6 STM32L051x8 Package information
125
Device marking for LQFP48
The following figure gives an example of topside marking versus pin 1 position identifier 
location. 
The printed markings may differ depending on the supply chain.
Other optional marking or inset/upset marks, which depend on supply chain operations, are 
not indicated below.
Figure 45. LQFP48 marking example (package top view)  
1. Parts marked as “ES”, “E” or accompanied by an Engineering Sample notification letter, are not yet 
qualified and therefore not approved for use in production. ST is not responsible for any consequences 
resulting from such use. In no event will ST be liable for the customer using any of these engineering 
samples in production. ST’s Quality department must be contacted prior to any decision to use these 
engineering samples to run a qualification activity.
670/
&7
06Y9
3LQ
LQGHQWLILHU
3URGXFWLGHQWLILFDWLRQ
'DWHFRGH
<::
5HYLVLRQFRGH
5
 ‘4—D‘
WT,
++
 
 
 
 
 
 
 
 
 
 
 
 
 
 
 
 
 
 
 
 
 
 
 
 
 
 
 
 
 
‘4—D‘
WT,
++
 
 
 
 
Package information STM32L051x6 STM32L051x8
110/133 DS10184 Rev 10
7.4  UFQFPN48 package information
Figure 46. UFQFPN48 - 48 leads, 7x7 mm, 0.5 mm pitch, ultra thin fine pitch quad flat 
package outline
1. Drawing is not to scale.
2. All leads/pads should also be soldered to the PCB to improve the lead/pad solder joint life.
3. There is an exposed die pad on the underside of the UFQFPN package. It is recommended to connect and 
solder this back-side pad to PCB ground.
$%B0(B9
'
3LQLGHQWLILHU
ODVHUPDUNLQJDUHD
((
'<
'
(
([SRVHGSDG
DUHD
=
'HWDLO=
5W\S
/
&[
SLQFRUQHU
$
6HDWLQJ
SODQH
$
E
H
GGG
'HWDLO<
7
 <7 —="">
<74» nunnnnnnnnnn‘="" +h4="" dddddddu="" el="" el="" fig="" el="" 54.74»="" dddddddddd?="" :nnnnnnnnnnnnifi="" +j—k="">74»><7 4»="">7>7>
 
 
 
<7 —="">
<74» nunnnnnnnnnn‘="" +h4="" dddddddu="" el="" el="" fig="" el="" 54.74»="" dddddddddd?="" :nnnnnnnnnnnnifi="" +j—k="">74»><7 4»="">7>7>DS10184 Rev 10 111/133
STM32L051x6 STM32L051x8 Package information
125
Figure 47. UFQFPN48 - 48 leads, 7x7 mm, 0.5 mm pitch, ultra thin fine pitch quad flat 
package recommended footprint
1. Dimensions are expressed in millimeters.
Table 75. UFQFPN48 - 48 leads, 7x7 mm, 0.5 mm pitch, ultra thin fine pitch quad flat 
package mechanical data 
Symbol
millimeters inches(1)
1. Values in inches are converted from mm and rounded to 4 decimal digits.
Min Typ Max Min Typ Max
A 0.500 0.550 0.600 0.0197 0.0217 0.0236
A1 0.000  0.020 0.050 0.0000  0.0008 0.0020
D 6.900 7.000 7.100 0.2717 0.2756 0.2795
E 6.900 7.000 7.100 0.2717 0.2756 0.2795
D2 5.500 5.600 5.700 0.2165 0.2205 0.2244
E2 5.500 5.600 5.700 0.2165 0.2205 0.2244
L 0.300 0.400 0.500 0.0118 0.0157 0.0197
T - 0.152 - - 0.0060 -
b 0.200 0.250 0.300 0.0079 0.0098 0.0118
e - 0.500 - - 0.0197 -
ddd - - 0.080 - - 0.0031
 
!"?&0?6
 
 e1
 
 
 
 
 
 
 
 
 
 
 
 
Qaaa
 
 
 
 
 
 
 
 
e1
 
 
 
 
 
 
 
 
 
 
 
 
Qaaa
 
 
 
 
 
 
 
 
 
Package information STM32L051x6 STM32L051x8
112/133 DS10184 Rev 10
7.5 Standard WLCSP36 package information
Figure 48. Standard WLCSP36 - 2.61 x 2.88 mm, 0.4 mm pitch wafer level chip scale 
package outline
1. Drawing is not to scale.
2. b dimensions is measured at the maximum bump diameter parallel to primary datum Z 
           Table 76. Standard WLCSP36 - 2.61 x 2.88 mm, 0.4 mm pitch wafer level chip scale
mechanical data 
 Symbol
millimeters inches(1)
Min Typ Max Min Typ Max
A- -0.59--0.023
A1 - 0.18 - - 0.007 -
A2 - 0.38 - - 0.015 -
A3 - 0.025(2) - - 0.001 -
b 0.22 0.25 0.28 0.009 0.010 0.011
D 2.59 2.61 2.63 0.102 0.103 0.104
E 2.86 2.88 2.90 0.112 0.113 0.114
e - 0.40 - - 0.016 -
e1 - 2.00 - - 0.079 -
e2 - 2.00 - - 0.079 -
$
RULHQWDWLRQ
UHIHUHQFH
:DIHUEDFNVLGH
'HWDLO$
URWDWHG
6HDWLQJSODQH
$
%XPS
E
6LGHYLHZ
$
$
'HWDLO$
H )
*
H
H$EDOOORFDWLRQ
H
%XPSVLGH
HHH =
$<B0(B9
)
$
$
=;<
=
FFF
GGG
EEDOOV
=
DDD
[
EEE =
 
 
 
 
 
 
 
 
 
 
 
 
 
 
 
 
 
DS10184 Rev 10 113/133
STM32L051x6 STM32L051x8 Package information
125
Figure 49. Standard WLCSP36 - 2.61 x 2.88 mm, 0.4 mm pitch wafer level chip scale
recommended footprint
F-0.305
(3) - - 0.012 -
G-0.440
(3) - - 0.017 -
aaa - - 0.100 - - 0.004
bbb - - 0.100 - - 0.004
ccc - - 0.100 - - 0.004
ddd - - 0.050 - - 0.002
eee - - 0.050 - - 0.002
1. Values in inches are converted from mm and rounded to the 3rd decimal place. 
2. Nominal dimension rounded to the 3rd decimal place results from process capability. 
3. Calculated dimensions are rounded to the 3rd decimal place.
Table 77. Standard WLCSP36 recommended PCB design rules
 Dimension Recommended values
Pitch 0.4 mm
Dpad 260 µm max. (circular)
220 µm recommended
Dsm 300 µm min. (for 260 µm diameter pad)
PCB pad design Non-solder mask defined via underbump allowed
Table 76. Standard WLCSP36 - 2.61 x 2.88 mm, 0.4 mm pitch wafer level chip scale
mechanical data (continued)
 Symbol
millimeters inches(1)
Min Typ Max Min Typ Max
069
'VP
'SDG
 /
 
 
 
/
 
 
 
 
 
 
 
 
 
 
 
 
 
 
 
 
 
 
 
Package information STM32L051x6 STM32L051x8
114/133 DS10184 Rev 10
Device marking for standard WLCSP36
The following figure gives an example of topside marking versus ball A 1 position identifier 
location. 
The printed markings may differ depending on the supply chain.
Other optional marking or inset/upset marks, which depend on supply chain operations, are 
not indicated below.
Figure 50. Standard WLCSP36 marking example (package top view)
1. Parts marked as “ES”, “E” or accompanied by an Engineering Sample notification letter, are not yet 
qualified and therefore not approved for use in production. ST is not responsible for any consequences 
resulting from such use. In no event will ST be liable for the customer using any of these engineering 
samples in production. ST’s Quality department must be contacted prior to any decision to use these 
engineering samples to run a qualification activity.
/
<::
06Y9
3URGXFWLGHQWLILFDWLRQ
5
'DWHFRGH <HDUZHHN
%DOO$
LGHQWLILHU
5HYLVLRQ
FRGH
 
 
 
 
 
 
 
 
 
 
 
 
 
 
 
 
 
 
 
 
 
 
 
 
 
 
DS10184 Rev 10 115/133
STM32L051x6 STM32L051x8 Package information
125
7.6  Thin WLCSP36 package information
Figure 51. Thin WLCSP36 - 2.61 x 2.88 mm, 0.4 mm pitch wafer level chip scale 
package outline
1. Drawing is not to scale.
2. b dimensions is measured at the maximum bump diameter parallel to primary datum Z.
3. Primary datum Z and seating plane are defined by the spherical crowns of the bump.
4. Bump position designation per JESD 95-1, SPP-010.
)
*
H
H
H
H
$%DOOORFDWLRQ
$
EEE=
E
$
$
$
'(7$,/$
%277209,(:
6,'(9,(:
(
'
$25,(17$7,21
5()(5(1&(
7239,(:
'(7$,/$
527$7('
%803
HHH=
E[
FFF=
GGG=
;<
6($7,1*3/$1(
$
DDD
$B0(B9
 
 
 
 
 
 
 
 
 
 
Package information STM32L051x6 STM32L051x8
116/133 DS10184 Rev 10
Figure 52. Thin WLCSP36 - 2.61 x 2.88 mm, 0.4 mm pitch wafer level chip scale
package recommended footprint
Table 78. Thin WLCSP36 - 2.61 x 2.88 mm, 0.4 mm pitch wafer level chip scale
package mechanical data 
 Symbol
millimeters inches(1)
1. Values in inches are converted from mm and rounded to the 3rd decimal place.
Min Typ Max Min Typ Max
A - - 0.33 - - 0.013
A1 - 0.10 - - 0.004 -
A2 - 0.20 - - 0.008 -
A3 - 0.025(2)
2. Back side coating. Nominal dimension rounded to the 3rd decimal place results from process capability.
--0.001-
b 0.16 0.19 0.22 0.006 0.007 0.009
D 2.59 2.61 2.63 0.102 0.103 0.104
E 2.86 2.88 2.90 0.112 0.113 0.114
e - 0.40 - - 0.016 -
e1 - 2.00 - - 0.079 -
e2 - 2.00 - - 0.079 -
F - 0.305(3)
3. Calculated dimensions are rounded to 3rd decimal place.
--0.012-
G - 0.440(3) --0.017-
aaa - - 0.10 - - 0.004
bbb - - 0.10 - - 0.004
ccc - - 0.10 - - 0.004
ddd - - 0.05 - - 0.002
eee - - 0.05 - - 0.002
069
'VP
'SDG
 
 
 
 
 
 
 
 
 
 
 
 
 
 
 
 
 
 
 
 
 
 
 
 
 
 
 
 
 
 
 
 
 
DS10184 Rev 10 117/133
STM32L051x6 STM32L051x8 Package information
125
7.7  LQFP32 package information
Figure 53. LQFP32 - 32-pin, 7 x 7 mm low-profile quad flat package outline
1. Drawing is not to scale.
Table 79. WLCSP36 recommended PCB design rules 
 Dimension Recommended values
Pitch 0.4 mm
Dpad 260 µm max. (circular)
220 µm recommended
Dsm 300 µm min. (for 260 µm diameter pad)
PCB pad design Non-solder mask defined via underbump allowed
$
$
$
%
%
%
!
,
,
+
!
!
!
C
B
'!5'%0,!.%
MM
3%!4).'
0,!.%
#
0).
)$%.4)&)#!4)/.
CCC #
7@.&@7
E
 ' DUDE
mifififi
EDD
 
 
 
 
47
puuuj
I:|:|
|:|
4>|:l
4>|:l
|:|
D Duhuuuj
gj
 
 
' DUDE
mifififi
EDD
 
 
 
 
47
puuuj
I:|:|
|:|
4>|:l
4>|:l
|:|
D Duhuuuj
gj
 
 
 
Package information STM32L051x6 STM32L051x8
118/133 DS10184 Rev 10
Figure 54. LQFP32 - 32-pin, 7 x 7 mm low-profile quad flat recommended footprint
1. Dimensions are expressed in millimeters.
Table 80. LQFP32 - 32-pin, 7 x 7 mm low-profile quad flat package mechanical data 
Symbol
millimeters inches(1)
1. Values in inches are converted from mm and rounded to 4 decimal digits.
Min Typ Max Min Typ Max
A  -  - 1.600  -  - 0.0630
A1 0.050  - 0.150 0.0020  - 0.0059
A2 1.350 1.400 1.450 0.0531 0.0551 0.0571
b 0.300 0.370 0.450 0.0118 0.0146 0.0177
c 0.090  - 0.200 0.0035  - 0.0079
D 8.800 9.000 9.200 0.3465 0.3543 0.3622
D1 6.800 7.000 7.200 0.2677 0.2756 0.2835
D3  - 5.600  -  - 0.2205  -
E 8.800 9.000 9.200 0.3465 0.3543 0.3622
E1 6.800 7.000 7.200 0.2677 0.2756 0.2835
E3  - 5.600  -  - 0.2205  -
e  - 0.800  -  - 0.0315  -
L 0.450 0.600 0.750 0.0177 0.0236 0.0295
L1  - 1.000  -  - 0.0394  -
k 0°3.5°7° 0°3.5°7°
ccc - - 0.100 - - 0.0039
6?&0?6
 / N
 
 
 
 
 
 
 
 
/ N
 
 
 
 
 
 
 
 
 
 
 
 
 
 
 
 
 
 
 
 
DS10184 Rev 10 119/133
STM32L051x6 STM32L051x8 Package information
125
Device marking for LQFP32
The following figure gives an example of topside marking versus pin 1 position identifier 
location. 
The printed markings may differ depending on the supply chain.
Other optional marking or inset/upset marks, which depend on supply chain operations, are 
not indicated below.
Figure 55. LQFP32 marking example (package top view)  
1. Parts marked as “ES”, “E” or accompanied by an Engineering Sample notification letter, are not yet 
qualified and therefore not approved for use in production. ST is not responsible for any consequences 
resulting from such use. In no event will ST be liable for the customer using any of these engineering 
samples in production. ST’s Quality department must be contacted prior to any decision to use these 
engineering samples to run a qualification activity.
.7
5
< ::
06Y9
3LQLQGHQWLILHU
3URGXFWLGHQWLILFDWLRQ
5HYLVLRQFRGH
670/
'DWHFRGH
 +£9—Ll
 
 
 
 
 
 
 
 
J
3
 
 
 
 
 
uuuu
nnn
nnn
 
 
fl?
yuuu
32
 
 
,
333533
 
 
tr
 
 
+£9—Ll
 
 
 
 
 
 
 
 
J
3
 
 
 
 
 
uuuu
nnn
nnn
 
 
fl?
yuuu
32
 
 
,
333533
 
 
tr
 
 
 
 
 
 
Package information STM32L051x6 STM32L051x8
120/133 DS10184 Rev 10
7.8  UFQFPN32 package information
Figure 56. UFQFPN32 - 32-pin, 5x5 mm, 0.5 mm pitch ultra thin fine pitch quad flat 
package outline
1. Drawing is not to scale.
2. There is an exposed die pad on the underside of the UFQFPN package. It is recommended to connect and 
solder this backside pad to PCB ground.
$%B0(B9
3,1,GHQWLILHU
6($7,1*3/$1(
&
&
GGG
$
$
$
H
E
'
E
(
/
H
( (
' /
'
 1
E7,
\:|
\:|
\:|
 
\:|
\:|
\:|
Eli,
 
 
 
 
 
DDDDDDDD
l
DDDDDQDDDJ
 
 
 
 
 
mam:
L
1*
 
 
 
1
E7,
\:|
\:|
\:|
 
\:|
\:|
\:|
Eli,
 
 
 
 
 
DDDDDDDD
l
DDDDDQDDDJ
 
 
 
 
 
mam:
L
1*
 
 
 
 
 
DS10184 Rev 10 121/133
STM32L051x6 STM32L051x8 Package information
125
Figure 57. UFQFPN32 - 32-pin, 5x5 mm, 0.5 mm pitch ultra thin fine pitch quad flat 
recommended footprint
1. Dimensions are expressed in millimeters.
Table 81. UFQFPN32 - 32-pin, 5x5 mm, 0.5 mm pitch ultra thin fine pitch quad flat 
package mechanical data 
Symbol
millimeters inches(1)
1. Values in inches are converted from mm and rounded to 4 decimal digits.
Min Typ Max Min Typ Max
A 0.500 0.550 0.600 0.0197  0.0217 0.0236
A1 - - 0.050 - - 0.0020
A3  - 0.152  -  - 0.0060 -
b 0.180 0.230 0.280 0.0071 0.0091 0.0110
D 4.900 5.000 5.100 0.1929 0.1969 0.2008
D1 3.400 3.500 3.600 0.1339 0.1378 0.1417
D2 3.400 3.500 3.600 0.1339 0.1378 0.1417
E 4.900 5.000 5.100 0.1929 0.1969 0.2008
E1 3.400 3.500 3.600 0.1339 0.1378 0.1417
E2 3.400 3.500 3.600 0.1339 0.1378 0.1417
e  - 0.500  -  -  0.0197  -
L 0.300 0.400 0.500 0.0118 0.0157 0.0197
ddd - - 0.080 - - 0.0031
$%B)3B9
 Re
 
 
 
 
 
 
 
 
 
 
 
 
 
 
 
 
 
 
 
 
 
 
 
 
 
Re
 
 
 
Package information STM32L051x6 STM32L051x8
122/133 DS10184 Rev 10
Device marking for UFQFPN32
The following figure gives an example of topside marking versus pin 1 position identifier 
location. 
The printed markings may differ depending on the supply chain.
Other optional marking or inset/upset marks, which depend on supply chain operations, are 
not indicated below.
Figure 58. UFQFPN32 marking example (package top view) 
1. Parts marked as “ES”, “E” or accompanied by an Engineering Sample notification letter, are not yet 
qualified and therefore not approved for use in production. ST is not responsible for any consequences 
resulting from such use. In no event will ST be liable for the customer using any of these engineering 
samples in production. ST’s Quality department must be contacted prior to any decision to use these 
engineering samples to run a qualification activity.
/.
5
< ::
06Y9
3URGXFWLGHQWLILFDWLRQ
5HYLVLRQFRGH
'DWHFRGH <HDUZHHN
3LQ

DS10184 Rev 10 123/133
STM32L051x6 STM32L051x8 Package information
125
7.9 Thermal characteristics
The maximum chip-junction temperature, TJ max, in degrees Celsius, may be calculated 
using the following equation:
TJ max = TA max + (PD max × Θ
JA)
Where:
•TA max is the maximum ambient temperature in °C,
•Θ
JA is the package junction-to-ambient thermal resistance, in °C/W,
•PD max is the sum of PINT max and PI/O max (PD max = PINT max + PI/Omax),
•PINT max is the product of IDD and VDD, expressed in Watts. This is the maximum chip 
internal power.
PI/O max represents the maximum power dissipation on output pins where:
PI/O max = Σ (VOL × IOL) + Σ((VDD – VOH) × IOH),
taking into account the actual VOL / IOL and VOH / IOH of the I/Os at low and high level in the 
application.
Table 82. Thermal characteristics
Symbol Parameter Value Unit
Θ
JA
Thermal resistance junction-ambient
TFBGA64 - 5 x 5 mm / 0.5 mm pitch 61
°C/W
Thermal resistance junction-ambient
LQFP64 - 10 x 10 mm / 0.5 mm pitch 45
Thermal resistance junction-ambient
Standard WLCSP36 - 0.4 mm pitch 63
Thermal resistance junction-ambient
Thin WLCSP36 - 0.4 mm pitch 59
Thermal resistance junction-ambient
LQFP48 - 7 x 7 mm / 0.5 mm pitch 55
Thermal resistance junction-ambient
LQFP32 - 7 x 7 mm / 0.8 mm pitch 57
Thermal resistance junction-ambient
UFQFPN32 - 5 x 5 mm / 0.5 mm pitch 38
Thermal resistance junction-ambient
UFQFPN48 - 7 x 7 mm / 0.5 mm pitch 31
 mm
3500
mm
2500
mm
1500
mm
sou
 
 
 
125
um
75
so
25 n
— uunm
— mmz
51mm
— chspze
— mm
— mm
— mean
 
 
 
mm
3500
mm
2500
mm
1500
mm
sou
 
 
 
125
um
75
so
25 n
— uunm
— mmz
51mm
— chspze
— mm
— mm
— mean
 
 
 
 
 
 
Package information STM32L051x6 STM32L051x8
124/133 DS10184 Rev 10
Figure 59. Thermal resistance 
7.9.1 Reference document
JESD51-2 Integrated Circuits Thermal Test Method Environment Conditions - Natural 
Convection (Still Air). Available from www.jedec.org.
06Y9
Ϭ
ϱϬϬ
ϭϬϬϬ
ϭϱϬϬ
ϮϬϬϬ
ϮϱϬϬ
ϯϬϬϬ
ϯϱϬϬ
ϰϬϬϬ
ϭϮϱ ϭϬϬ ϳϱ ϱϬ Ϯϱ Ϭ
hY&EϯϮ
>Y&Wϲϰ
>Y&Wϰϴ
>Y&WϯϮ
d&'ϲϰ
^ƚĂŶĚĂƌĚ
t>^Wϯϲ
7HPSHUDWXUH&
3'P: dŚŝŶ
t>^Wϯϲ
h&Y&WEϰϴ
 
 
 
 
 
 
 
 
 
 
 
 
 
 
DS10184 Rev 10 125/133
STM32L051x6 STM32L051x8 Ordering information
125
8 Ordering information
For a list of available options (speed, package, etc.) or for further information on any aspect 
of this device, please contact your nearest ST sales office.
Example: STM32  L 051 R 8 T 6   D   TR 
Device family
STM32 = Arm-based 32-bit microcontroller
Product type
L = Low power
Device subfamily
051 = Access line
Pin count
K = 32 pins
T = 36 pins
C = 48/49 pins
R = 64 pins
Flash memory size
6 = 32 Kbytes
8 = 64 Kbytes
Package
T = LQFP
H = TFBGA
U = UFQFPN
Y = Standard WLCSP pins
F = Thin WLCSP pins
Temperature range
6 = Industrial temperature range, –40 to 85 °C
7 = Industrial temperature range, –40 to 105 °C
3 = Industrial temperature range, –40 to 125 °C
Options
No character = VDD range: 1.8 to 3.6 V and BOR enabled
D = VDD range: 1.65 to 3.6 V and BOR disabled
Packing
TR = tape and reel
No character = tray or tube

Revision history STM32L051x6 STM32L051x8
126/133 DS10184 Rev 10
9 Revision history
           Table 83. Document revision history 
Date Revision Changes
13-
Feb-
2014
1 Initial release.
29-Apr-
2014 2
Added WLCSP36 package. Updated Table 2: Ultra-low-power 
STM32L051x6/x8 device features and peripheral counts
Updated Table 5: Functionalities depending on the working mode  (from 
Run/active down to standby). Added Section 3.2: Interconnect matrix.
Updated Figure 4: STM32L051x6/8 TFBGA64 ballout
Replaced TTa I/O structure by TC, updated PA0/4/5, PC5/14, BOOT0 and 
NRST I/O structure in Table 15: STM32L051x6/8 pin definitions.
Updated Table 21: General operating conditions, Table 18: Voltage 
characteristics and Table 19: Current characteristics.
Modified conditions in Table 24: Embedded internal reference voltage.
Updated Table 25: Current consumption in Run mode, code with data 
processing running from Flash, Table 27: Current consumption in Run mode, 
code with data processing running from RAM, Table 29: Current consumption 
in Sleep mode, Table 30: Current consumption in Low-power run mode, 
Table 31: Current consumption in Low-power sleep mode, Table 32: Typical 
and maximum current consumptions in Stop mode and Table 33: Typical and 
maximum current consumptions in Standby mode. Added Figure 14: IDD vs 
VDD, at TA= 25/55/85/105 °C, Run mode, code running from Flash memory, 
Range 2, HSE, 1WS, Figure 15: IDD vs VDD, at TA= 25/55/85/105 °C, Run 
mode, code running from Flash memory, Range 2, HSI16, 1WS, Figure 16: IDD 
vs VDD, at TA= 25/55/ 85/105/125 °C, Low-power run mode, code running 
from RAM, Range 3, MSI (Range 0) at 64 KHz, 0 WS, Figure 17: IDD vs VDD, 
at TA= 25/55/ 85/105/125 °C, Stop mode with RTC enabled and running on 
LSE Low drive and Figure 18: IDD vs VDD, at TA= 25/55/85/105/125 °C, Stop 
mode with RTC disabled, all clocks OFF.
Updated Table 40: HSE oscillator characteristics and Table 41: LSE oscillator 
characteristics. Added Figure 23: HSI16 minimum and maximum value versus 
temperature.
Updated Table 51: ESD absolute maximum ratings, Table 53: I/O current 
injection susceptibility and Table 54: I/O static characteristics, and added 
Figure 24: VIH/VIL versus VDD (CMOS I/Os) and Figure 25: VIH/VIL versus 
VDD (TTL I/Os). Updated Table 55: Output voltage characteristics, Table 56: 
I/O AC characteristics and Figure 26: I/O AC characteristics definition.
Updated Table 58: ADC characteristics, Table 60: ADC accuracy, and 
Figure 29: Typical connection diagram using the ADC. Updated Table 62: 
Temperature sensor characteristics.
Updated Table 67: SPI characteristics in voltage Range 1 and Table 70: I2S 
characteristics.
Added Figure 59: Thermal resistance.

DS10184 Rev 10 127/133
STM32L051x6 STM32L051x8 Revision history
132
25-Jun-
2014 3
Cover page: changed LQFP32 size, updated core speed. updated core speed, 
added minimum supply voltage for ADC and comparators. 
ADC now guaranteed down to 1.65 V. 
Updated list of applications in Section 1: Introduction. Changed number of I2S 
interfaces to one in Section 2: Description.
Updated Table 2: Ultra-low-power STM32L051x6/x8 device features and 
peripheral counts. 
Updated Table 3: Functionalities depending on the operating power supply 
range.
Updated RTC/TIM21 in Table 6: STM32L0xx peripherals interconnect matrix.
Added note related to UFQFPN32 and note related to WLCSP36 in Table 15: 
STM32L051x6/8 pin definitions. Split LQFP32/UFQFPN32 pinout schematics 
into two distinct figures: Figure 8 and Figure 9. 
Updated VDDA in Table 21: General operating conditions.
Split Table Current consumption in Run mode, code with data processing 
running from Flash into Table 25 and Table 26 and content updated. Split Table 
Current consumption in Run mode, code with data processing running from 
RAM into Table 27 and Table 28 and content updated. Updated Table 29: 
Current consumption in Sleep mode, Table 30: Current consumption in Low-
power run mode, Table 31: Current consumption in Low-power sleep mode, 
Table 32: Typical and maximum current consumptions in Stop mode, Table 33: 
Typical and maximum current consumptions in Standby mode, and added 
Table 34: Average current consumption during Wakeup.
Updated Table 35: Peripheral current consumption in Run or Sleep mode and 
added Table 36: Peripheral current consumption in Stop and Standby mode. 
Updated tLOCK in Table 45: PLL characteristics.
Removed note 1 below Figure 21: HSE oscillator circuit diagram.
Updated Table 47: Flash memory and data EEPROM characteristics and 
Table 48: Flash memory and data EEPROM endurance and retention. 
Updated Table 56: I/O AC characteristics.
Updated Table 58: ADC characteristics.
Updated Figure 59: Thermal resistance and added note 1. 
Table 83. Document revision history (continued)
Date Revision Changes

Revision history STM32L051x6 STM32L051x8
128/133 DS10184 Rev 10
05-
Sep-
2014
4
Extended operating temperature range to 125 °C.
Updated minimum ADC operating voltage to 1.65 V.
Updated Section 3.4.1: Power supply schemes.
Replaced USART3 by LPUART1 and updated I/O structure for PC5 and PC15 
pins in Table 15: STM32L051x6/8 pin definitions.
Replaced LPUART by LPUART1 in Table 16: Alternate function port A, and 
Table 17: Alternate function port B.
Updated temperature range in Section 2: Description, Table 2: Ultra-low-power 
STM32L051x6/x8 device features and peripheral counts.
Updated PD, TA and TJ to add range 3 in Table 21: General operating conditions. 
Added range 3 in Table 48: Flash memory and data EEPROM endurance and 
retention, Table  : . Update note 1 in Table 25: Current consumption in Run 
mode, code with data processing running from Flash, Table 27: Current 
consumption in Run mode, code with data processing running from RAM, 
Table 29: Current consumption in Sleep mode, Table 30: Current consumption 
in Low-power run mode, Table 31: Current consumption in Low-power sleep 
mode, Table 32: Typical and maximum current consumptions in Stop mode, 
Table 33: Typical and maximum current consumptions in Standby mode and 
Table 37: Low-power mode wakeup timings. Updated Figure 59: Thermal 
resistance and removed note 1. Updated Table 58: ADC characteristics and 
Table 60: ADC accuracy.
Updated Figure 16: IDD vs VDD, at TA= 25/55/ 85/105/125 °C, Low-power run 
mode, code running from RAM, Range 3, MSI (Range 0) at 64 KHz, 0 WS, 
Figure 17: IDD vs VDD, at TA= 25/55/ 85/105/125 °C, Stop mode with RTC 
enabled and running on LSE Low drive, Figure 18: IDD vs VDD, at TA= 
25/55/85/105/125 °C, Stop mode with RTC disabled, all clocks OFF.
Updated Table 33: Typical and maximum current consumptions in Standby 
mode.
Updated SYSCFG in Table 35: Peripheral current consumption in Run or Sleep 
mode.
Updated Table 36: Peripheral current consumption in Stop and Standby mode 
and Table 37: Low-power mode wakeup timings.
Updated ACCHSI16 temperature conditions in Table 42: 16 MHz HSI16 
oscillator characteristics.
Updated VF(NRST) and VNF(NRST) in Table 57: NRST pin characteristics.
Updated Table 58: ADC characteristics and Table 60: ADC accuracy.
Added range 3 in Table  : .
Table 83. Document revision history (continued)
Date Revision Changes

DS10184 Rev 10 129/133
STM32L051x6 STM32L051x8 Revision history
132
08-
Sep-
2015
5
Updated LQFP64, TFBGA64 and LQFP48 pinout/ballout schematics to 
highlight pin/ball supplied through VDDIO2. 
Updated current consumption in Run mode in Section : Features.
Updated Figure 7: STM32L051x6/8 WLCSP36 ballout and Figure 4: 
STM32L051x6/8 TFBGA64 ballout to change bump to top view. Renamed 
BOOT1 into nBOOT1. Changed USARTx_RTS into USARTx_RTS_DE and 
LPUARTx_RTS into LPUARTx_RTS_DE.
Changed I/O structure to FT for PC15 in Table 15: STM32L051x6/8 pin 
definitions
ADC no more available in Low-power run and Low-power Sleep modes in 
Table 5: Functionalities depending on the working mode  (from Run/active 
down to standby).
Updated Figure 8: STM32L051x6/8 LQFP32 pinout (PC14).
Suppressed I2C2_SMBA alternate function for PB12 in Table 15: 
STM32L051x6/8 pin definitions and Table 17: Alternate function port B.
In whole Section 6: Electrical characteristics, modified notes related to 
characteristics guaranteed by design and by tests during characterization. 
Added ΣIVDDIO2 and updated ΣIIO(PIN) in Table 19: Current characteristics. 
Updated Table 18: Voltage characteristics.
Changed temperature condition in Table 8: Internal voltage reference 
measured values and Table 23: Embedded internal reference voltage 
calibration values. 
Updated TCoeff in Table 24: Embedded internal reference voltage.
Updated Figure 16: IDD vs VDD, at TA= 25/55/ 85/105/125 °C, Low-power run 
mode, code running from RAM, Range 3, MSI (Range 0) at 64 KHz, 0 WS, 
Figure 17: IDD vs VDD, at TA= 25/55/ 85/105/125 °C, Stop mode with RTC 
enabled and running on LSE Low drive and Figure 18: IDD vs VDD, at TA= 
25/55/85/105/125 °C, Stop mode with RTC disabled, all clocks OFF.
Added note related to Standby mode in Table 36: Peripheral current 
consumption in Stop and Standby mode. 
Updated Table 37: Low-power mode wakeup timings
Updated MSI oscillator temperature frequency drift in Table 44: MSI oscillator 
characteristics.
Updated Table 53: I/O current injection susceptibility, Table 54: I/O static 
characteristics and Table 56: I/O AC characteristics.
Section : I2C interface characteristics: updated introduction, Table 66: I2C 
analog filter characteristics.
updated Figure 32: SPI timing diagram - slave mode and CPHA = 0. 
Updated Table 49: EMS characteristics and Table 50: EMI characteristics.
Added tUP_LDO in Table 58: ADC characteristics.
Added Section : Device marking for LQFP64 and Section : Device marking for 
standard WLCSP36. Updated Section : Device marking for TFBGA64, 
Section : Device marking for LQFP48, Section : Device marking for LQFP32 
and Section : Device marking for UFQFPN32.
Updated note below marking schematics in Section 7: Package information. 
Added Figure 46: WLCSP36 - 2.596 x 2.868 mm, 0.4 mm pitch wafer level chip 
scale package outline. 
Table 83. Document revision history (continued)
Date Revision Changes

Revision history STM32L051x6 STM32L051x8
130/133 DS10184 Rev 10
17-
Mar-
2016
6
Updated number of SPIs on cover page and in Table 2: Ultra-low-power 
STM32L051x6/x8 device features and peripheral counts.
Changed minimum comparator supply voltage to 1.65 V on cover page. 
Added number of fast and standard channels in Section 3.11: Analog-to-digital 
converter (ADC).
Updated Section 3.16.2: Universal synchronous/asynchronous receiver 
transmitter (USART) and Section 3.16.4: Serial peripheral interface (SPI)/Inter-
integrated sound (I2S) to mention the fact that USARTs with synchronous 
mode feature can be used as SPI master interfaces. 
Added baudrate allowing to wake up the MCU from Stop mode in 
Section 3.16.2: Universal synchronous/asynchronous receiver transmitter 
(USART) and Section 3.16.3: Low-power universal asynchronous receiver 
transmitter (LPUART).
In Section 6: Electrical characteristics, updated notes related to values 
guaranteed by characterization.
Changed VDDA minimum value to 1.65 V in Table 21: General operating 
conditions.
Section 6.3.15: 12-bit ADC characteristics:
–Table 58: ADC characteristics: 
Distinction made between VDDA for fast and standard channels; added note 
1.
Added note 4 related to RADC.
Updated fTRIG
. and VAIN maximum value.
Updated tS and tCONV.
Added VREF+.
– Updated equation 1 description.
– Updated Table 59: RAIN max for fADC = 16 MHz for fADC = 16 MHz and 
distinction made between fast and standard channels.
Added Table 69: USART/LPUART characteristics.
Updated Figure 45: LQFP48 marking example (package top view).
Table 83. Document revision history (continued)
Date Revision Changes

DS10184 Rev 10 131/133
STM32L051x6 STM32L051x8 Revision history
132
07-
Mar-
2017
7
Added thin WLCSP36 package
Updated number of I2S interfaces in Table 2: Ultra-low-power 
STM32L051x6/x8 device features and peripheral counts.
Removed note 2 related to PA4 in Table 15: STM32L051x6/8 pin definitions
Added mission profile compliance with JEDEC JESD47 in Section 6.2: 
Absolute maximum ratings.
Removed CRS from Table 35: Peripheral current consumption in Run or Sleep 
mode.
Added note 2. related to the position of the external capacitor below Figure 27: 
Recommended NRST pin protection.
Updated RL in Table 58: ADC characteristics.
Updated tAF maximum value for range 1 in Table 66: I2C analog filter 
characteristics.
Updated tWUUSART description in Table 69: USART/LPUART characteristics.
NSS timing waveforms updated in Figure 32: SPI timing diagram - slave mode 
and CPHA = 0 and Figure 33: SPI timing diagram - slave mode and CPHA = 
1(1).
Added reference to optional marking or inset/upset marks in all package device 
marking sections.
Previous WLCSP36 package renamed “Standard” WLCSP36; added Note 2. 
below Figure 48: Standard WLCSP36 - 2.61 x 2.88 mm, 0.4 mm pitch wafer 
level chip scale package outline and updated Table 76: Standard WLCSP36 - 
2.61 x 2.88 mm, 0.4 mm pitch wafer level chip scale mechanical data.
11-
Sep-
2017
8
Memories and I/Os moved after Core in Features.
Removed column "I/O operation" from Table 3: Functionalities depending on 
the operating power supply range and added note related to GPIO speed.
In Section 5: Memory mapping, replaced memory mapping schematic by 
reference to the reference manual. 
Update note related to PA11/12 below Figure 3: STM32L051x6/8 LQFP64 
pinout, Figure 4: STM32L051x6/8 TFBGA64 ballout and Figure 5: 
STM32L051x6/8 LQFP48 pinout.
Updated minimum and maximum values of I/O weak pull-up equivalent resistor 
(RPU) and weak pull-down equivalent resistor (RPD) in Table 54: I/O static 
characteristics.
Updated minimum and maximum values of NRST weak pull-up equivalent 
resistor (RPU) in Table 57: NRST pin characteristics. 
Removed Table 90: USART/LPUART characteristics.
Updated Figure 40: TFBGA64 – 64-ball, 5 x 5 mm, 0.5 mm pitch thin profile fine 
pitch ball grid array package outline.
Updated note below marking schematics. 
Table 83. Document revision history (continued)
Date Revision Changes

Revision history STM32L051x6 STM32L051x8
132/133 DS10184 Rev 10
09-
May-
2018
9
Updated Arm logo and added Arm word mark notice in Section 1: Introduction.
Removed Cortex logo. 
Updated Table 5: Functionalities depending on the working mode  (from 
Run/active down to standby) to change I2C functionality to disabled in Low-
power Run and Low-power Sleep modes. 
Swapped E5 and E6 signals in Figure 4: STM32L051x6/8 TFBGA64 ballout 
and Table 15: STM32L051x6/8 pin definitions.
Changed PC14-OSC_IN into PC14-OSC32_IN in Figure 9: STM32L051x6/8 
UFQFPN32 pinout. 
Changed USARTx_RTS, USARTx_RTS_DE into USARTx_RTS/USARTx_DE, 
and LPUART1_RTS, LPUART1_RTS_DE into LPUART1_RTS/LPUART1_DE 
in Table 15: STM32L051x6/8 pin definitions and in all alternate function tables.
Updated tAF maximum value for range 1 in Table 66: I2C analog filter 
characteristics.
Updated Figure 56: UFQFPN32 - 32-pin, 5x5 mm, 0.5 mm pitch ultra thin fine 
pitch quad flat package outline and added note related to exposed pad; 
updated Table 81: UFQFPN32 - 32-pin, 5x5 mm, 0.5 mm pitch ultra thin fine 
pitch quad flat package mechanical data.
Updated Figure 40: TFBGA64 – 64-ball, 5 x 5 mm, 0.5 mm pitch thin profile fine 
pitch ball grid array package outline, Figure 41: TFBGA64 – 64-ball, 5 x 5 mm, 
0.5 mm pitch, thin profile fine pitch ball ,grid array recommended footprint and 
Figure 73: TFBGA64 recommended PCB design rules (0.5 mm pitch BGA).
18-Oct-
2019 10
Added UFQFPN48 package. 
In Table 15: STM32L051x6/8 pin definitions, replaced VDDIO2 by VDD and 
changed VDD into VDDIO2 for LQFP64 pin48, TFBGA64 ball E5, LQFP48 pin 
36, and UFQFPN48 pin 36.
Removed R10K and R400K from Table 63: Comparator 1 characteristics.
Updated paragraph introducing all package marking schematics to add the new 
sentence “The printed markings may differ depending on the supply chain.”
Table 83. Document revision history (continued)
Date Revision Changes

DS10184 Rev 10 133/133
STM32L051x6 STM32L051x8
133
IMPORTANT NOTICE – PLEASE READ CAREFULLY
STMicroelectronics NV and its subsidiaries (“ST”) reserve the right to make changes, corrections, enhancements, modifications, and 
improvements to ST products and/or to this document at any time without notice. Purchasers should obtain the latest relevant information on 
ST products before placing orders. ST products are sold pursuant to ST’s terms and conditions of sale in place at the time of order 
acknowledgement.
Purchasers are solely responsible for the choice, selection, and use of ST products and ST assumes no liability for application assistance or 
the design of Purchasers’ products.
No license, express or implied, to any intellectual property right is granted by ST herein.
Resale of ST products with provisions different from the information set forth herein shall void any warranty granted by ST for such product.
ST and the ST logo are trademarks of ST. For additional information about ST trademarks, please refer to www.st.com/trademarks.All other 
product or service names are the property of their respective owners.
Information in this document supersedes and replaces information previously supplied in any prior versions of this document.
© 2019 STMicroelectronics – All rights reserved
Products related to this Datasheet
IC MCU 32BIT 64KB FLASH 32UFQFPN
        
    IC MCU 32BIT 64KB FLASH 48LQFP
        
    IC MCU 32BIT 32KB FLASH 36WLCSP
        
    IC MCU 32BIT 64KB FLASH 36WLCSP
        
    IC MCU 32BIT 64KB FLASH 36WLCSP
        
    IC MCU 32BIT 32KB FLASH 32UFQFPN
        
    IC MCU 32BIT 64KB FLASH 32UFQFPN
        
    IC MCU 32BIT 32KB FLASH 48LQFP
        
    IC MCU 32BIT 64KB FLASH 48LQFP
        
    IC MCU 32BIT 64KB FLASH 64TFBGA
        
    IC MCU 32BIT 64KB FLASH 48LQFP
        
    IC MCU 32BIT 64KB FLASH 32UFQFPN
        
    IC MCU 32BIT 64KB FLASH 64LQFP
        
    IC MCU 32BIT 32KB FLASH 64LQFP
        
    IC MCU 32BIT 32KB FLASH 48LQFP
        
    IC MCU 32BIT 64KB FLASH 48LQFP
        
    IC MCU 32BIT 64KB FLASH 64LQFP
        
    IC MCU 32BIT 64KB FLASH 64LQFP
        
    IC MCU 32BIT 32KB FLASH 32UFQFPN
        
    IC MCU 32BIT 64KB FLASH 32LQFP
        
    IC MCU 32BIT 32KB FLASH 32LQFP
        
    IC MCU 32BIT 64KB FLASH 32LQFP
        
    IC MCU 32BIT 32KB FLASH 48LQFP
        
    IC MCU 32BIT 64KB FLASH 32LQFP
        
    IC MCU 32BIT 64KB FLASH 48LQFP
        
    IC MCU 32BIT 32KB FLASH 32UFQFPN
        
    IC MCU 32BIT 64KB FLASH 32UFQFPN
        
    IC MCU 32BIT 64KB FLASH 32UFQFPN
        
    IC MCU 32BIT 64KB FLASH 32UFQFPN
        
    IC MCU 32BIT 32KB FLASH 64TFBGA
        
    